GM Service Manual Online
For 1990-2009 cars only
Makes
🢒
Cadillac
🢒
2007
🢒
SRX
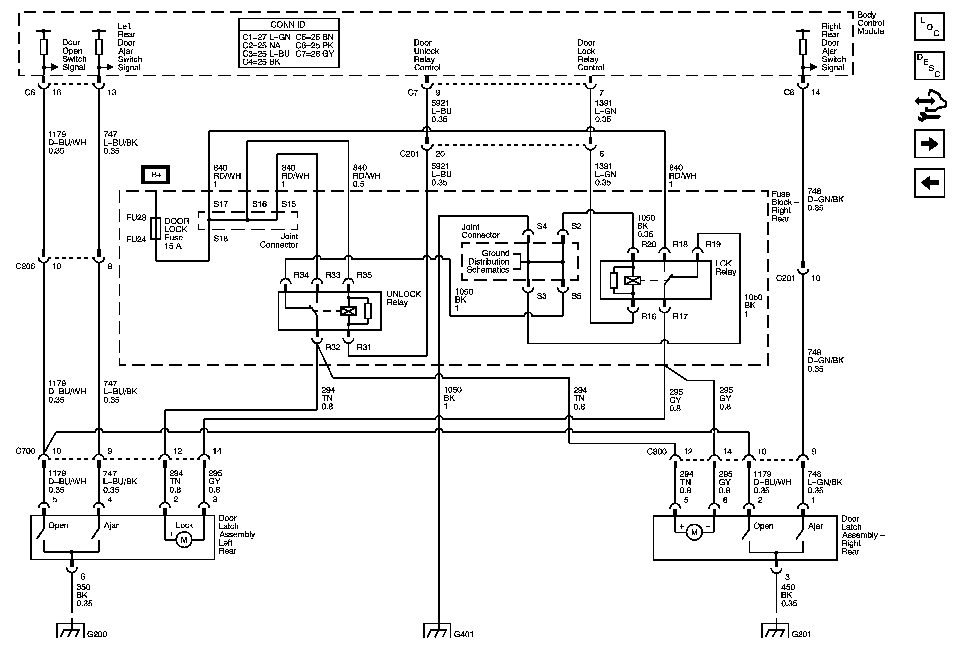
🢒 Rear Door Locks (Domestic)
Rear Door Locks (Domestic)
Rear Door Locks - Domestic
Master Electrical Component List
Power Door Locks Description and Operation
Control Module References
Rear Door Locks (Export)
Front Passenger Door Lock (RHD)
G401 (3 of 3)
G200 (2 of 2) LHD
G401 (3 of 3)
G201 (LHD)