GM Service Manual Online
For 1990-2009 cars only
Makes
🢒
Cadillac
🢒
2007
🢒
SRX
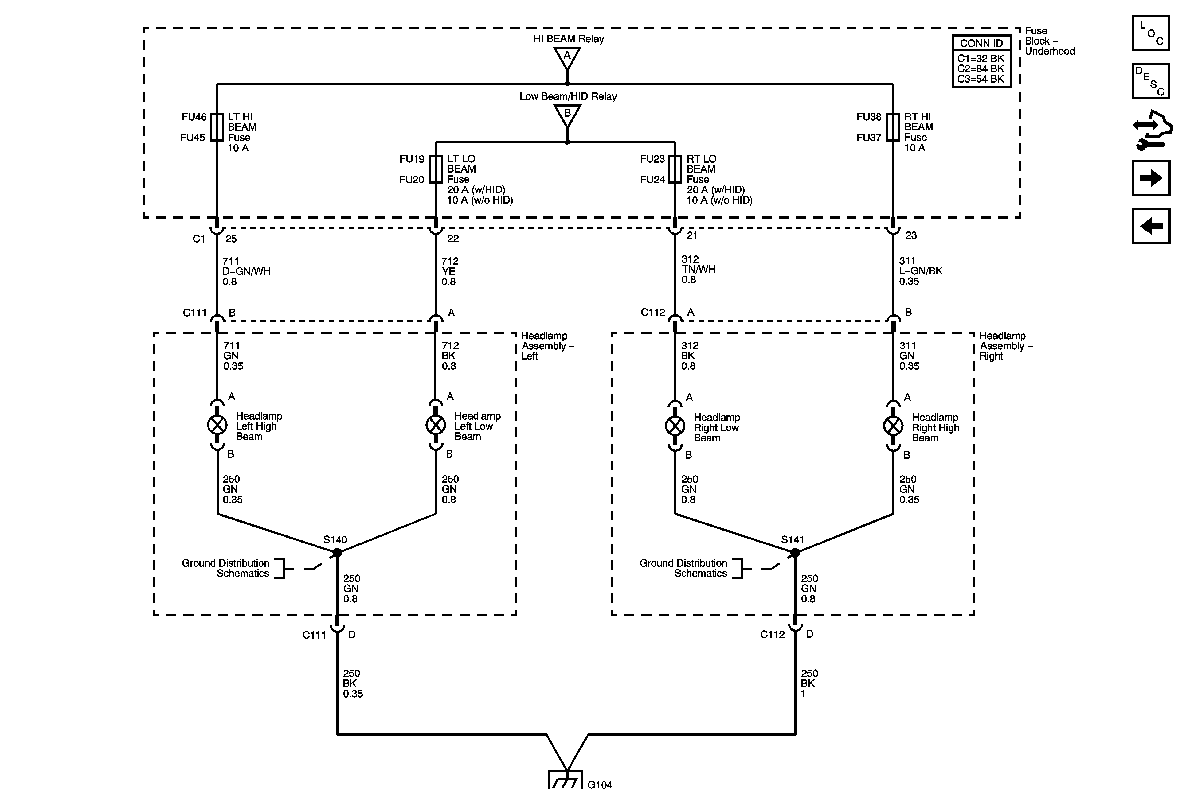
🢒 Headlamps (w/o HID)
Headlamps (w/o HID)
Headlamps (Domestic w/o HID)
Master Electrical Component List
Exterior Lighting Systems Description and Operation
Control Module References
Headlamps (w/HID)
Headlamp Controls
Headlamp Controls
Headlamp Controls
G104 (1 of 2)
G104 (1 of 2)
G104 (1 of 2)