GM Service Manual Online
For 1990-2009 cars only
Makes
🢒
Cadillac
🢒
2007
🢒
SRX
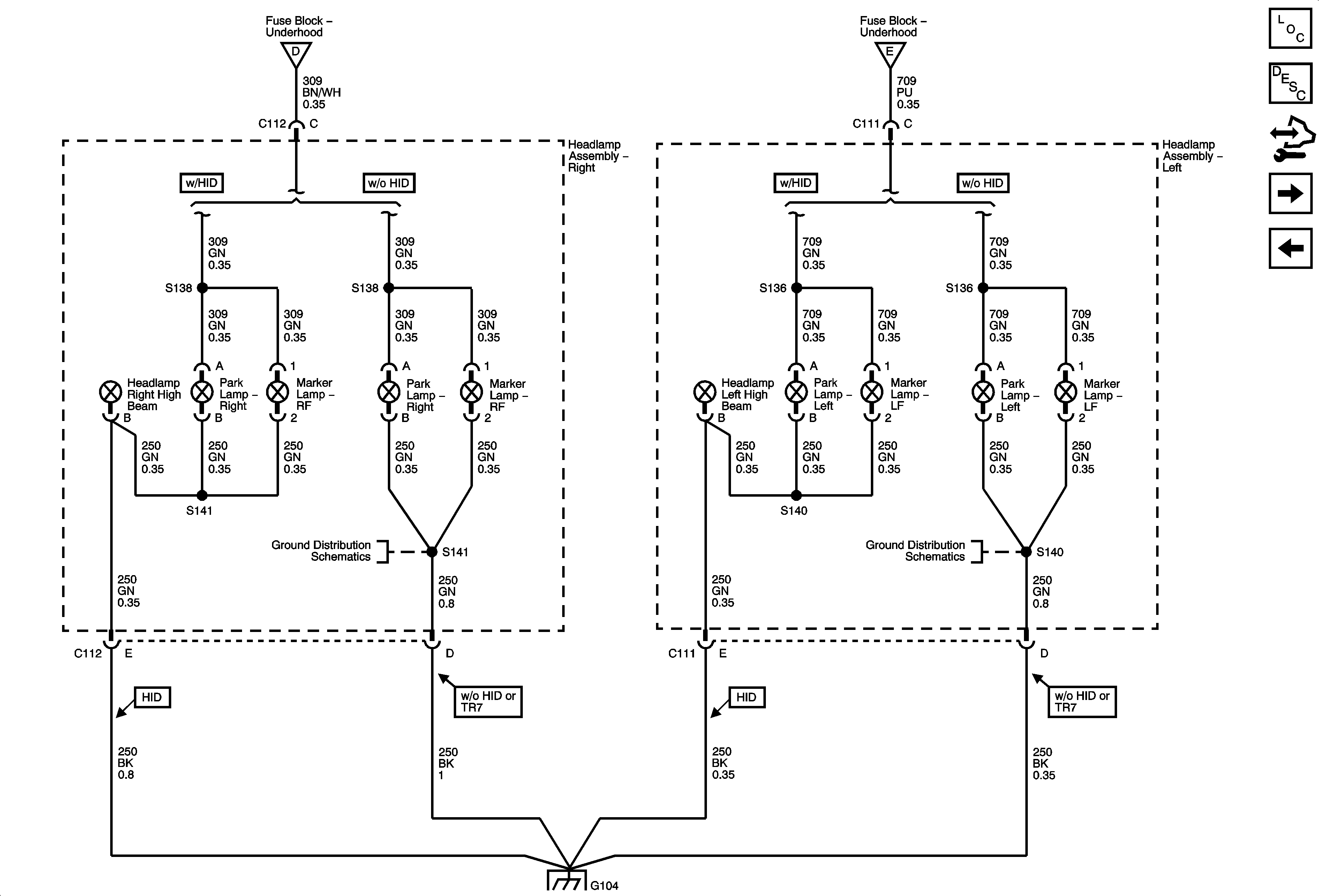
🢒 Park Lamps Domestic 2 of 2
Park Lamps Domestic 2 of 2
Park Lamps Domestic (2 of 2)
Master Electrical Component List
Exterior Lighting Systems Description and Operation
Control Module References
Park Lamps - Export 1 of 2
Park Lamps Domestic 1 of 2
Park Lamps Domestic 1 of 2
Park Lamps Domestic 1 of 2
G104 (1 of 2)
G104 (1 of 2)
G104 (1 of 2)