GM Service Manual Online
For 1990-2009 cars only
Makes
🢒
Cadillac
🢒
2007
🢒
SRX
🢒 Interior Lamps Dimming Controls
Interior Lamps Dimming Controls
Interior Lamps Dimming Controls
Master Electrical Component List
Interior Lighting Systems Description and Operation
Control Module References
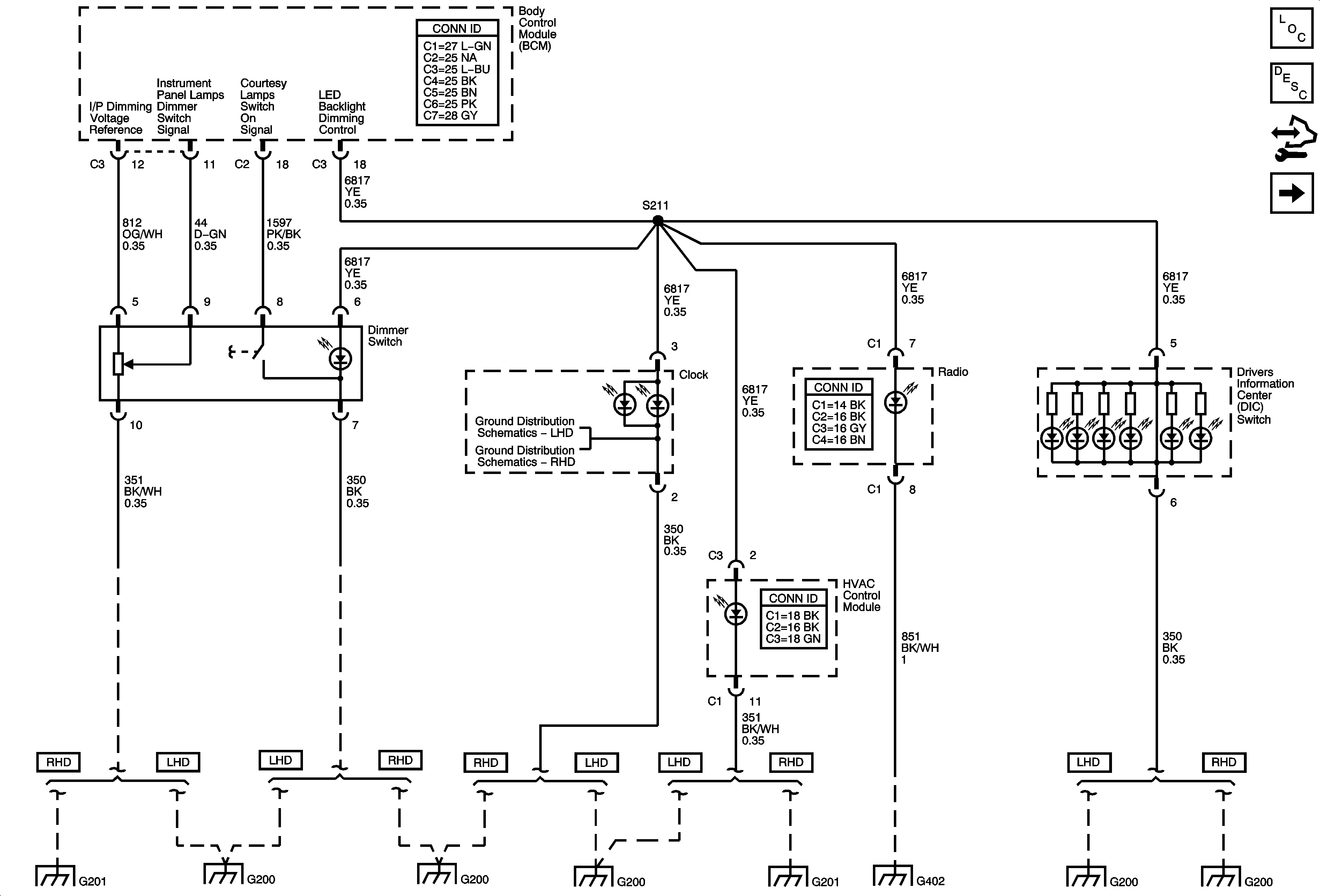
Dimming Lamps (1 of 3)
G200 (1 of 2) LHD
G200 2 OF 2 (RHD)
G402 (1 of 2)
G201 (RHD)
G200 (1 of 2) LHD
G200 2 OF 2 (RHD)
G200 (1 of 2) LHD
G201 (RHD)
G402 (1 of 2)
G200 (1 of 2) LHD
G200 2 OF 2 (RHD)