GM Service Manual Online
For 1990-2009 cars only
Makes
🢒
Cadillac
🢒
2007
🢒
SRX
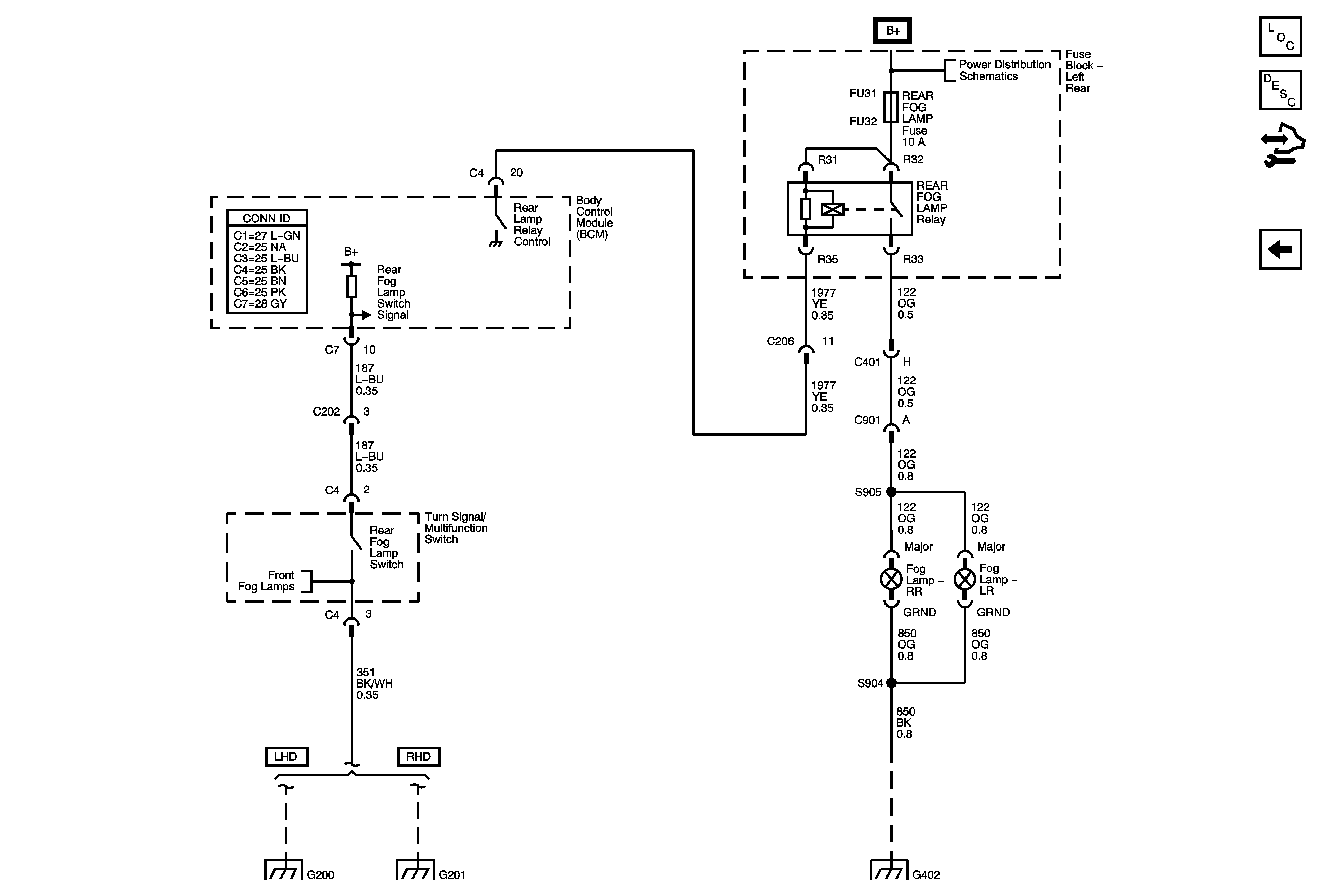
🢒 Rear Fog Lamps
Rear Fog Lamps
Rear Fog Lamps
Master Electrical Component List
Exterior Lighting Systems Description and Operation
Control Module References
Front Fog Lamps
Left Rear Fuse Block B+ Bus
Front Fog Lamps
G200 (1 of 2) LHD
G201 (RHD)
G402 (2 of 2)