GM Service Manual Online
For 1990-2009 cars only
Makes
🢒
Cadillac
🢒
2007
🢒
SRX
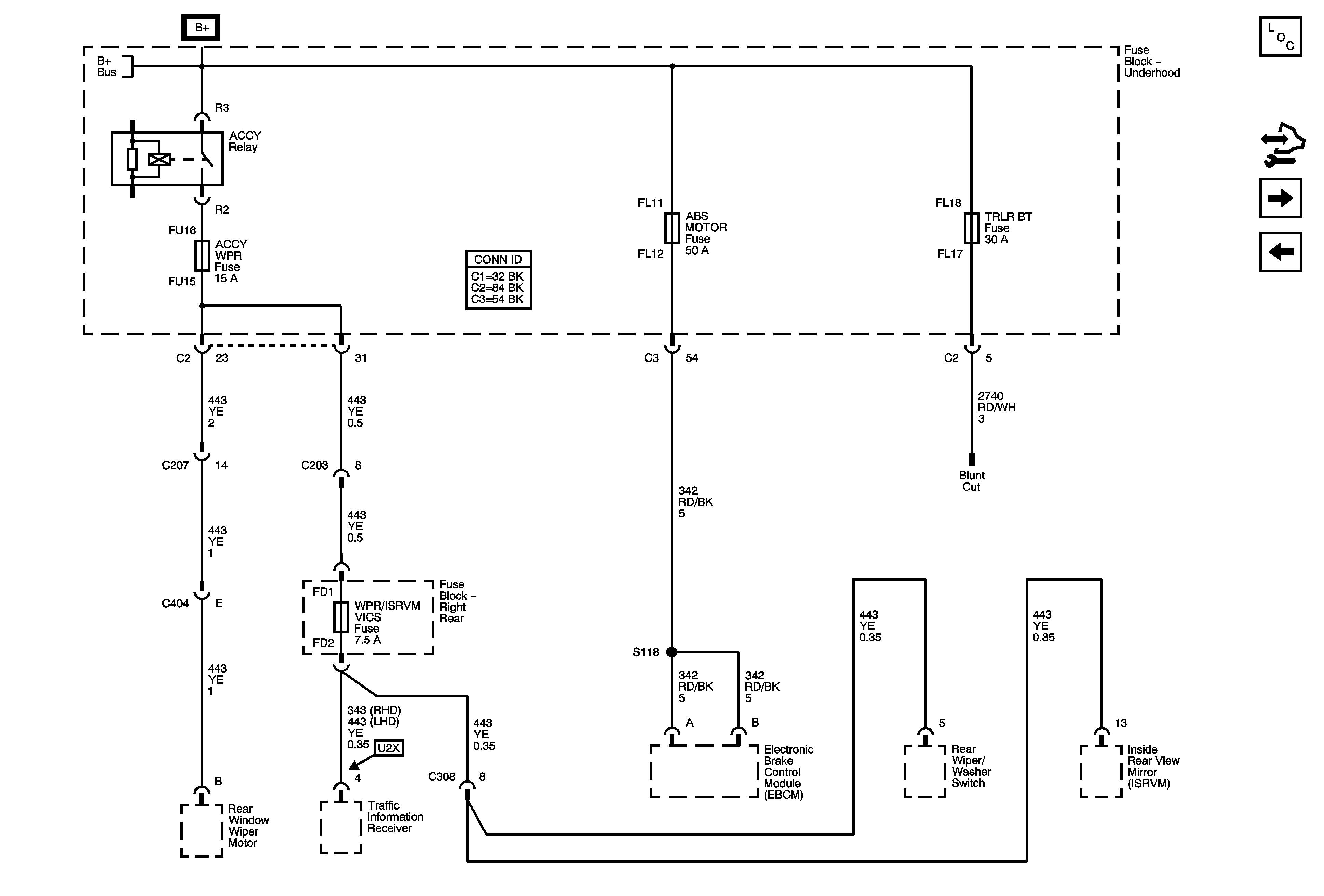
🢒 ABS MOTOR Fuse, ACCY Relay, ACCY WPR Fuse, and TRLR BT Fuse
ABS MOTOR Fuse, ACCY Relay, ACCY WPR Fuse, and TRLR BT Fuse
ABS MOTOR Fuse, ACCY Relay, ACCY WPR Fuse, and TRLR BT Fuse
Master Electrical Component List
Control Module References
ECM 1 Fuse, EMISSION 1 Fuse, EMISSION 2 Fuse, and PWR/TRN Relay (LY7)
IGN MAIN Relay, ABS IGN Fuse, AIRBAG Fuse, ECM TCM IGN Fuse, and MISC IGN Fuse
Underhood Fuse Block B+ Bus - 1 of 2