GM Service Manual Online
For 1990-2009 cars only
Makes
🢒
Cadillac
🢒
2007
🢒
SRX
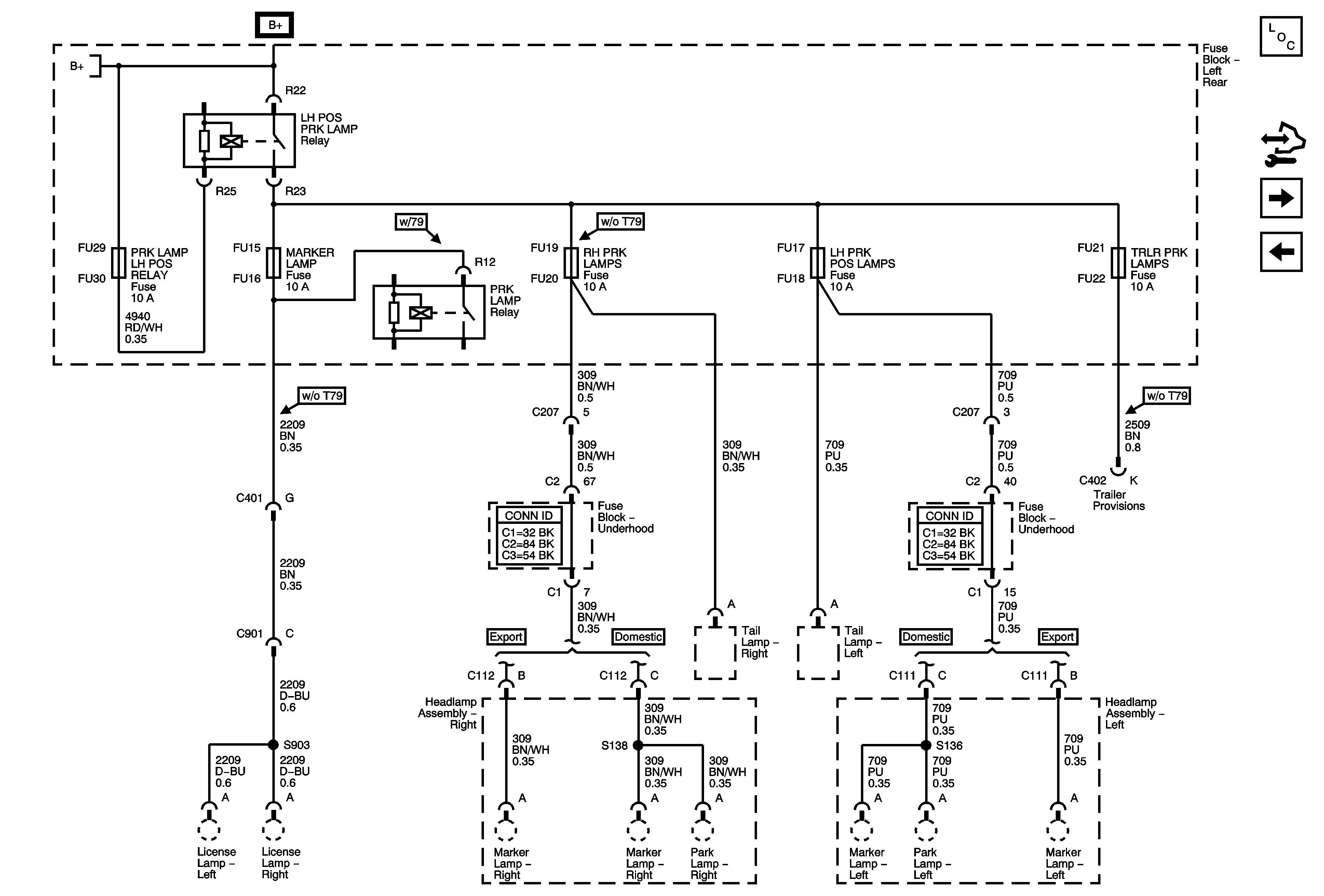
🢒 LH PRK POS LAMPS Fuse, MARKER LAMP Fuse, PRK LAMP LH POS RELAY Fuse, RH PRK LAMPS Fuse, and TRLR PRK LAMPS Fuse
LH PRK POS LAMPS Fuse, MARKER LAMP Fuse, PRK LAMP LH POS RELAY Fuse, RH PRK LAMPS Fuse, and TRLR PRK LAMPS Fuse
LH PRK POS LAMPS Fuse, MARKER LAMP Fuse, PRK LAMP LH POS RELAY Fuse, RH PRK LAMPS Fuse, and TRLR PRK LAMPS Fuse
Master Electrical Component List
Control Module References
ELC Fuse, PDM Fuse, and SIR Fuse
APO Fuse, DRIVER DR MOD Fuse, MEMORY RPA Fuse, and PWR WNDWS Fuse
Left Rear Fuse Block B+ Bus