GM Service Manual Online
For 1990-2009 cars only
Makes
🢒
Cadillac
🢒
2007
🢒
SRX
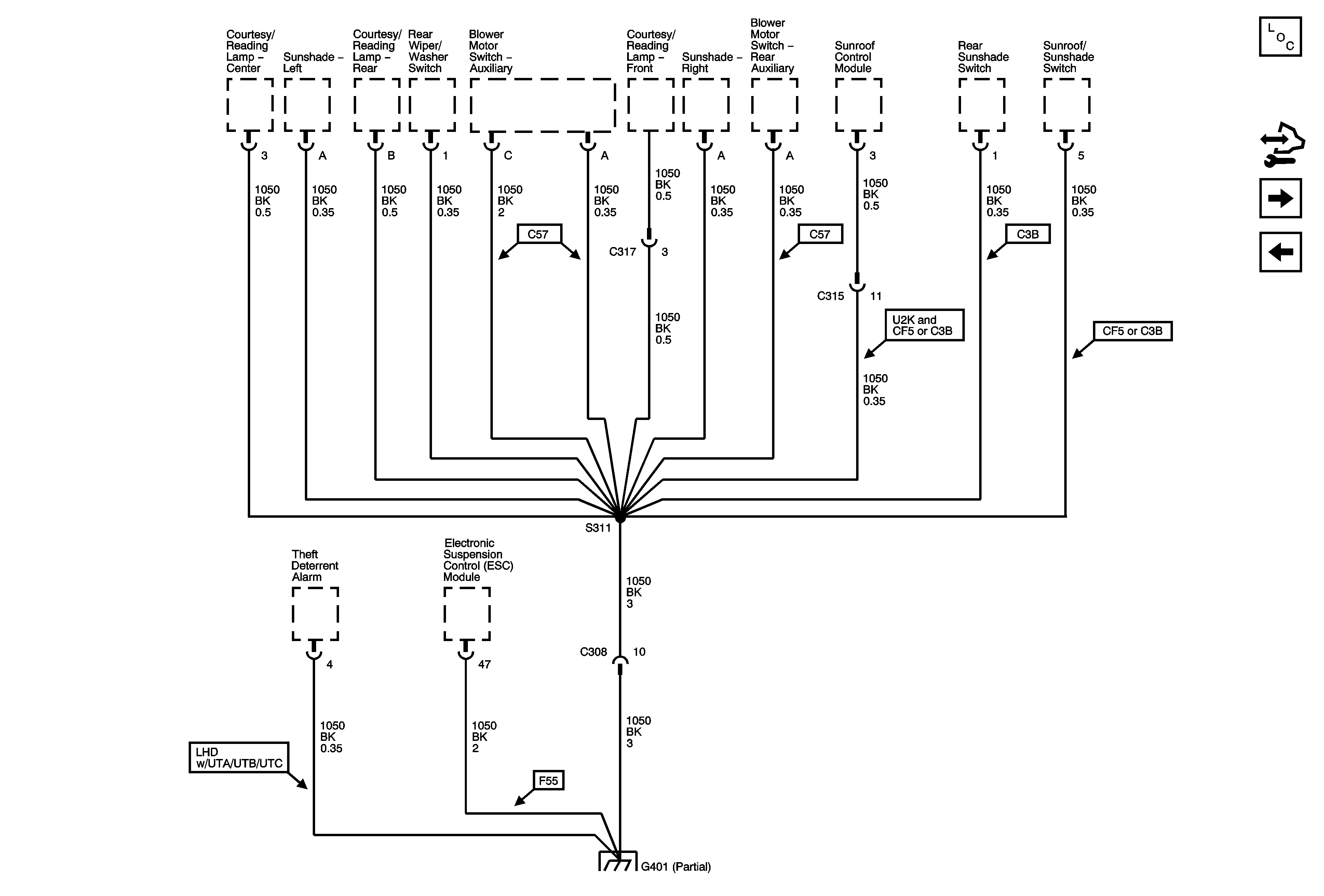
🢒 G401 (2 of 3)
G401 (2 of 3)
G401 (2 of 3)
Master Electrical Component List
Control Module References
G401 (3 of 3)
G401 (1 of 3)