GM Service Manual Online
For 1990-2009 cars only
Makes
🢒
Cadillac
🢒
2007
🢒
SRX
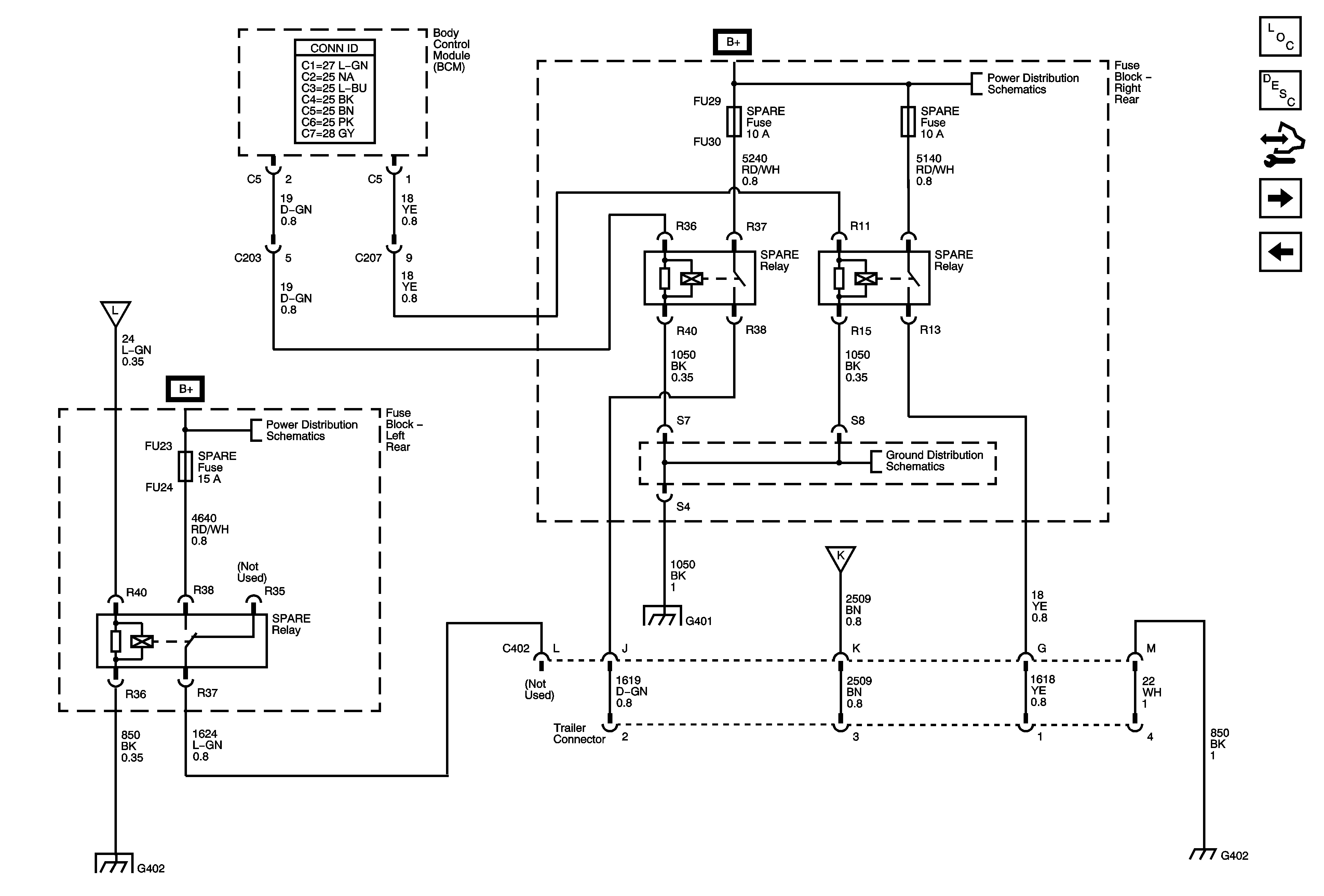
🢒 Trailer Provisions (Domestic)
Trailer Provisions (Domestic)
Trailer Provisions - Domestic
Master Electrical Component List
Exterior Lighting Systems Description and Operation
Control Module References
Trailer Provisions - Export
Backup Lamps
Right Rear Fuse Block B+ Bus
Backup Lamps
G401 (3 of 3)
Park Lamps Domestic 1 of 2
G401 (3 of 3)
G402 (1 of 2)
G402 (1 of 2)