GM Service Manual Online
For 1990-2009 cars only
Figure 1:

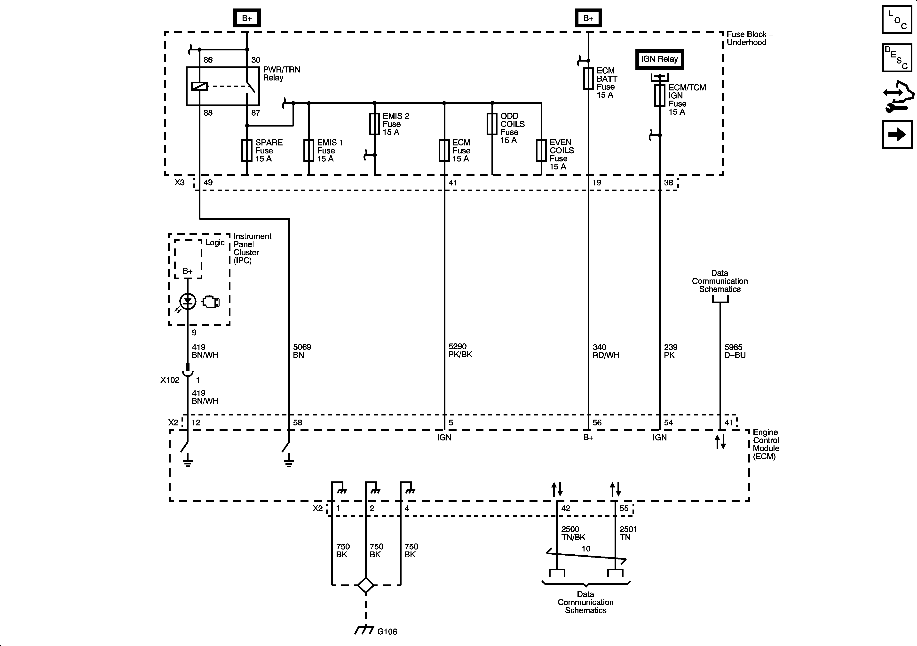
Module Power, Ground, Serial Data and MIL


Object Number: 1872787  Size: FS
Master Electrical Component List
Engine Control Module Description
Control Module References
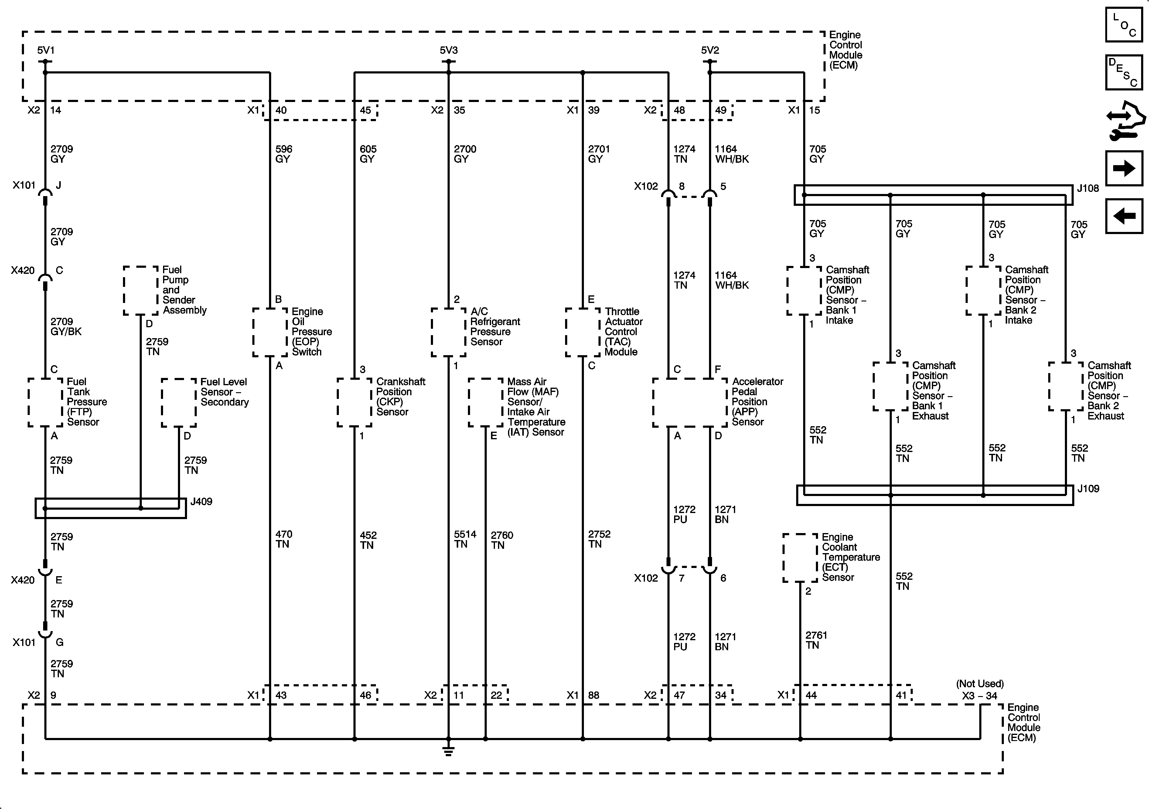
Engine Data Sensors - 5 Volt Reference
Figure 2:

Engine Data Sensors - 5-Volt Reference


Object Number: 1872789  Size: FS
Master Electrical Component List
Engine Control Module Description
Control Module References
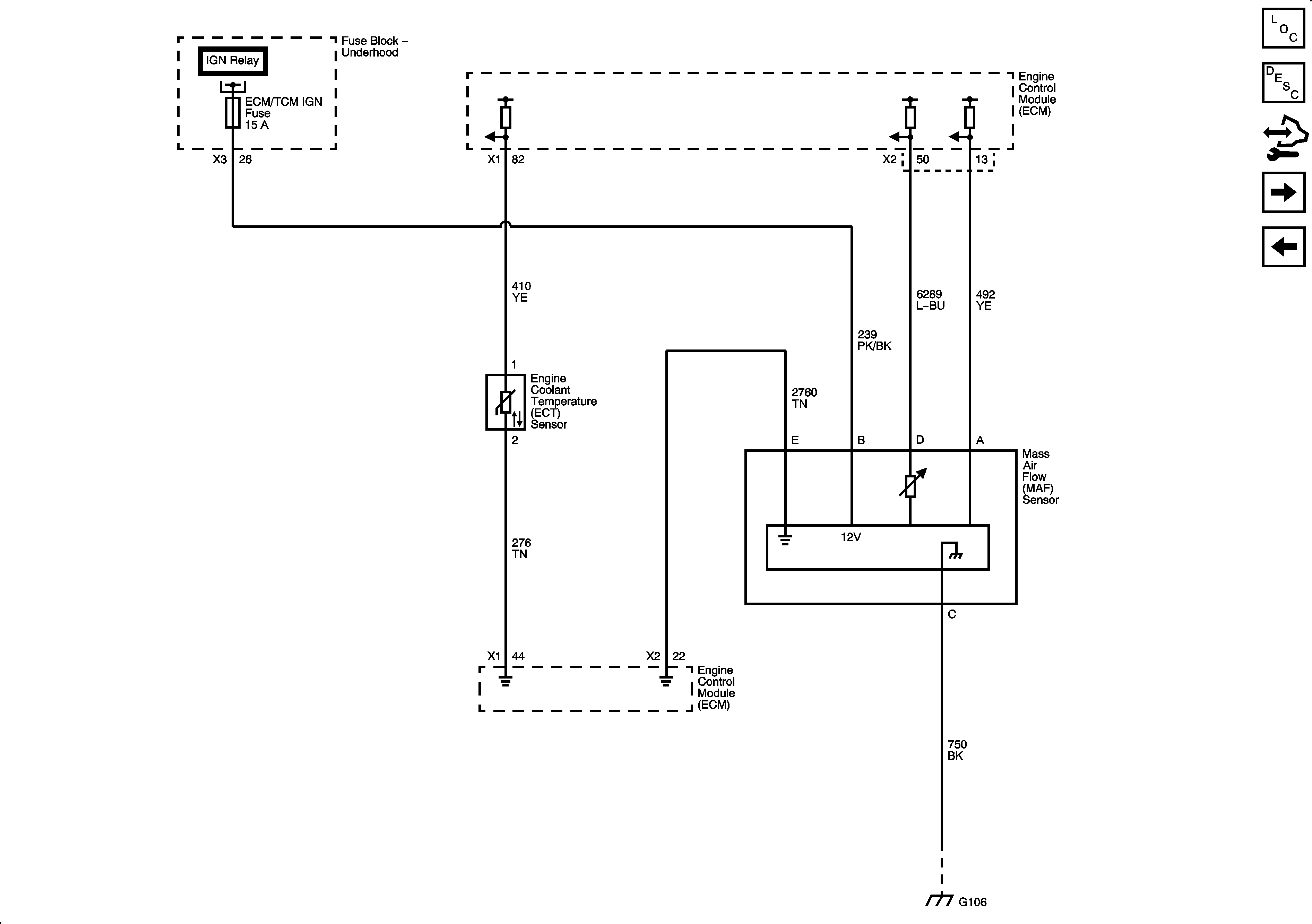
Engine Data Sensors - MAF and Engine Coolant Temp Sensor
Module Power, Ground, Serial Data, and MIL
Figure 3:

Engine Data Sensors - MAF and Engine Coolant Temperature Sensor


Object Number: 1872791  Size: FS
Master Electrical Component List
Engine Control Module Description
Control Module References
Engine Data Sensors - Oxygen Sensors
Engine Data Sensors - 5 Volt Reference
Figure 4:

Engine Data Sensors - Oxygen Sensors


Object Number: 1872793  Size: FS
Master Electrical Component List
Engine Control Module Description
Control Module References
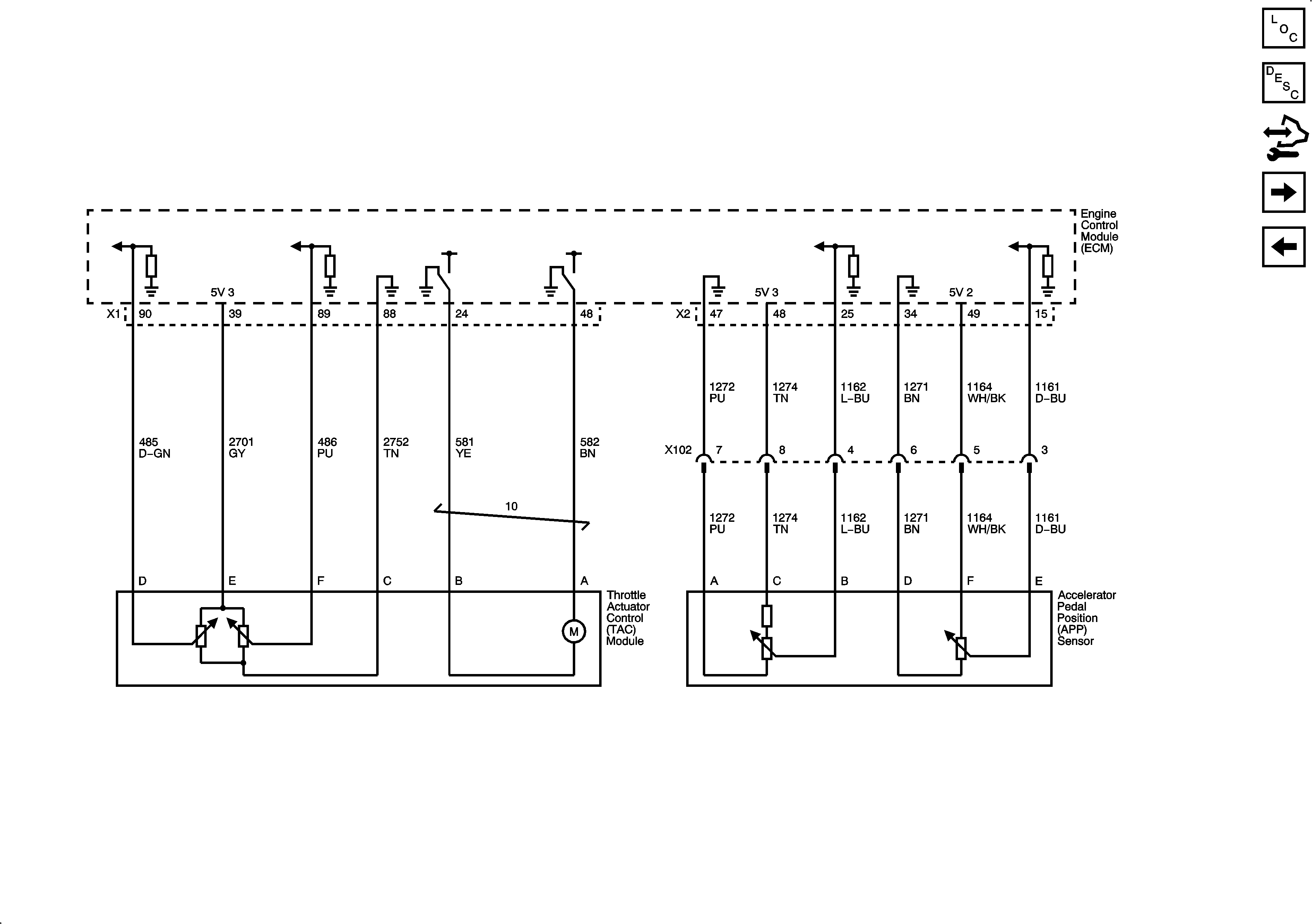
Engine Data Sensors - Throttle Actuator Controls
Engine Data Sensors - MAF and Engine Coolant Temp Sensor
Figure 5:

Engine Data Sensors - Throttle Actuator Controls


Object Number: 1872804  Size: FS
Master Electrical Component List
Throttle Actuator Control (TAC) System Description
Control Module References
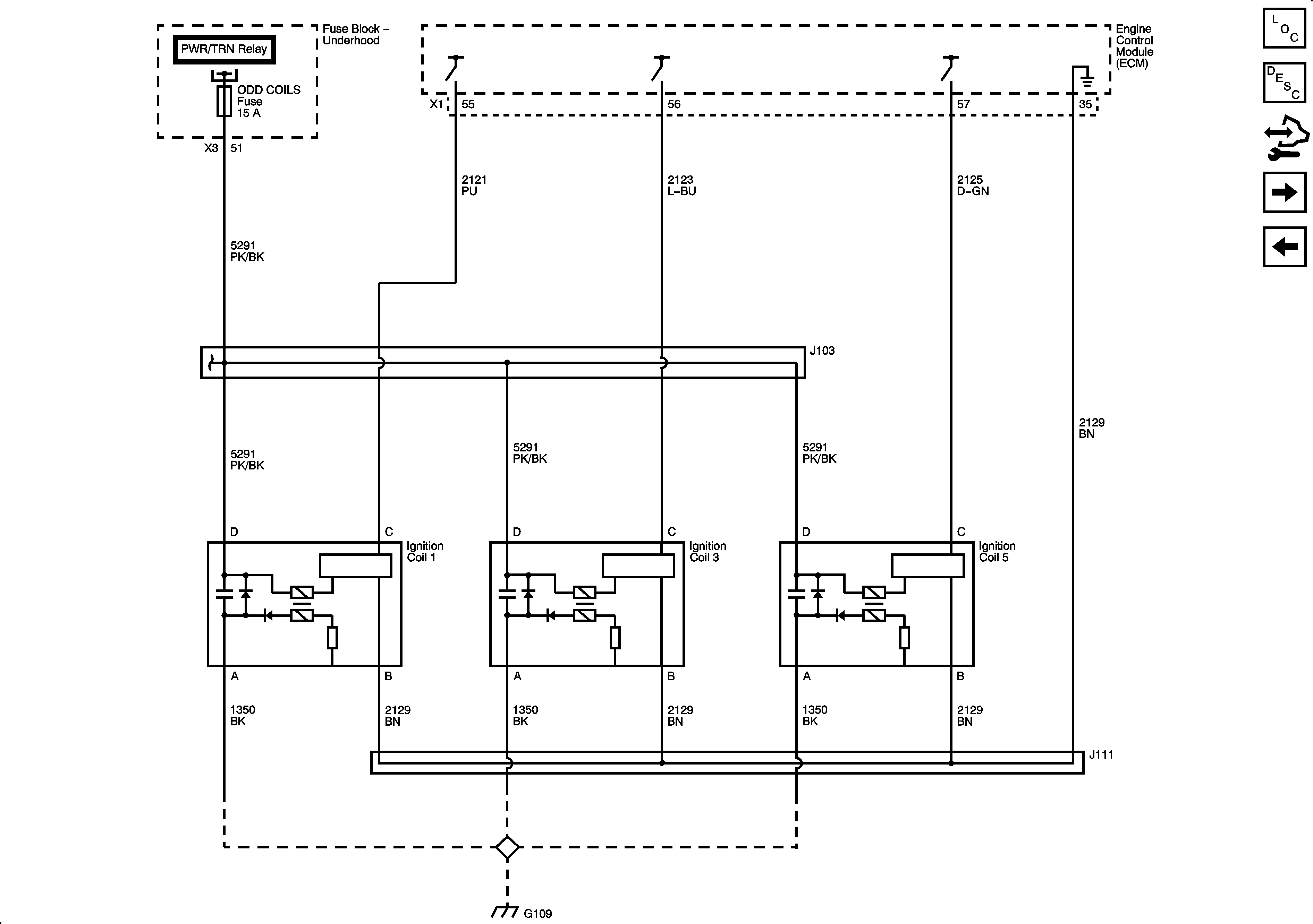
Ignition Controls - Bank 1 Ignition Coils
Engine Data Sensors - Oxygen Sensors
Figure 6:

Ignition Controls - Bank 1 Ignition Coils


Object Number: 1872812  Size: FS
Master Electrical Component List
Electronic Ignition (EI) System Description
Control Module References
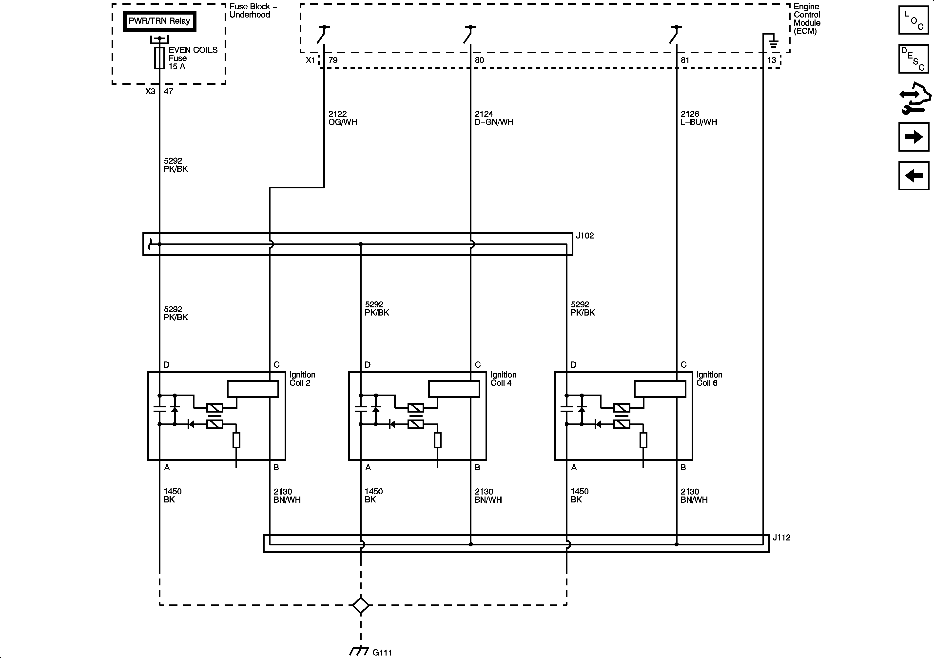
Ignition Controls - Bank 2 Ignition Controls
Engine Data Sensors - Throttle Actuator Controls
Figure 7:

Ignition Controls - Bank 2 Ignition Coils


Object Number: 1872814  Size: FS
Master Electrical Component List
Electronic Ignition (EI) System Description
Control Module References
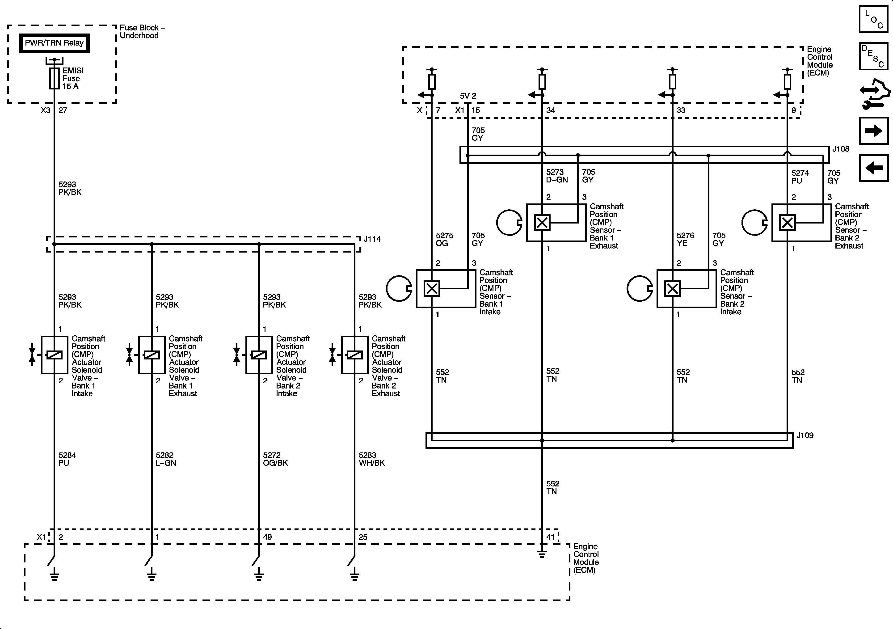
Ignition Controls - CMP Sensors and Solenoids
Ignition Controls - Bank 1 Ignition Coils
Figure 8:

Ignition Controls - CMP Sensors and Solenoids


Object Number: 1872818  Size: FS
Master Electrical Component List
Electronic Ignition (EI) System Description
Control Module References
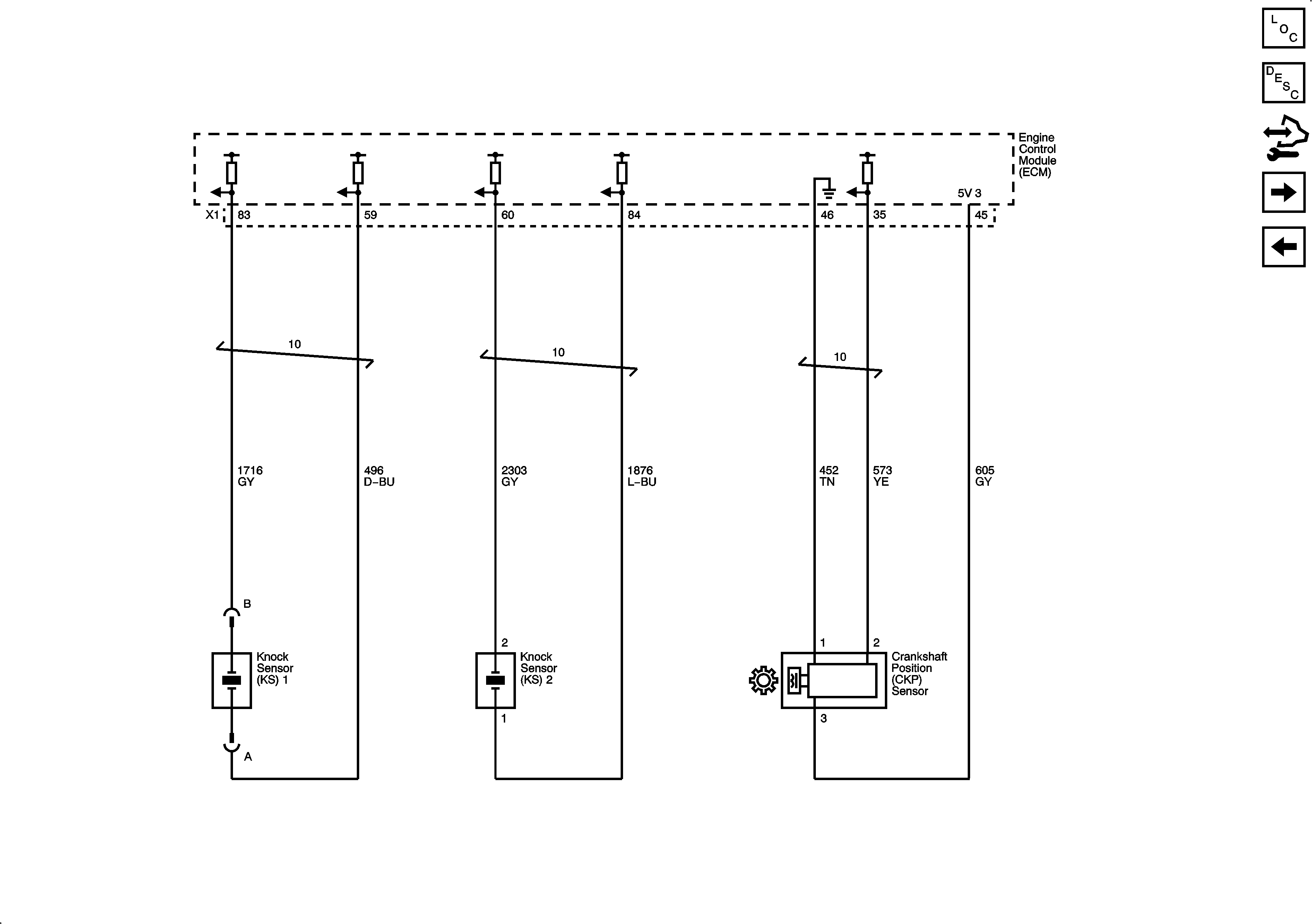
Ignition Controls - Crankshaft Position (CKP) and Knock Sensors
Ignition Controls - Bank 2 Ignition Controls
Figure 9:

Crankshaft Position (CKP) and Knock Sensors


Object Number: 1872820  Size: FS
Master Electrical Component List
Electronic Ignition (EI) System Description
Control Module References
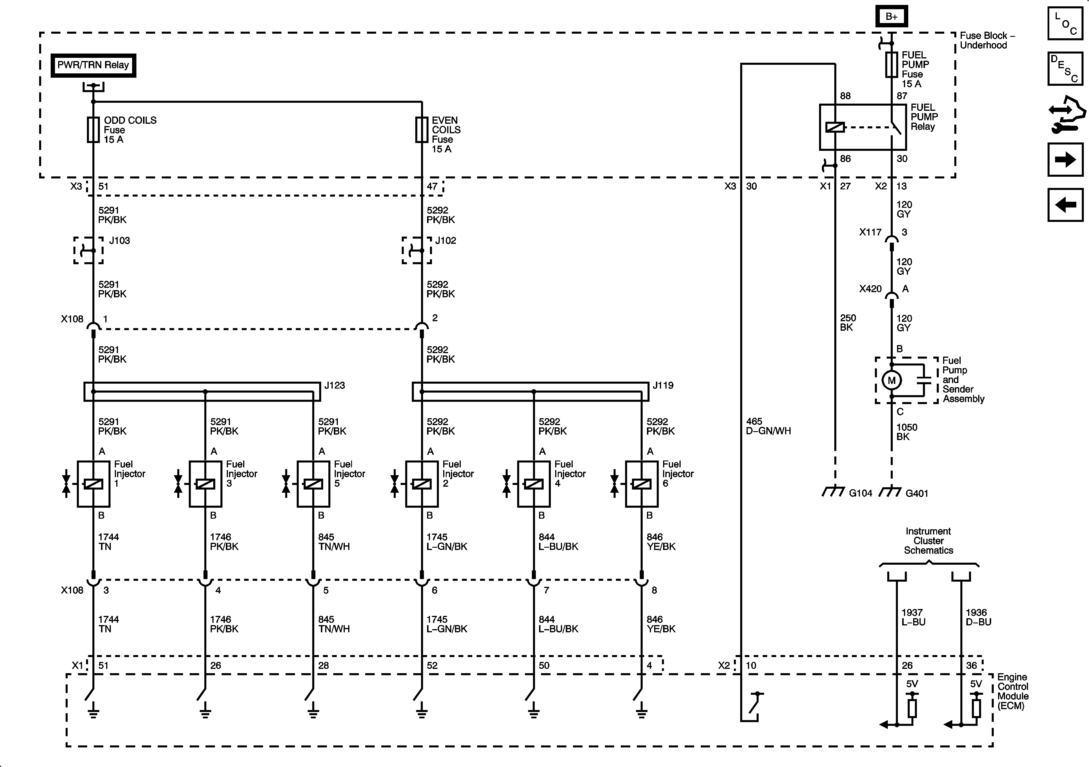
Ignition Controls - Fuel Pump and Injectors
Ignition Controls - CMP Sensors and Solenoids
Figure 10:

Fuel Controls - Fuel Pump and Injectors


Object Number: 1872822  Size: FS
Master Electrical Component List
Fuel System Description
Control Module References
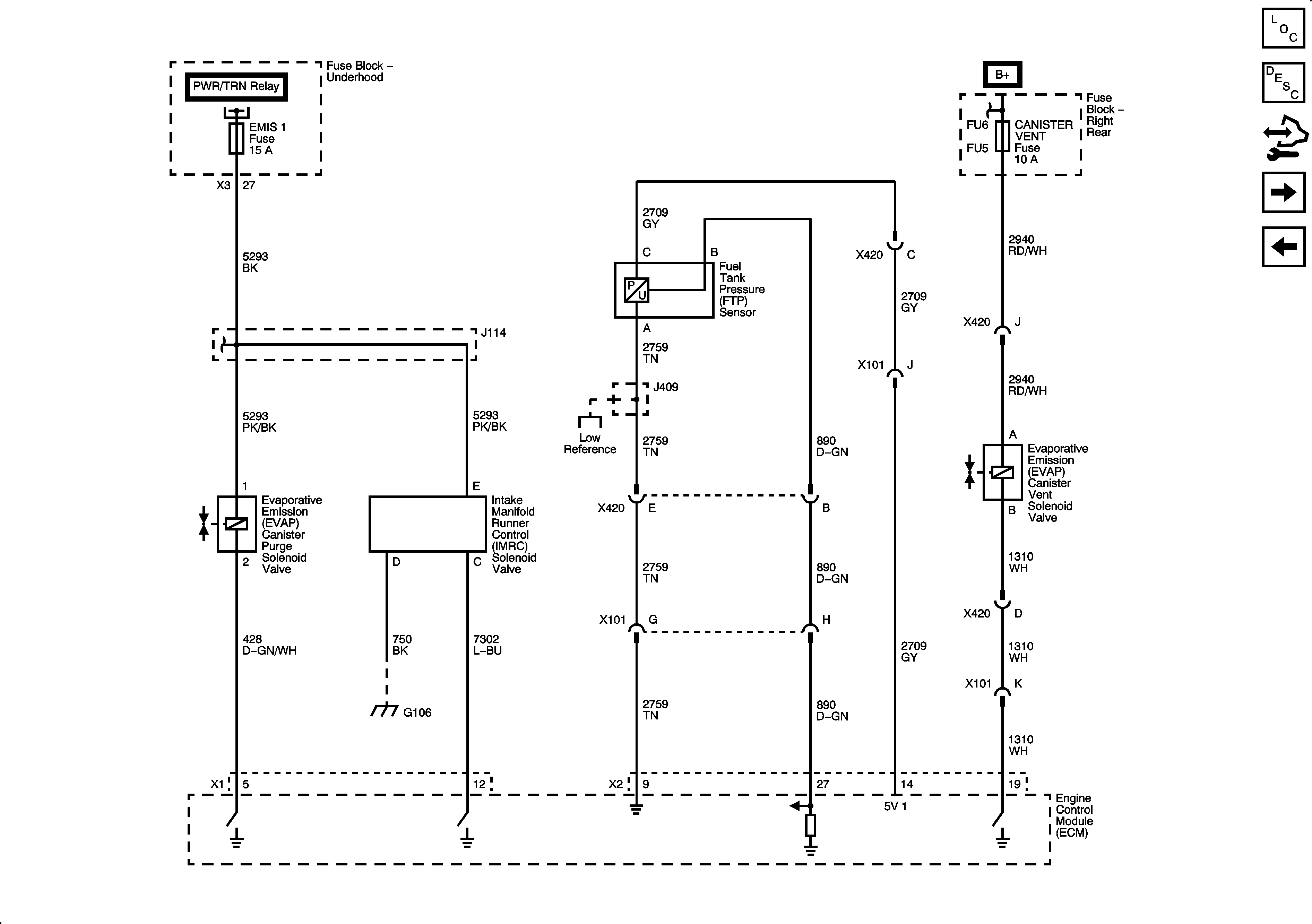
Fuel Controls - EVAP Controls
Ignition Controls - Crankshaft Position (CKP) and Knock Sensors
Figure 11:

Fuel Controls - EVAP Controls


Object Number: 1872824  Size: FS
Master Electrical Component List
Evaporative Emission Control System Description
Control Module References
Controlled/Monitored Subsystem References
Ignition Controls - Fuel Pump and Injectors
Figure 12:

Controlled/Monitored Subsystem References


Object Number: 1872828  Size: FS
Master Electrical Component List
Engine Control Module Description
Control Module References
Fuel Controls - EVAP Controls