GM Service Manual Online
For 1990-2009 cars only
Figure 1:

Underhood Fuse Block B+ Bus 1 of 2


Object Number: 1875168  Size: FS
Master Electrical Component List
Control Module References
Underhood Fuse Block B+ Bus - 2 of 2
Figure 2:

Underhood Fuse Block B+ Bus 2 of 2


Object Number: 1875170  Size: FS
Master Electrical Component List
Control Module References
Right Rear Fuse Block B+ Bus
Underhood Fuse Block B+ Bus - 1 of 2
Figure 3:

Right Rear Fuse Block B+ Bus


Object Number: 1875173  Size: FS
Master Electrical Component List
Control Module References
Left Rear Fuse Block B+ Bus
Underhood Fuse Block B+ Bus - 2 of 2
Figure 4:

Left Rear Fuse Block B+ Bus


Object Number: 1875177  Size: FS
Master Electrical Component List
Control Module References
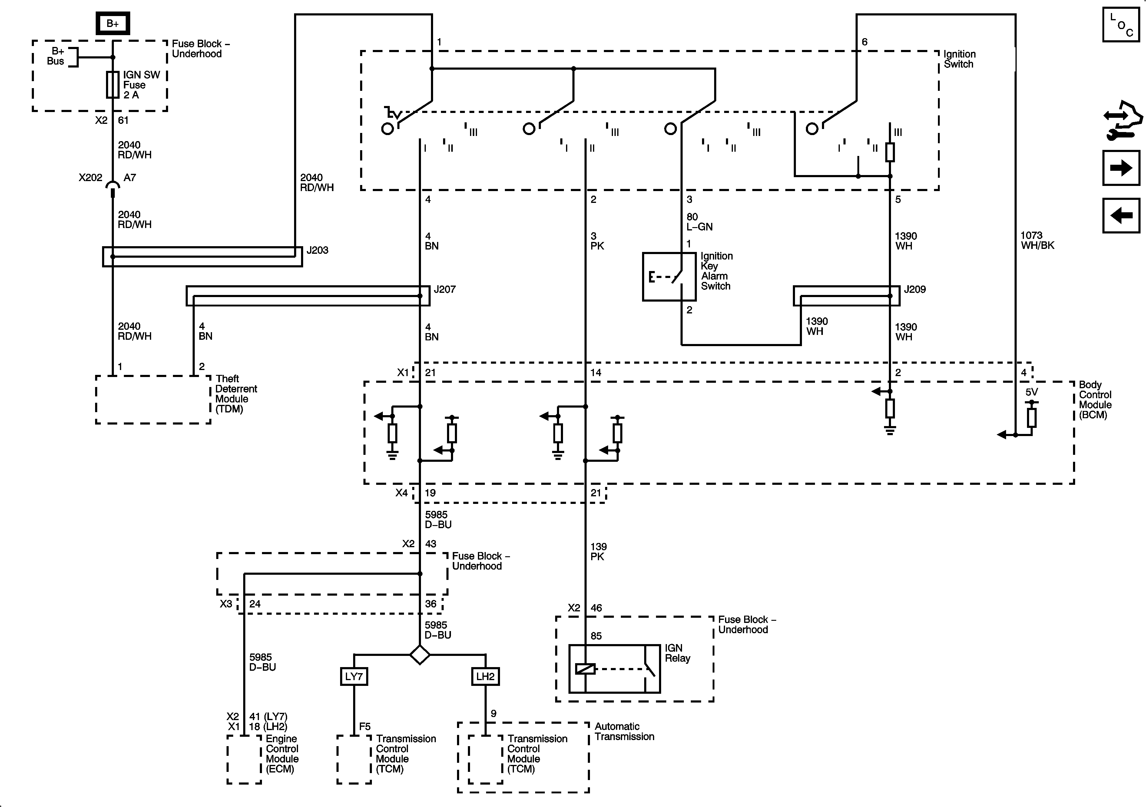
IGN SW Fuse and Ignition Switch
Right Rear Fuse Block B+ Bus
Figure 5:

IGN SW Fuse and Ignition Switch


Object Number: 1875179  Size: FS
Master Electrical Component List
Control Module References
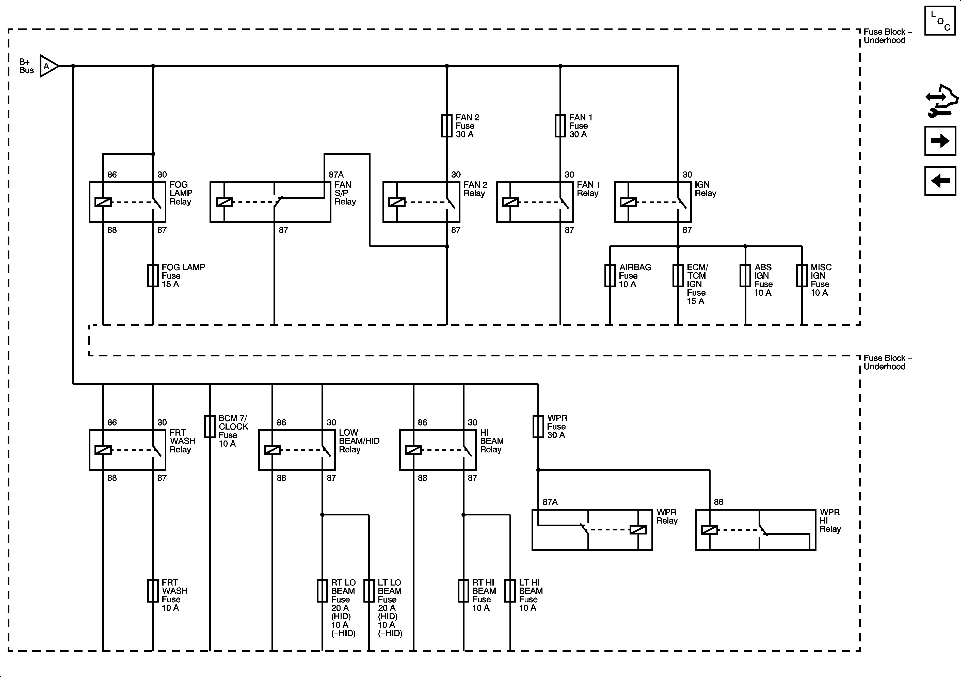
BCM 7/CLOCK Fuse, FOG LAMP Fuse, FRNT WSHR Fuse, and IGN Fuse
Left Rear Fuse Block B+ Bus
Figure 6:

BCM 7/CLOCK, FOG LAMP Fuse, FRNT WSHR Fuse, and IGN SW Fuse


Object Number: 1875181  Size: FS
Master Electrical Component List
Control Module References
BCM 1 Fuse, BCM 2 Fuse, BCM 4 Fuse, BCM 5 Fuse, BCM 6 Fuse, RADIO Fuse, and SPARE Fuse (V92 without T79)
IGN SW Fuse and Ignition Switch
Figure 7:

BCM 1 Fuse, BCM2 Fuse, BCM 4 Fuse, BCM 5 Fuse, BCM 6 Fuse, RADIO Fuse, and SPARE Fuse (V92 without T79)


Object Number: 1875184  Size: FS
Master Electrical Component List
Control Module References
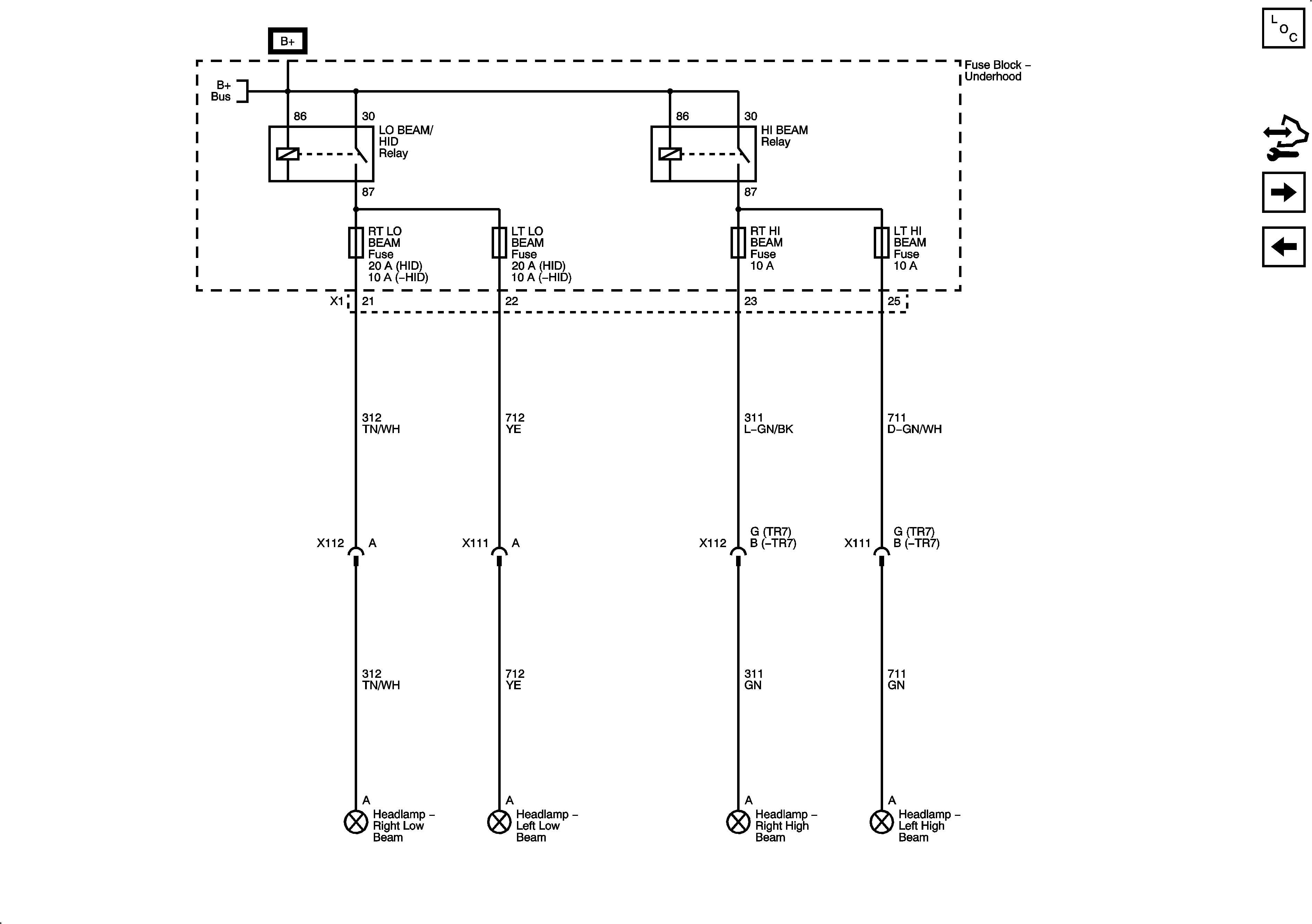
Headlamp Fuses
BCM 7/CLOCK Fuse, FOG LAMP Fuse, FRNT WSHR Fuse, and IGN Fuse
Figure 8:

Headlamp Fuses


Object Number: 1875189  Size: FS
Master Electrical Component List
Control Module References
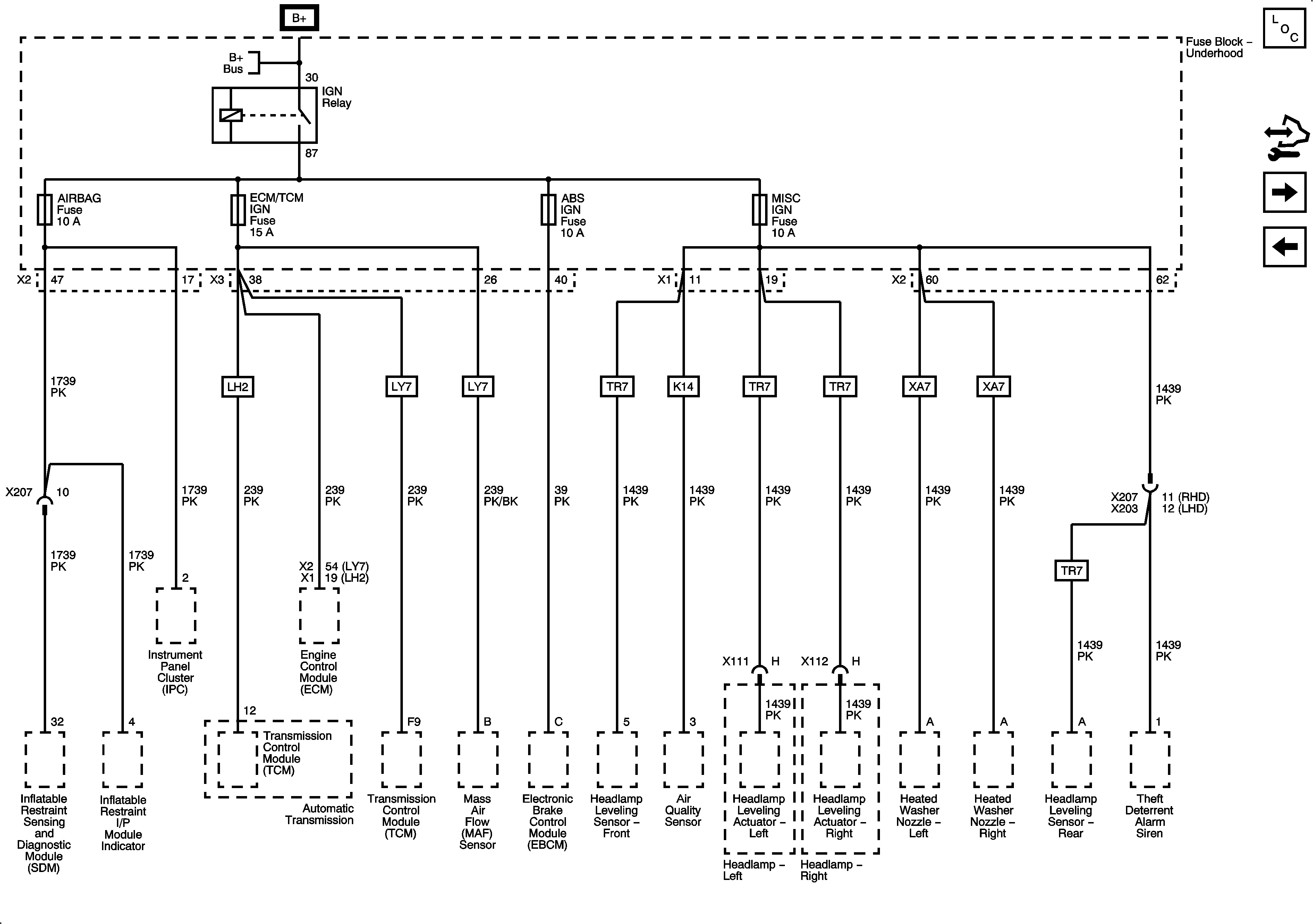
IGN MAIN Relay, ABS IGN Fuse, AIRBAG Fuse, EBCM TCM IGN Fuse, and MISC IGN Fuse
BCM 1 Fuse, BCM 2 Fuse, BCM 4 Fuse, BCM 5 Fuse, BCM 6 Fuse, RADIO Fuse, and SPARE Fuse (V92 without T79)
Figure 9:

IGN MAIN Relay, ABS IGN Fuse, AIRBAG Fuse, EBCM TCM IGN Fuse, and MISC IGN Fuse


Object Number: 1875193  Size: FS
Master Electrical Component List
Control Module References
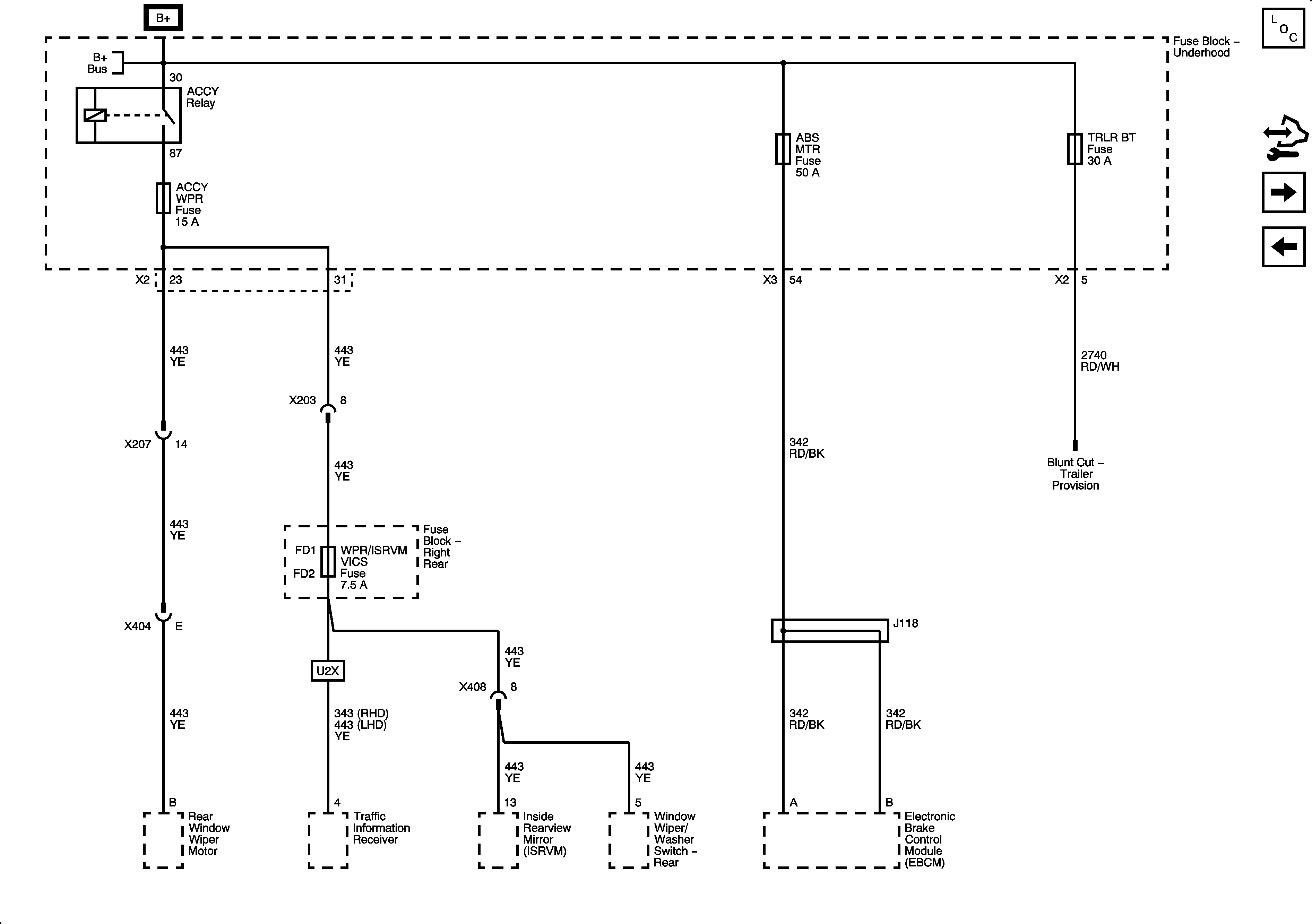
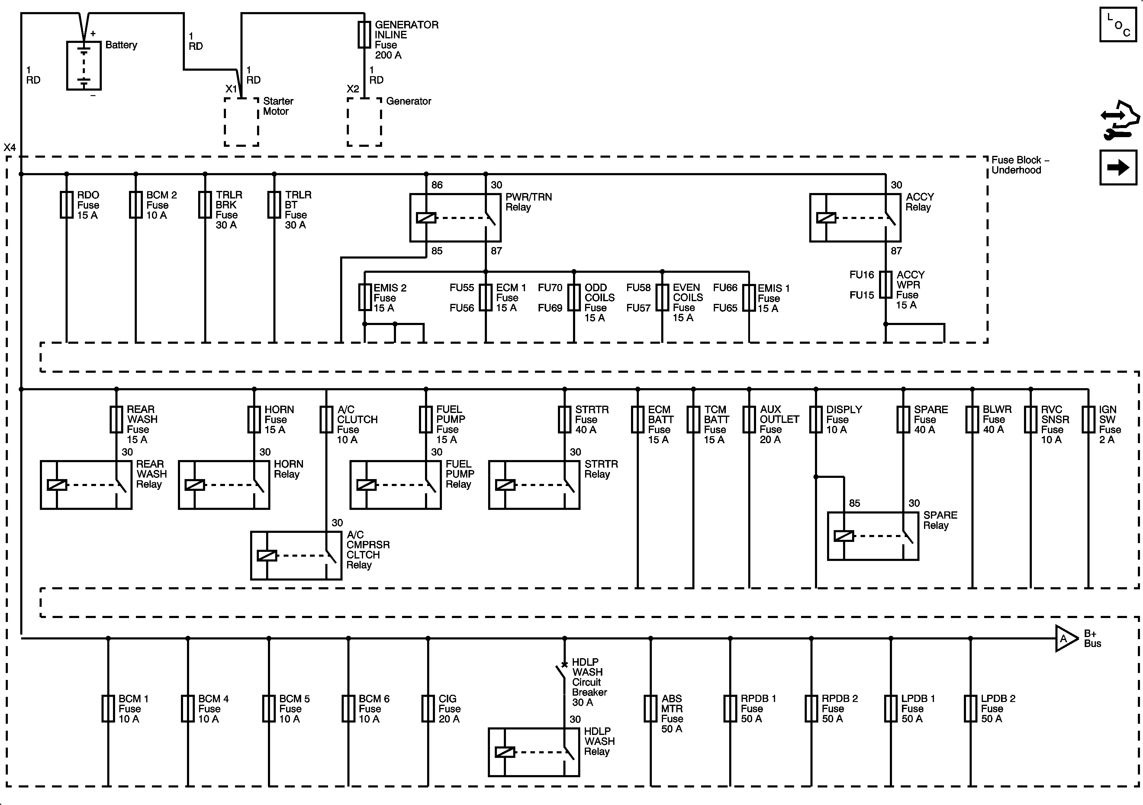
ABS MOTOR Fuse, ACCY Relay, ACCY WPR Fuse, and TRLR BT Fuse
Headlamp Fuses
Figure 10:

ABS MOTOR Fuse, ACCY Relay, ACCY WPR Fuse, and TRLR BT Fuse


Object Number: 1875197  Size: FS
Master Electrical Component List
Control Module References
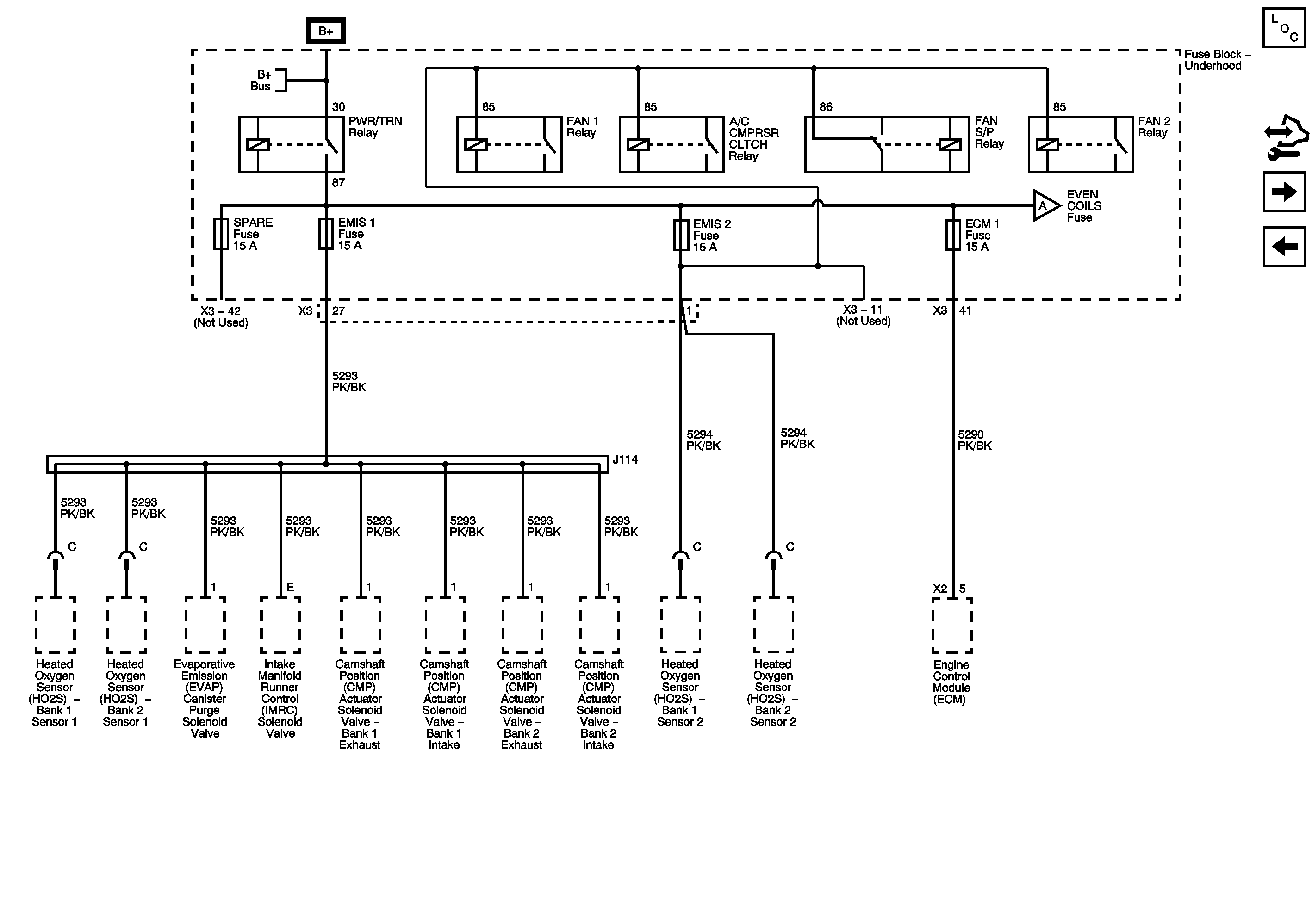
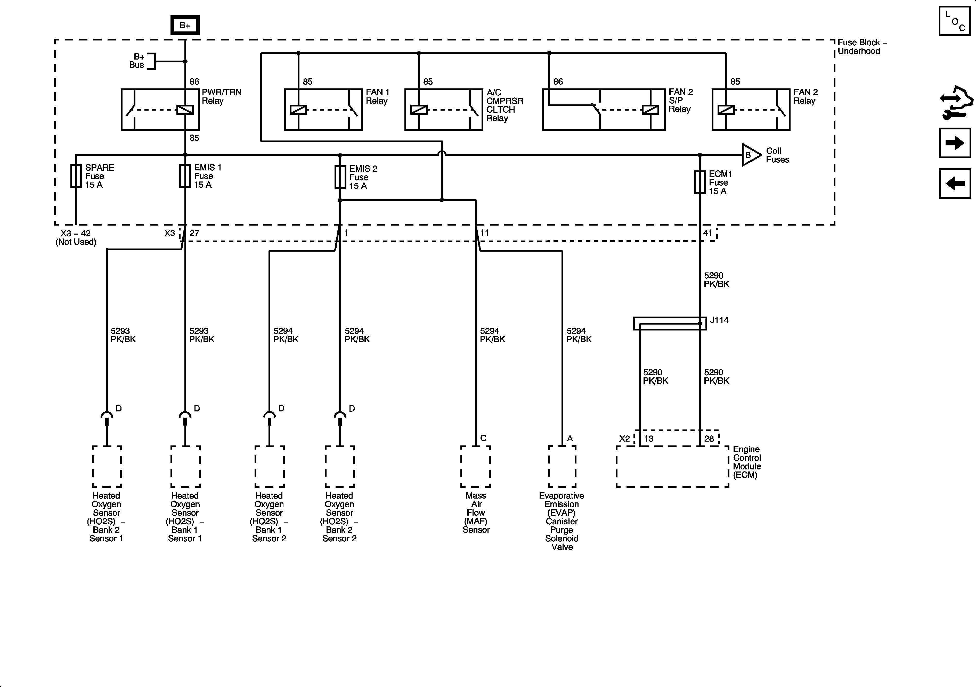
ECM 1 Fuse, EMISSION 1 Fuse, EMISSION 2 Fuse, and PWR/TRN Relay LY7
IGN MAIN Relay, ABS IGN Fuse, AIRBAG Fuse, EBCM TCM IGN Fuse, and MISC IGN Fuse
Figure 11:

ECM 1 Fuse, EMISSION 1 Fuse, EMISSION 2 Fuse, and PWR/TRN Relay LY7


Object Number: 1875200  Size: FS
Master Electrical Component List
Control Module References
ECM 1 Fuse, EMISSION 1 Fuse, EMISSION 2 Fuse, and PWR/TRN Relay LH2
ABS MOTOR Fuse, ACCY Relay, ACCY WPR Fuse, and TRLR BT Fuse
Figure 12:

ECM 1 Fuse, EMISSION 1 Fuse, EMISSION 2 Fuse, and PWR/TRN Relay LH2


Object Number: 1875203  Size: FS
Master Electrical Component List
Control Module References
EVEN COIL Fuse and ODD COIL Fuse
ECM 1 Fuse, EMISSION 1 Fuse, EMISSION 2 Fuse, and PWR/TRN Relay LY7
Figure 13:

EVEN COILS Fuse and ODD COILS Fuse


Object Number: 1875206  Size: FS
Master Electrical Component List
Control Module References
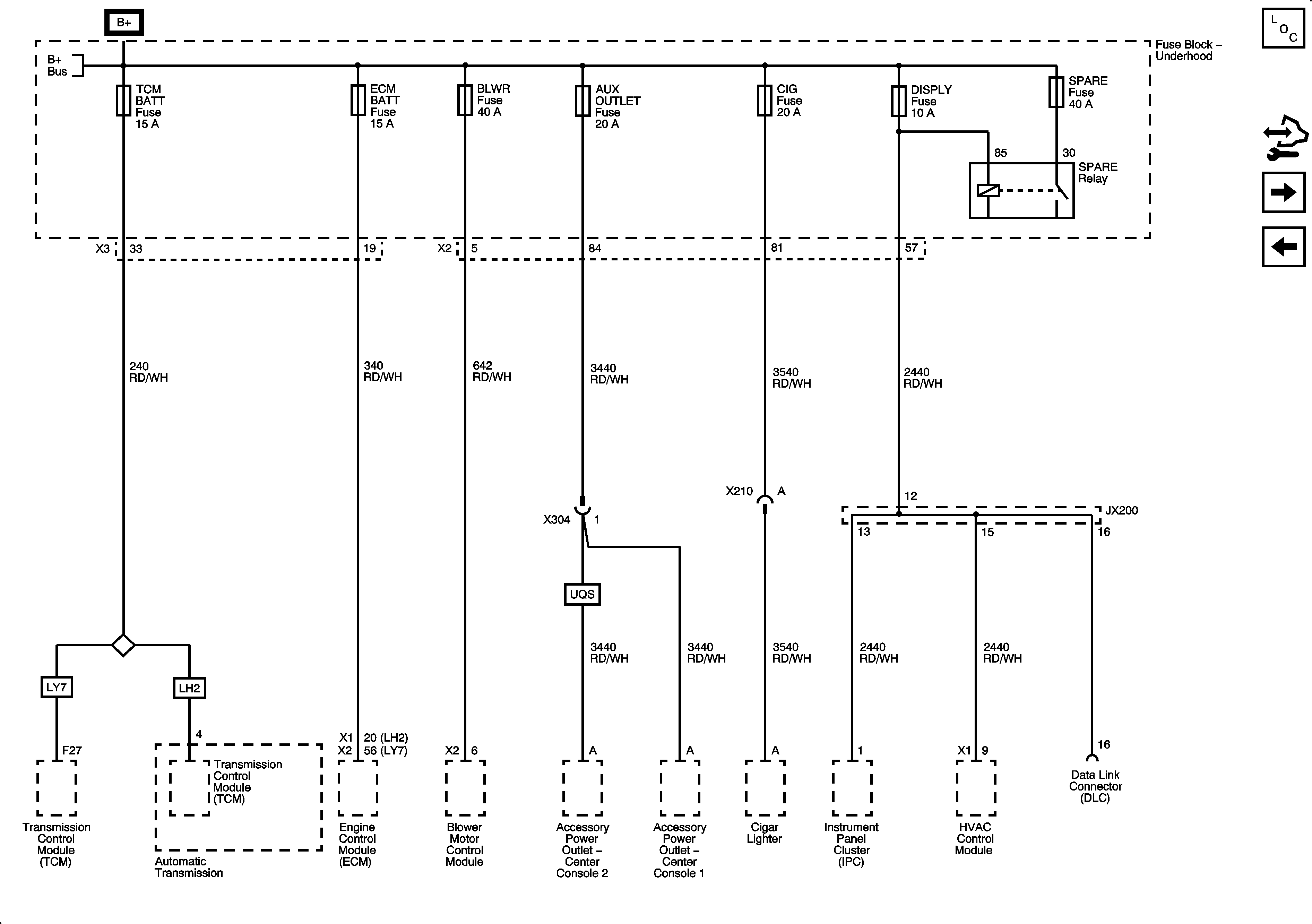
AUX OUTLET Fuse, BLWR Relay, CIG Fuse, DISPLAY Fuse, ECM BATT Fuse, and TCM BATT Fuse
ECM 1 Fuse, EMISSION 1 Fuse, EMISSION 2 Fuse, and PWR/TRN Relay LH2
Figure 14:

AUX OUTLET Fuse, BLWR Relay, CIG Fuse, DISPLAY Fuse, ECM BATT Fuse, and TCM BATT Fuse


Object Number: 1875208  Size: FS
Master Electrical Component List
Control Module References
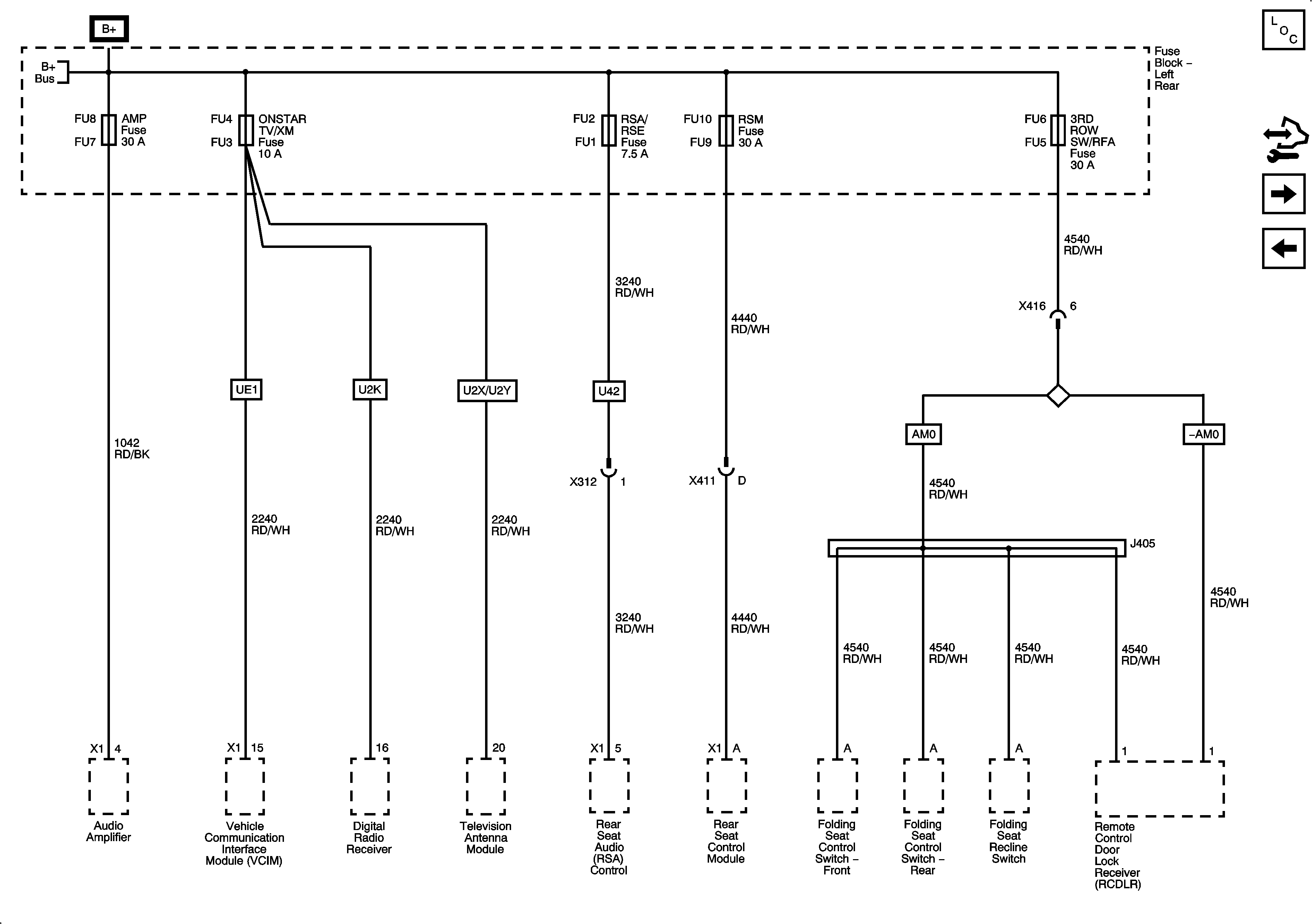
3RD ROW SU/RFA Fuse, AMP Fuse, ONSTAR TV/XM Fuse, RSA/RSE Fuse, and RSM Fuse
EVEN COIL Fuse and ODD COIL Fuse
Figure 15:

3RD ROW SU/RFA Fuse, AMP Fuse, ONSTAR TV/XM Fuse, RSA/RSE Fuse, and RSM Fuse


Object Number: 1875211  Size: FS
Master Electrical Component List
Control Module References
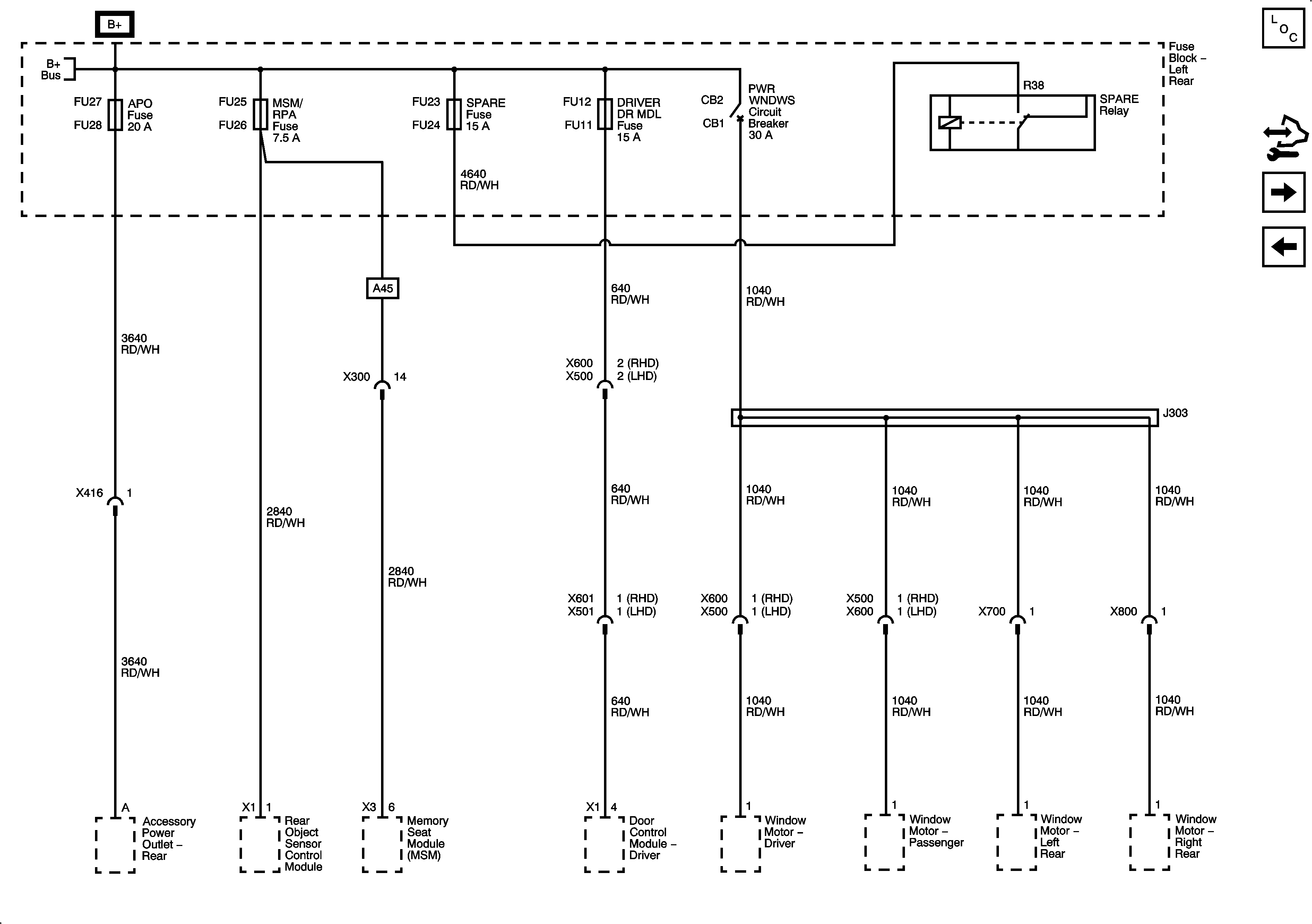
APO Fuse, DRIVER DR MOD Fuse, MEMORY RPA Fuse, and PWR WNDWS Fuse
AUX OUTLET Fuse, BLWR Relay, CIG Fuse, DISPLAY Fuse, ECM BATT Fuse, and TCM BATT Fuse
Figure 16:

APO Fuse, DRIVER DR MOD Fuse, MEMORY RPA Fuse, and PWR WNDWS Circuit Breaker


Object Number: 1875214  Size: FS
Master Electrical Component List
Control Module References
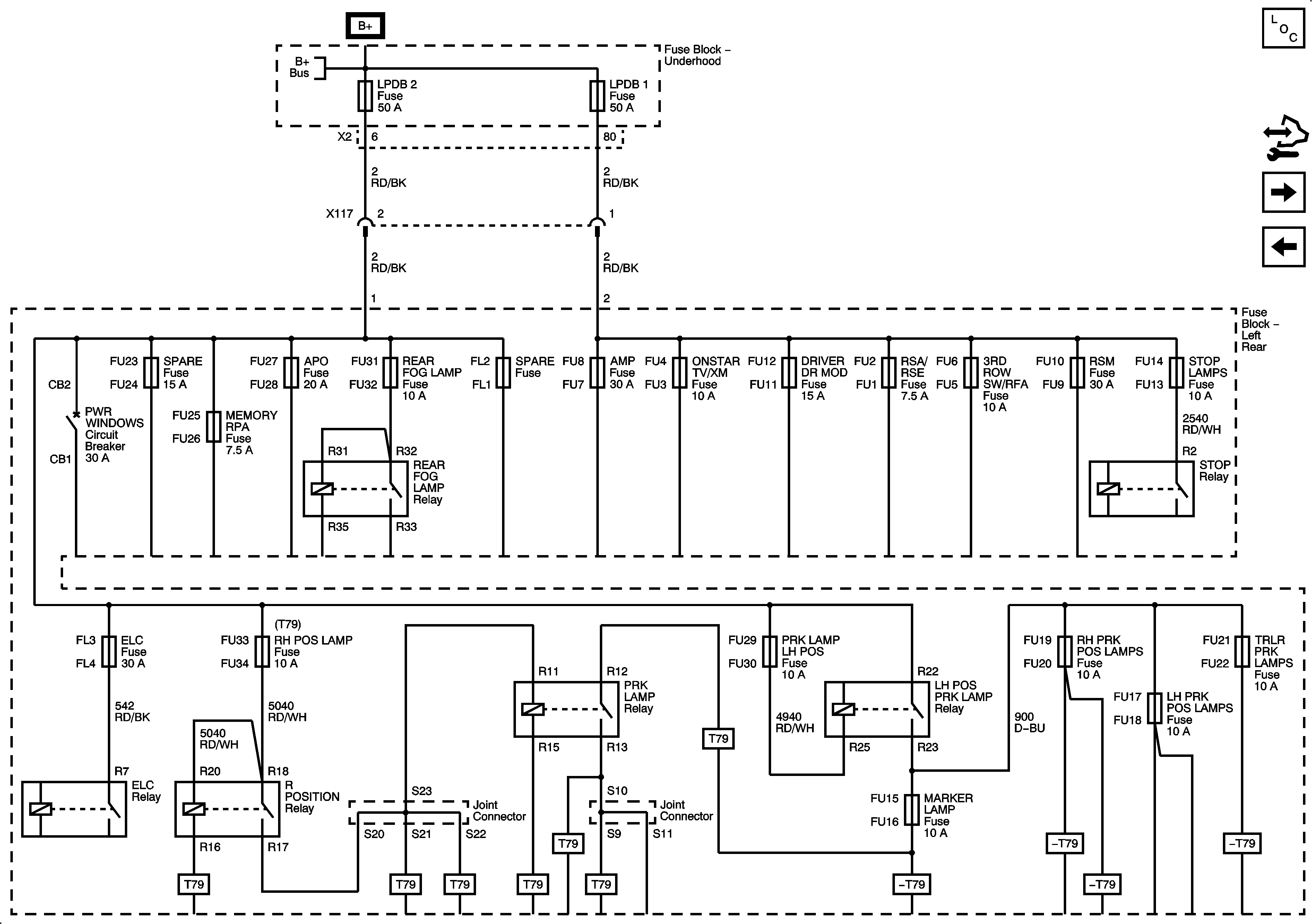
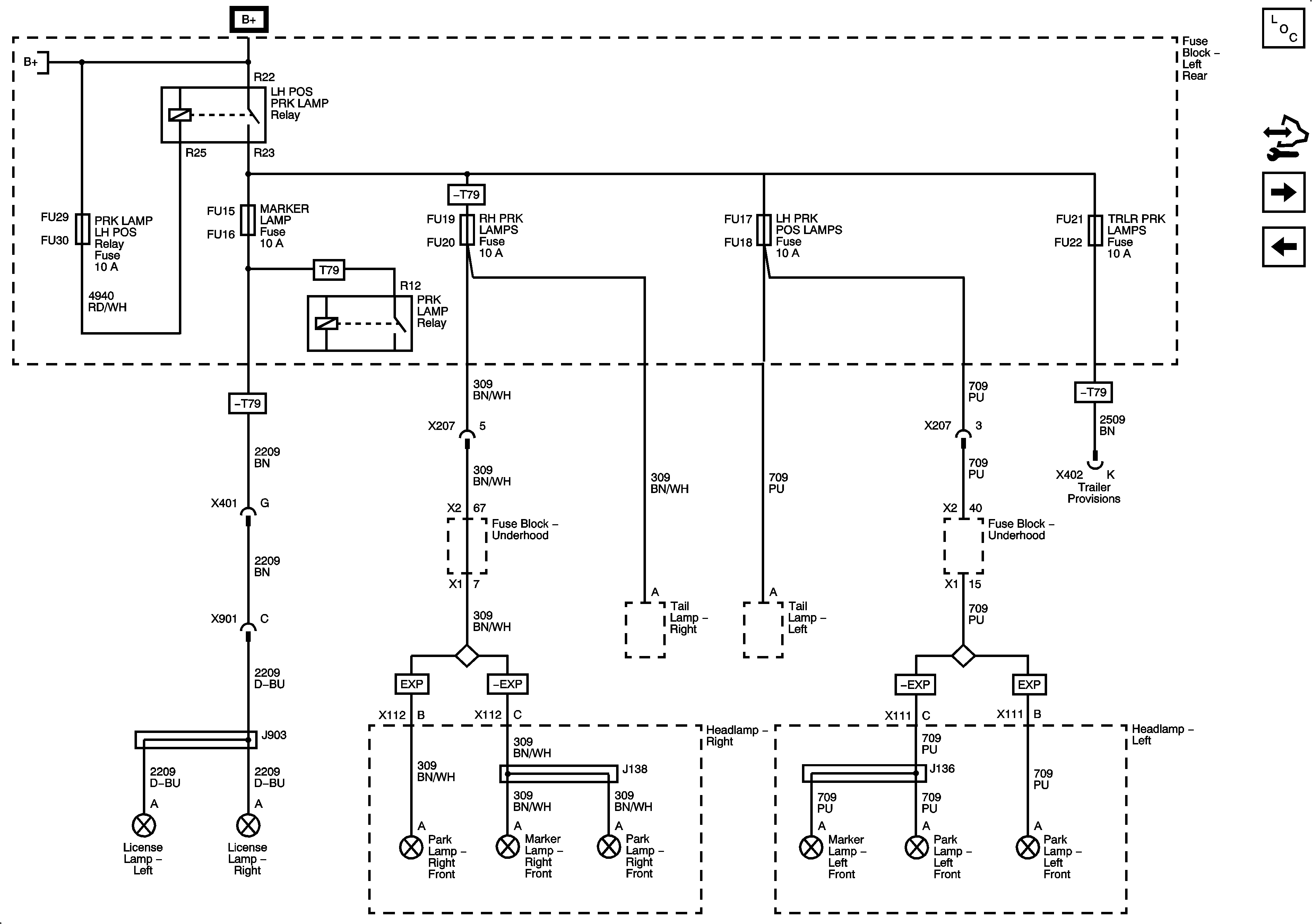
LH PRK POS LAMPS Fuse, MARKER LAMP Fuse, PRK LAMP LH POS RELAY Fuse, RH PRK LAMPS Fuse, and TRLR PRK LAMPS Fuse
3RD ROW SU/RFA Fuse, AMP Fuse, ONSTAR TV/XM Fuse, RSA/RSE Fuse, and RSM Fuse
Figure 17:

LH PRK POS LAMPS Fuse, MARKER LAMP Fuse, PRK LAMP LH POS RELAY Fuse, RH PRK LAMPS Fuse, and TRLR PRK LAMPS Fuse


Object Number: 1875216  Size: FS
Master Electrical Component List
Control Module References
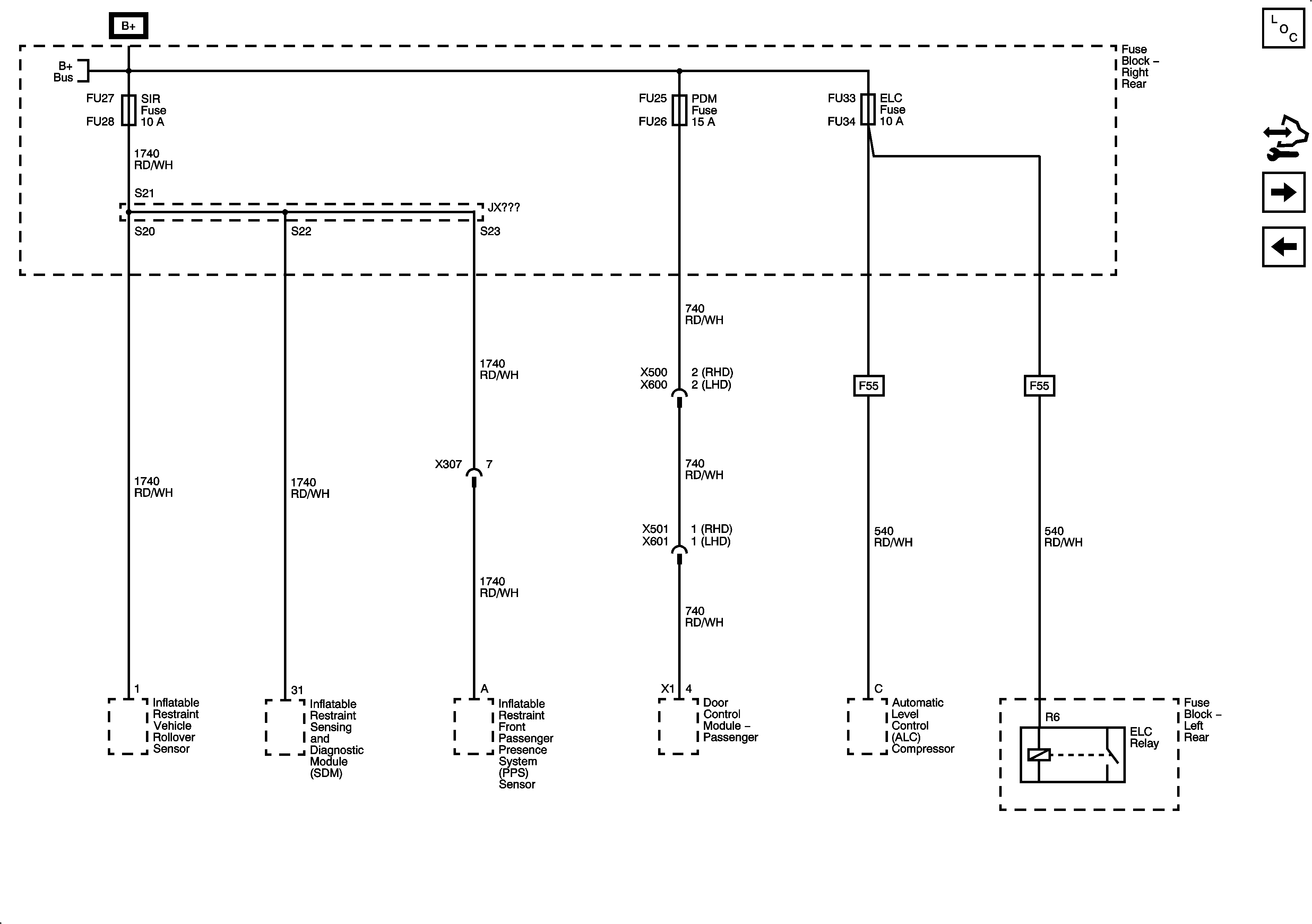
ELC Fuse, PDM Fuse, and SIR Fuse
APO Fuse, DRIVER DR MOD Fuse, MEMORY RPA Fuse, and PWR WNDWS Fuse
Figure 18:

ELC Fuse, PDM Fuse, and SIR Fuse


Object Number: 1875218  Size: FS
Master Electrical Component List
Control Module References
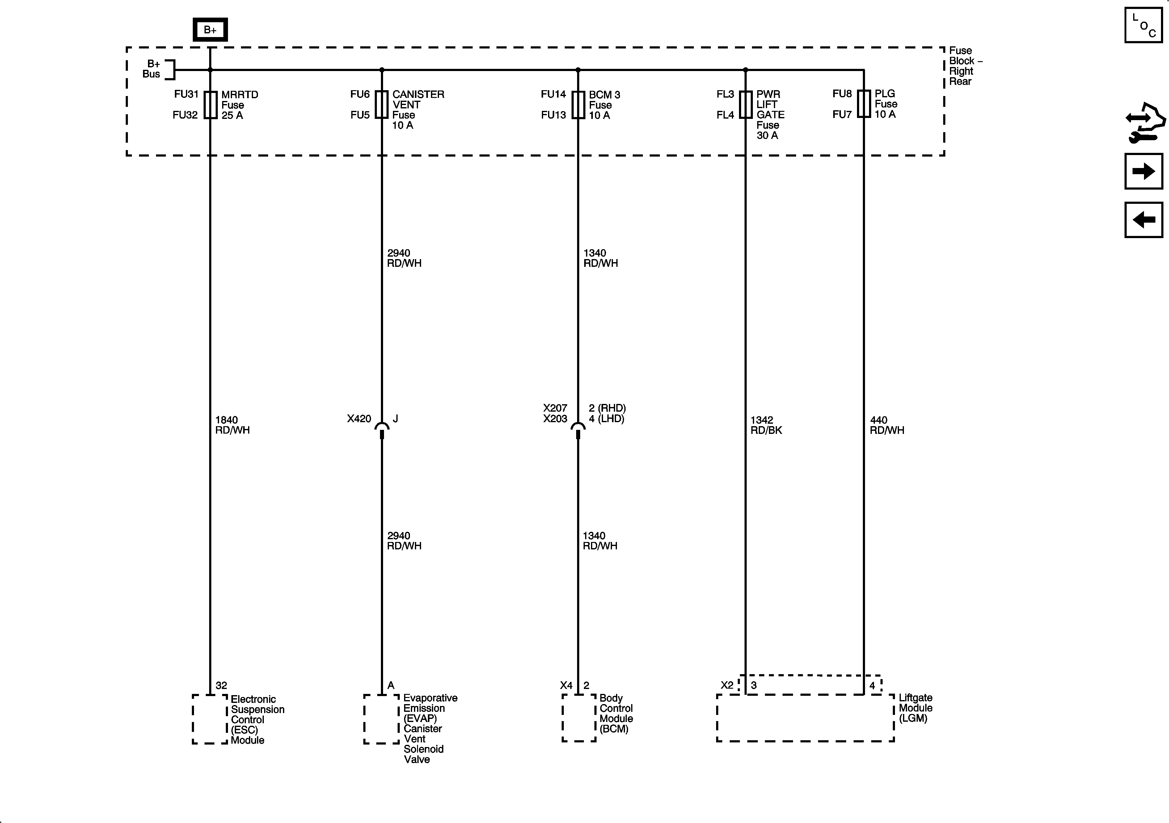
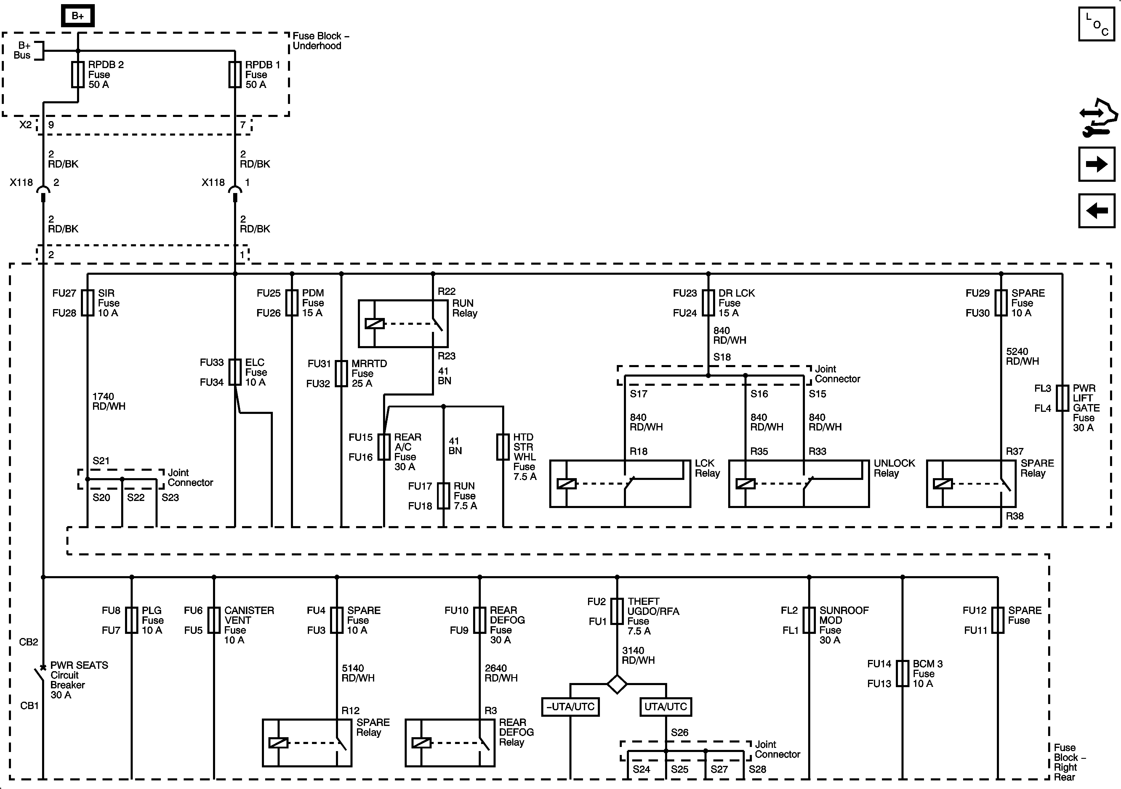
BCM 3 Fuse, CANISTER VENT Fuse, MRRTD Fuse, PLG Fuse, and PWR LIFT GATE Fuse
LH PRK POS LAMPS Fuse, MARKER LAMP Fuse, PRK LAMP LH POS RELAY Fuse, RH PRK LAMPS Fuse, and TRLR PRK LAMPS Fuse
Figure 19:

BCM 3 Fuse, CANISTER VENT Fuse, MRRTD Fuse, PLG Fuse, and PWR LIFT GATE Fuse


Object Number: 1875220  Size: FS
Master Electrical Component List
Control Module References
PWR SEATS Circuit Breaker, SUNROOF MOD Fuse, THEFT VGDO/RFA Fuse
ELC Fuse, PDM Fuse, and SIR Fuse
Figure 20:

PWR SEATS Circuit Breaker, SUNROOF MOD Fuse, and THEFT VGDO/RFA Fuse


Object Number: 1875222  Size: FS
Master Electrical Component List
Control Module References
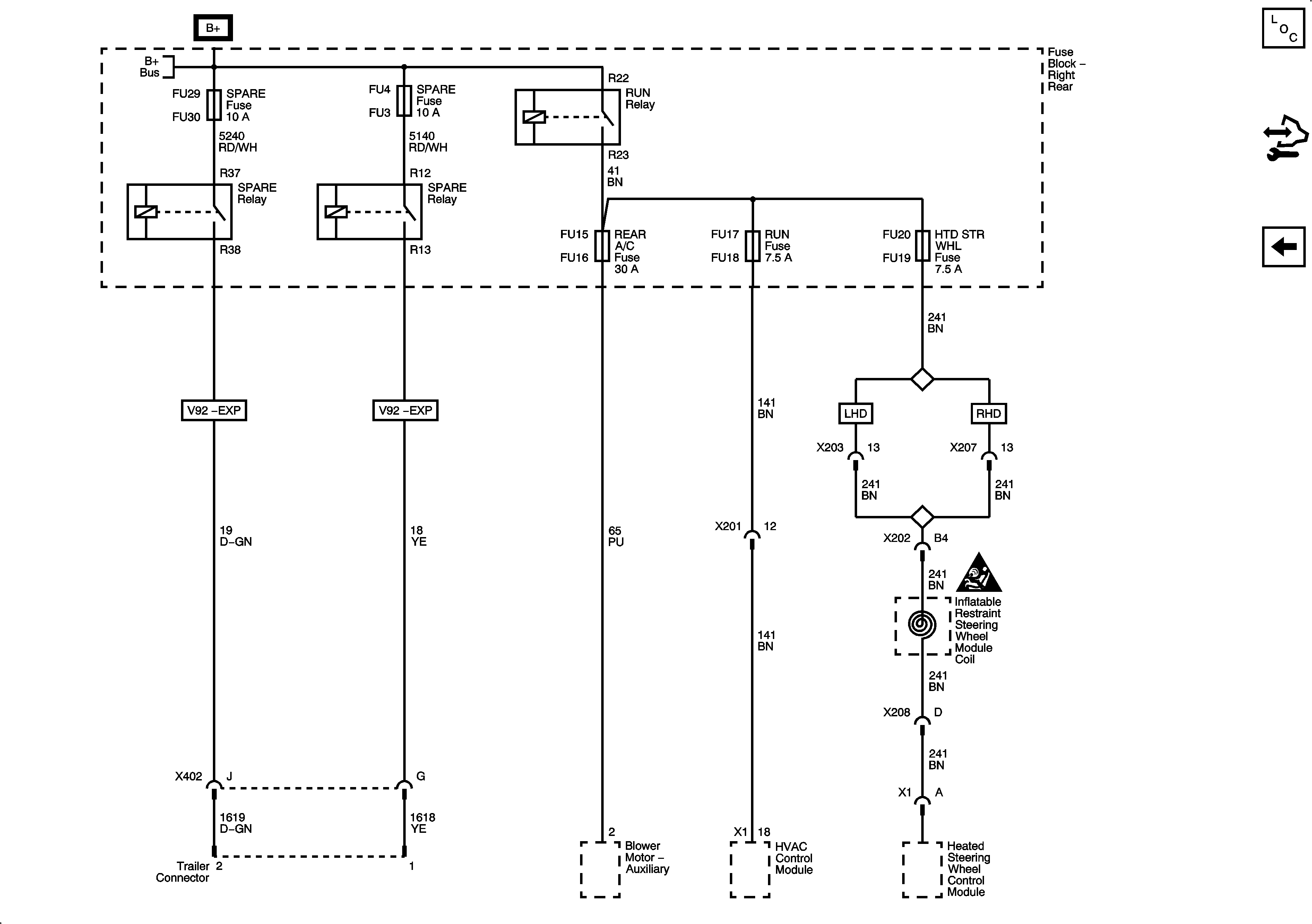
REAR A/C Fuse, RUN Fuse, RUN Relay, and Trailer Provision Fuses and Relays
BCM 3 Fuse, CANISTER VENT Fuse, MRRTD Fuse, PLG Fuse, and PWR LIFT GATE Fuse
Figure 21:

REAR A/C Fuse, RUN Fuse, RUN Relay, and Trailer Provision Fuses and Relays


Object Number: 1875224  Size: FS
Master Electrical Component List
Control Module References
PWR SEATS Circuit Breaker, SUNROOF MOD Fuse, THEFT VGDO/RFA Fuse