GM Service Manual Online
For 1990-2009 cars only
Figure 1:

Module Power, Ground, Serial Data


Object Number: 1873066  Size: FS
Master Electrical Component List
Electronic Component Description
Control Module References
Pressure Controls - 1 of 2 and Shift Controls
Figure 2:

Pressure Controls - 1 of 2 and Shift Controls


Object Number: 1873069  Size: FS
Master Electrical Component List
Electronic Component Description
Control Module References
Pressure Controls - 2 of 2 and Speed Sensors
Module Power, Ground, Serial Data
Figure 3:

Pressure Controls - 2 of 2 and Speed Sensors


Object Number: 1873072  Size: FS
Master Electrical Component List
Electronic Component Description
Control Module References
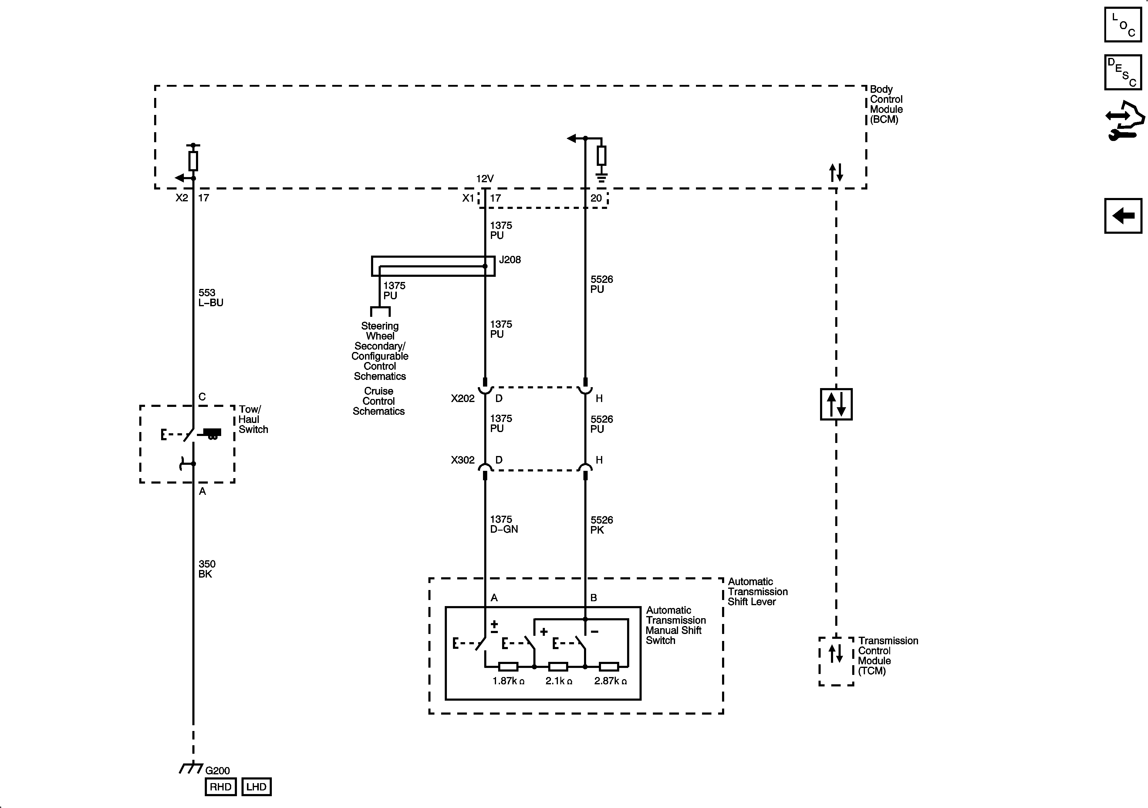
Tow/Haul Switch and Tap Shift System
Pressure Controls - 1 of 2 and Shift Controls
Figure 4:

Tow/Haul Switch and Tap Shift System


Object Number: 1873074  Size: FS
Master Electrical Component List
Electronic Component Description
Control Module References
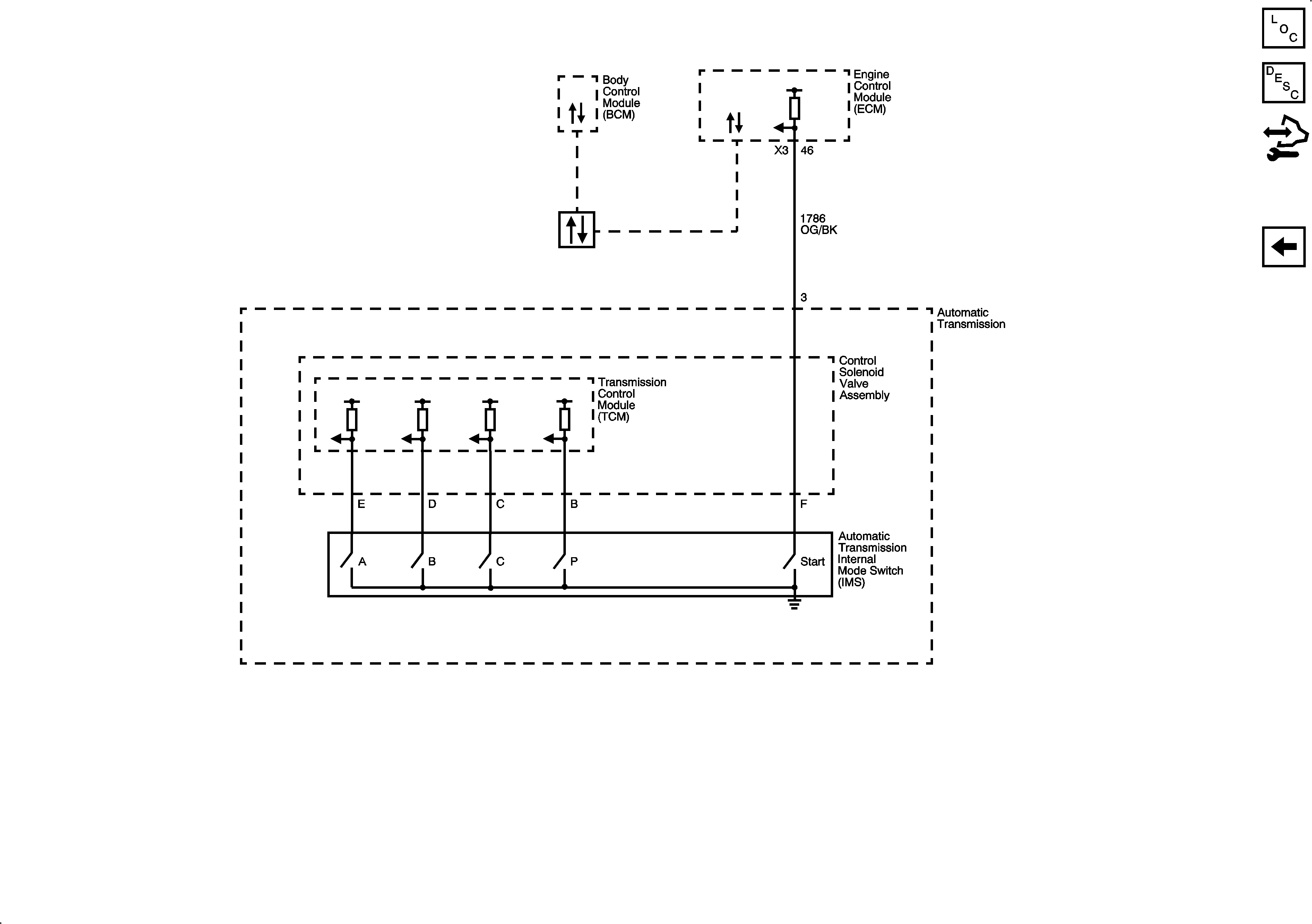
Transmission Range Signals
Pressure Controls - 2 of 2 and Speed Sensors
Figure 5:

Transmission Range Signals


Object Number: 1873077  Size: FS
Master Electrical Component List
Electronic Component Description
Control Module References
Tow/Haul Switch and Tap Shift System