GM Service Manual Online
For 1990-2009 cars only
Figure 1:

BCM Power, Ground, and Serial Data


Object Number: 1875067  Size: FS
Master Electrical Component List
Body Control System Description and Operation
Control Module References
BCM Inputs and Outputs 1 of 4
Figure 2:

BCM Inputs and Outputs 1 of 4


Object Number: 1875087  Size: FS
Master Electrical Component List
Body Control System Description and Operation
Control Module References
BCM Inputs and Outputs 2 of 4
BCM Power, Ground, and Serial Data
Figure 3:

BCM Inputs and Outputs 2 of 4


Object Number: 1875091  Size: FS
Master Electrical Component List
Body Control System Description and Operation
Control Module References
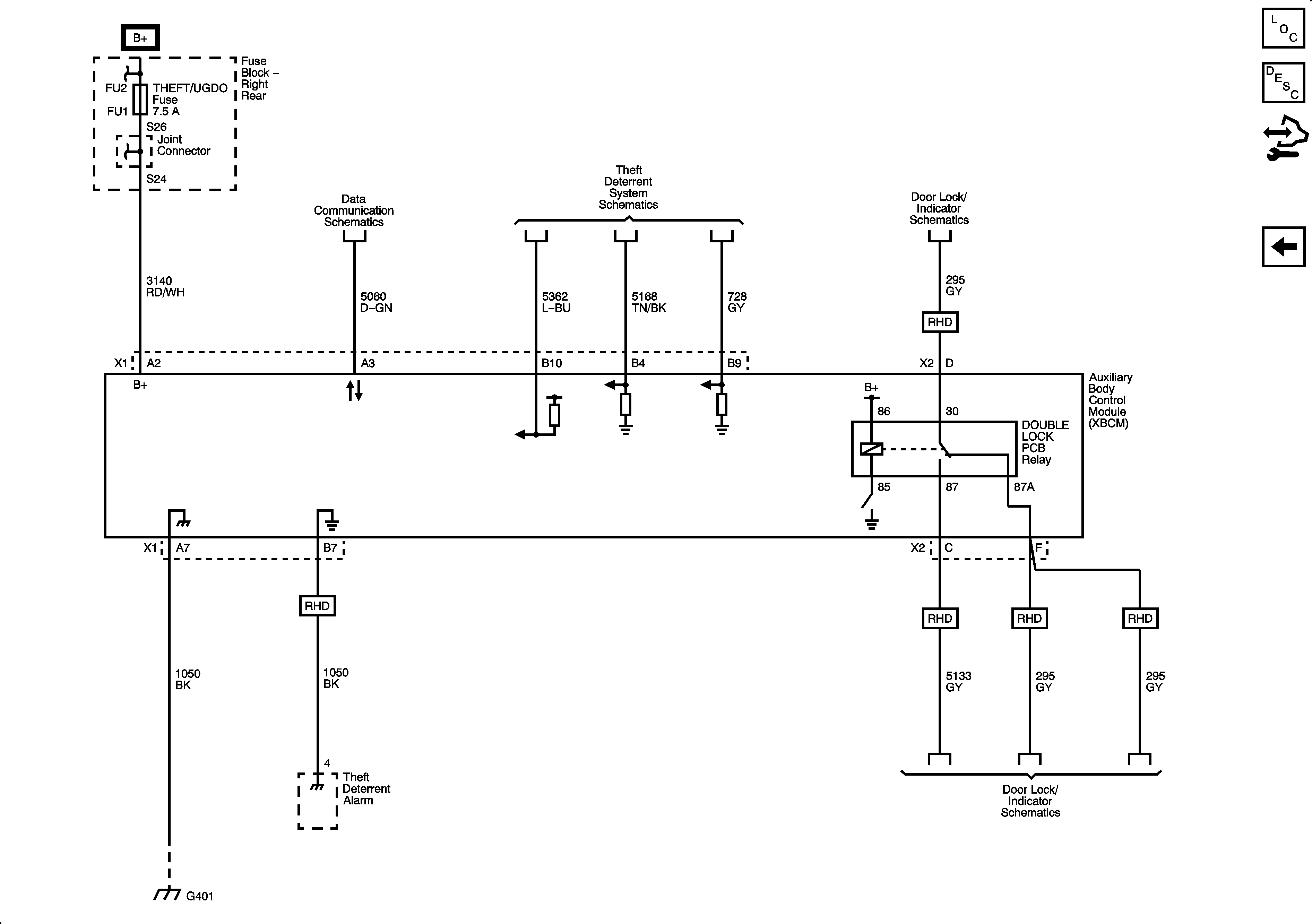
BCM Inputs and Outputs 3 of 4
BCM Inputs and Outputs 1 of 4
Figure 4:

BCM Inputs and Outputs 3 of 4


Object Number: 1875094  Size: FS
Master Electrical Component List
Body Control System Description and Operation
Control Module References
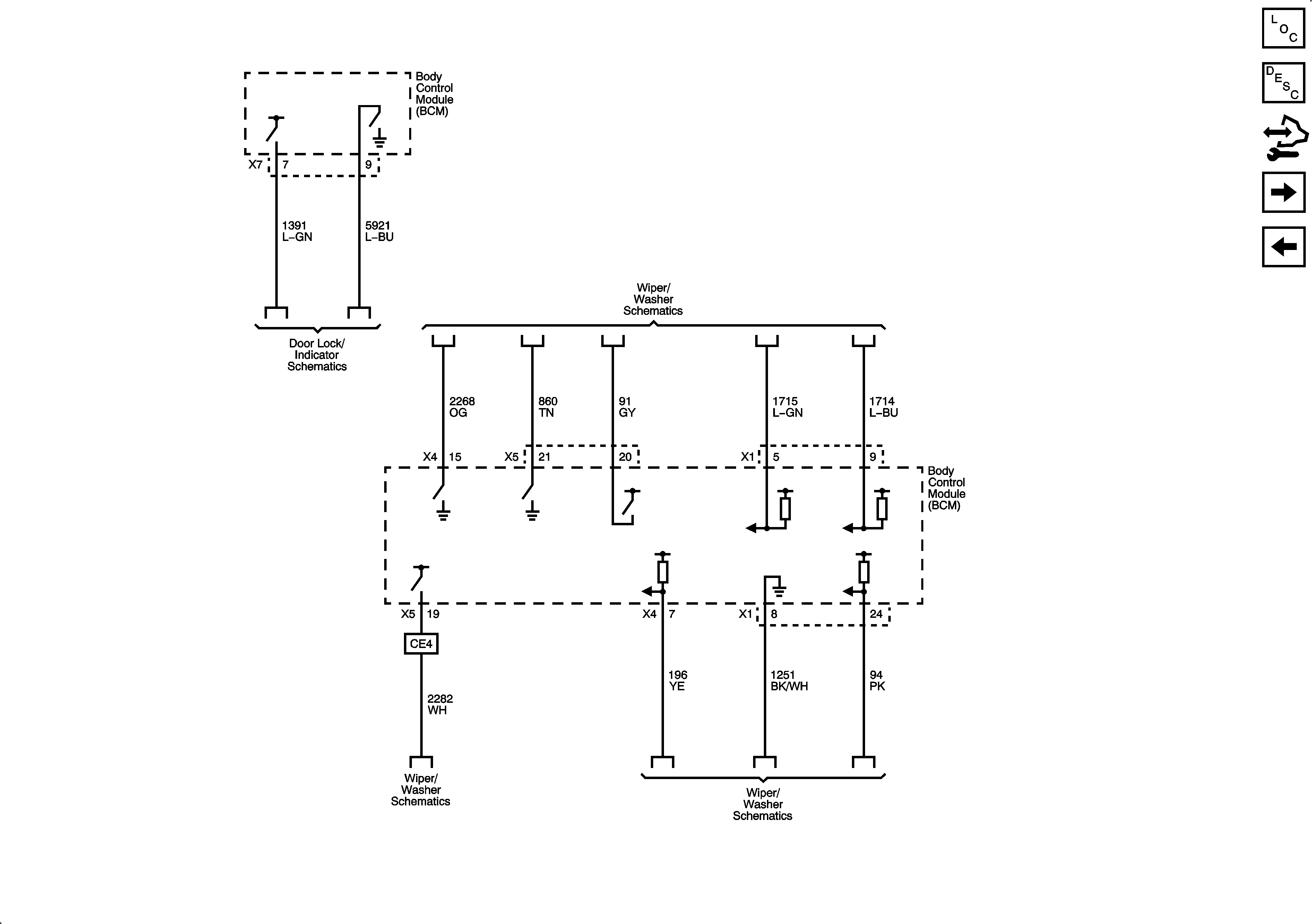
BCM Inputs and Outputs 4 of 4
BCM Inputs and Outputs 2 of 4
Figure 5:

BCM Inputs and Outputs 4 of 4


Object Number: 1875097  Size: FS
Master Electrical Component List
Body Control System Description and Operation
Control Module References
Rear Body Control Module References (EXP with (UTA/UTC)
BCM Inputs and Outputs 3 of 4
Figure 6:

Rear Body Control Module References (EXP with UTA/UTC)


Object Number: 1875101  Size: FS
Master Electrical Component List
Body Control System Description and Operation
Control Module References
BCM Inputs and Outputs 4 of 4