GM Service Manual Online
For 1990-2009 cars only
Figure 1:

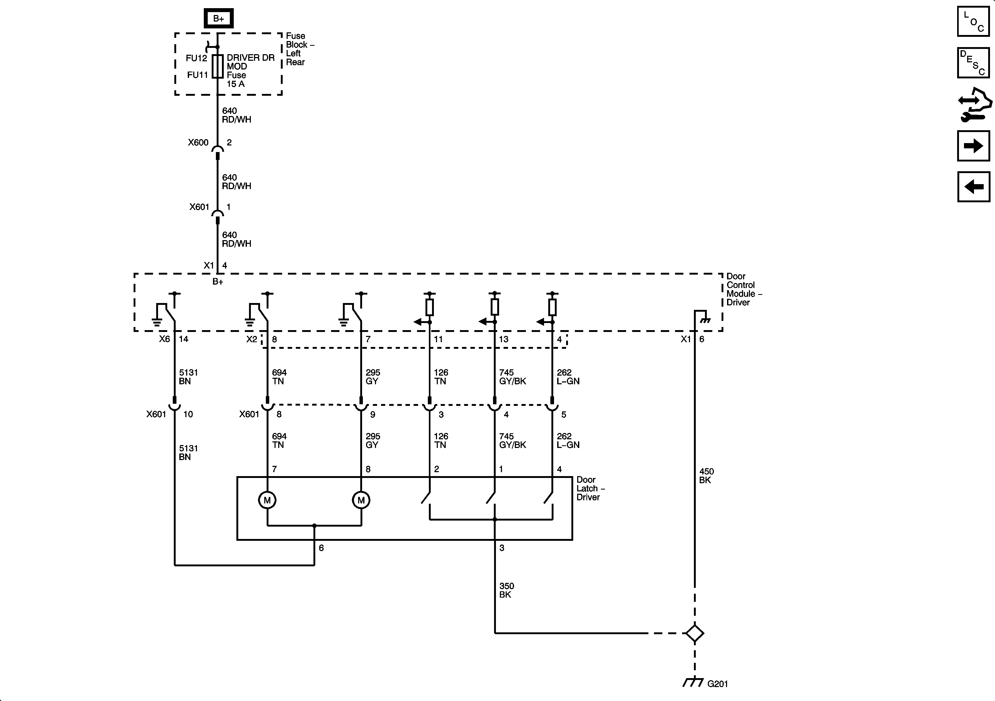
Driver Door Lock LHD


Object Number: 1874087  Size: FS
Master Electrical Component List
Power Door Latch Description and Operation
Control Module References
Driver Door Lock RHD
Figure 2:

Driver Door Lock RHD


Object Number: 1874095  Size: FS
Master Electrical Component List
Power Door Latch Description and Operation
Control Module References
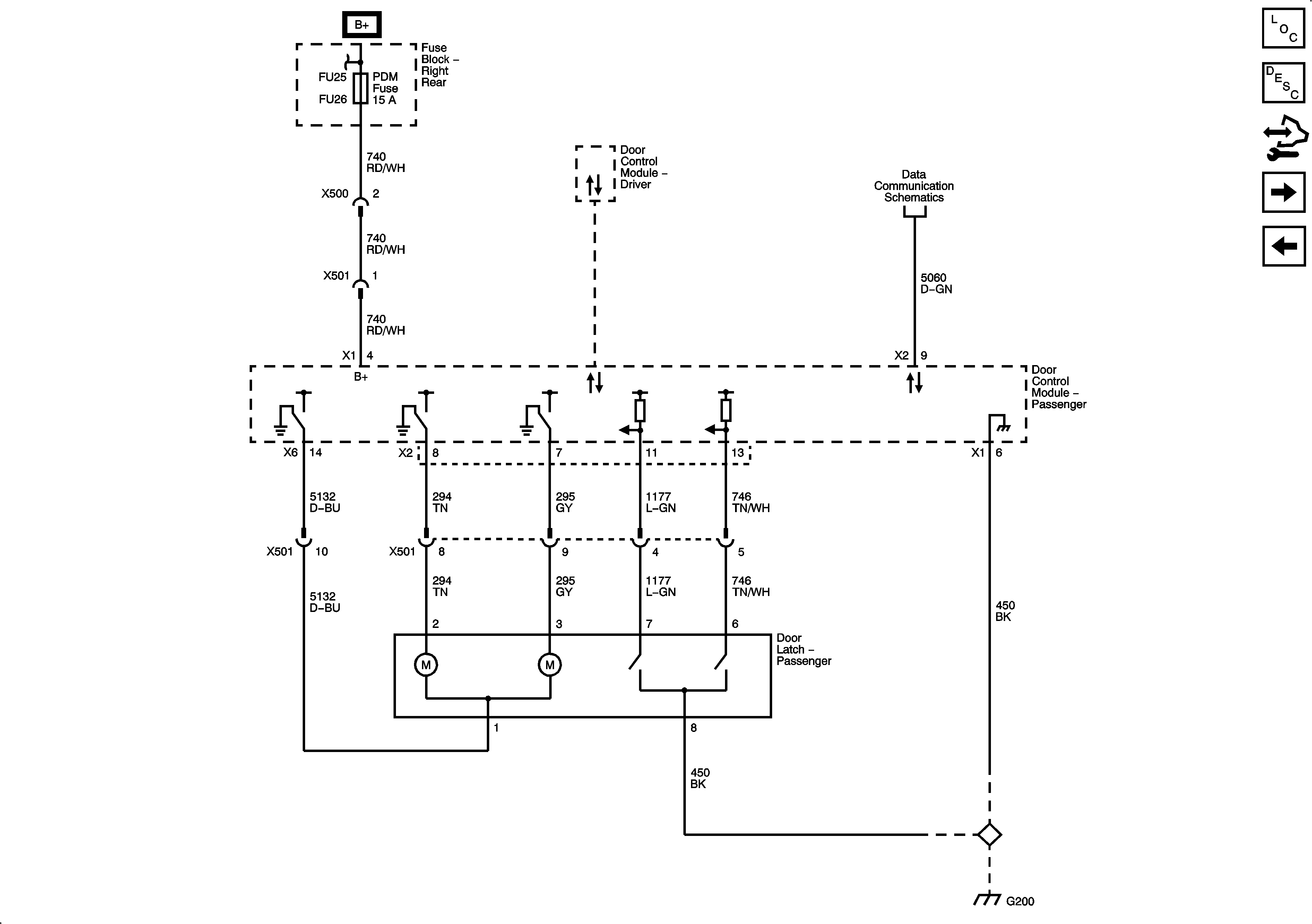
Front Passenger Door Lock LHD
Driver Door Lock LHD
Figure 3:

Front Passenger Door Lock LHD


Object Number: 1874098  Size: FS
Master Electrical Component List
Power Door Latch Description and Operation
Control Module References
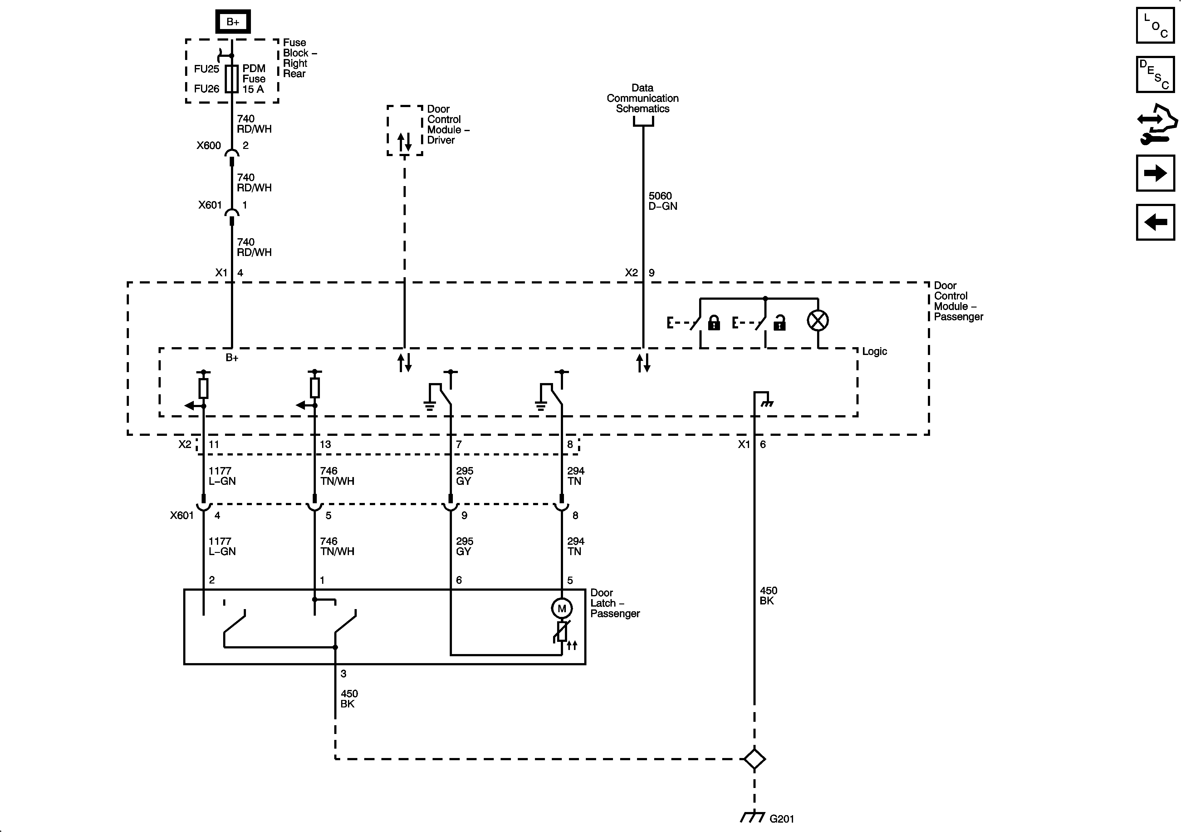
Front Passenger Door Lock RHD
Driver Door Lock RHD
Figure 4:

Front Passenger Door Lock RHD


Object Number: 1874102  Size: FS
Master Electrical Component List
Power Door Latch Description and Operation
Control Module References
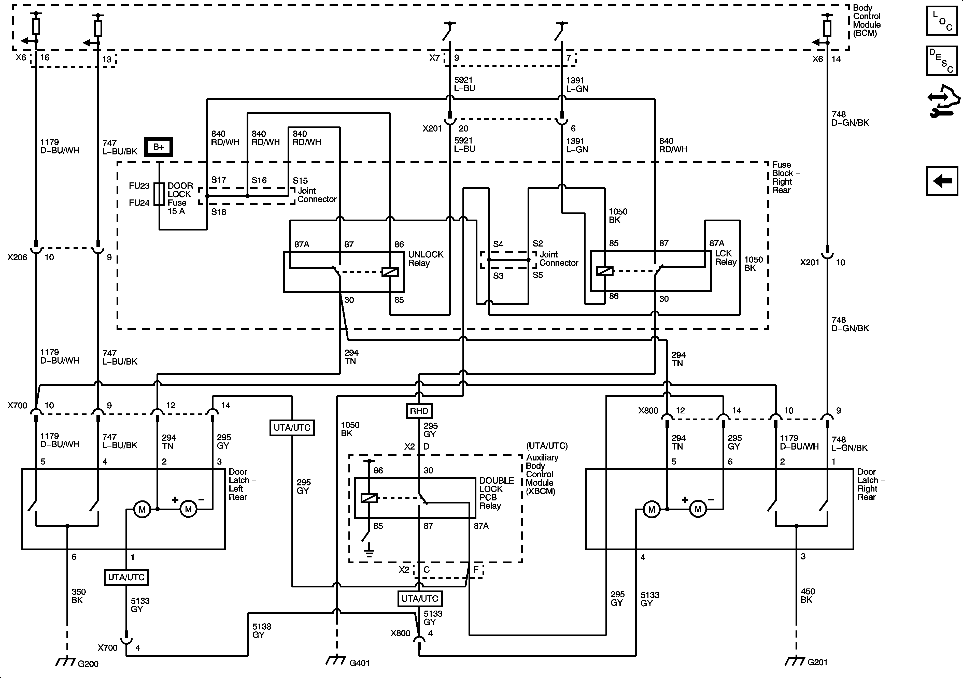
Rear Door Locks (without EXP)
Front Passenger Door Lock LHD
Figure 5:

Rear Door Locks (without EXP)


Object Number: 1874105  Size: FS
Master Electrical Component List
Power Door Latch Description and Operation
Control Module References
Rear Door Locks (EXP)
Front Passenger Door Lock RHD
Figure 6:

Rear Door Locks (EXP)


Object Number: 1874108  Size: FS
Master Electrical Component List
Power Door Latch Description and Operation
Control Module References
Rear Door Locks (without EXP)