GM Service Manual Online
For 1990-2009 cars only
Makes
🢒
Cadillac
🢒
2008
🢒
SRX
🢒
Diagnostic Navigation
🢒
Vehicle Diagnostic Information
🢒 Liftgate Schematics
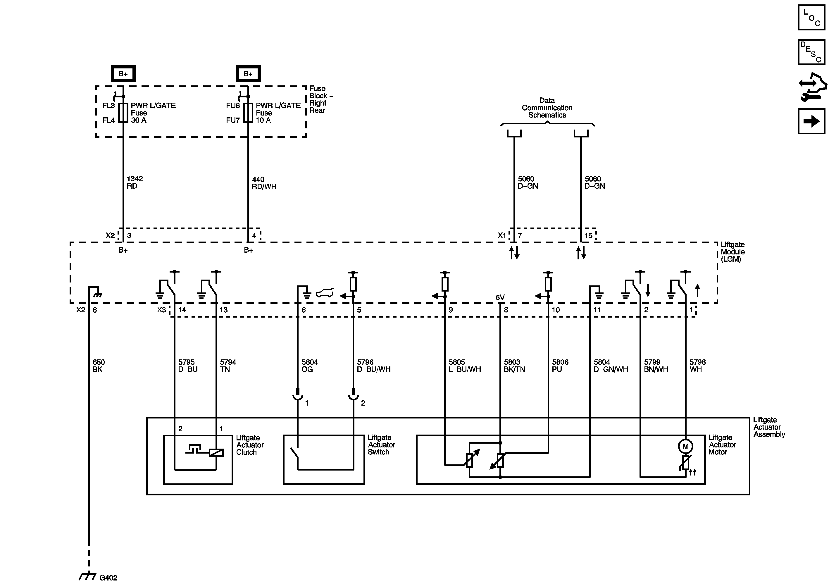
Figure
1:
Module Power, Ground, Data Communication, and Liftgate Motor
Master Electrical Component List
Liftgate Description and Operation
Control Module References
Latch, Object Sensors, and Switches
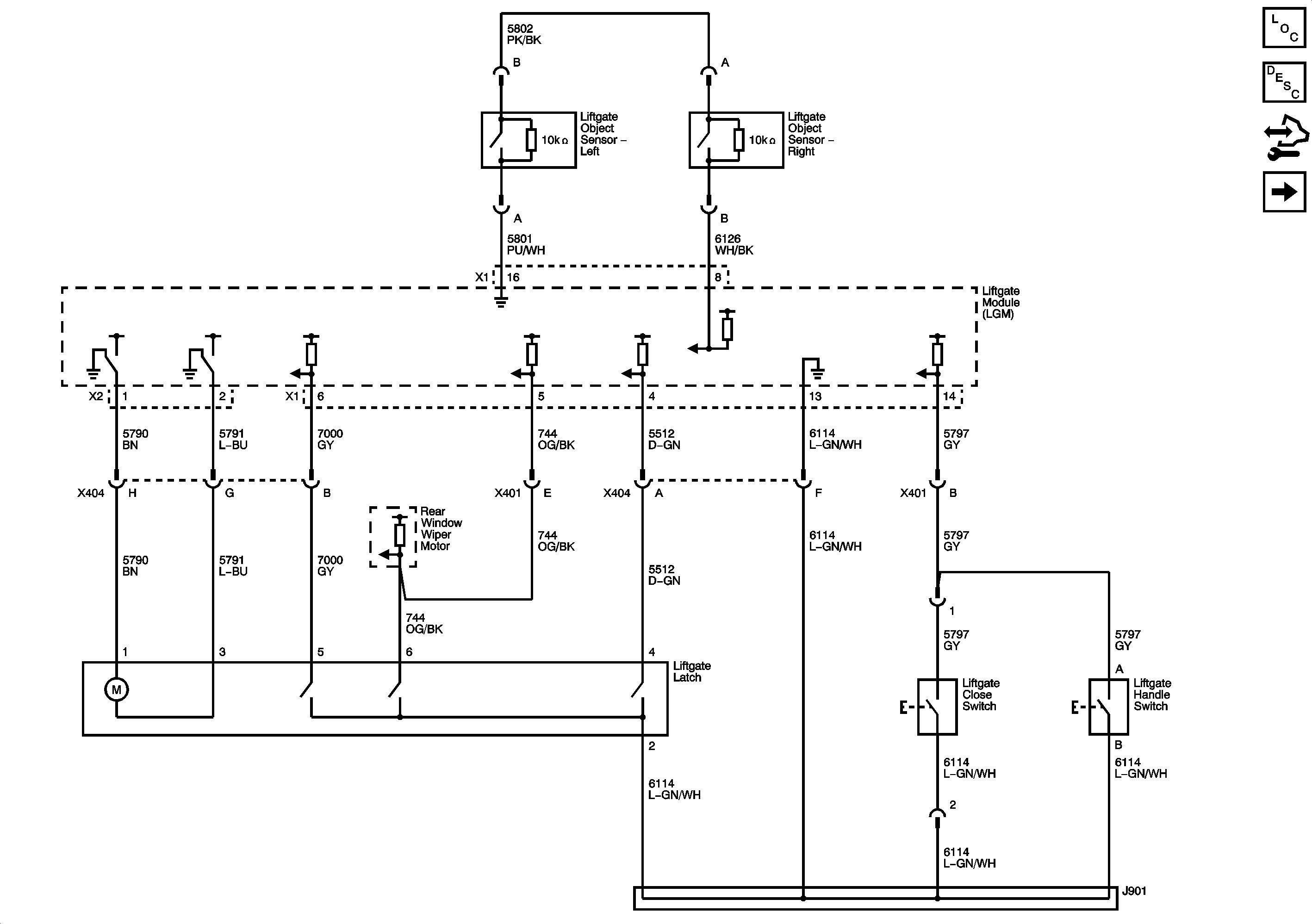
Figure
2:
Latch, Object Sensors, and Switches
Master Electrical Component List
Liftgate Description and Operation
Control Module References
Module Power, Ground, Data Communication, and Liftgate Motor