GM Service Manual Online
For 1990-2009 cars only
Figure 1:

Power, Ground, and Key Word 2000 Serial Data


Object Number: 1875107  Size: FS
Master Electrical Component List
Data Link Communications Description and Operation
Control Module References
Low Speed GMLAN Serial Data 1 of 2
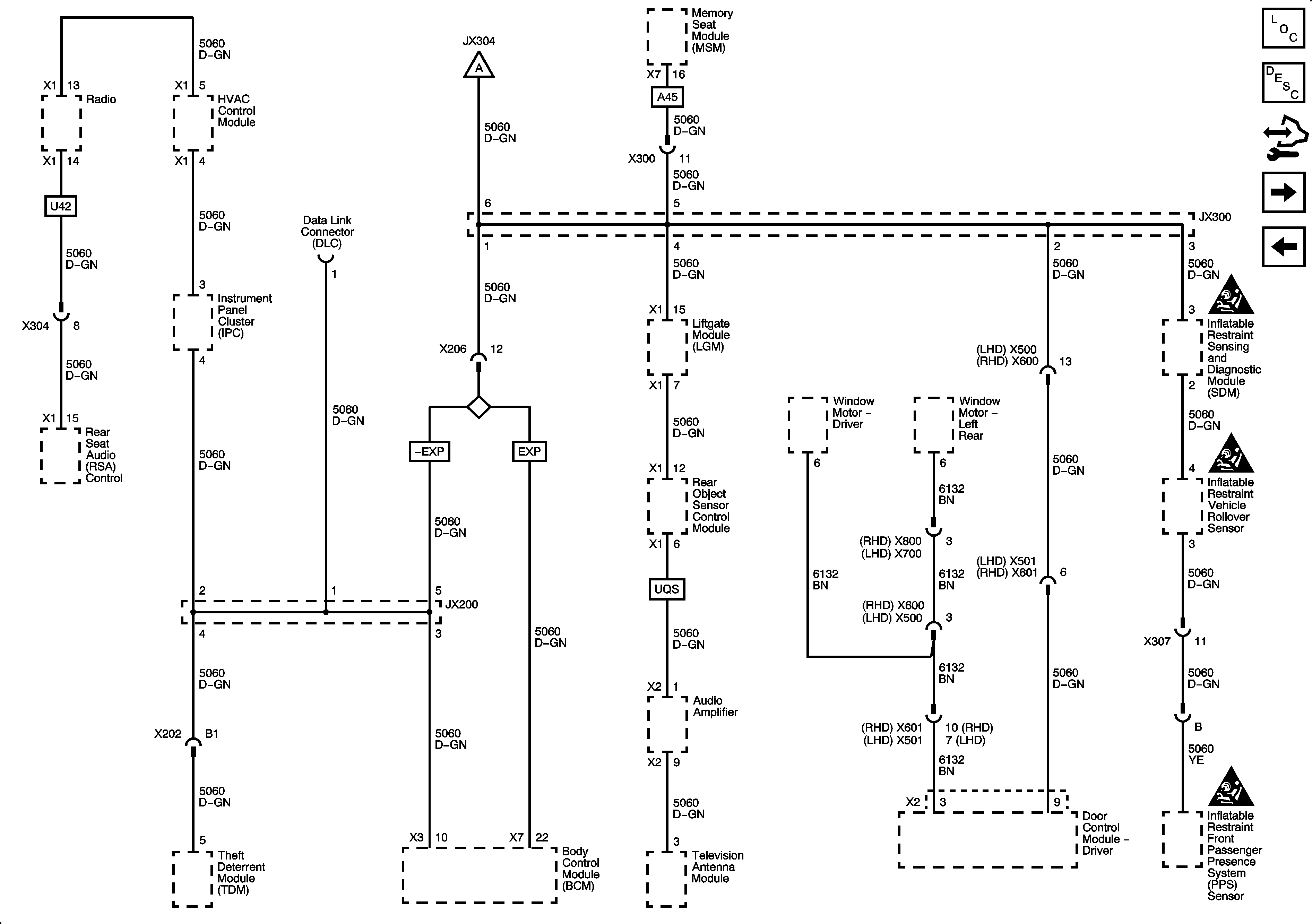
Figure 2:

Low Speed GMLAN Serial Data 1 of 2


Object Number: 1875111  Size: FS
Master Electrical Component List
Data Link Communications Description and Operation
Control Module References
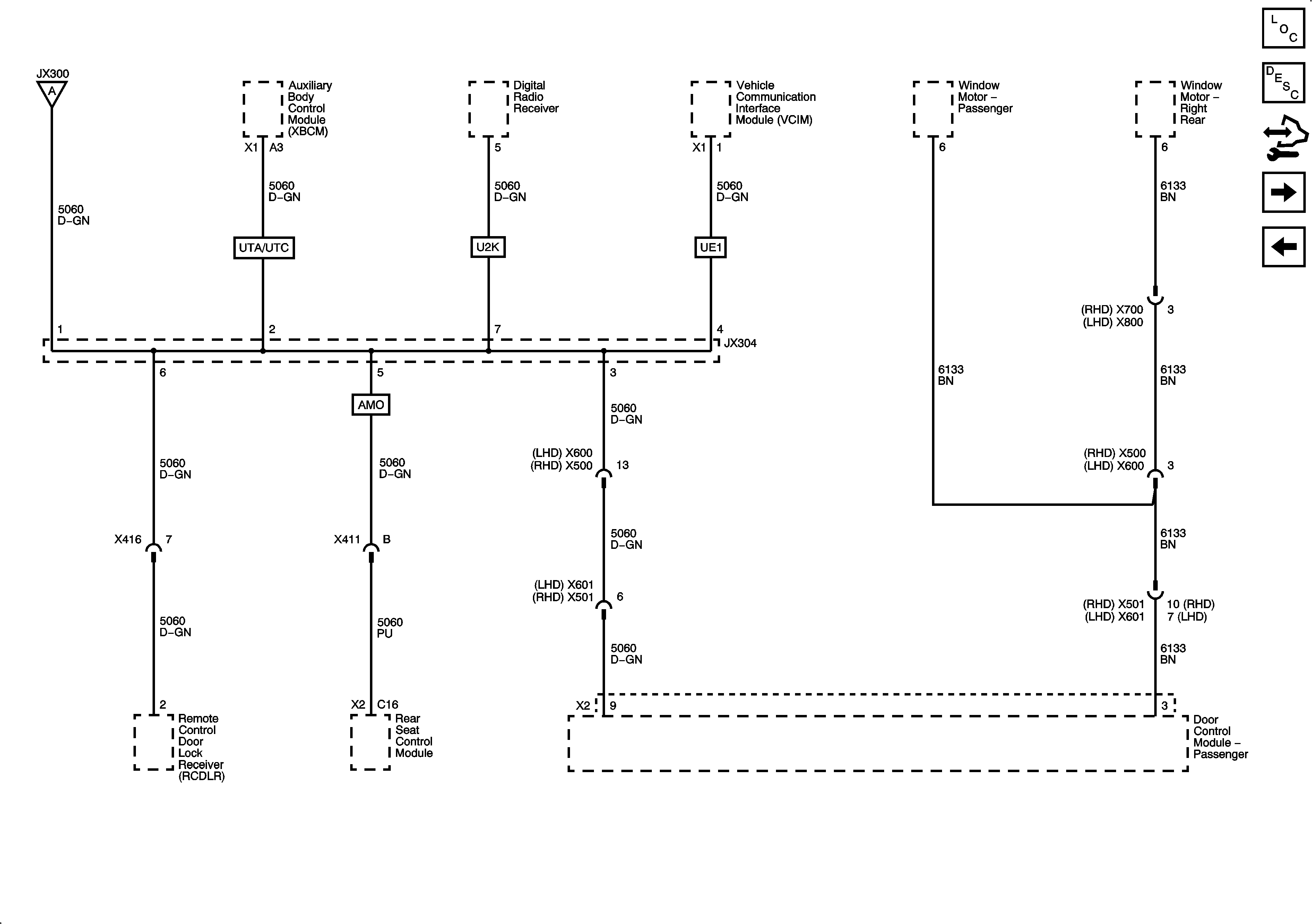
Low Speed GMLAN Serial Data 2 of 2
Power, Ground, and Key Word 2000 Serial Data
Figure 3:

Low Speed GMLAN Serial Data 2 of 2


Object Number: 1875114  Size: FS
Master Electrical Component List
Data Link Communications Description and Operation
Control Module References
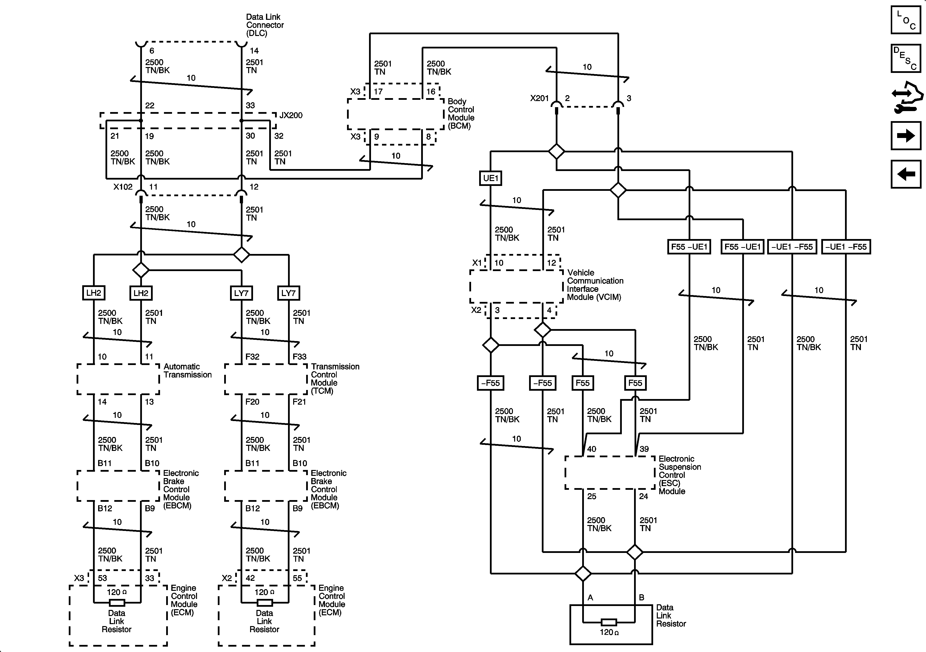
High Speed GMLAN
Low Speed GMLAN Serial Data 1 of 2
Figure 4:

High Speed GMLAN


Object Number: 1875117  Size: FS
Master Electrical Component List
Data Link Communications Description and Operation
Control Module References
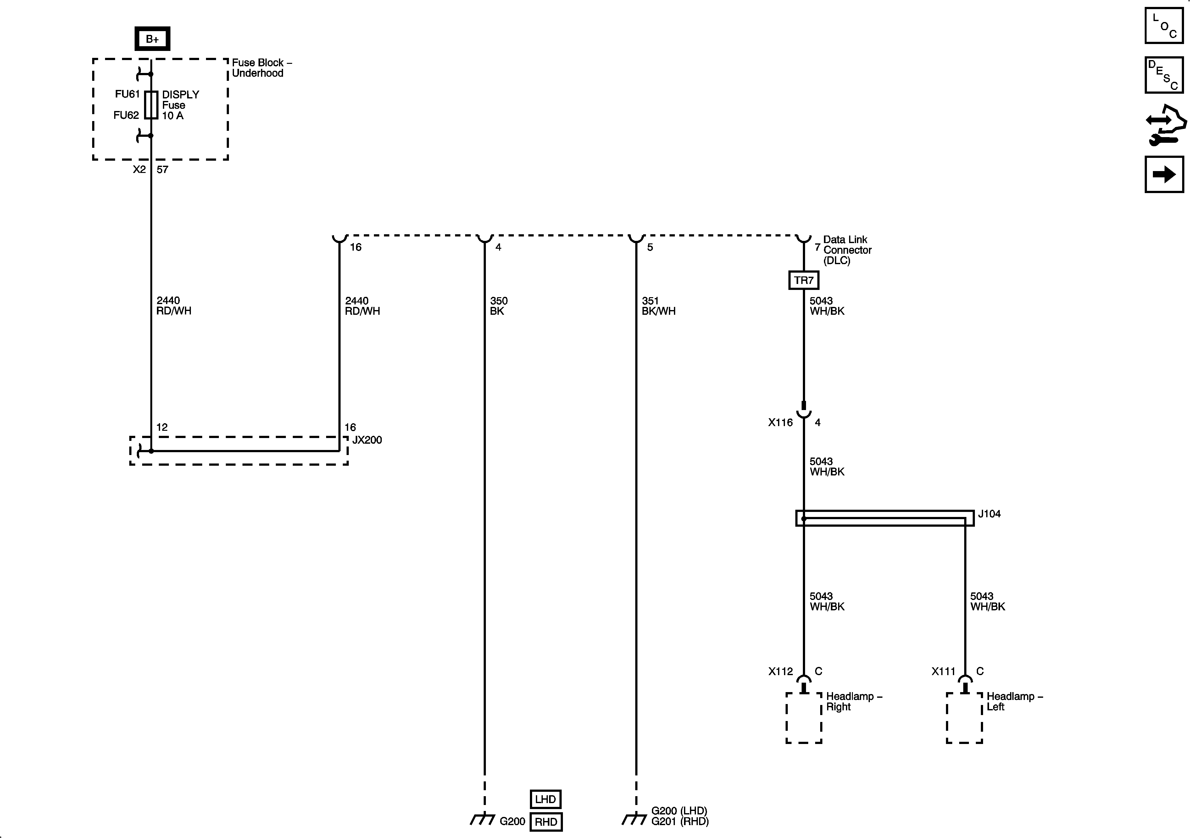
Serial Data Communication Enable
Low Speed GMLAN Serial Data 2 of 2
Figure 5:

Serial Data Communication Enable


Object Number: 1991070  Size: FS
Master Electrical Component List
Data Link Communications Description and Operation
Control Module References
High Speed GMLAN