GM Service Manual Online
For 1990-2009 cars only
Makes
🢒
Cadillac
🢒
2008
🢒
SRX
🢒
Diagnostic Navigation
🢒
Vehicle Diagnostic Information
🢒 Heated/Cooled Seat Schematics
Figure
1:
Heated Seat Controls (KA1)
Master Electrical Component List
Heated Seats Description and Operation
Control Module References
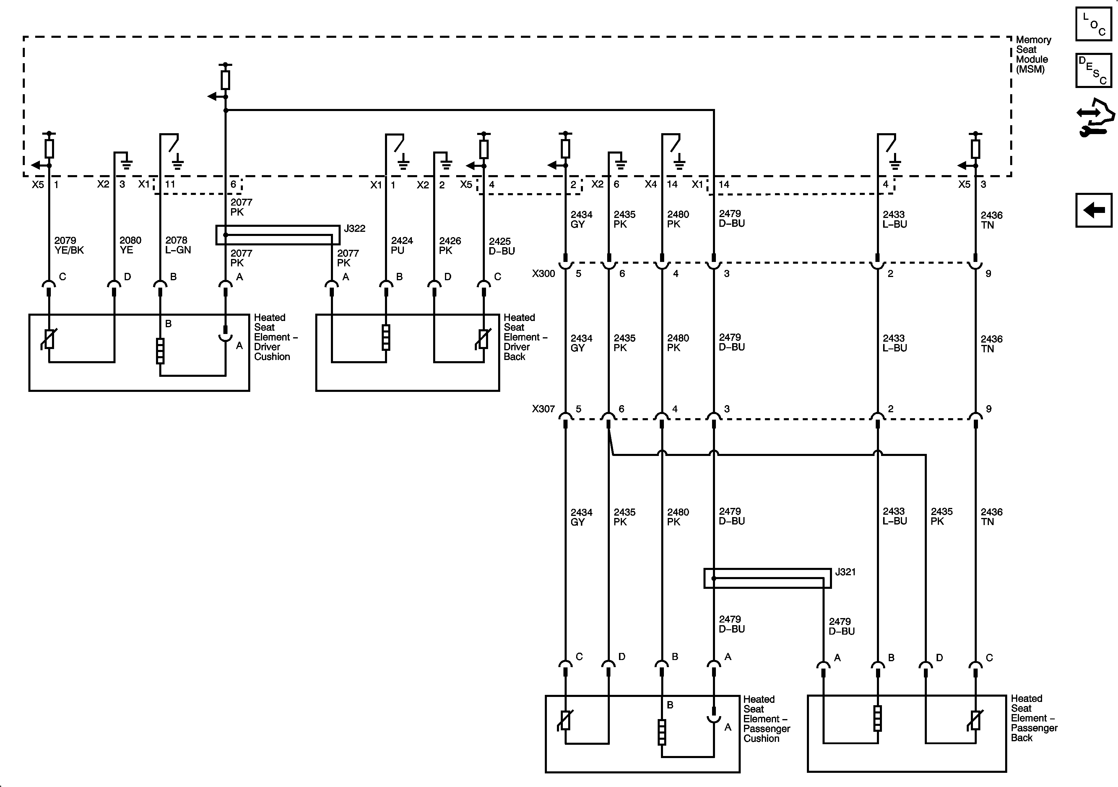
Heated Seat Elements and Sensors (KA1)
Figure
2:
Heated Seat Elements and Sensors (KA1)
Master Electrical Component List
Heated Seats Description and Operation
Control Module References
Heated Seat Controls (KA1)