GM Service Manual Online
For 1990-2009 cars only
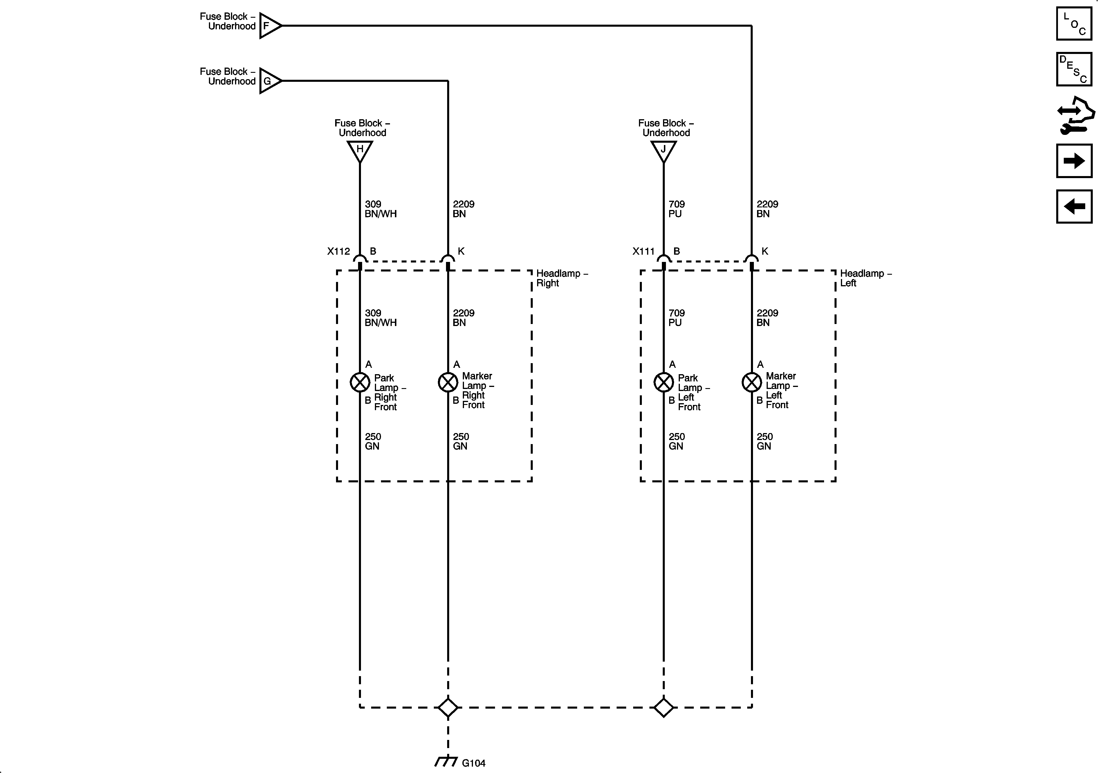
Figure 1:

Park Lamps (without EXP) - (1 of 2)


Object Number: 1873181  Size: FS
Master Electrical Component List
Exterior Lighting Systems Description and Operation
Control Module References
Park Lamps (without EXP) - 2 of 2
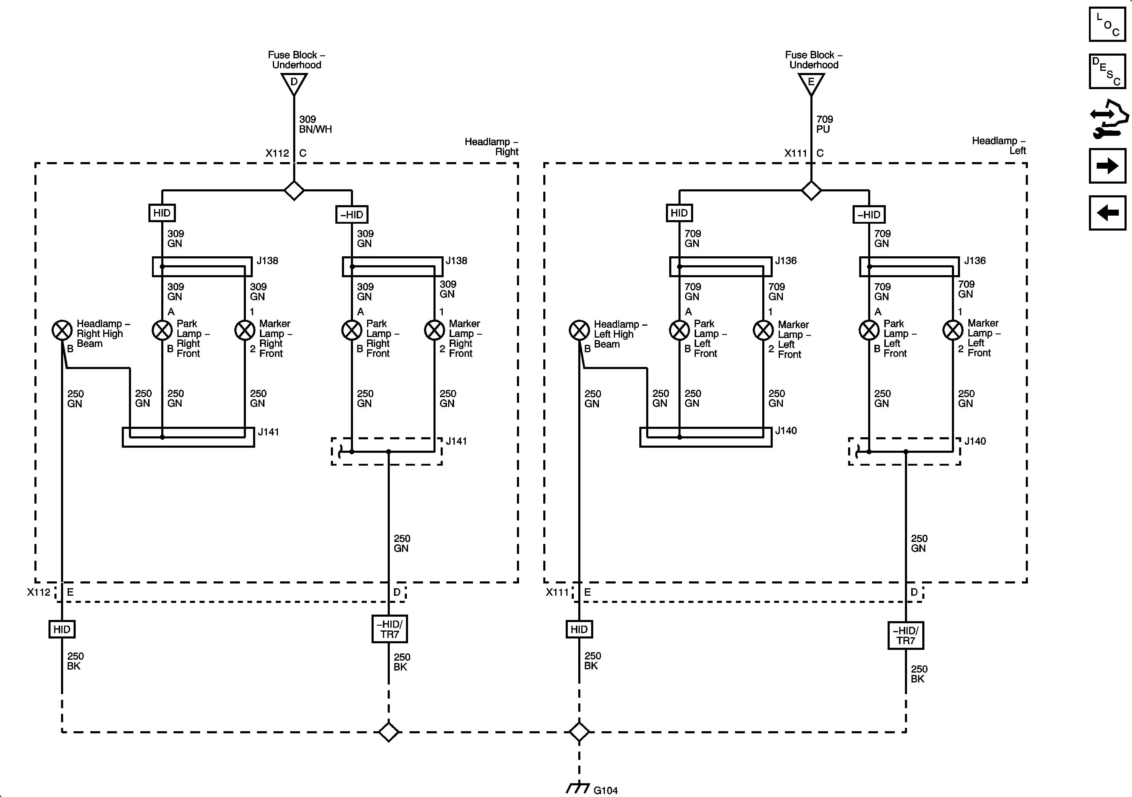
Figure 2:

Park Lamps (without EXP) - (2 of 2)


Object Number: 1873183  Size: FS
Master Electrical Component List
Exterior Lighting Systems Description and Operation
Control Module References
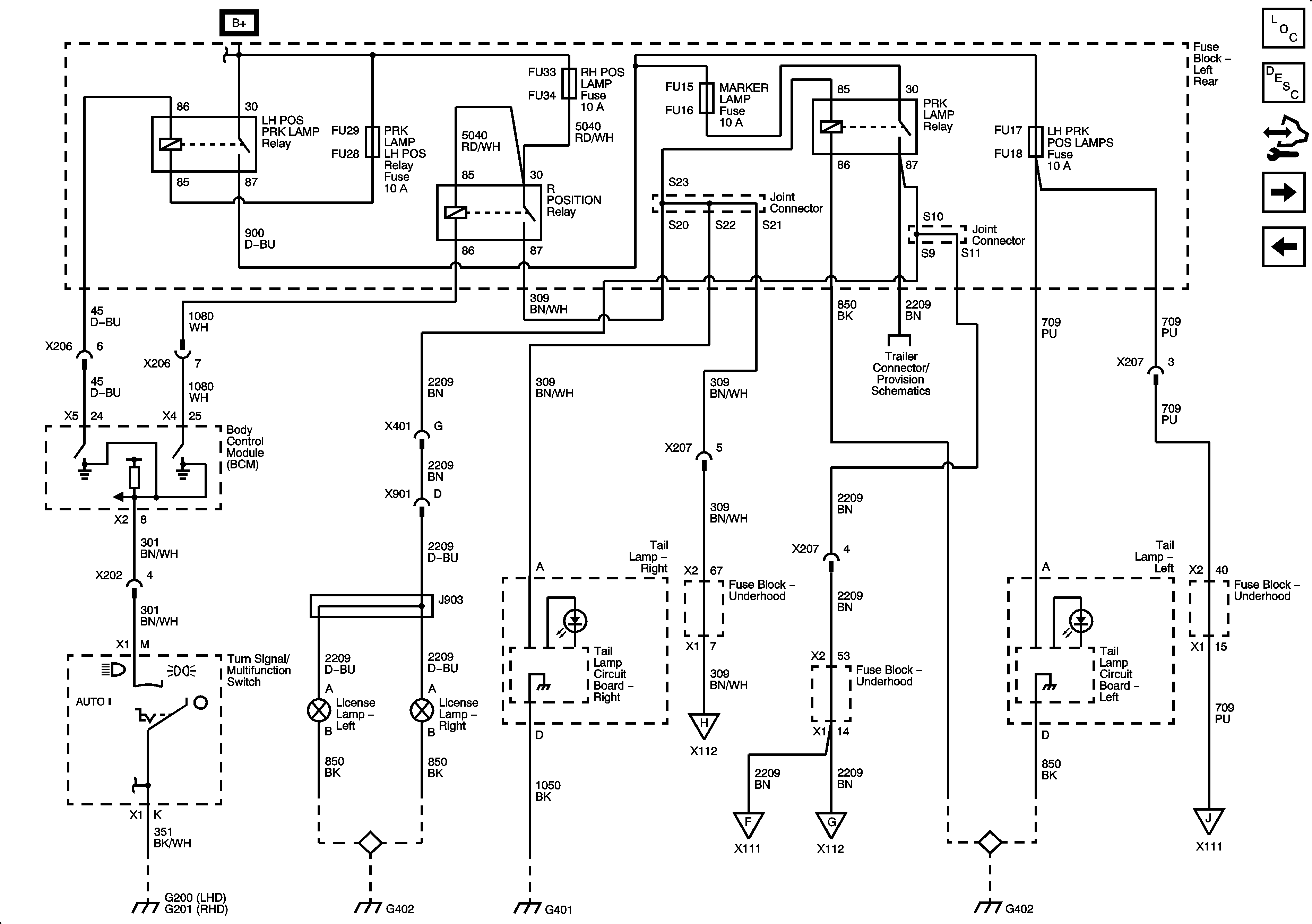
Park Lamps (EXP) - 1 of 2
Park Lamps (without EXP) - 1 of 2
Figure 3:

Park Lamps (EXP) - (1 of 2)


Object Number: 1873185  Size: FS
Master Electrical Component List
Exterior Lighting Systems Description and Operation
Control Module References
Park Lamps (EXP) - 2 of 2
Park Lamps (without EXP) - 2 of 2
Figure 4:

Park Lamps (EXP) - (2 of 2)


Object Number: 1873187  Size: FS
Master Electrical Component List
Exterior Lighting Systems Description and Operation
Control Module References
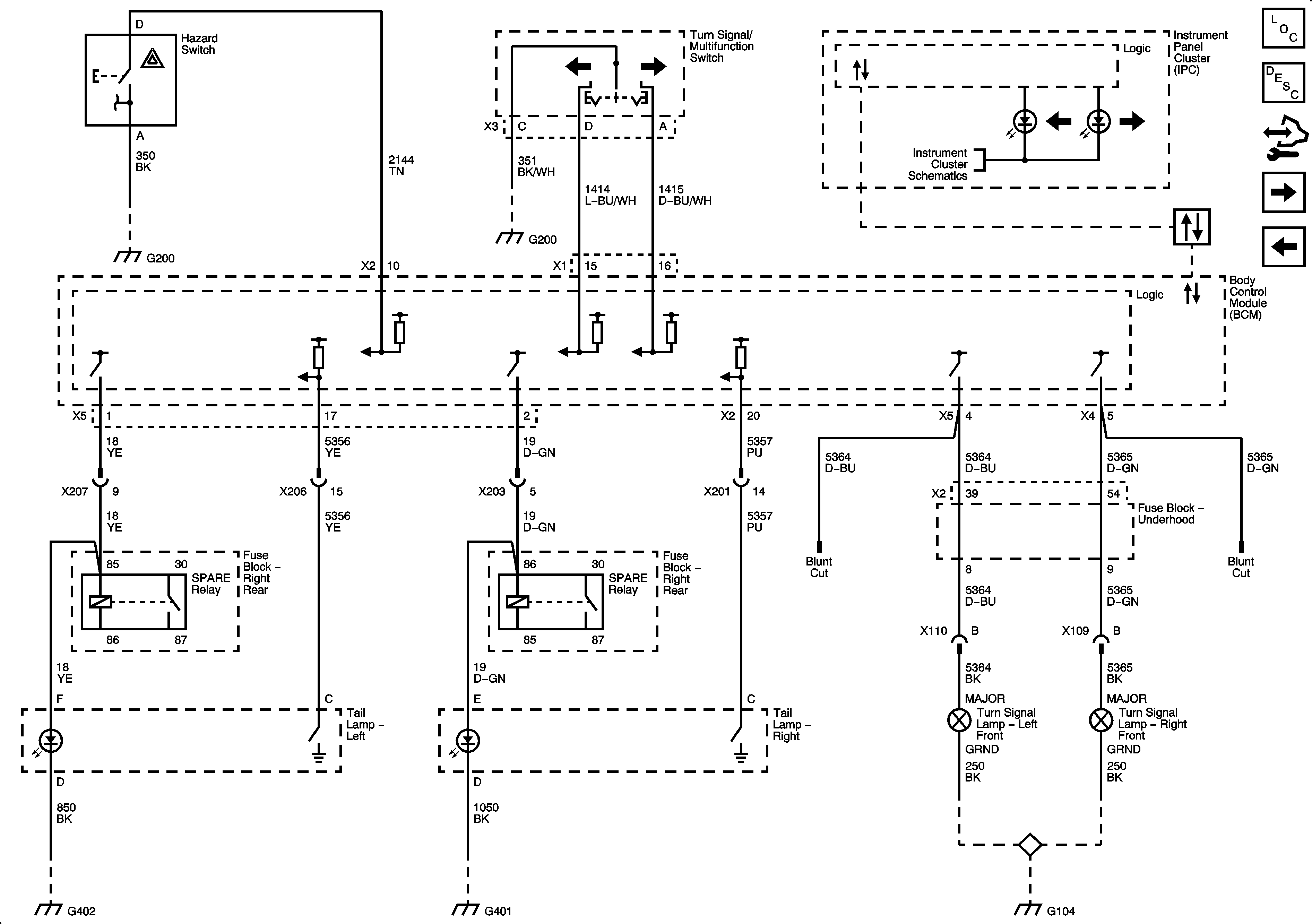
Hazard and Turn Lamps (without EXP)
Park Lamps (EXP) - 1 of 2
Figure 5:

Hazard and Turn Lamps (without EXP)


Object Number: 1873189  Size: FS
Master Electrical Component List
Exterior Lighting Systems Description and Operation
Control Module References
Hazard and Turn Lamps (EXP)
Park Lamps (EXP) - 2 of 2
Figure 6:

Hazard and Turn Lamps (EXP)


Object Number: 1873191  Size: FS
Master Electrical Component List
Exterior Lighting Systems Description and Operation
Control Module References
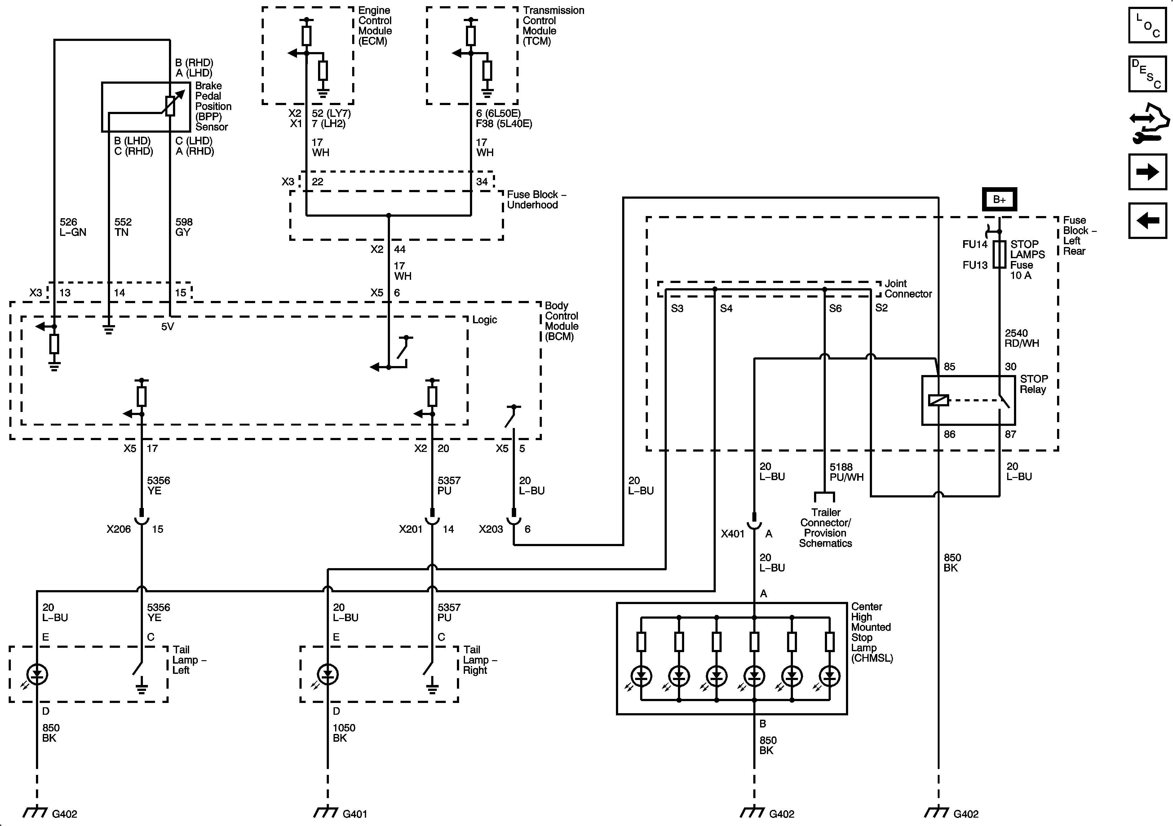
Stop Lamps (without EXP)
Hazard and Turn Lamps (without EXP)
Figure 7:

Stop Lamps (without EXP)


Object Number: 1873330  Size: FS
Master Electrical Component List
Exterior Lighting Systems Description and Operation
Control Module References
Stop Lamps (EXP)
Hazard and Turn Lamps (EXP)
Figure 8:

Stop Lamps (EXP)


Object Number: 1873336  Size: FS
Master Electrical Component List
Exterior Lighting Systems Description and Operation
Control Module References
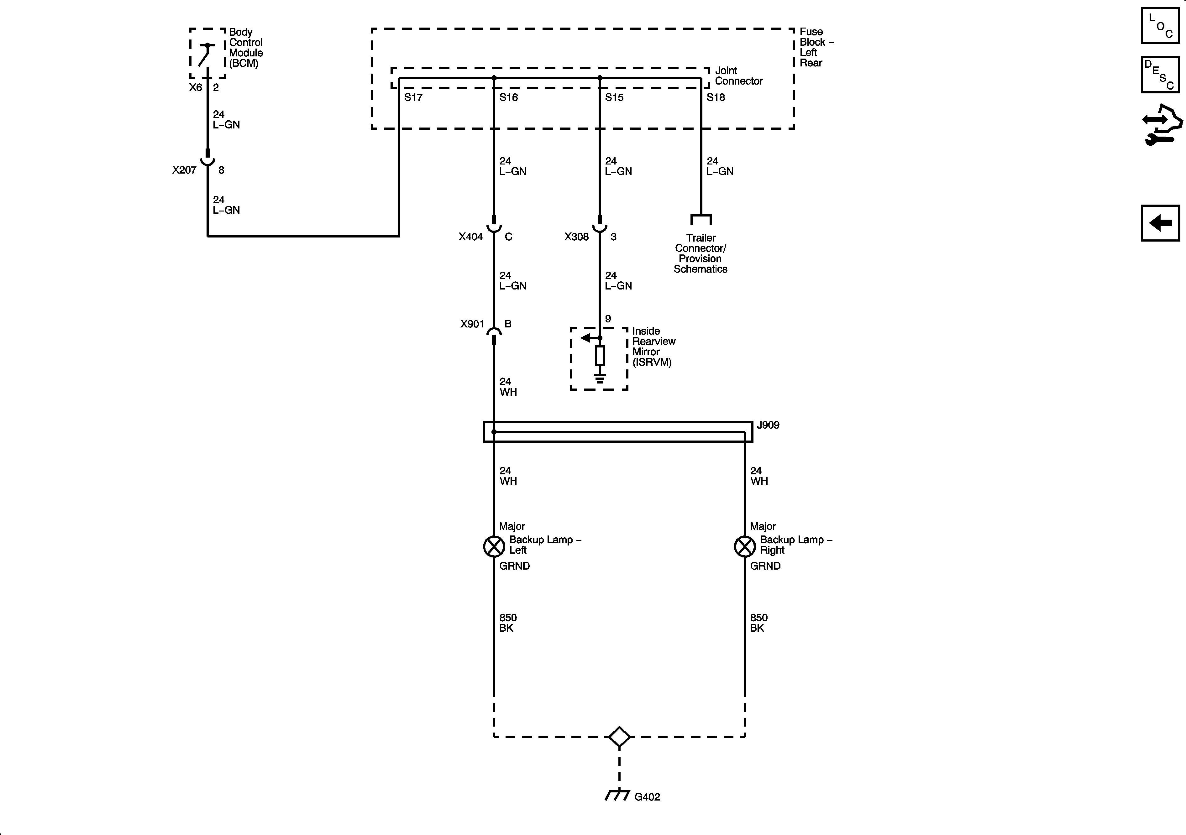
Backup Lamps
Stop Lamps (without EXP)
Figure 9:

Backup Lamps


Object Number: 1873339  Size: FS
Master Electrical Component List
Exterior Lighting Systems Description and Operation
Control Module References
Stop Lamps (EXP)