GM Service Manual Online
For 1990-2009 cars only
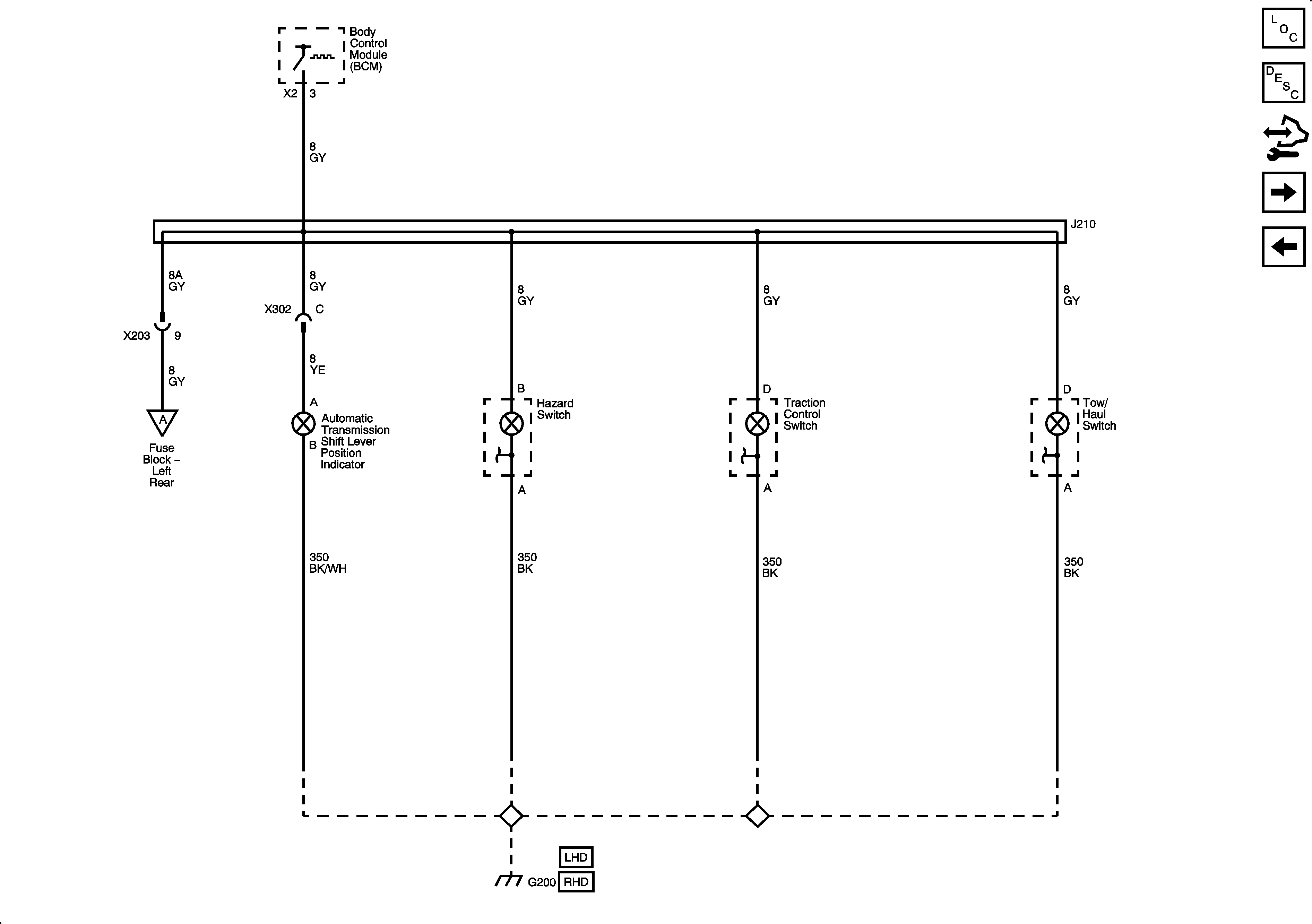
Figure 1:

Interior Lamps Dimming Controls


Object Number: 1873354  Size: FS
Master Electrical Component List
Interior Lighting Systems Description and Operation
Control Module References
Dimming Lamps 1 of 3
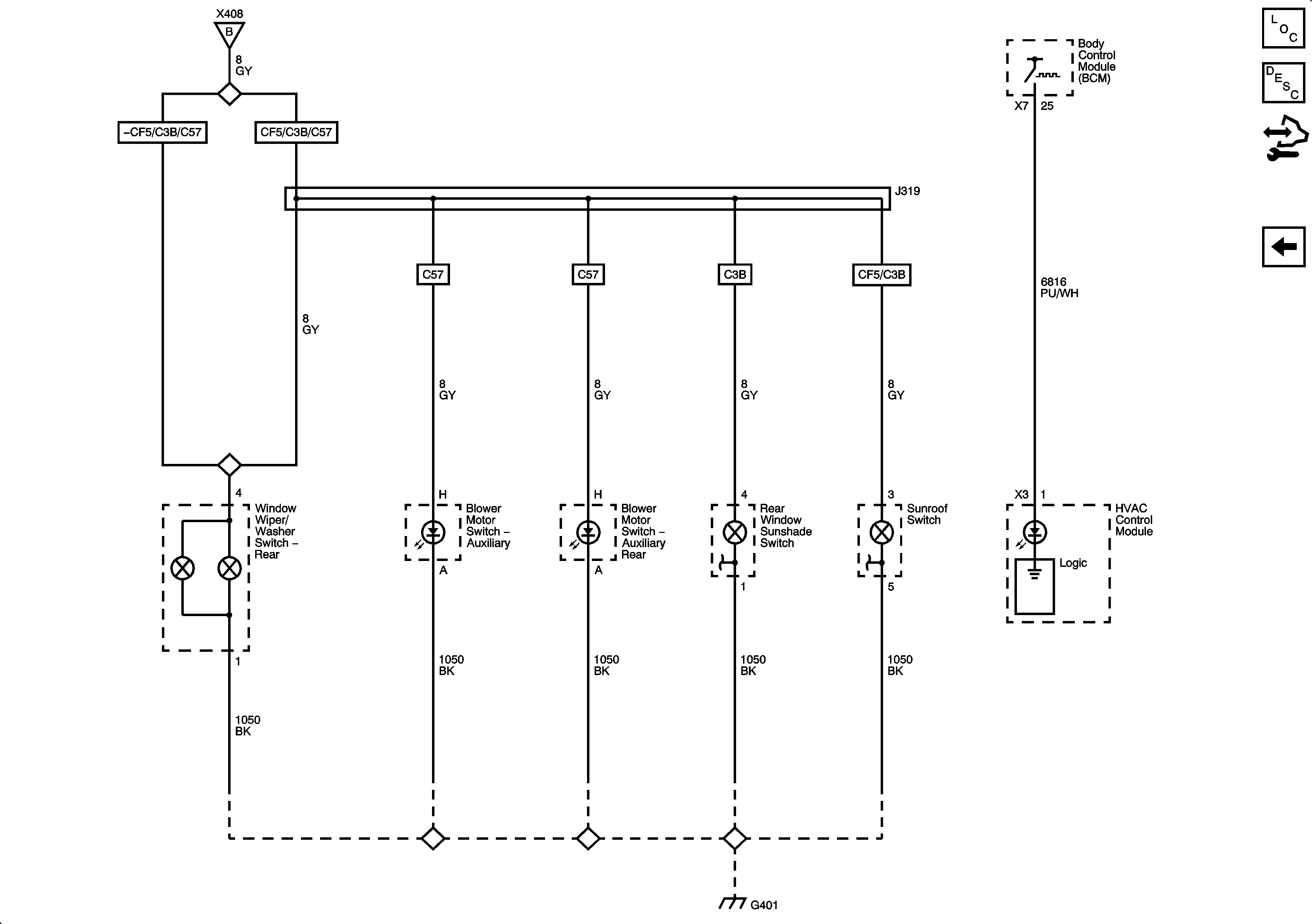
Figure 2:

Dimming Lamps 1 of 3


Object Number: 1873356  Size: FS
Master Electrical Component List
Interior Lighting Systems Description and Operation
Control Module References
Dimming Lamps 2 of 3
Interior Lamps Dimming Controls
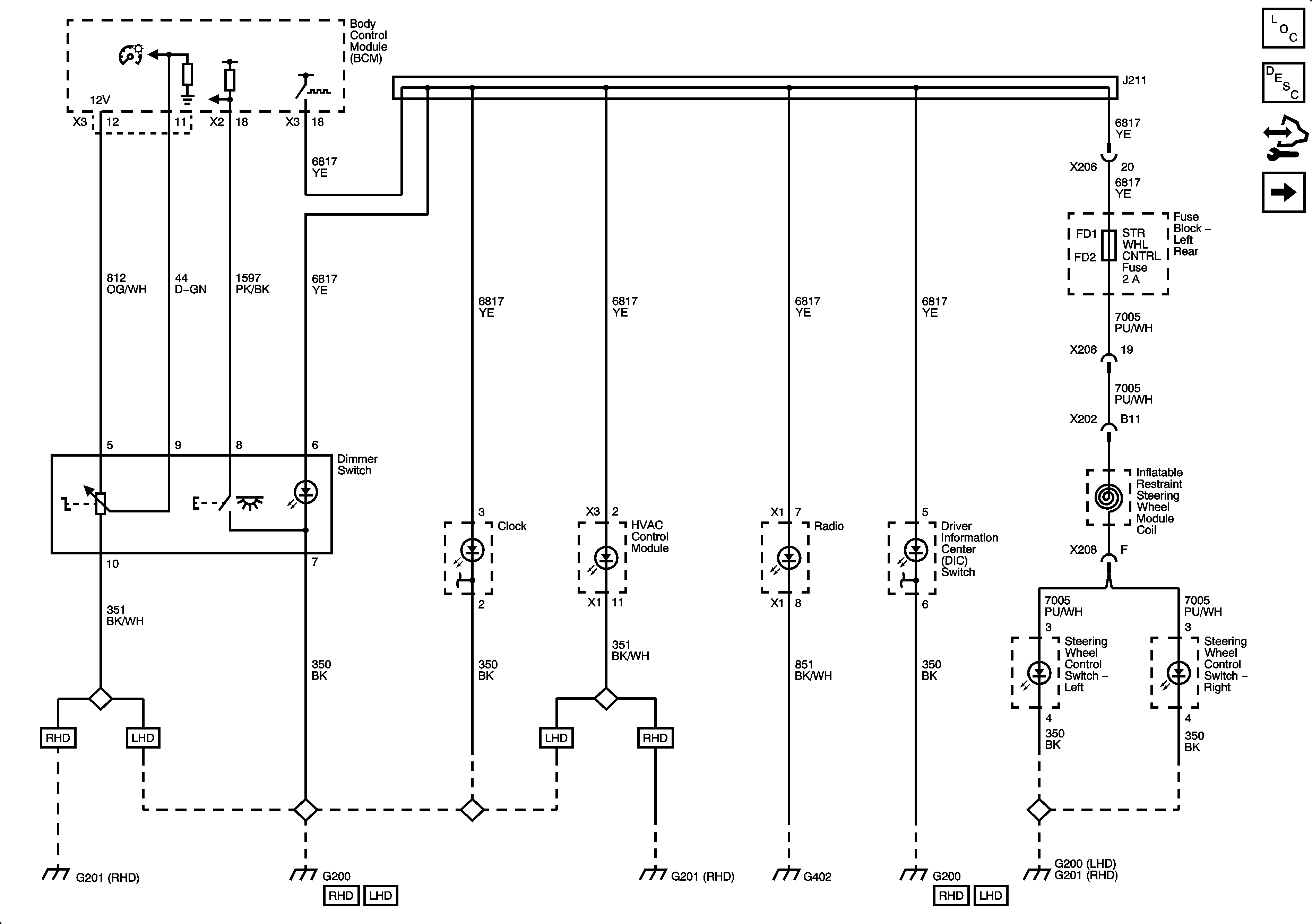
Figure 3:

Dimming Lamps 2 of 3


Object Number: 1873359  Size: FS
Master Electrical Component List
Interior Lighting Systems Description and Operation
Control Module References
Dimming Lamps 3 of 3
Dimming Lamps 1 of 3
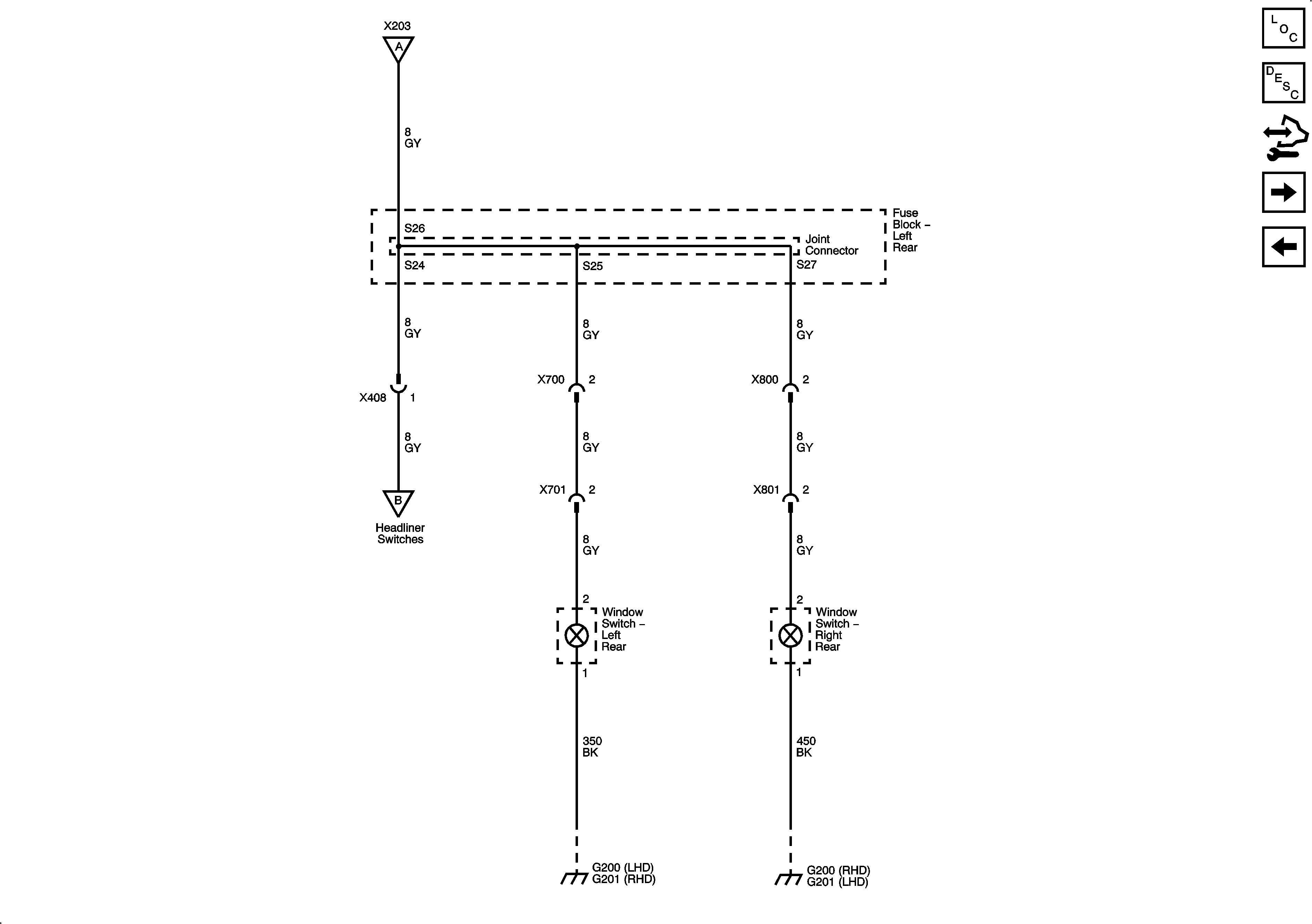
Figure 4:

Dimming Lamps 3 of 3


Object Number: 1873363  Size: FS
Master Electrical Component List
Interior Lighting Systems Description and Operation
Control Module References
Dimming Lamps 2 of 3