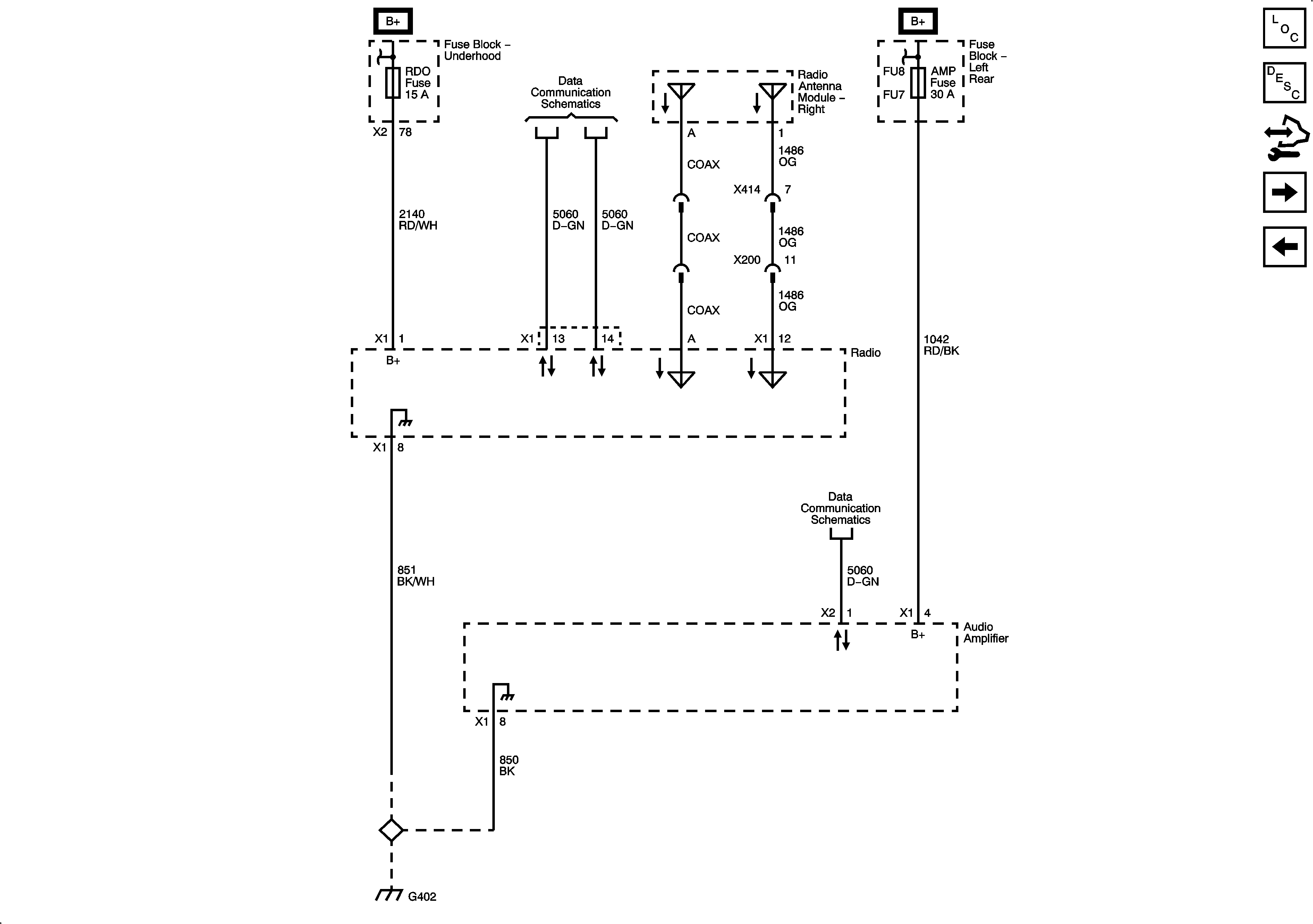
| Figure 1: |
Radio and Amplifier Power, Ground, and Communication (UQA)
|
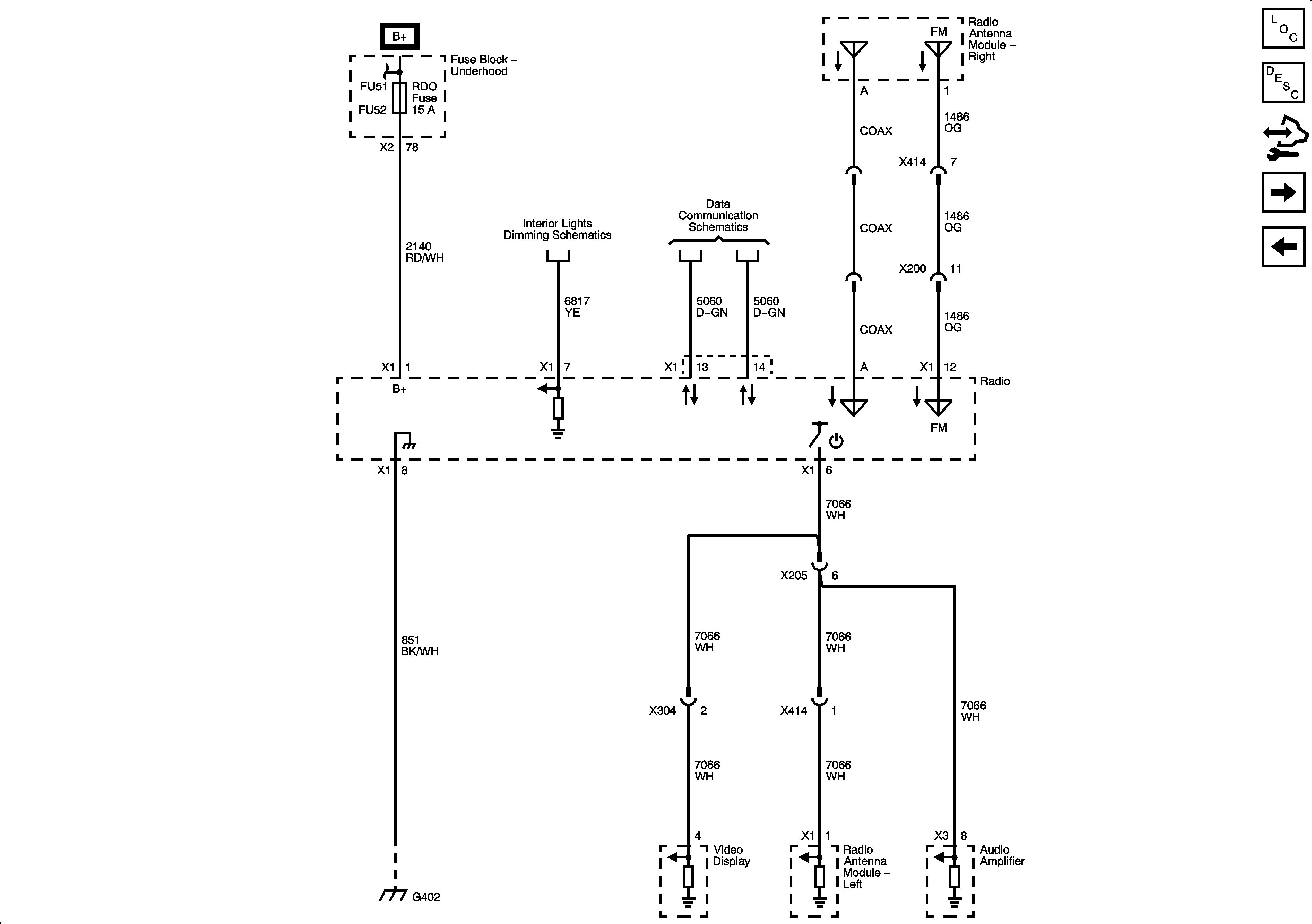
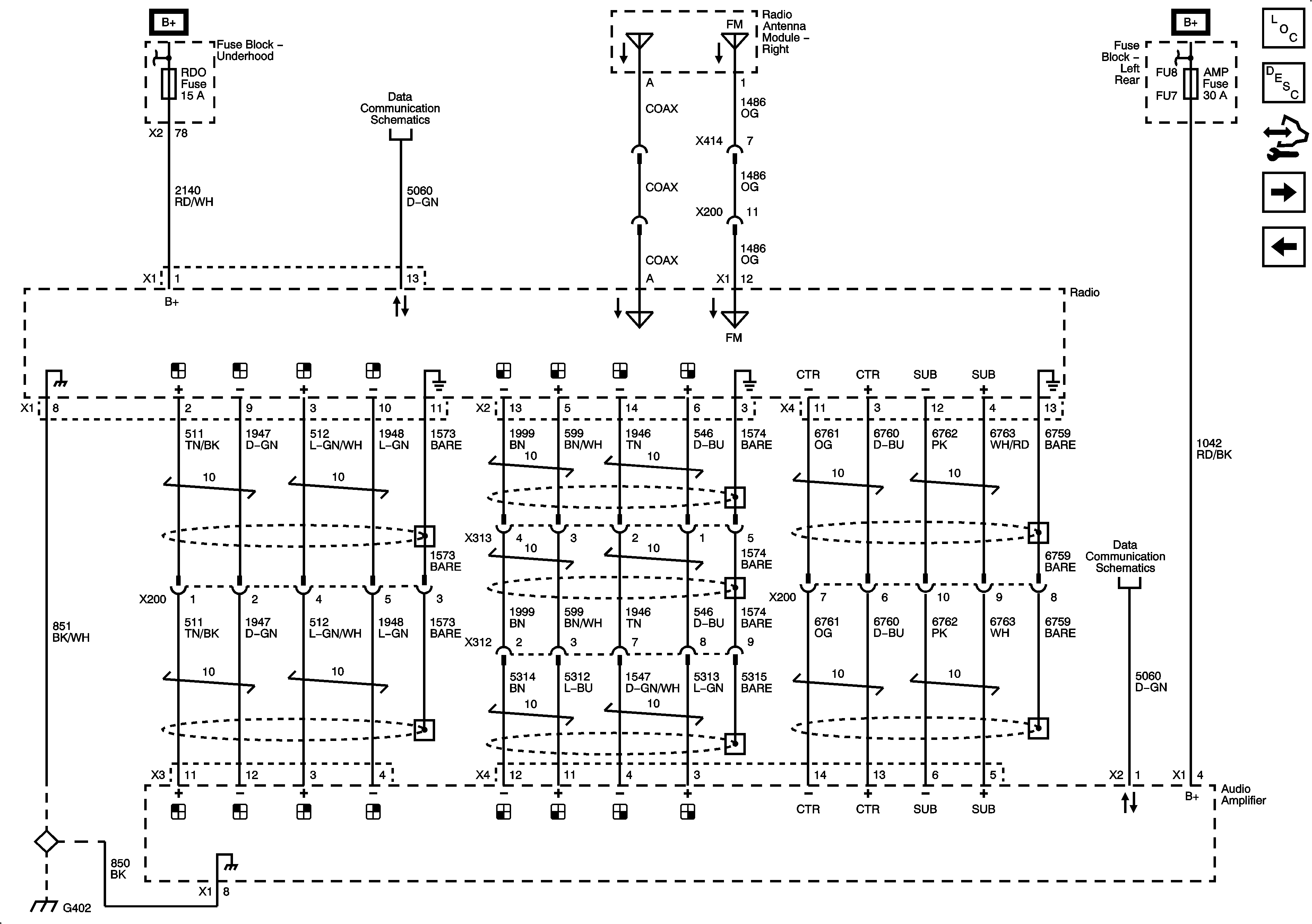
| Figure 2: |
Radio and Amplifier Power, Ground, and Communication (UQS without U42)
|
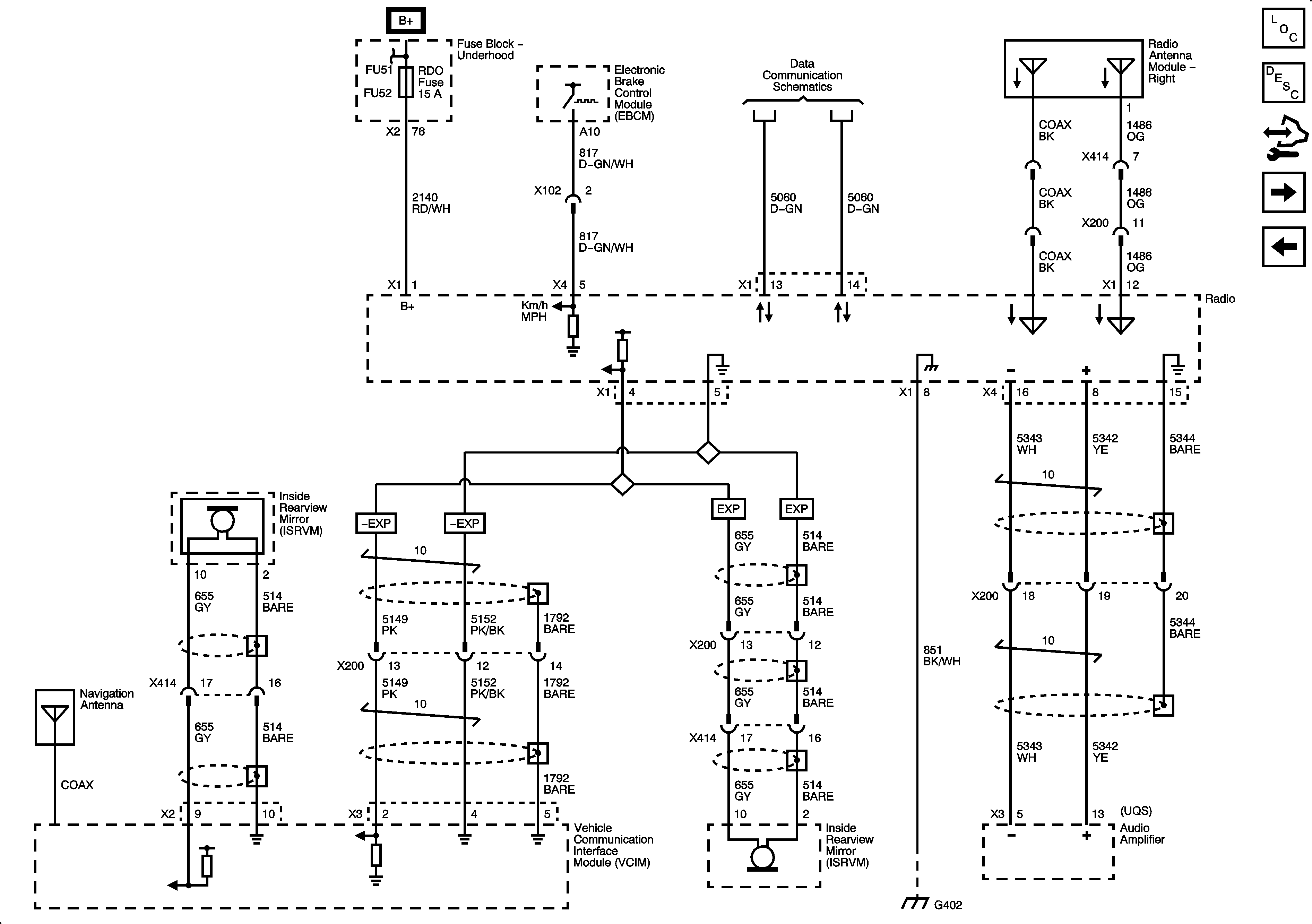
| Figure 3: |
Radio, Amplifier, Power, Ground, and Communication (UQS with U42)
|
| Figure 4: |
Radio, Amplifier, and Rear Seat Audio Module Signals (UQS with U42)
|
| Figure 5: |
Speakers LHD (UQA)
|
| Figure 6: |
Speakers RHD (UQA)
|
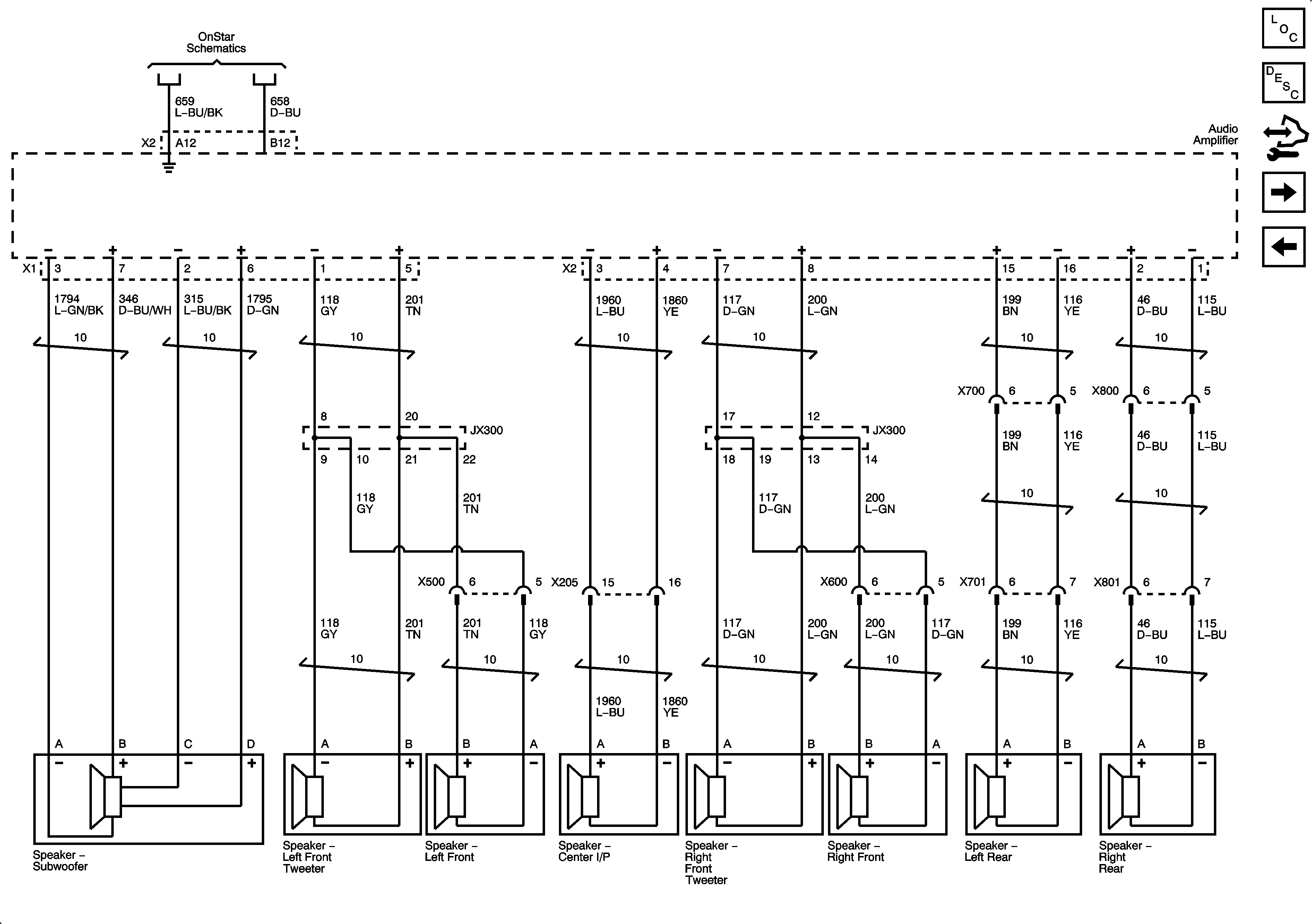
| Figure 7: |
Subwoofer and Rear Speakers (UQS)
|
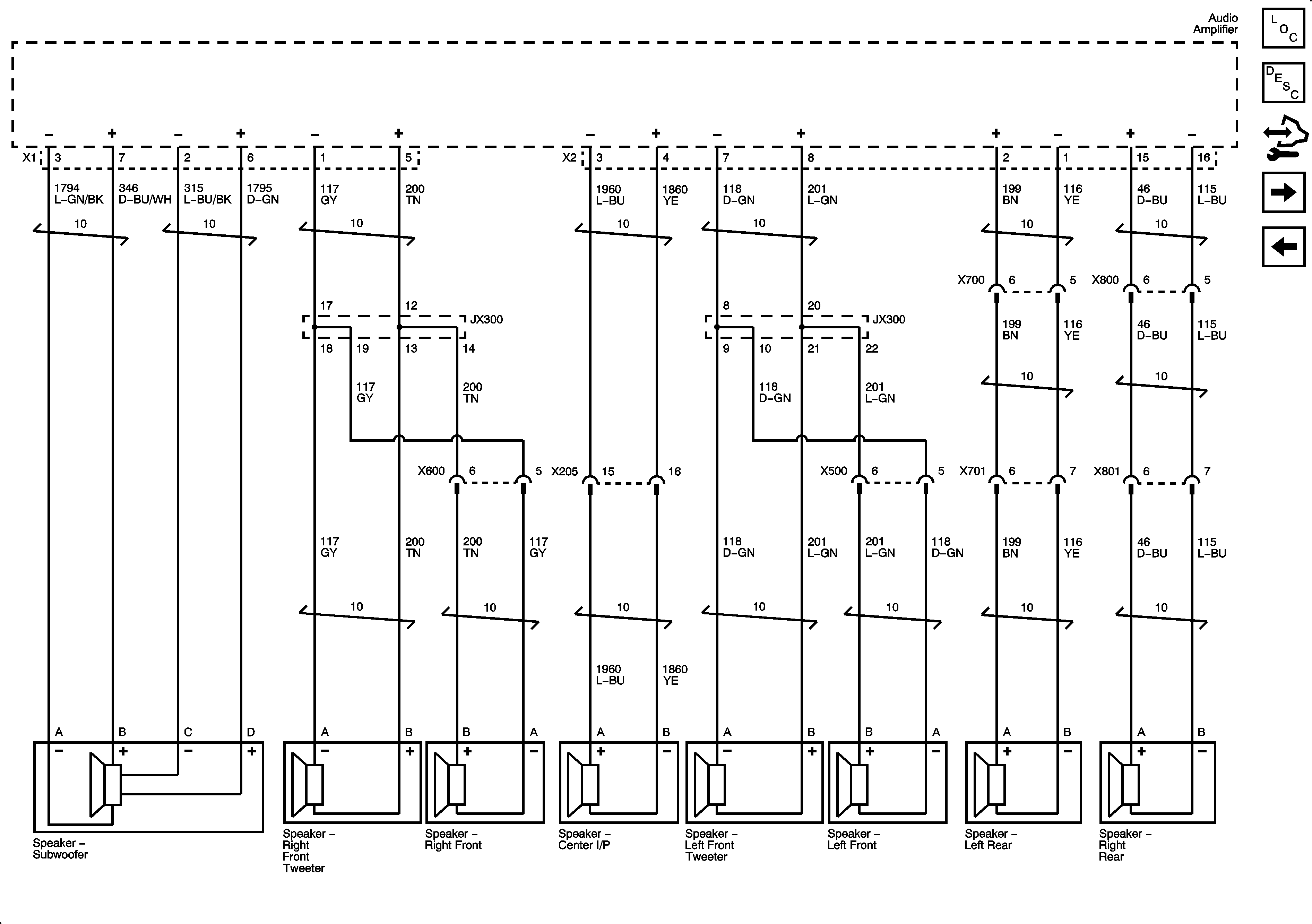
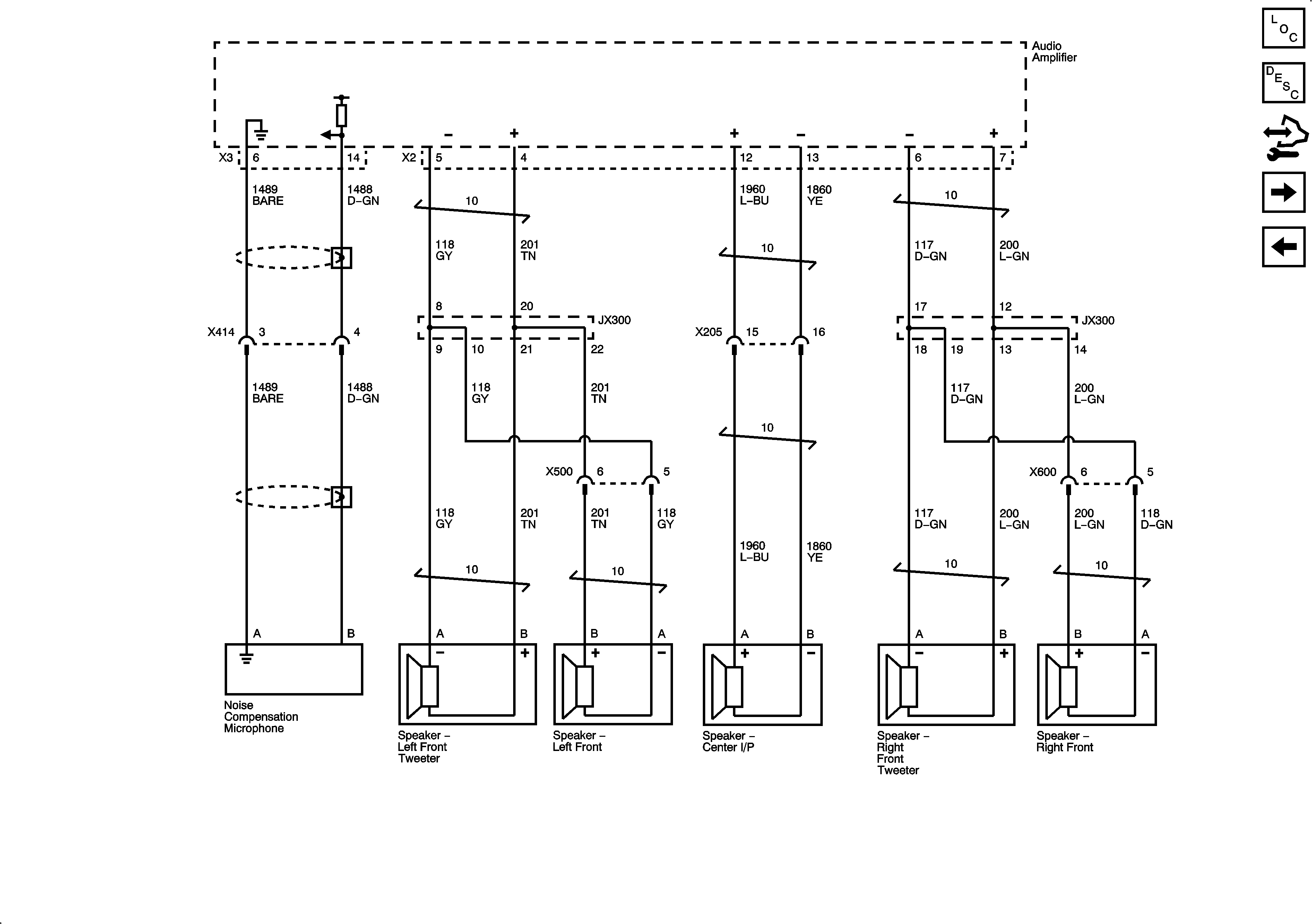
| Figure 8: |
Noise Compensation Microphone and Front Speakers (UQS)
|
| Figure 9: |
Antenna Signals
|
| Figure 10: |
Radio Power, Ground, and Communication (UQA)
|
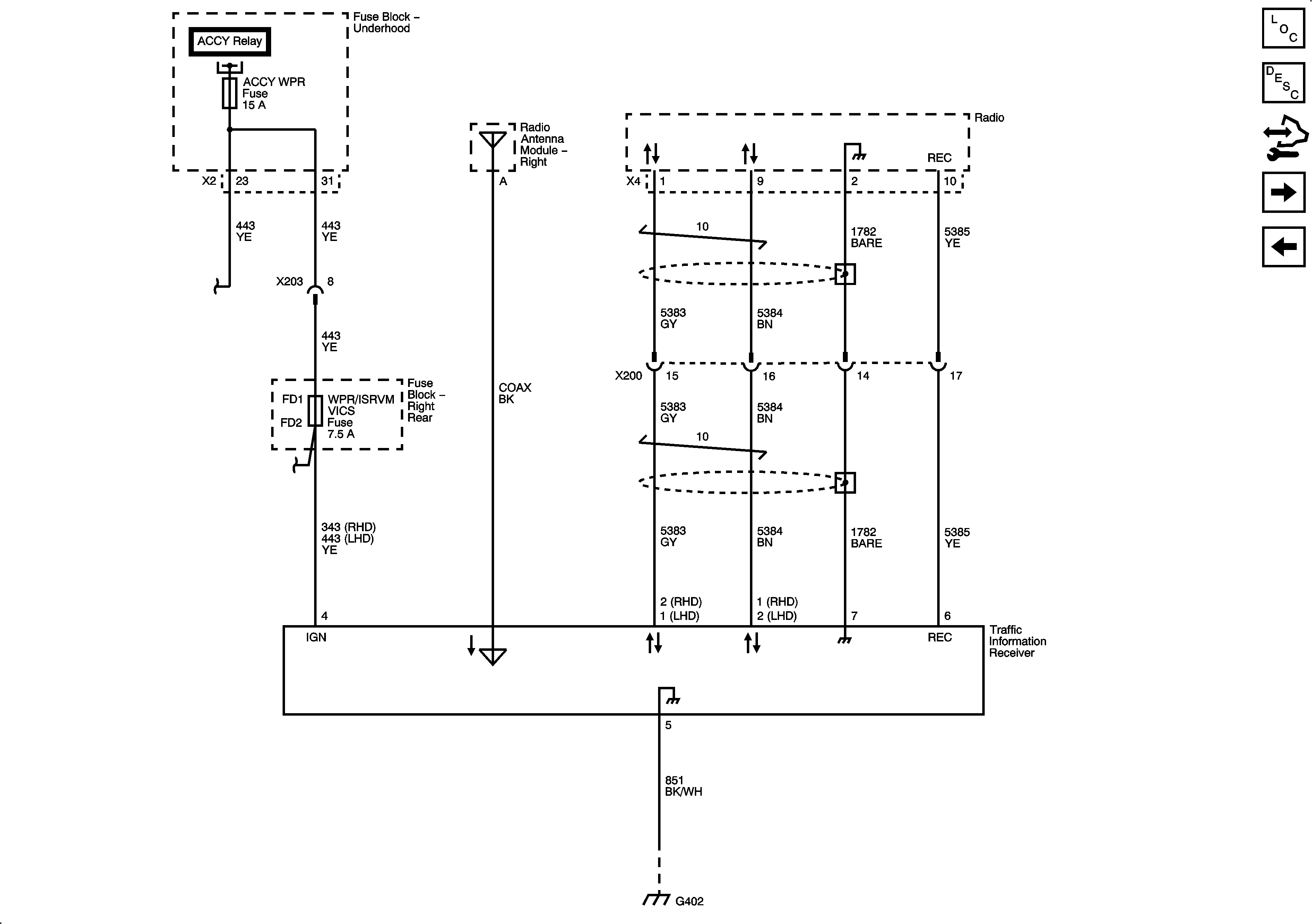
| Figure 11: |
Traffic Information Receiver (U2X)
|
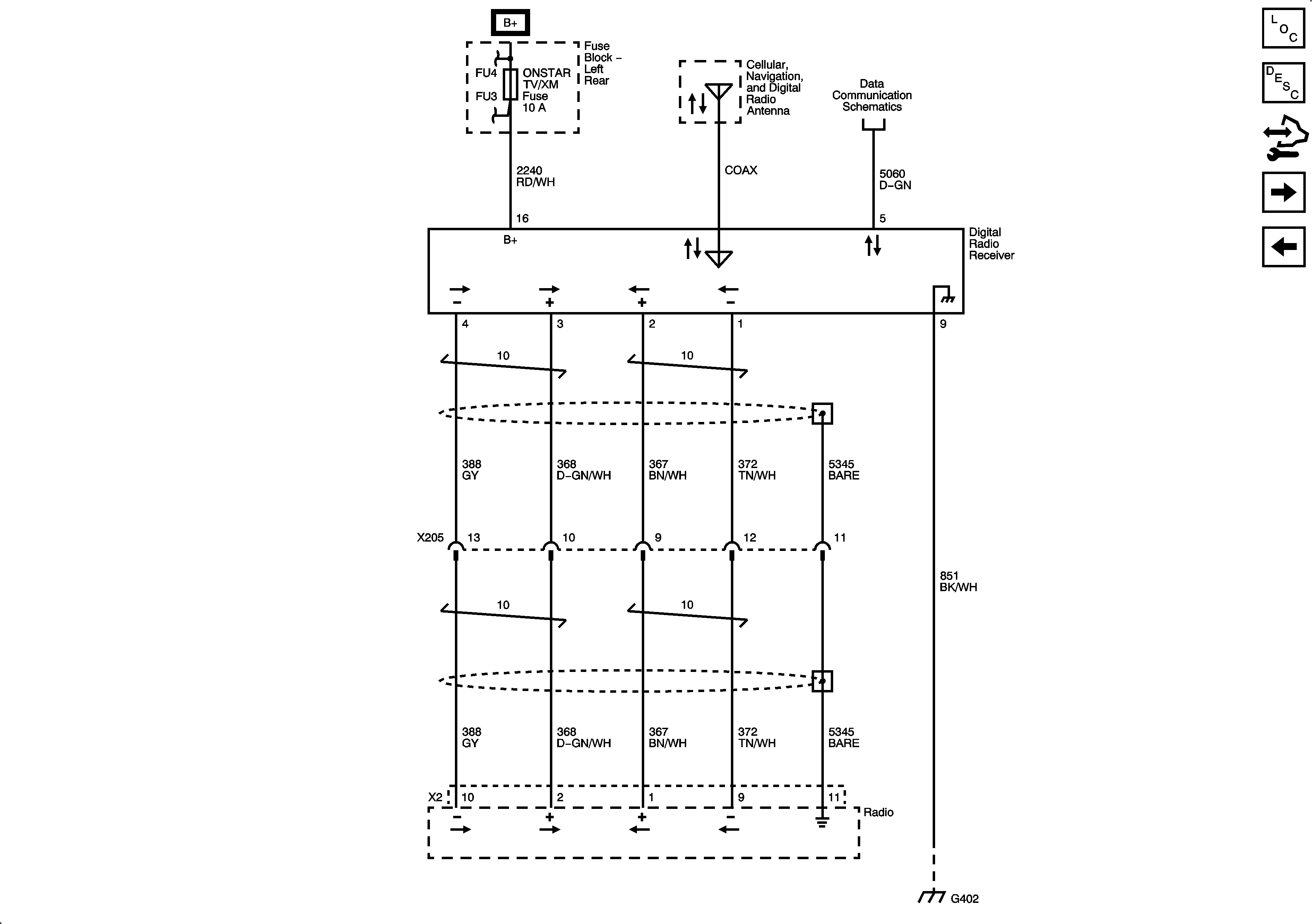
| Figure 12: |
Digital Radio Receiver (U2K)
|
| Figure 13: |
Navigation Controls (U2V/U2X/U2Y)
|
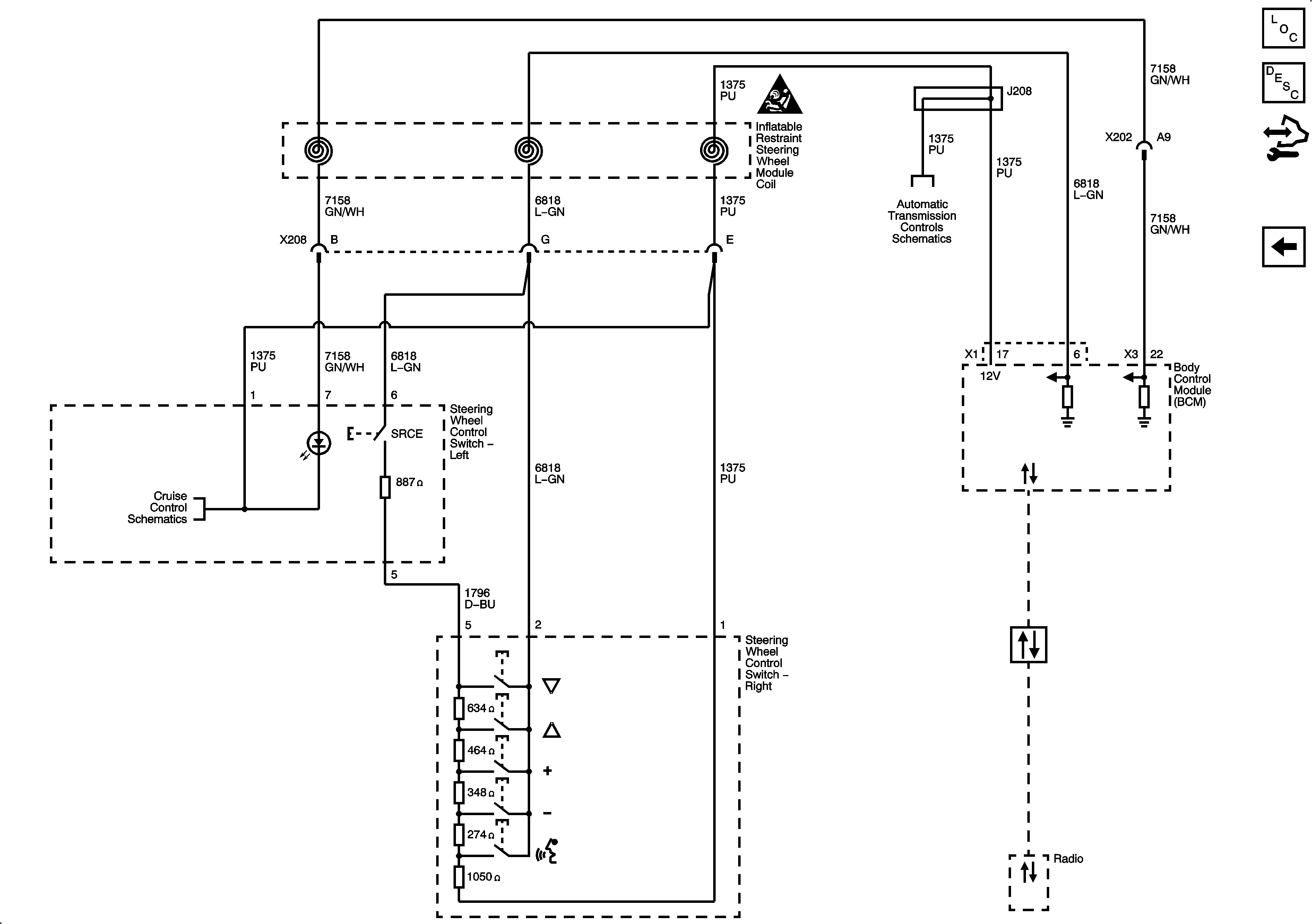
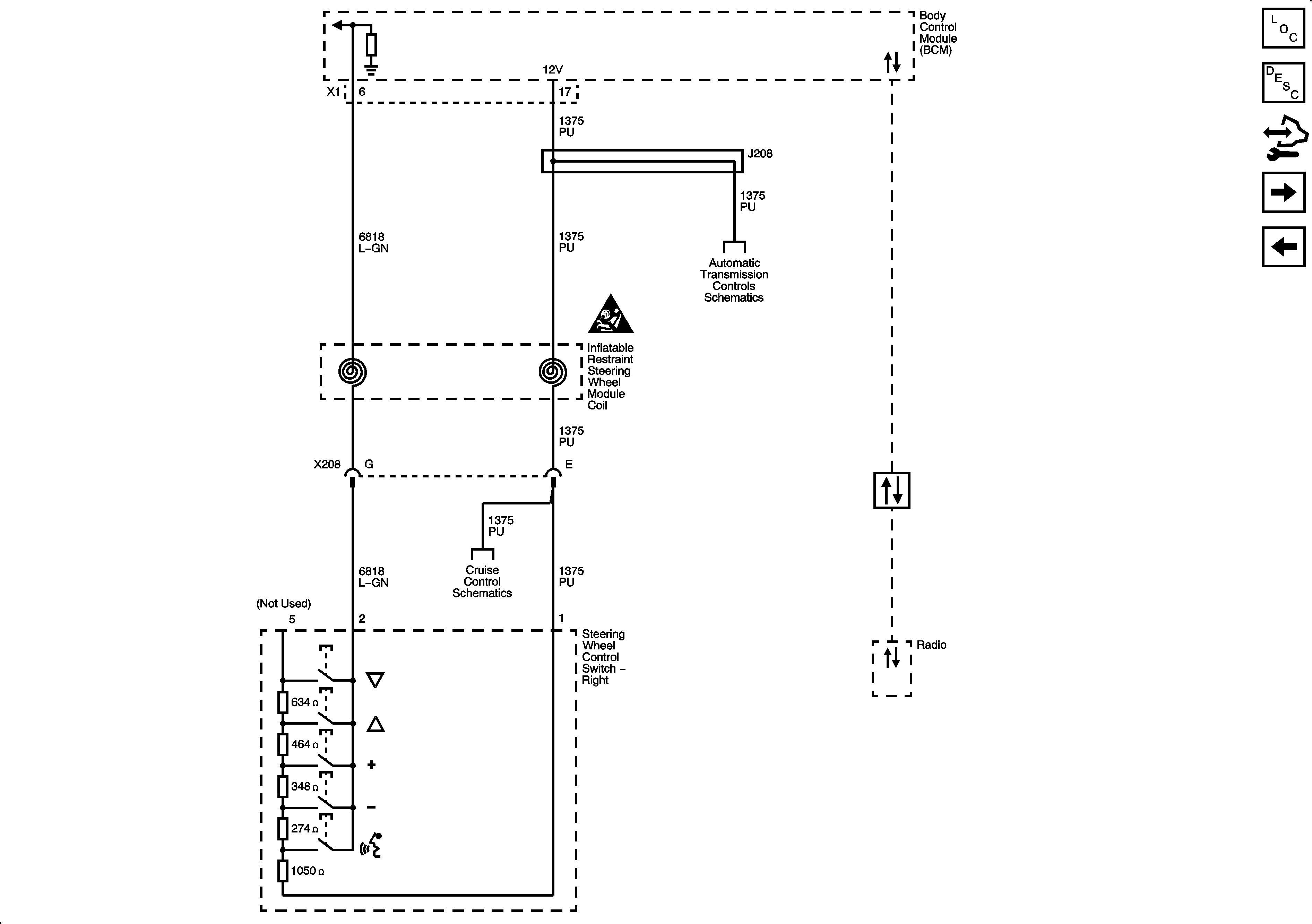
| Figure 14: |
Steering Wheel Controls (N31)
|
| Figure 15: |
Steering Wheel Controls (without N31)
|