GM Service Manual Online
For 1990-2009 cars only
Makes
🢒
Cadillac
🢒
2008
🢒
SRX
🢒
Driver Information and Entertainment
🢒
Cellular, Entertainment, and Navigation
🢒 Video System Schematics
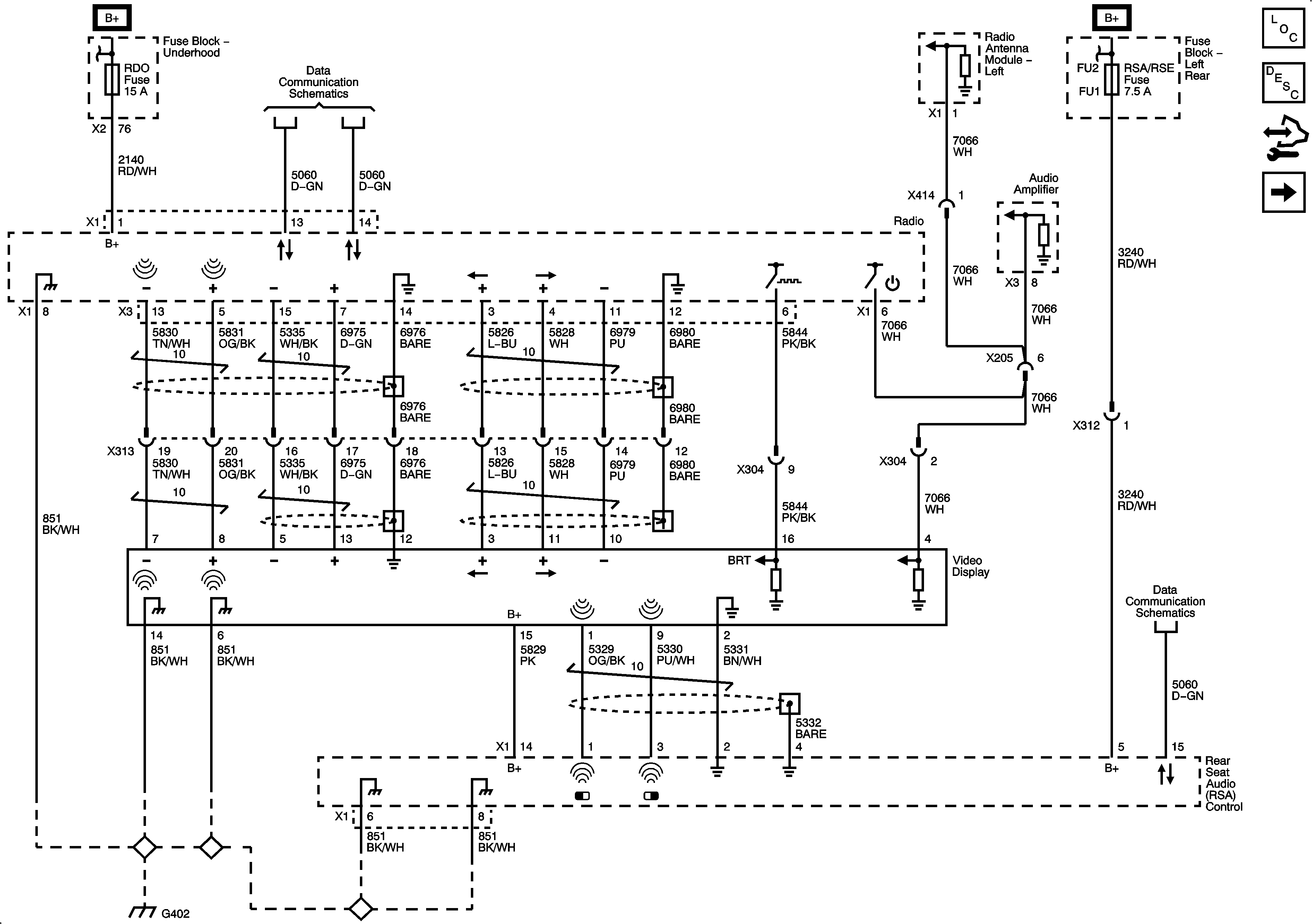
Figure
1:
Rear Video Display (U42)
Master Electrical Component List
Video Entertainment System Description and Operation
Control Module References
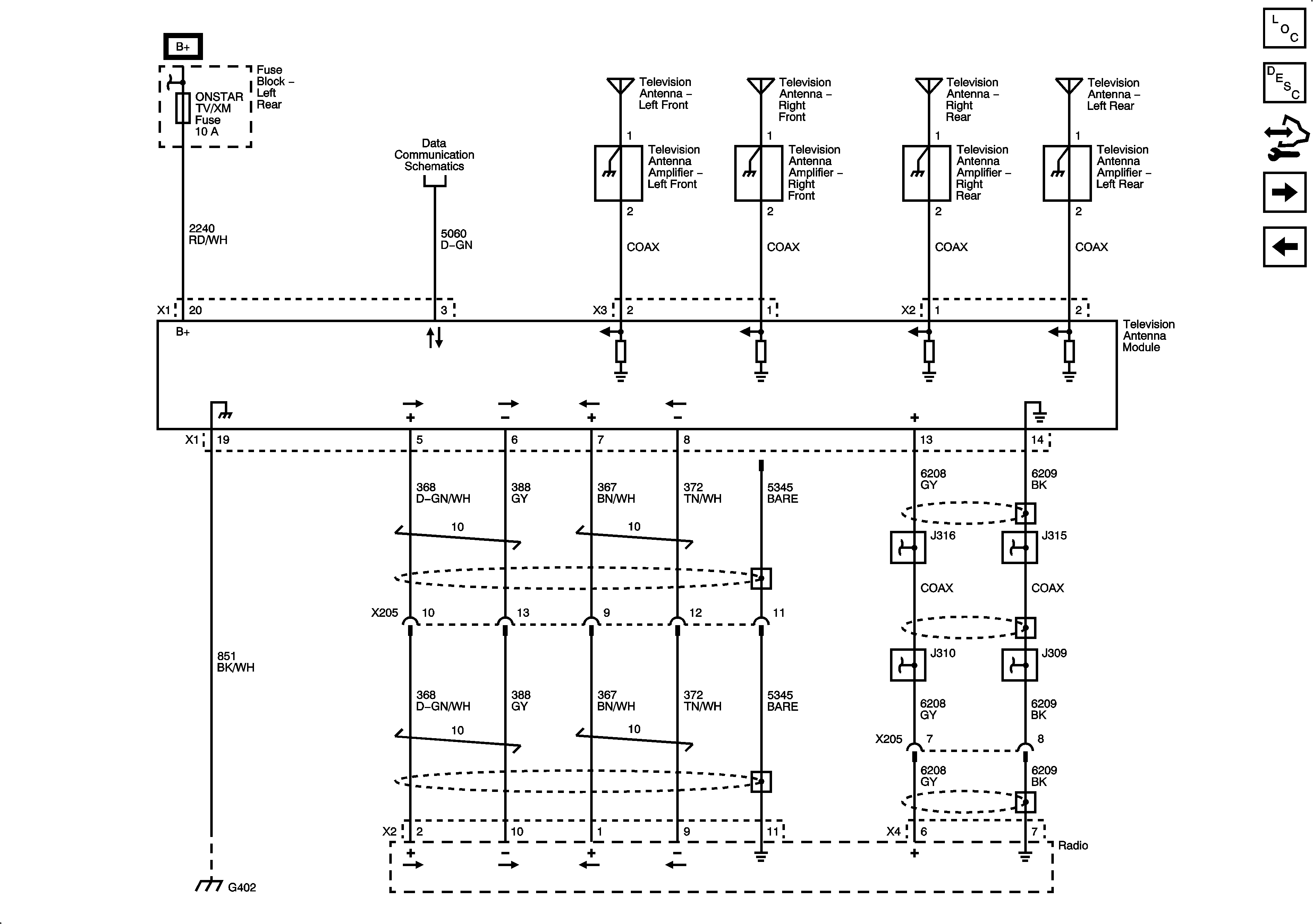
TV Tuner (EXP)
Figure
2:
TV Tuner (EXP)
Master Electrical Component List
Control Module References
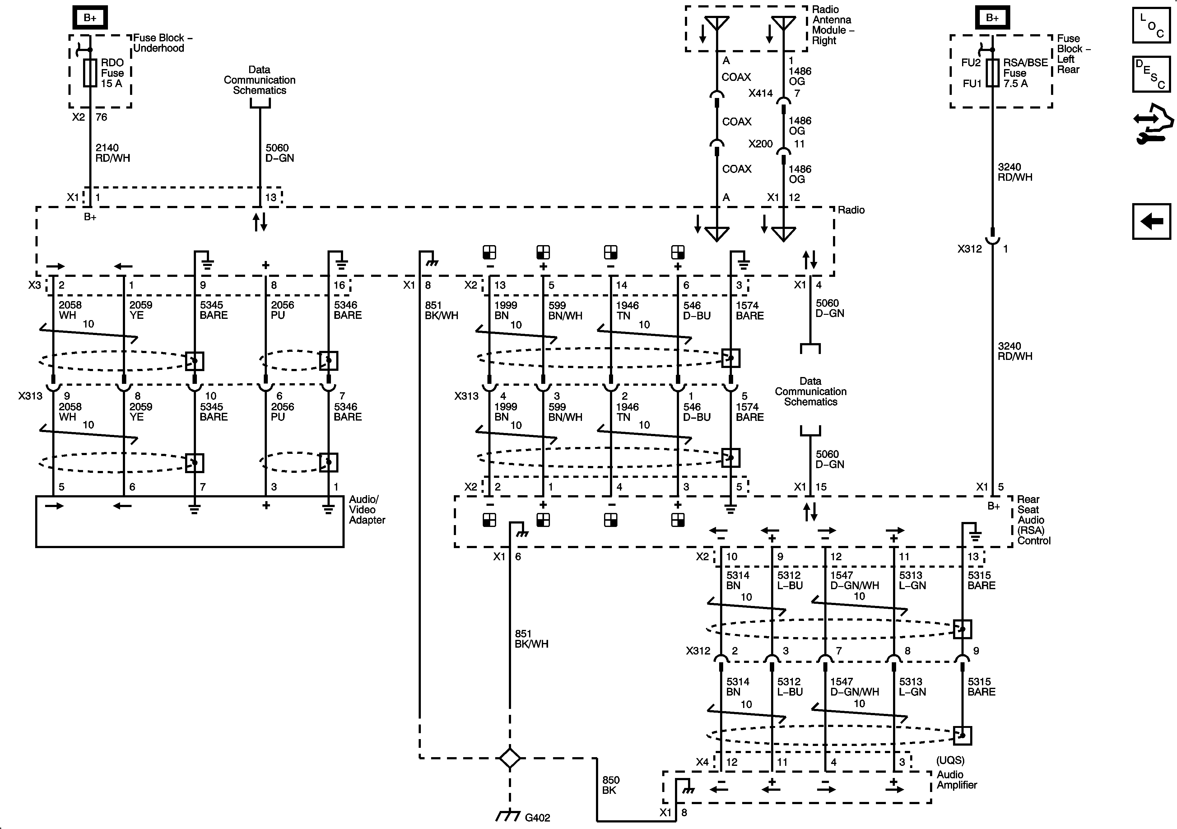
Rear Seat Audio and Audio/Video Jacks
Rear Video Display (U42)
Figure
3:
Rear Seat Audio and Audio/Video Jacks
Master Electrical Component List
Video Entertainment System Description and Operation
Control Module References
TV Tuner (EXP)