GM Service Manual Online
For 1990-2009 cars only
Makes
🢒
Cadillac
🢒
2008
🢒
SRX
🢒
Power and Signal Distribution
🢒
Wiring Systems and Power Management
🢒 Power Moding Schematics
Figure
1:
Ignition Power Modes - RUN
Master Electrical Component List
Power Mode Description and Operation
Control Module References
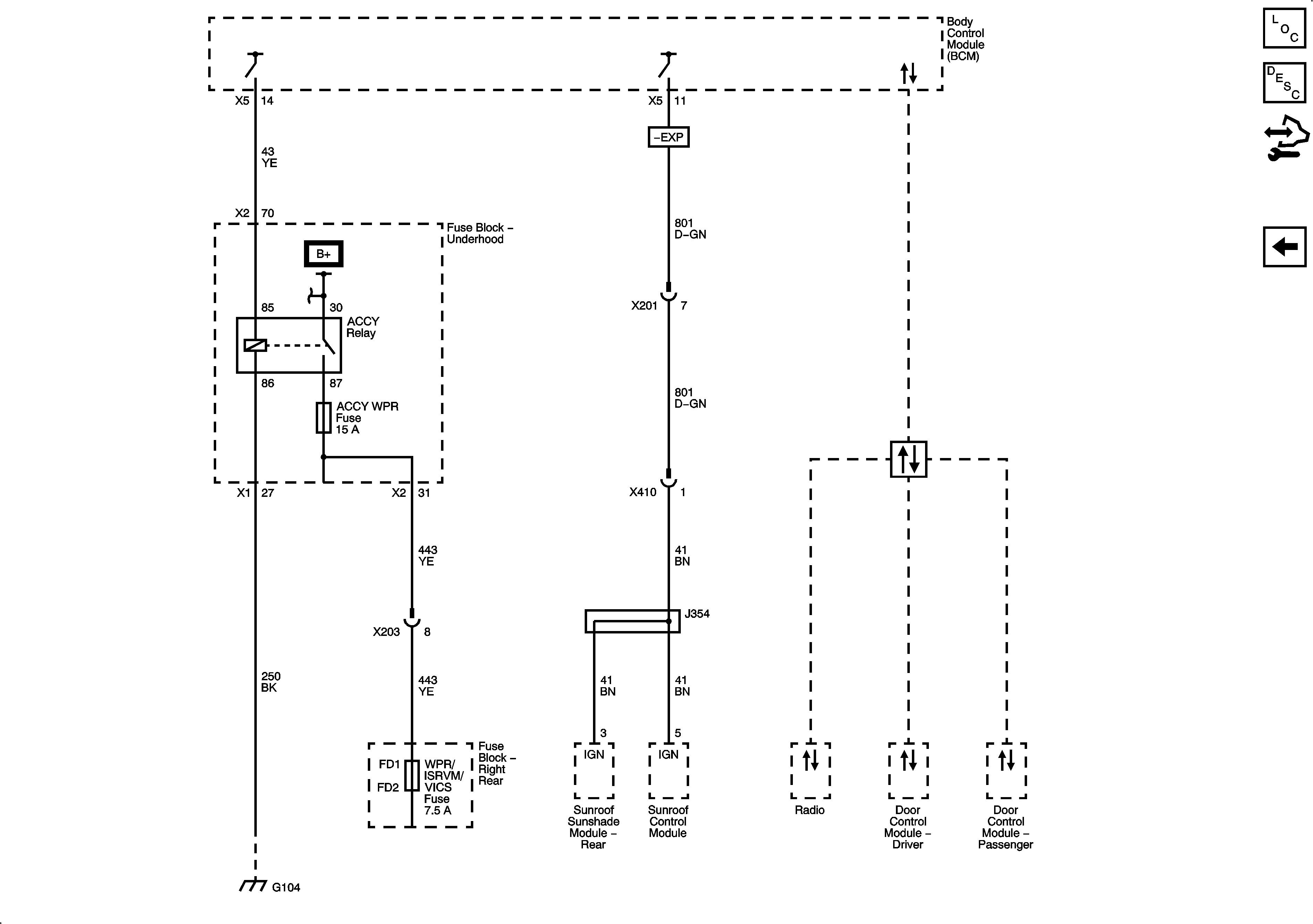
Power Modes - ACCY and RAP
Figure
2:
Power Modes - ACCY and RAP
Master Electrical Component List
Retained Accessory Power (RAP) Description and Operation
Control Module References
Ignition Power Modes - RUN