GM Service Manual Online
For 1990-2009 cars only
Makes
🢒
Cadillac
🢒
2008
🢒
SRX
🢒
Power and Signal Distribution
🢒
Wiring Systems and Power Management
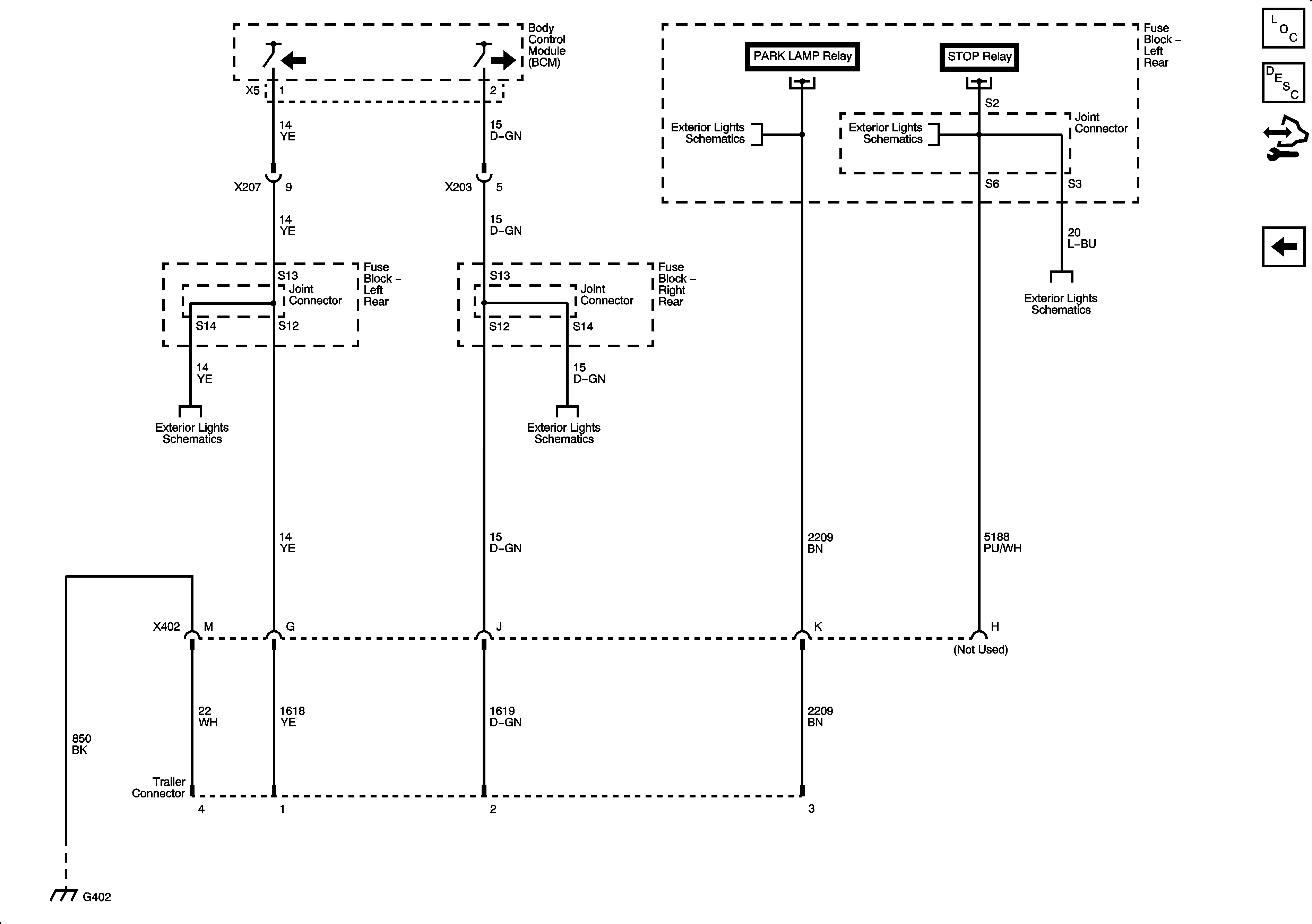
🢒 Trailer Connector/Provision Schematics
Figure
1:
Trailer Provisions (without EXP)
Master Electrical Component List
Control Module References
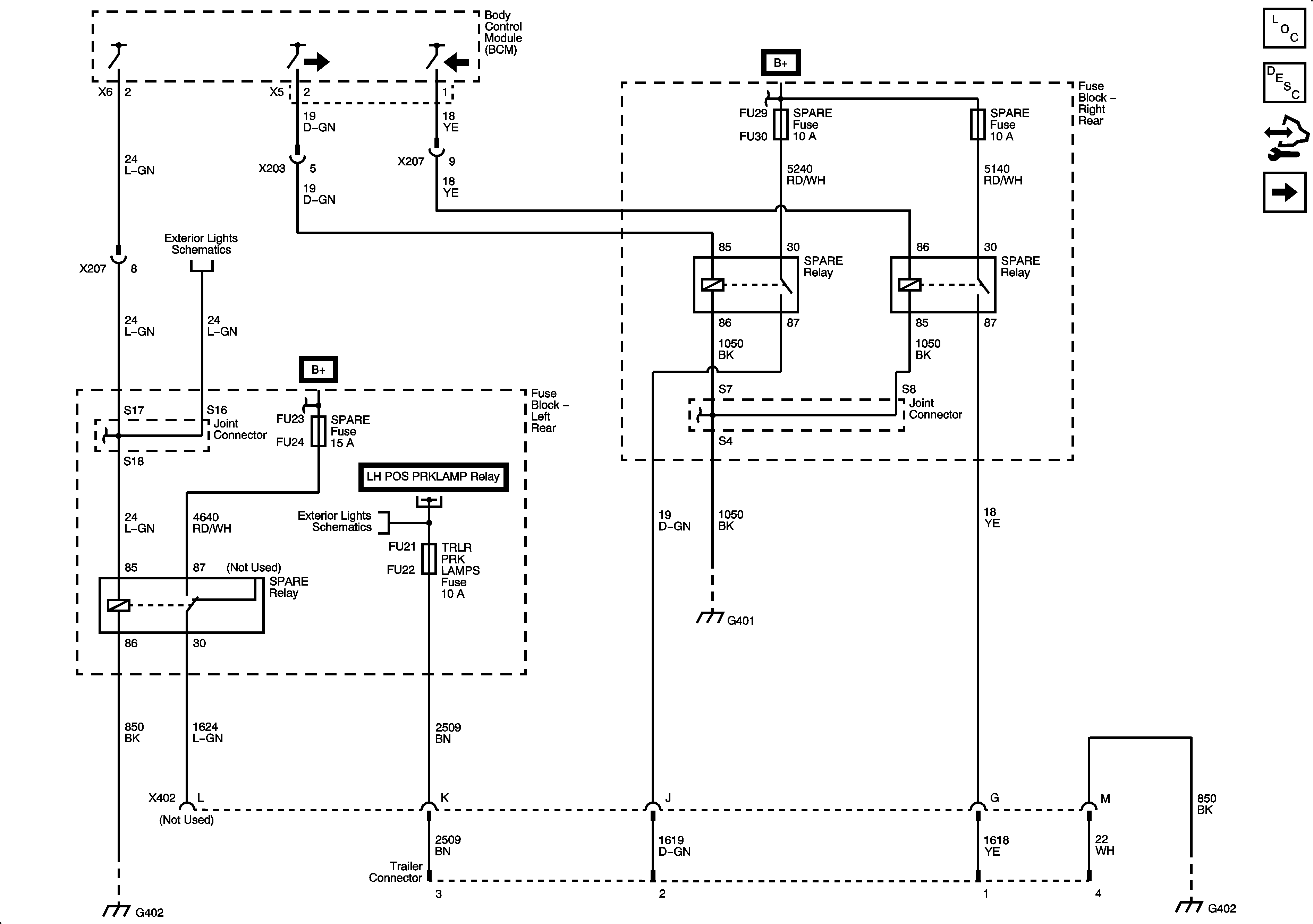
Trailer Provisions (EXP)
Figure
2:
Trailer Provisions (EXP)
Master Electrical Component List
Control Module References
Trailer Provisions (without EXP)