GM Service Manual Online
For 1990-2009 cars only
Figure 1:

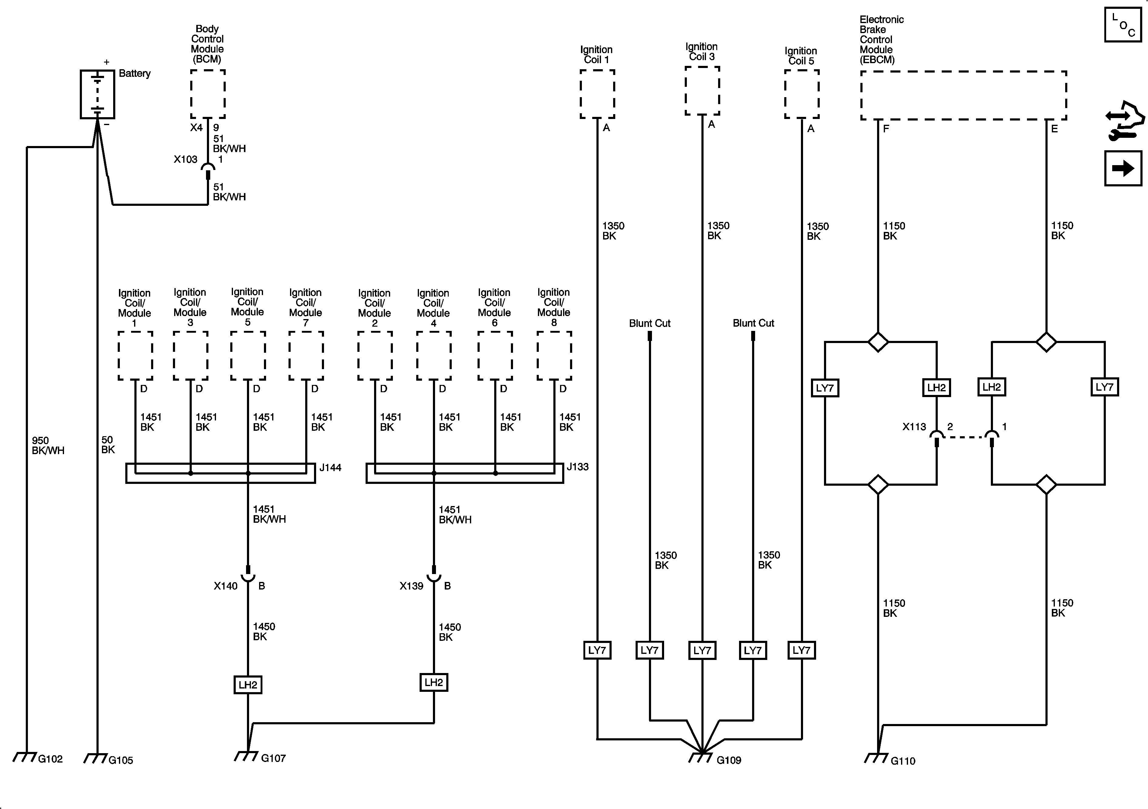
G102, G105, G107, G108, G109 and G110


Object Number: 1875287  Size: FS
Master Electrical Component List
Control Module References
G106, G111, G306
Figure 2:

G106, G111, G306


Object Number: 1875289  Size: FS
Master Electrical Component List
Control Module References
G100 LH2
G102, G105, G107, G108, G109, G110
Figure 3:

G100 LH2


Object Number: 1875293  Size: FS
Master Electrical Component List
Control Module References
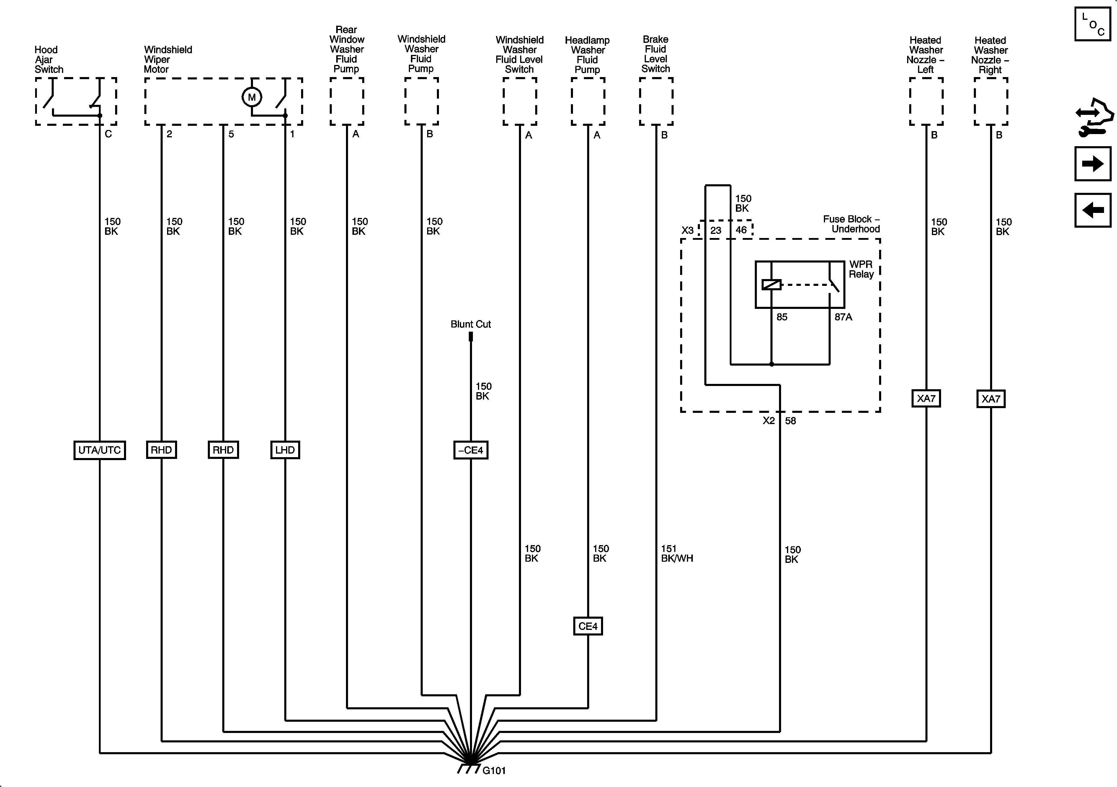
G101
G106, G111, G306
Figure 4:

G101


Object Number: 1875296  Size: FS
Master Electrical Component List
Control Module References
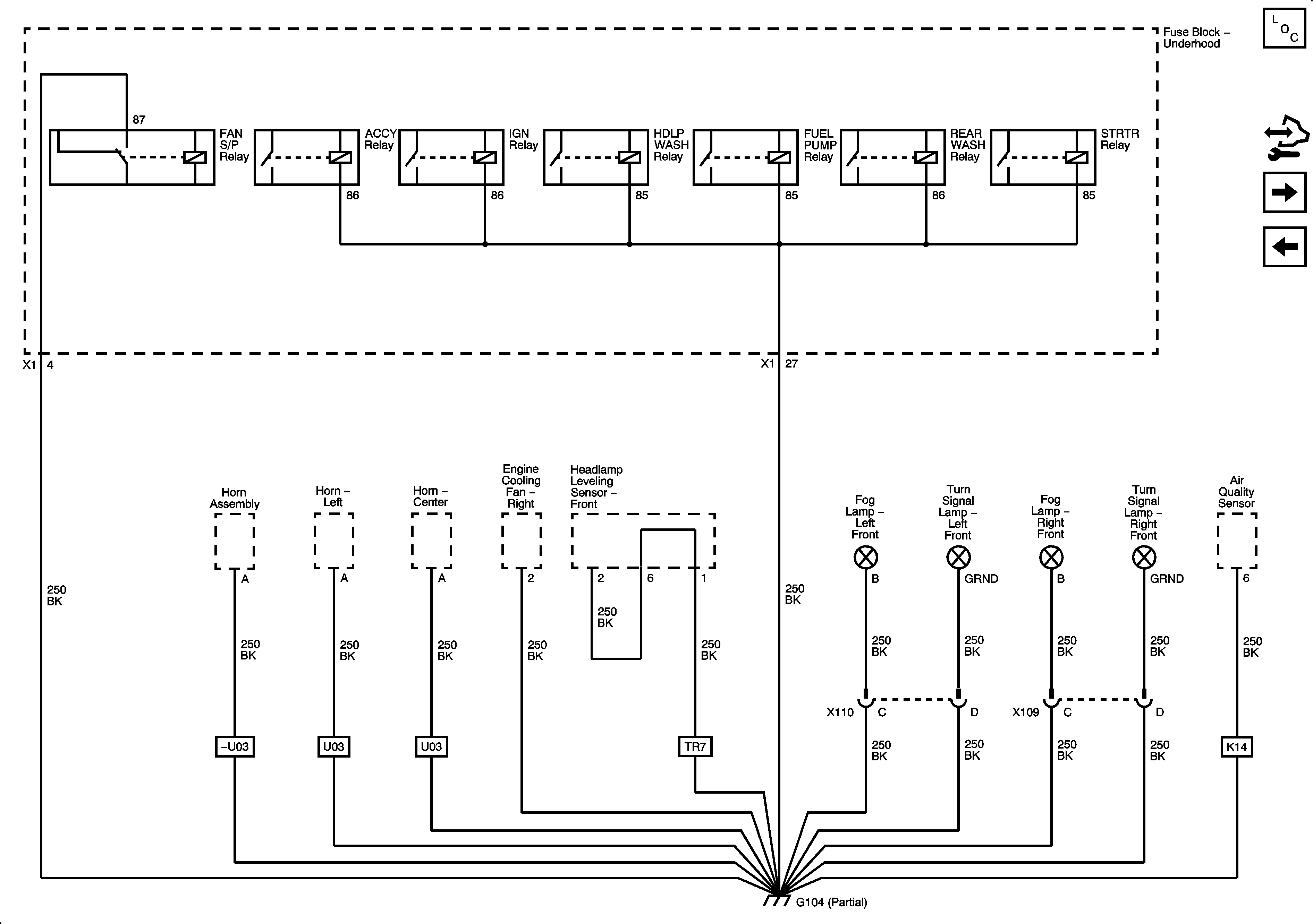
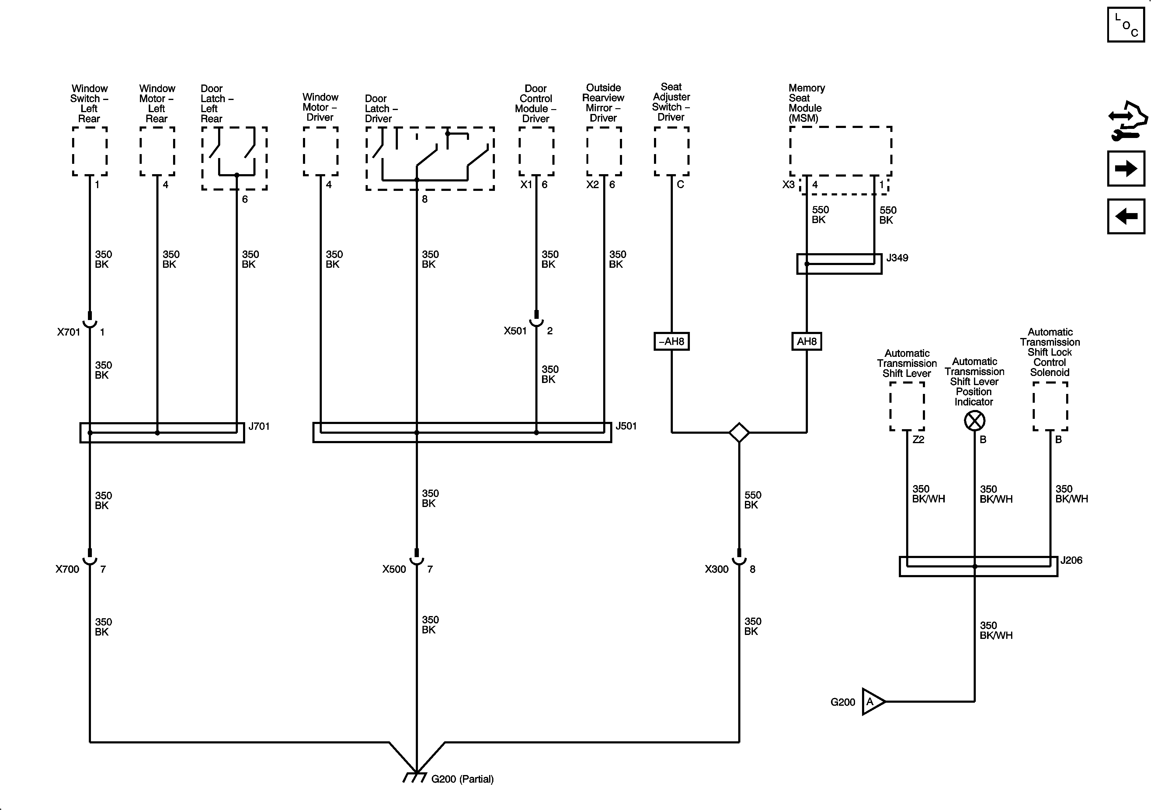
G104 1 of 2
G100 LH2
Figure 5:

G104 1 of 2


Object Number: 1875298  Size: FS
Master Electrical Component List
Control Module References
G104 2 of 2
G101
Figure 6:

G104 2 of 2


Object Number: 1875301  Size: FS
Master Electrical Component List
Control Module References
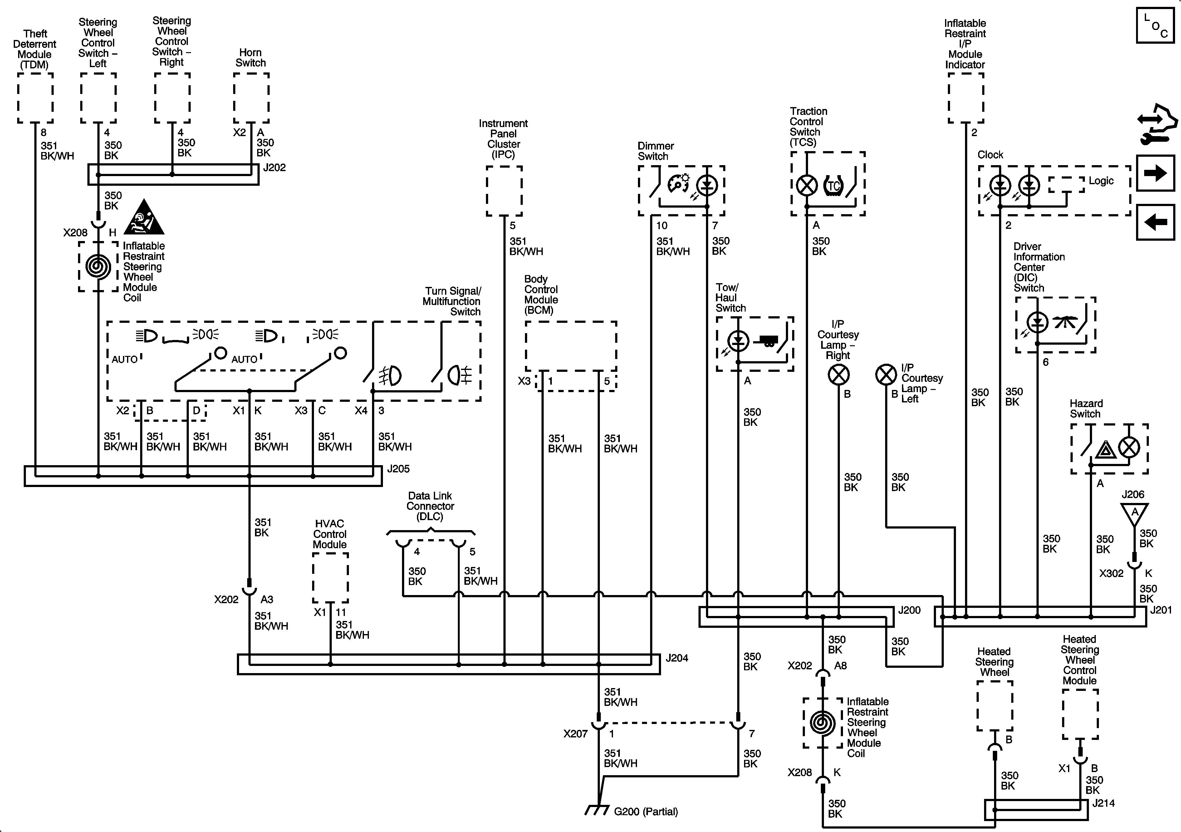
G200 1 of 2 LHD
G104 1 of 2
Figure 7:

G200 1 of 2 LHD


Object Number: 1875304  Size: FS
Master Electrical Component List
Control Module References
G200 2 of 2 LHD
G104 2 of 2
Figure 8:

G200 2 of 2 LHD


Object Number: 1875307  Size: FS
Master Electrical Component List
Control Module References
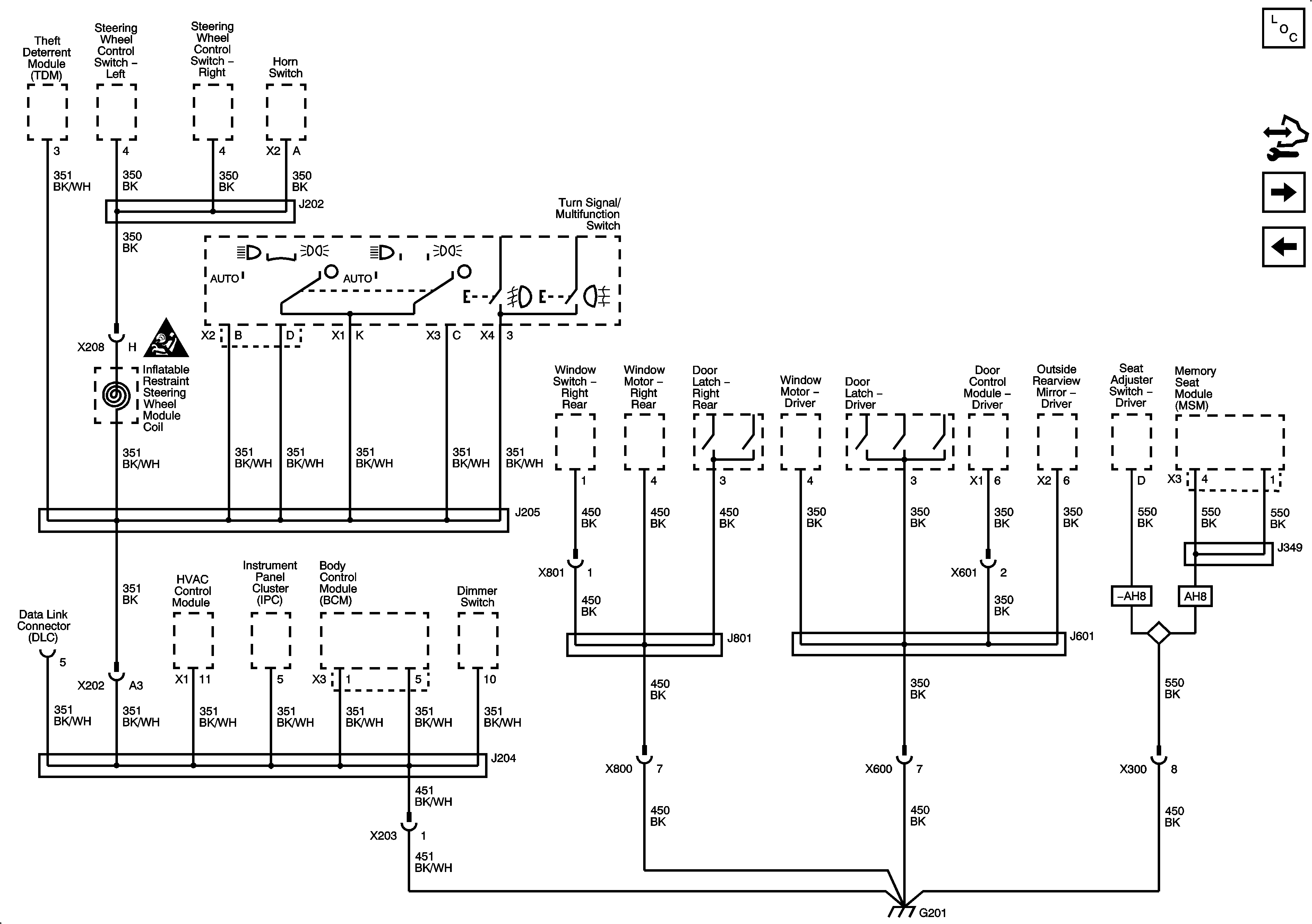
G201 LHD
G200 1 of 2 LHD
Figure 9:

G201 LHD


Object Number: 1875309  Size: FS
Master Electrical Component List
Control Module References
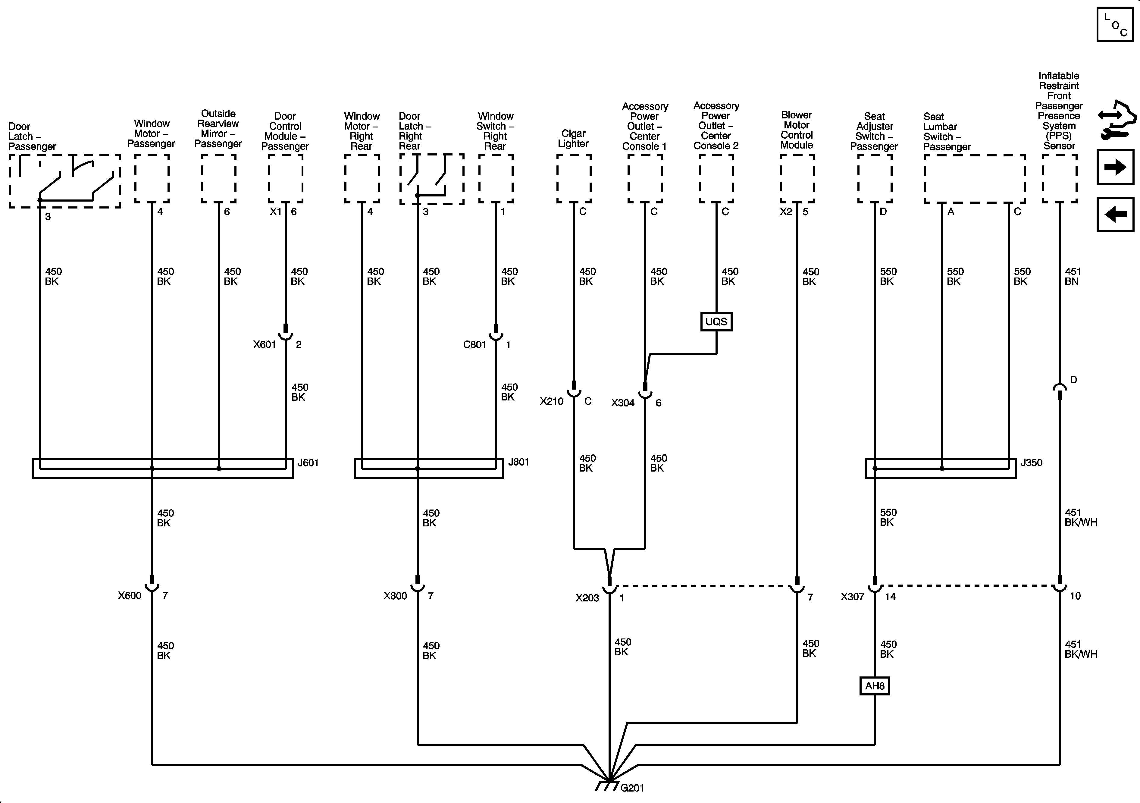
G200 1 of 2 RHD
G200 2 of 2 LHD
Figure 10:

G200 1 of 2 RHD


Object Number: 1875314  Size: FS
Master Electrical Component List
Control Module References
G200 2 of 2 RHD
G201 LHD
Figure 11:

G200 2 of 2 RHD


Object Number: 1875321  Size: FS
Master Electrical Component List
Control Module References
G201 RHD
G200 1 of 2 RHD
Figure 12:

G201 RHD


Object Number: 1875324  Size: FS
Master Electrical Component List
Control Module References
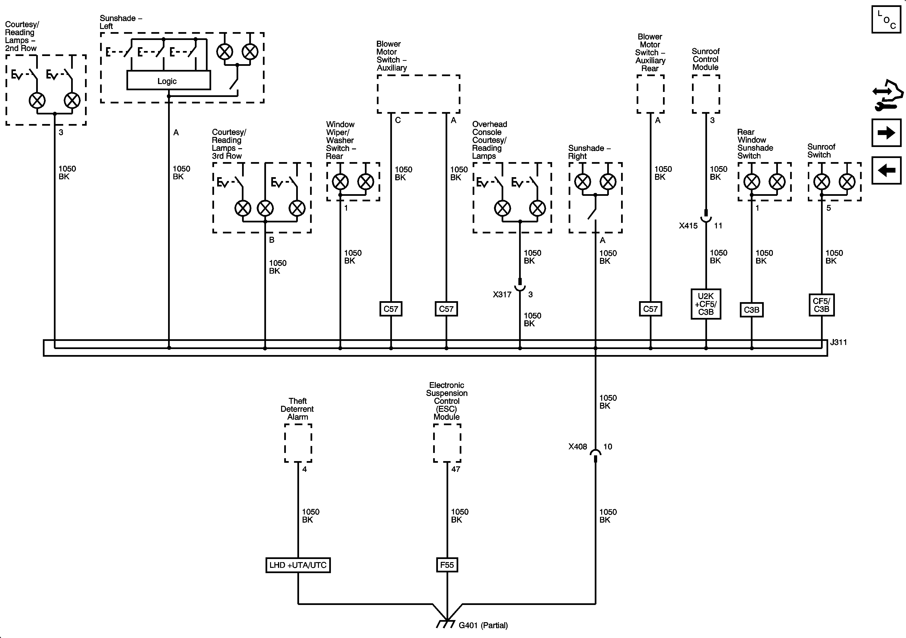
G401 1 of 3
G200 2 of 2 RHD
Figure 13:

G401 1 of 3


Object Number: 1875328  Size: FS
Master Electrical Component List
Control Module References
G401 2 of 3
G201 RHD
Figure 14:

G401 2 of 3


Object Number: 1875332  Size: FS
Master Electrical Component List
Control Module References
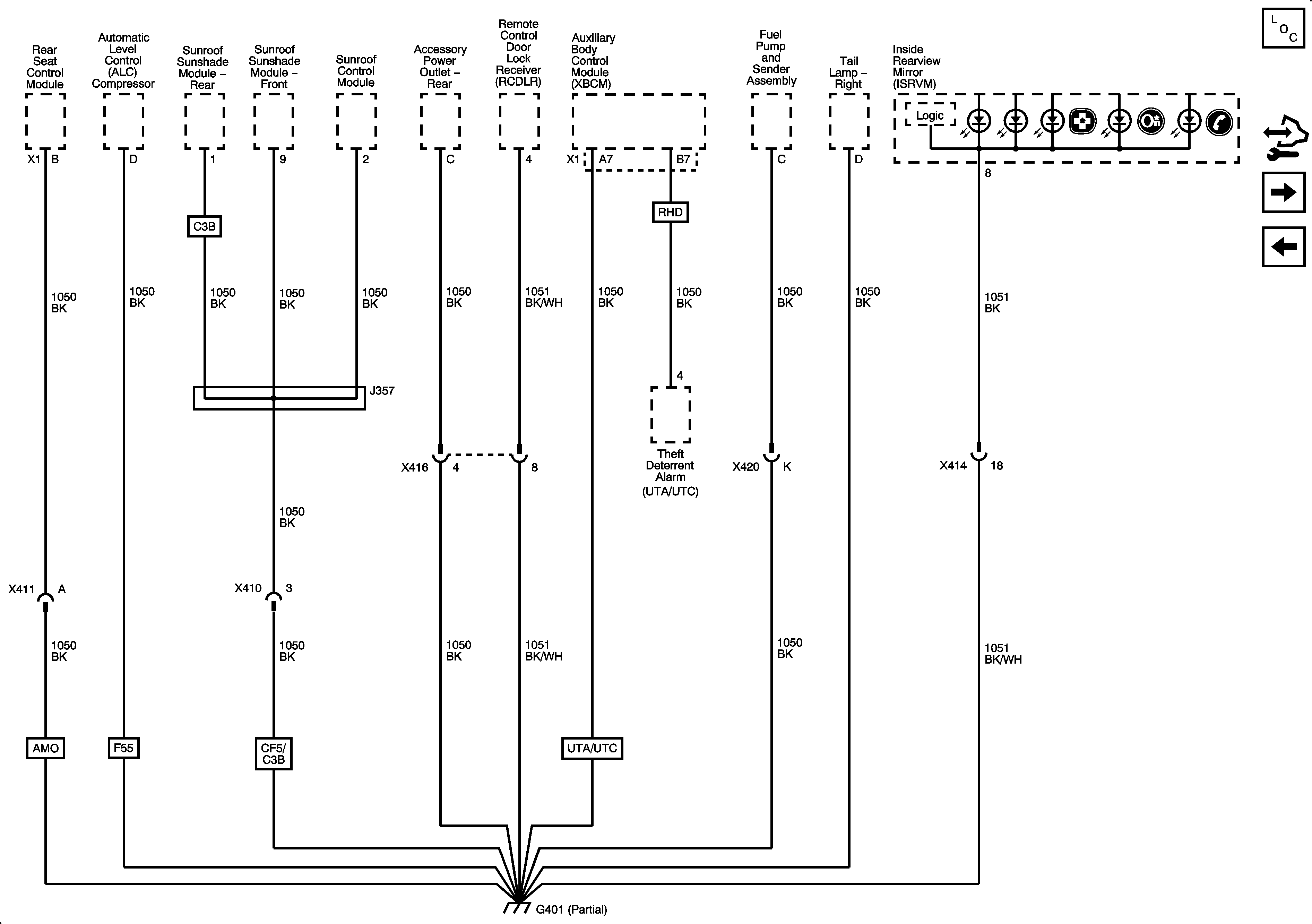
G401 3 of 3
G401 1 of 3
Figure 15:

G401 3 of 3


Object Number: 1875334  Size: FS
Master Electrical Component List
Control Module References
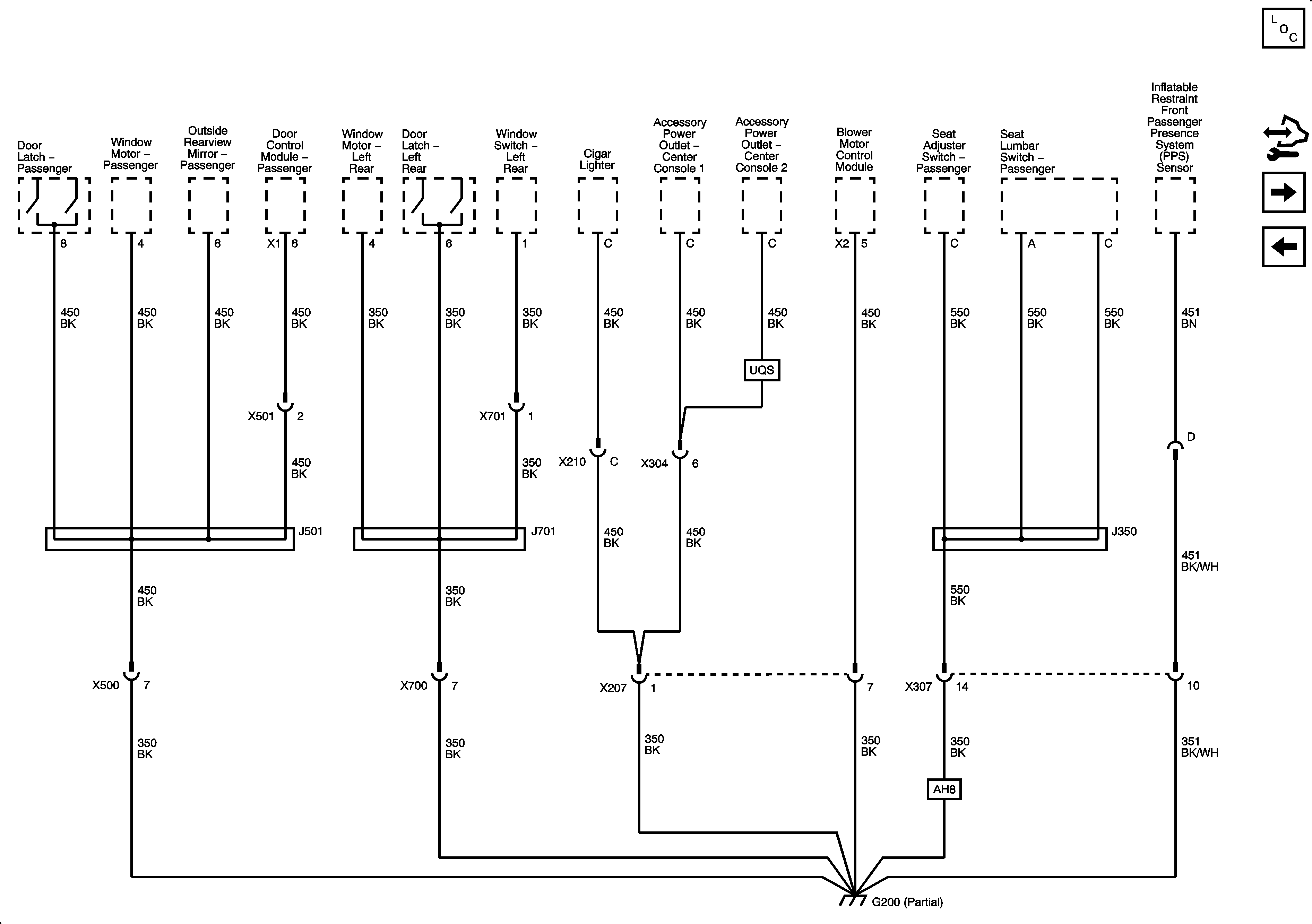
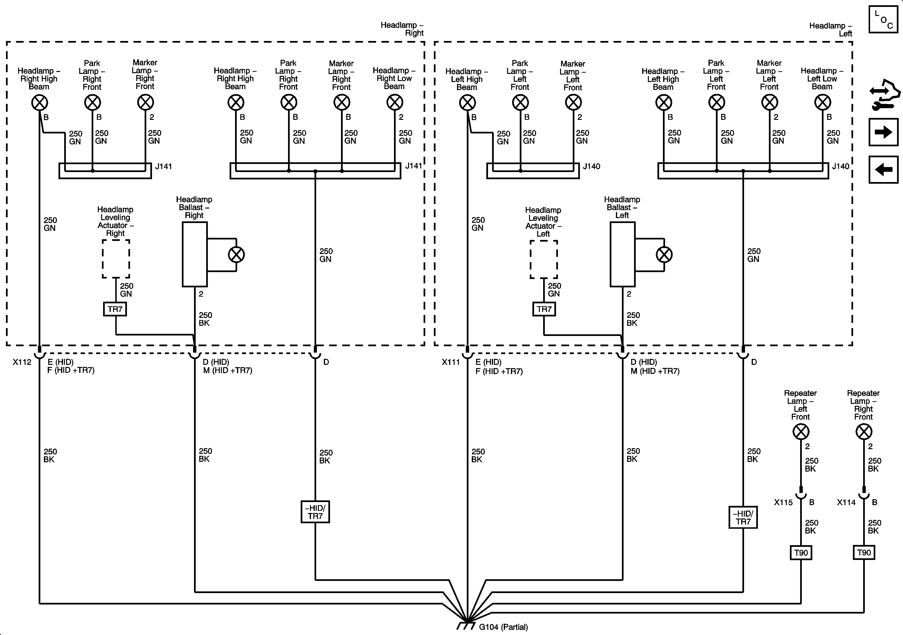
G402 1 of 2
G401 2 of 3
Figure 16:

G402 1 of 2


Object Number: 1875338  Size: FS
Master Electrical Component List
Control Module References
G402 2 of 2
G401 3 of 3
Figure 17:

G402 2 of 2


Object Number: 1875340  Size: FS
Master Electrical Component List
Control Module References
G402 1 of 2