GM Service Manual Online
For 1990-2009 cars only

Harness Routing Views LHD

Figure 1:

Forward Lamp Harness


Object Number: 1827830  Size: LF
(1)J104 (TR7)
(2)X112
(3)X114 (T90)
(4)X109
(5)J105 (K14)
(6)Fuse Block - Underhood Bracket
(7)X116
(8)G104
(9)G110 (LH2)
(10)X113 (LH2)
(11)X110
(12)X115 (T90)
(13)X111
Figure 2:

Front Engine Compartment (LH2)


Object Number: 1827828  Size: LF
(1)J118
(2)X140
(3)J122
(4)J123
(5)X139
(6)J115
(7)J114
(8)J101
(9)X113
(10)J100
(11)X105 (F55)
(12)X101
Figure 3:

Rear of Engine Compartment (LH2)


Object Number: 1827826  Size: LF
(1)X104
(2)Fuse Block - Underhood X3
(3)G100
(4)G107
(5)X175
(6)X107
(7)Heated Oxygen Sensor (HO2S) - Bank 1 Sensor 1
(8)X102
Figure 4:

Front of Engine Compartment (LY7)


Object Number: 1827812  Size: LF
(1)X108
(2)J108
(3)J109
(4)G110
(5)X105 (F55)
(6)X101
Figure 5:

Right Side of the Engine (LY7)


Object Number: 1911168  Size: LF
(1)G109
(2)G106
(3)J101
(4)J100
(5)J118
(6)J111
(7)J112
Figure 6:

Left Side of the Engine (LY7)


Object Number: 1911162  Size: LF
(1)J102
(2)J112
(3)X102
(4)G111
Figure 7:

Lower Rear of the Engine (LY7 with M82)


Object Number: 1911186  Size: LF
(1)Engine (LY7)
(2)X175
(3)Automatic Transmission
Figure 8:

Lower Rear of the Engine (LH2 with MYB)


Object Number: 1911240  Size: LF
(1)Automatic Transmission
(2)Engine (LH2)
(3)X175
Figure 9:

Instrument Panel Harness Routing - Front Engine Compartment


Object Number: 1827853  Size: LF
(1)X116
(2)X118
(3)X117
(4)Fuse Block - Underhood X2
(5)X103
(6)X102
(7)G101
(8)Front Fascia
Figure 10:

Instrument Panel


Object Number: 1911261  Size: LF
(1)X207
(2)X206
(3)X202
(4)X304
(5)X313
(6)X201
(7)X203
(8)X210
(9)X302
(10)X200
(11)X205
(12)JX200
Figure 11:

Floor Console


Object Number: 1911269  Size: LF
(1)X313
(2)X312
(3)X304
Figure 12:

Top Center of Instrument Panel


Object Number: 1911272  Size: LF
(1)X204
(2)X321
Figure 13:

Instrument Panel Harness Splices


Object Number: 1911274  Size: LF
(1)J204
(2)J210
(3)J211
(4)J200
(5)J201
Figure 14:

Body Harness Routing - Engine Compartment


Object Number: 1827890  Size: LF
(1)X118
(2)X105 (F55)
(3)X101
(4)X117
Figure 15:

Body Harness - Left Front Passenger Compartment


Object Number: 1911324  Size: LF
(1)X700
(2)G200
(3)X500
(4)X209
(5)X206
(6)X207
(7)X301
(8)X300
(9)JX300
Figure 16:

Body Harness - Right Front Passenger Compartment


Object Number: 1911330  Size: LF
(1)X600
(2)X201
(3)X203
(4)X215
(5)G201
(6)X307
(7)X800
(8)G306
(9)X306
(10)X312
(11)X200
(12)X205
Figure 17:

Body Harness - Left Rear Cargo Area


Object Number: 1911343  Size: LF
(1)X403
(2)X404
(3)G402
Figure 18:

Body Harness - Right Rear Cargo Area


Object Number: 1911347  Size: LF
(1)X408
(2)X401
(3)X410 (CF5)
(4)G401
(5)Data Link Resistor
(6)X411 (AM0)
(7)JX304
(8)X414
(9)X416
Figure 19:

Body Harness - Rear Underbody


Object Number: 1911351  Size: LF
(1)X402
(2)X420
Figure 20:

Body Harness Splices


Object Number: 1911353  Size: LF
(1)J402
(2)J401
(3)J404
(4)J410
(5)J403
(6)J303
(7)J305
(8)J304 (AH8)
(9)J406 (C57)
Figure 21:

Steering Column


Object Number: 1911300  Size: LF
(1)X208
(2)X202
Figure 22:

Floor Console Harness Routing


Object Number: 1828132  Size: LF
(1)X313
(2)X312
(3)X304
(4)Accessory Power Outlet - Center Console 1 and 2
(5)Video Display Connector (U42)
(6)Rear Seat Audio Module Connectors (U42)
Figure 23:

Headliner (CF5/CB3/Standard)


Object Number: 1911319  Size: LF
(1)X317
(2)X410 (CF5/C3B)
(3)X415 (CF5/C3B)
(4)X408
(5)X414
(6)Frame - Right Side
Figure 24:

Headliner Splices


Object Number: 1911322  Size: LF
(1)J312
(2)J314
(3)J311
(4)J319 (CF5/C3B)
(5)J400 (C57)
(6)J408 (C57)
(7)J407 (C57)
Figure 25:

Driver Door


Object Number: 1911316  Size: LF
(1)J501
(2)X500
(3)X501
(4)X502
Figure 26:

Front Passenger Door


Object Number: 1911313  Size: LF
(1)X602
(2)X601
(3)J601
(4)X600
Figure 27:

Left Rear Passenger Door


Object Number: 1911310  Size: LF
(1)J701
(2)X700
(3)X701
Figure 28:

Right Rear Passenger Door


Object Number: 1911303  Size: LF
(1)X801
(2)X800
(3)J800
Figure 29:

Liftgate/License Lamp Harness


Object Number: 1911360  Size: LF
(1)X401
(2)X403
(3)X404
(4)J902
(5)J903
(6)J909
(7)X901
(8)J904
(9)J901
Figure 30:

Rear Fascia


Object Number: 1911362  Size: LF
(1)J414
(2)J413
(3)X402

Harness Routing Views RHD

Figure 1:

Forward Lamp Harness


Object Number: 1827830  Size: LF
(1)J104 (TR7)
(2)X112
(3)X114 (T90)
(4)X109
(5)J105 (K14)
(6)Fuse Block - Underhood Bracket
(7)X116
(8)G104
(9)G110 (LH2)
(10)X113 (LH2)
(11)X110
(12)X115 (T90)
(13)X111
Figure 2:

Front Engine Compartment (LH2)


Object Number: 1827828  Size: LF
(1)J118
(2)X140
(3)J122
(4)J123
(5)X139
(6)J115
(7)J114
(8)J101
(9)X113
(10)J100
(11)X105 (F55)
(12)X101
Figure 3:

Rear of Engine Compartment (LH2)


Object Number: 1827826  Size: LF
(1)X104
(2)Fuse Block - Underhood X3
(3)G100
(4)G107
(5)X175
(6)X107
(7)Heated Oxygen Sensor (HO2S) - Bank 1 Sensor 1
(8)X102
Figure 4:

Front of Engine Compartment (LY7)


Object Number: 1842113  Size: LF
(1)Engine (LY7)
(2)G110
(3)X105 (F55)
(4)X101
(5)X108
Figure 5:

Right Side of the Engine (LY7)


Object Number: 1911168  Size: LF
(1)G109
(2)G106
(3)J101
(4)J100
(5)J118
(6)J111
(7)J112
Figure 6:

Left Side of the Engine (LY7)


Object Number: 1911162  Size: LF
(1)J102
(2)J112
(3)X102
(4)G111
Figure 7:

Lower Rear of the Engine (LY7 with M82)


Object Number: 1911186  Size: LF
(1)Engine (LY7)
(2)X175
(3)Automatic Transmission
Figure 8:

Lower Rear of the Engine (LH2 with MYB)


Object Number: 1911240  Size: LF
(1)Automatic Transmission
(2)Engine (LH2)
(3)X175
Figure 9:

I/P Harness Routing - Front Engine Compartment


Object Number: 1843511  Size: LF
(1)X102
(2)Battery
(3)Battery Current Sensor
(4)X103
(5)G101
(6)X116
(7)X118
(8)X117
(9)Fuse Block - Underhood X2
Figure 10:

I/P Harness Routing - Instrument Panel Inlines


Object Number: 1843535  Size: LF
(1)X207
(2)X206
(3)X204
(4)X203
(5)X201
Figure 11:

Instrument Panel Harness Routing - X321


Object Number: 1843549  Size: LF
(1)Steering Column Assembly
(2)X321
(3)HVAC Module
Figure 12:

X321


Object Number: 1856001  Size: LF
(1)HVAC Module
(2)X321
Figure 13:

I/P Harness Routing - X202


Object Number: 1843531  Size: LF
(1)Ignition Switch
(2)X202
Figure 14:

Instrument Panel Harness Splices


Object Number: 1911274  Size: LF
(1)J204
(2)J210
(3)J211
(4)J200
(5)J201
Figure 15:

Body Harness Routing - Front Engine Compartment


Object Number: 1856090  Size: LF
(1)X118
(2)X105 (F55)
(3)X101
(4)X117
(5)Body Harness
Figure 16:

Body Harness Routing - Right Side of Passenger Compartment


Object Number: 1856079  Size: LF
(1)X203
(2)X201
(3)X209
(4)X600
(5)G201
(6)X300
(7)X800
(8)Right C-Pillar
(9)Yaw and Lateral Accelerometer Sensor
(10)G306
(11)Inflatable Restraint Sensing and Diagnostic Module (SDM)
(12)Inflatable Restraint Vehicle Rollover Sensor
(13)X301
Figure 17:

Body Harness Routing - Left Side of Passenger Compartment


Object Number: 1856058  Size: LF
(1)X206
(2)X207
(3)X307
(4)X205
(5)X200
(6)X306
(7)JX300
(8)Left C-Pillar
(9)X700
(10)G200
(11)X500
Figure 18:

Body Harness - Left Rear Cargo Area


Object Number: 1911343  Size: LF
(1)X403
(2)X404
(3)G402
Figure 19:

Body Harness - Right Rear Cargo Area


Object Number: 1911347  Size: LF
(1)X408
(2)X401
(3)X410 (CF5)
(4)G401
(5)Data Link Resistor
(6)X411 (AM0)
(7)JX304
(8)X414
(9)X416
Figure 20:

Body Harness - Rear Underbody


Object Number: 1911351  Size: LF
(1)X402
(2)X420
Figure 21:

Body Harness Routing - Splices


Object Number: 1856270  Size: LF
(1)Fuse Block - Left Rear
(2)J305
(3)J309 (U2X/U2Y)
(4)J410
(5)X205
(6)Inflatable Restraint Sensing and Diagnostic Module (SDM)
(7)Fuse Block - Right Rear
(8)J406
(9)J304 (AH8)
(10)J303
(11)J407 (C57)
(12)J402
(13)J403
(14)J404
(15)J416
(16)J415
Figure 22:

I/P Harness Routing - Floor Console Inlines


Object Number: 1843522  Size: LF
(1)X205
(2)X304
(3)X313
(4)X302
(5)X200
Figure 23:

Floor Console Harness Routing


Object Number: 1855991  Size: LF
(1)X313
(2)X312
(3)X304
(4)Accessory Power Outlet - Center Console 1 and 2
(5)Speaker - Center Console (UQS)
(6)Video Display (U42)
Figure 24:

Headliner (CF5/CB3/Standard)


Object Number: 1911319  Size: LF
(1)X317
(2)X410 (CF5/C3B)
(3)X415 (CF5/C3B)
(4)X408
(5)X414
(6)Frame - Right Side
Figure 25:

Headliner Splices


Object Number: 1911322  Size: LF
(1)J312
(2)J314
(3)J311
(4)J319 (CF5/C3B)
(5)J400 (C57)
(6)J408 (C57)
(7)J407 (C57)
Figure 26:

Driver Door Harness Routing Components


Object Number: 1855212  Size: LF
(1)Window Motor - Driver
(2)Door Latch - Driver
(3)Outside Rearview Mirror - Driver X2
(4)Outside Rearview Mirror - Driver X1
(5)X602
(6)X601
(7)J601
(8)X600
Figure 27:

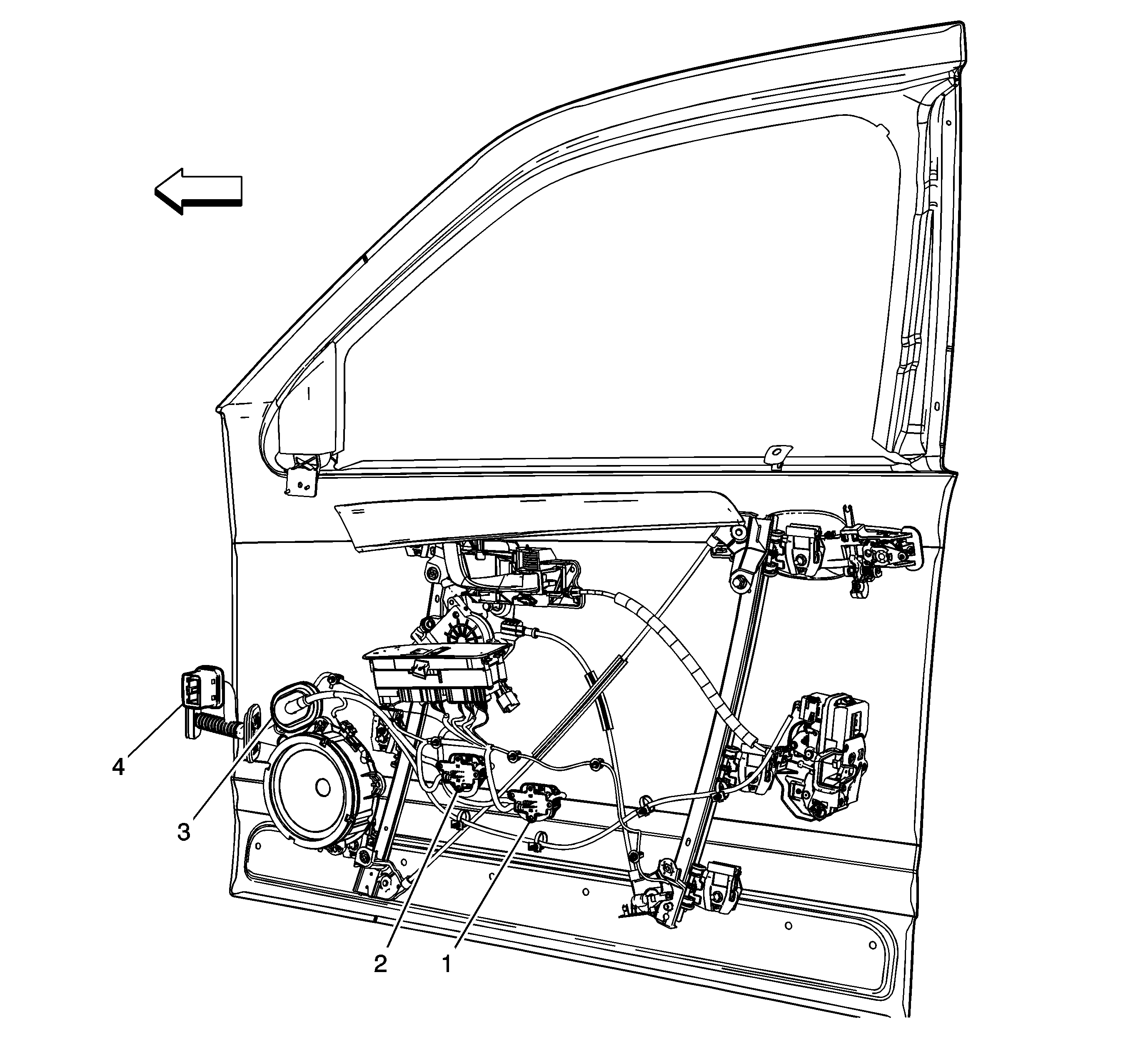
Passenger Door Harness Routing Components


Object Number: 1855204  Size: LF
(1)Outside Rearview Mirror - Passenger
(2)Window Motor - Passenger
(3)J501
(4)X500
(5)X501
(6)X502
(7)Outside Rearview Mirror - Passenger Connector
(8)Door Latch - Passenger
Figure 28:

Left Rear Passenger Door


Object Number: 1911310  Size: LF
(1)J701
(2)X700
(3)X701
Figure 29:

Right Rear Passenger Door


Object Number: 1911303  Size: LF
(1)X801
(2)X800
(3)J800
Figure 30:

Liftgate/License Lamp Harness


Object Number: 1911360  Size: LF
(1)X401
(2)X403
(3)X404
(4)J902
(5)J903
(6)J909
(7)X901
(8)J904
(9)J901
Figure 31:

Rear Fascia


Object Number: 1911362  Size: LF
(1)J414
(2)J413
(3)X402