GM Service Manual Online
For 1990-2009 cars only
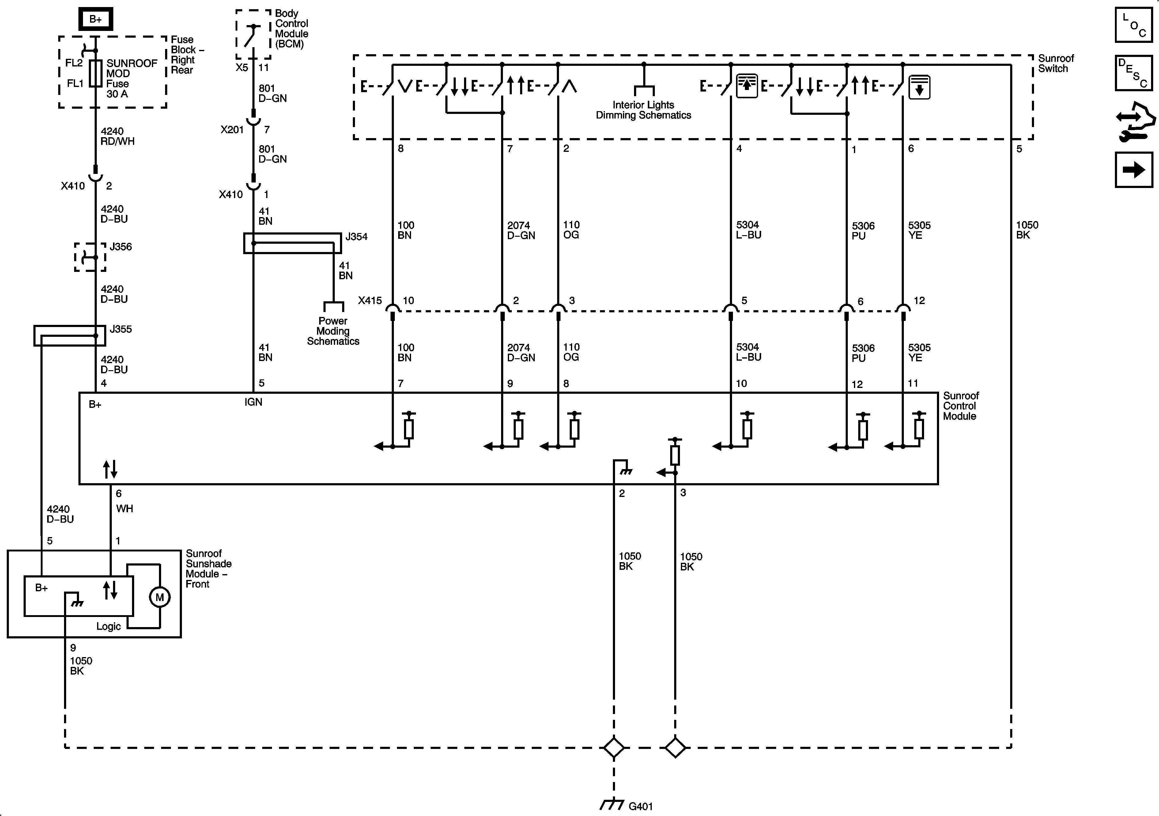
Figure 1:

Sunroof and Front Sunshade (without EXP)


Object Number: 1875412  Size: FS
Master Electrical Component List
Sunroof Description and Operation
Control Module References
Rear Sunshade (without EXP)
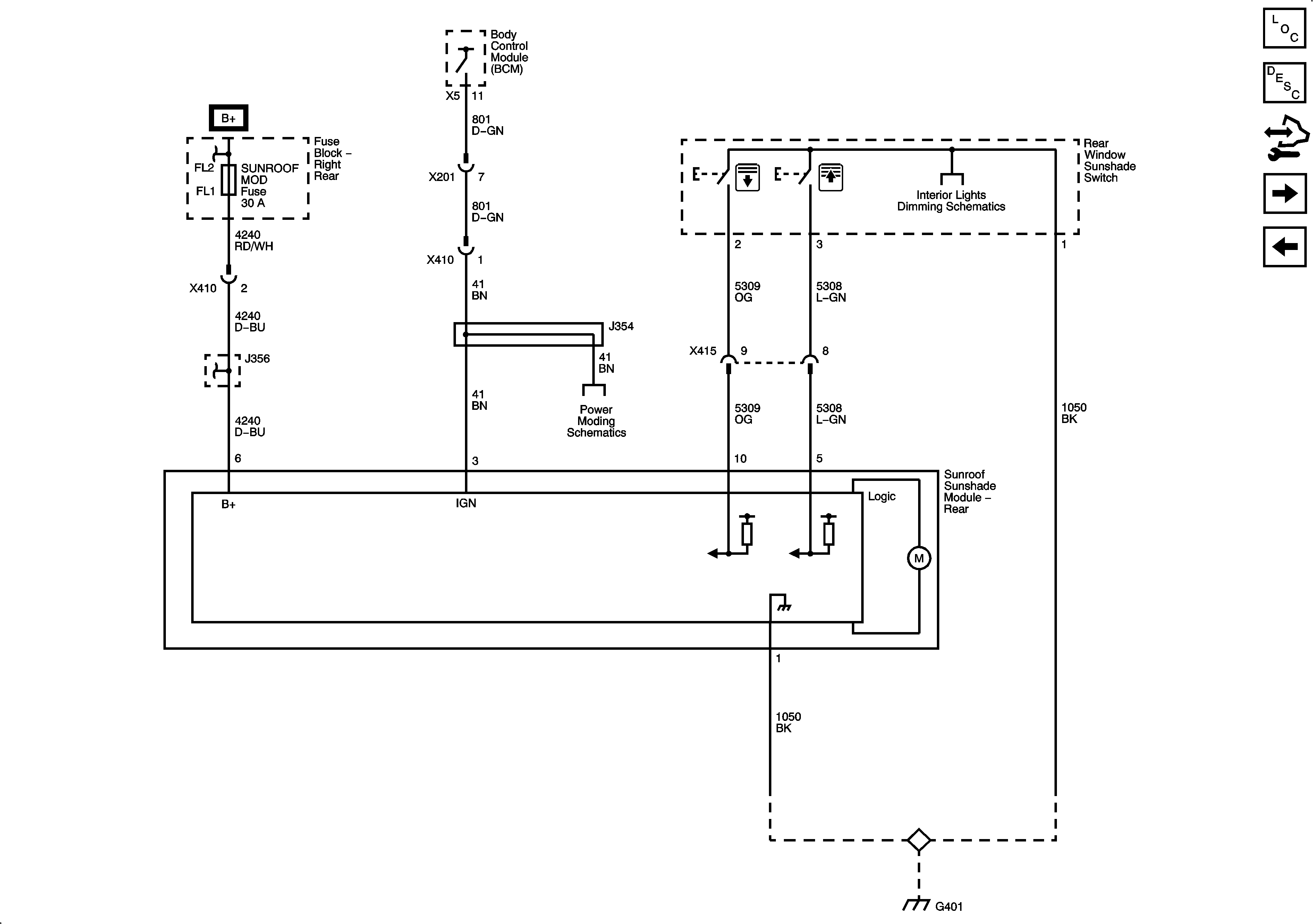
Figure 2:

Rear Sunshade (without EXP)


Object Number: 1875414  Size: FS
Master Electrical Component List
Sunroof Description and Operation
Control Module References
Sunroof and Front Sunshade (EXP)
Sunroof and Front Sunshade (without EXP)
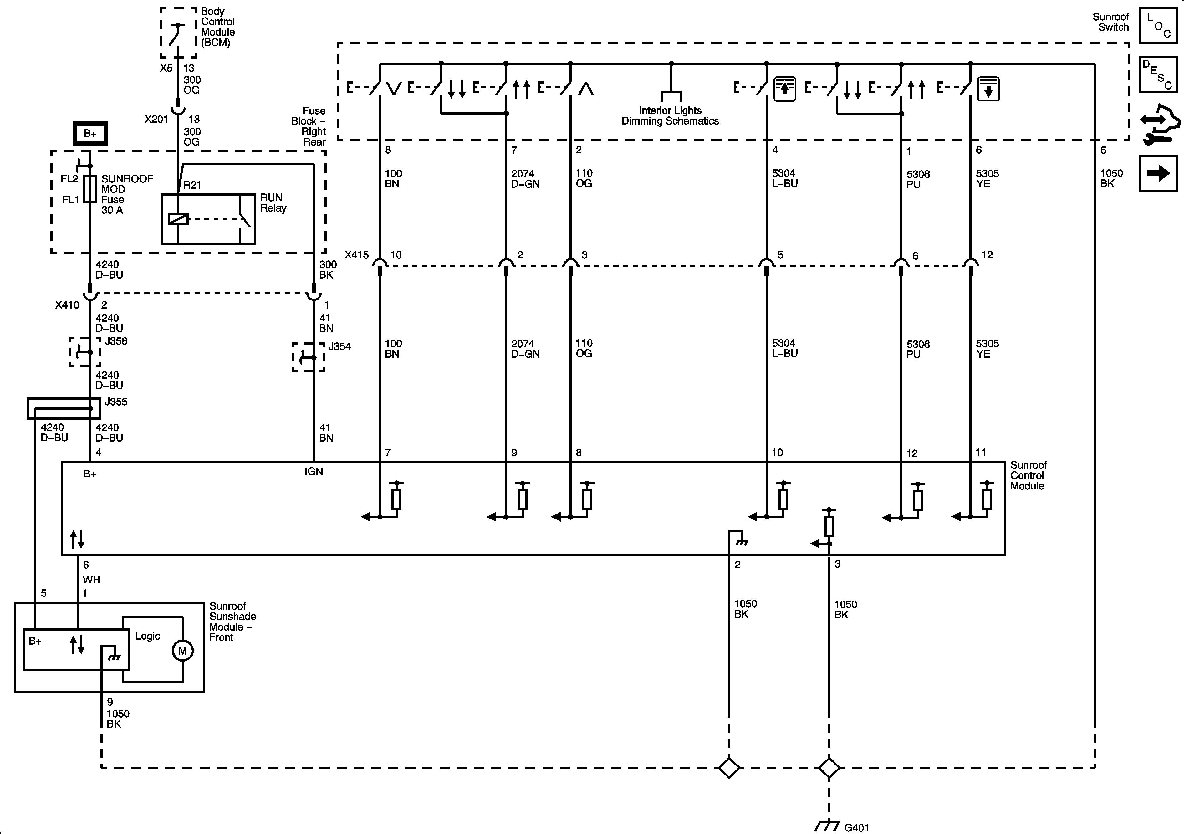
Figure 3:

Sunroof and Front Sunshade (EXP)


Object Number: 1875416  Size: FS
Master Electrical Component List
Sunroof Description and Operation
Control Module References
Rear Sunshade (EXP)
Rear Sunshade (without EXP)
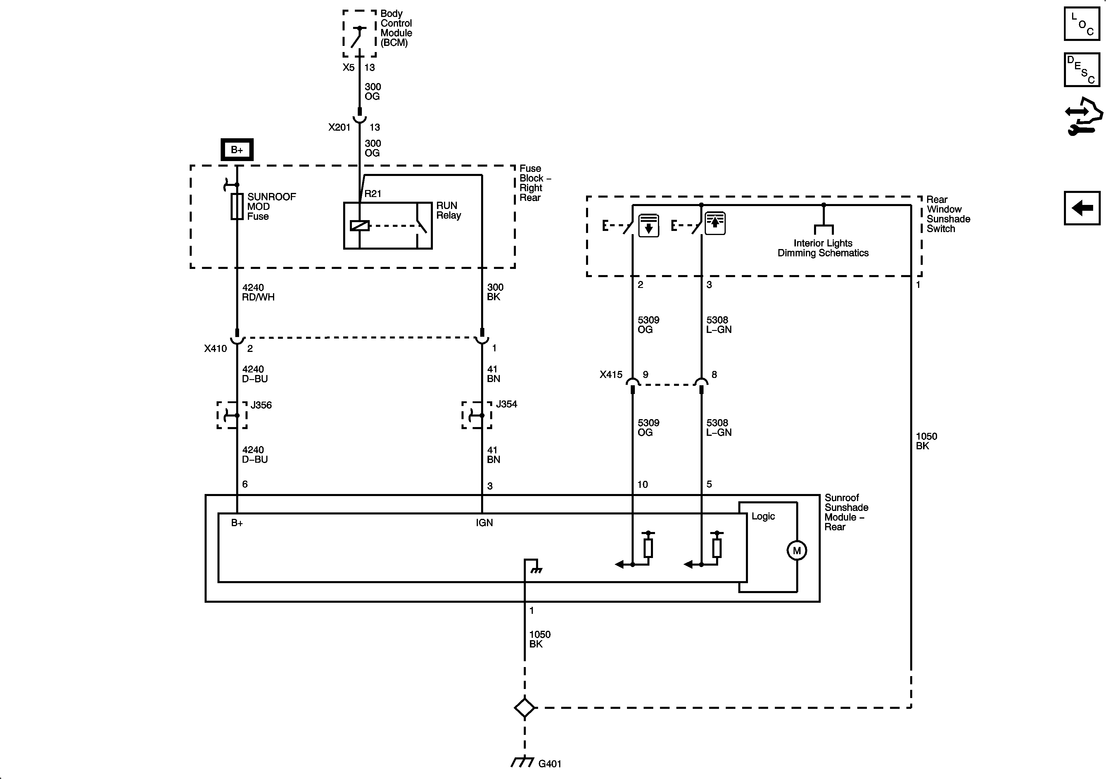
Figure 4:

Rear Sunshade (EXP)


Object Number: 1875418  Size: FS
Master Electrical Component List
Sunroof Description and Operation
Control Module References
Sunroof and Front Sunshade (EXP)