GM Service Manual Online
For 1990-2009 cars only
Figure 1:

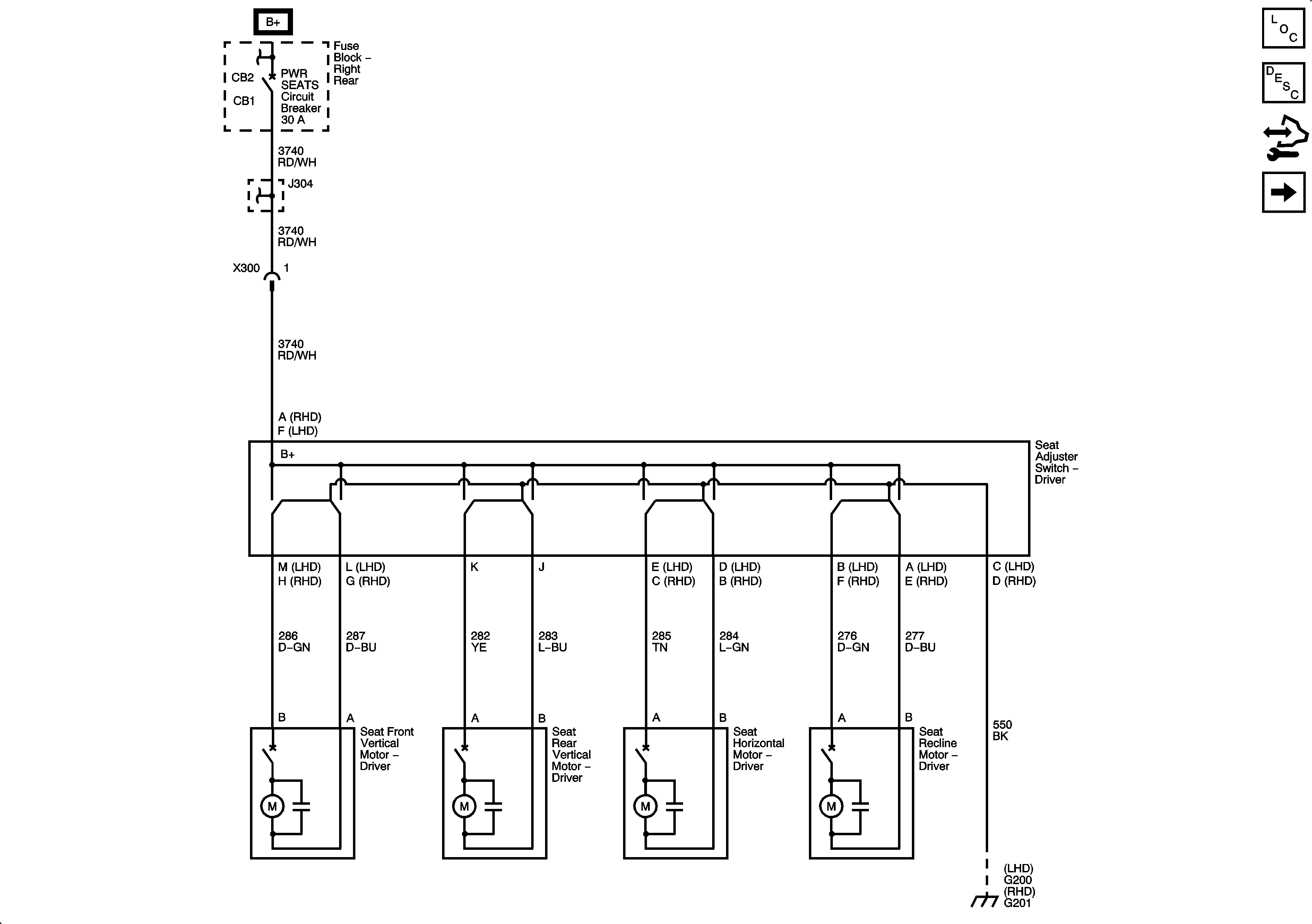
Power Seat (without A45)


Object Number: 1875482  Size: FS
Master Electrical Component List
Power Seats System Description and Operation Front Seat
Control Module References
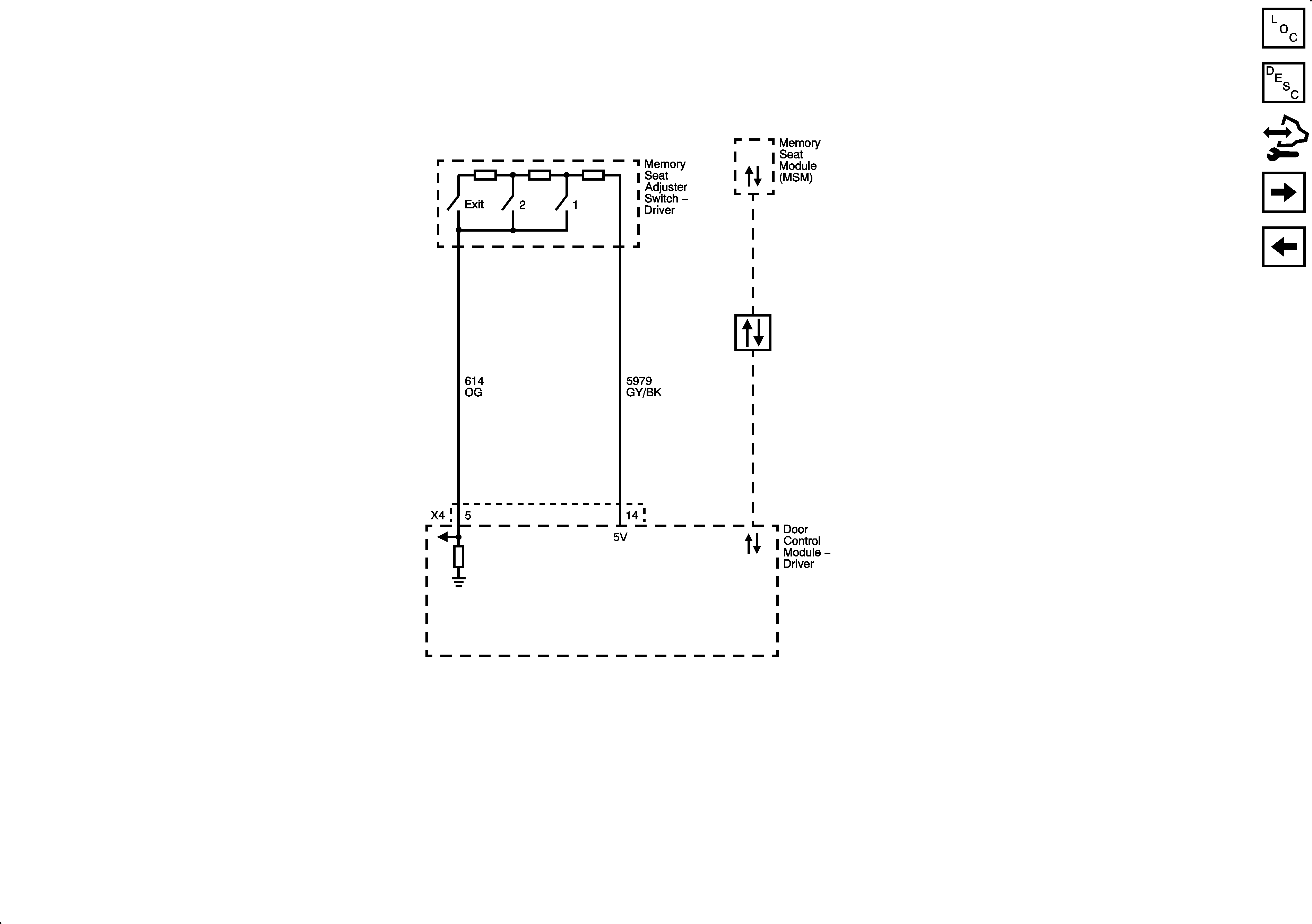
Memory Seat Module Power, Ground, and Seat Adjuster Switches (A45)
Figure 2:

Memory Seat Module Power, Ground, and Seat Adjuster Switches (A45)


Object Number: 1875485  Size: FS
Master Electrical Component List
Memory Seats Description and Operation
Control Module References
Memory Seat Controls (A45)
Power Seat (without A45)
Figure 3:

Memory Seat Controls (A45)


Object Number: 1875488  Size: FS
Master Electrical Component List
Memory Seats Description and Operation
Control Module References
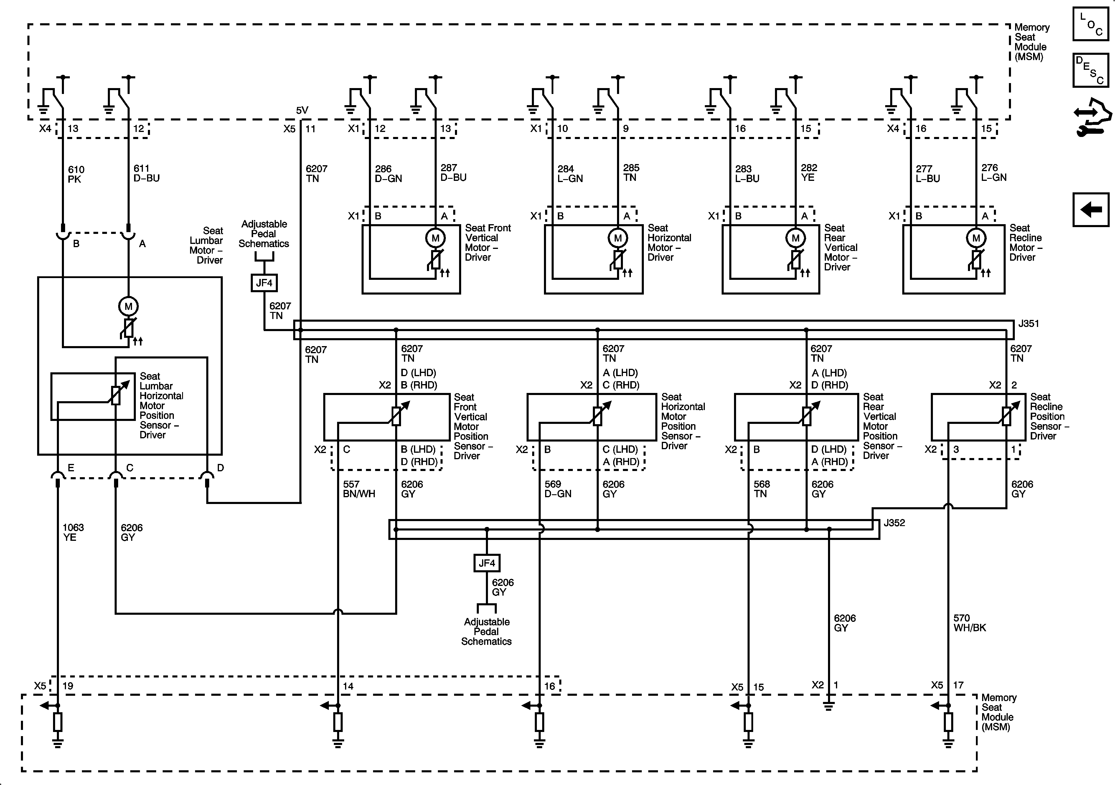
Memory Seat Position Sensors and Motors (A45)
Memory Seat Module Power, Ground, and Seat Adjuster Switches (A45)
Figure 4:

Memory Seat Position Sensors and Motors (A45)


Object Number: 1875493  Size: FS
Master Electrical Component List
Memory Seats Description and Operation
Control Module References
Memory Seat Controls (A45)