GM Service Manual Online
For 1990-2009 cars only
Makes
🢒
Cadillac
🢒
2008
🢒
SRX
🢒
HVAC
🢒
HVAC - Automatic
🢒 HVAC Schematics
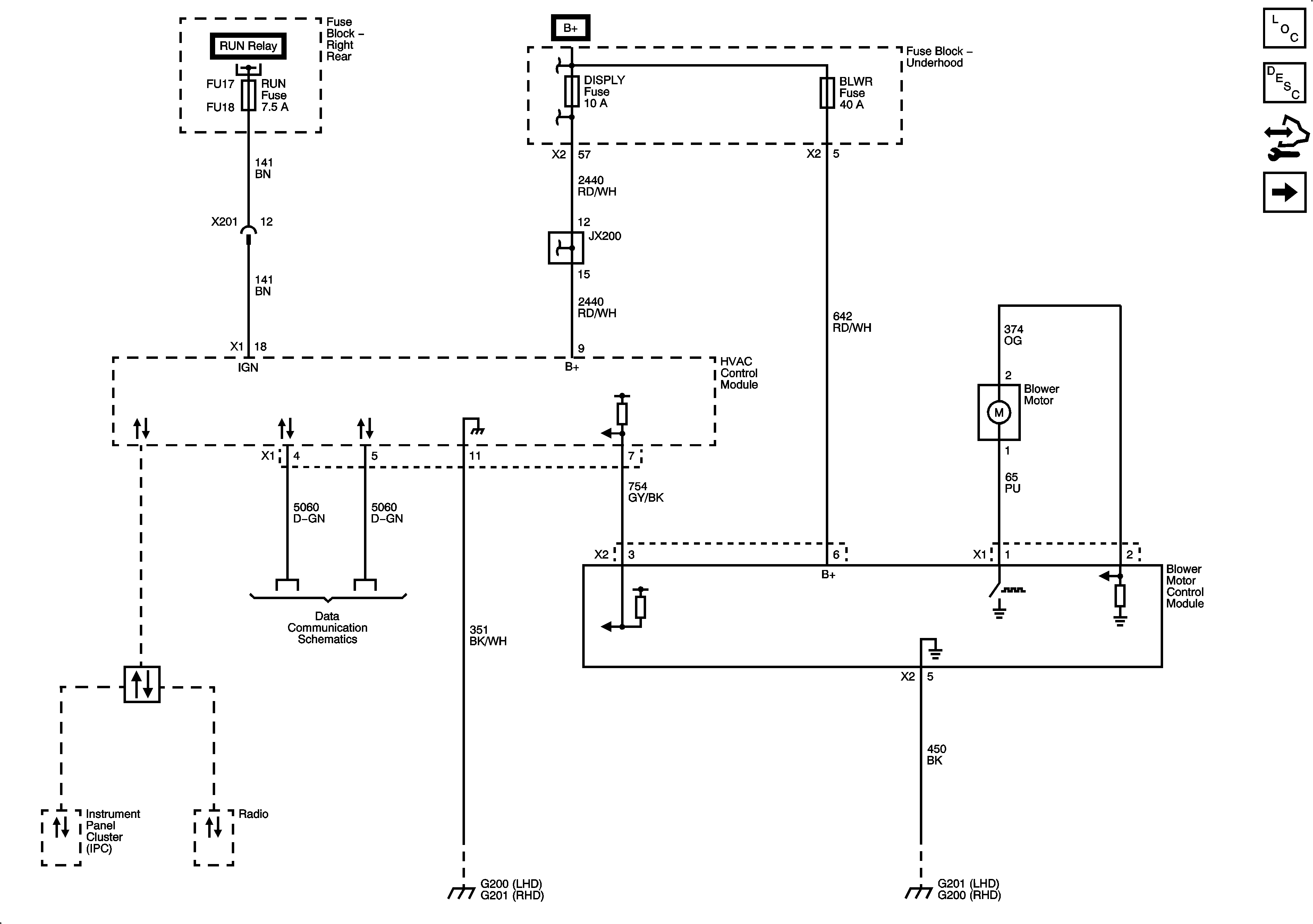
Figure
1:
Blower Controls
Master Electrical Component List
Automatic HVAC Description and Operation
Control Module References
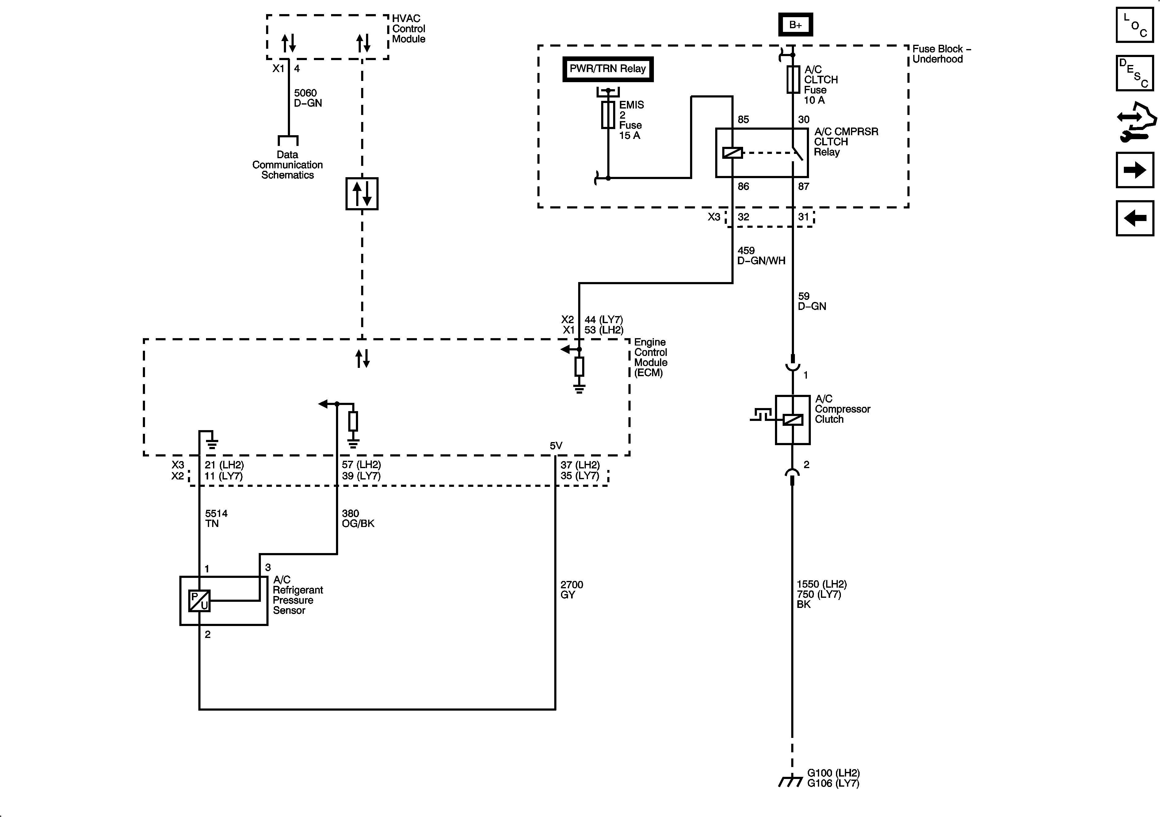
A/C Compressor Controls
Figure
2:
A/C Compressor Controls
Master Electrical Component List
Automatic HVAC Description and Operation
Control Module References
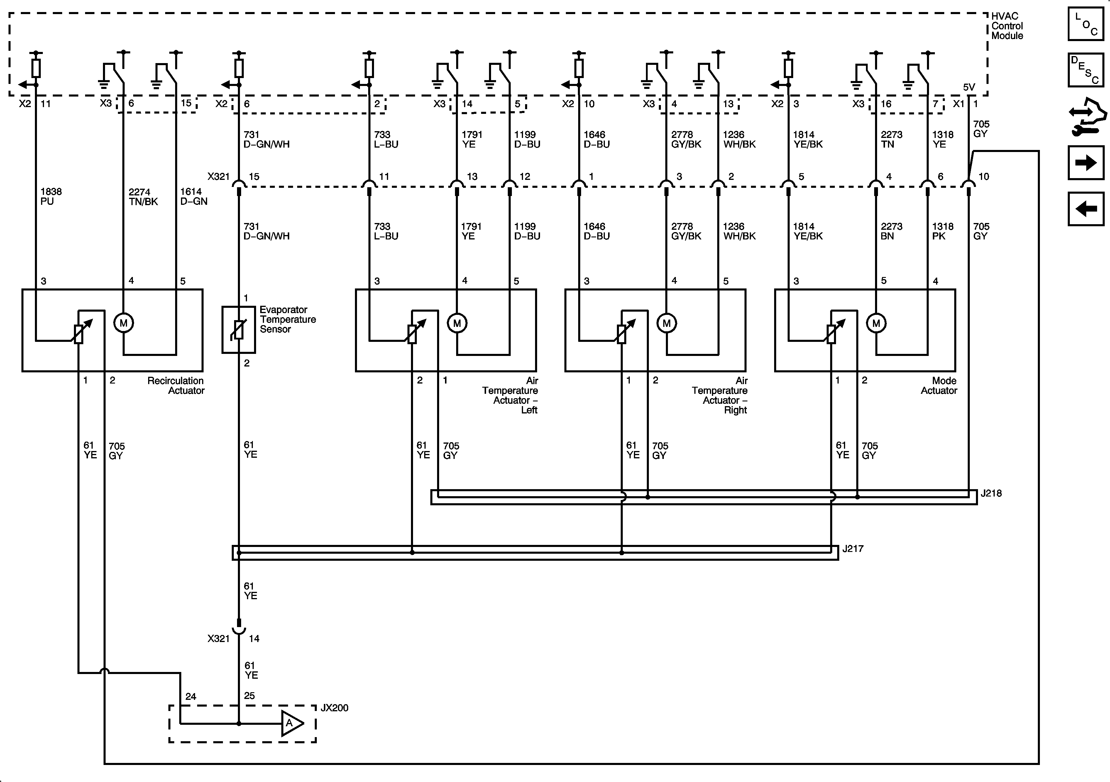
Air Delivery and Temp Controls
Blower Controls
Figure
3:
Air Delivery and Temperature Controls
Master Electrical Component List
Automatic HVAC Description and Operation
Control Module References
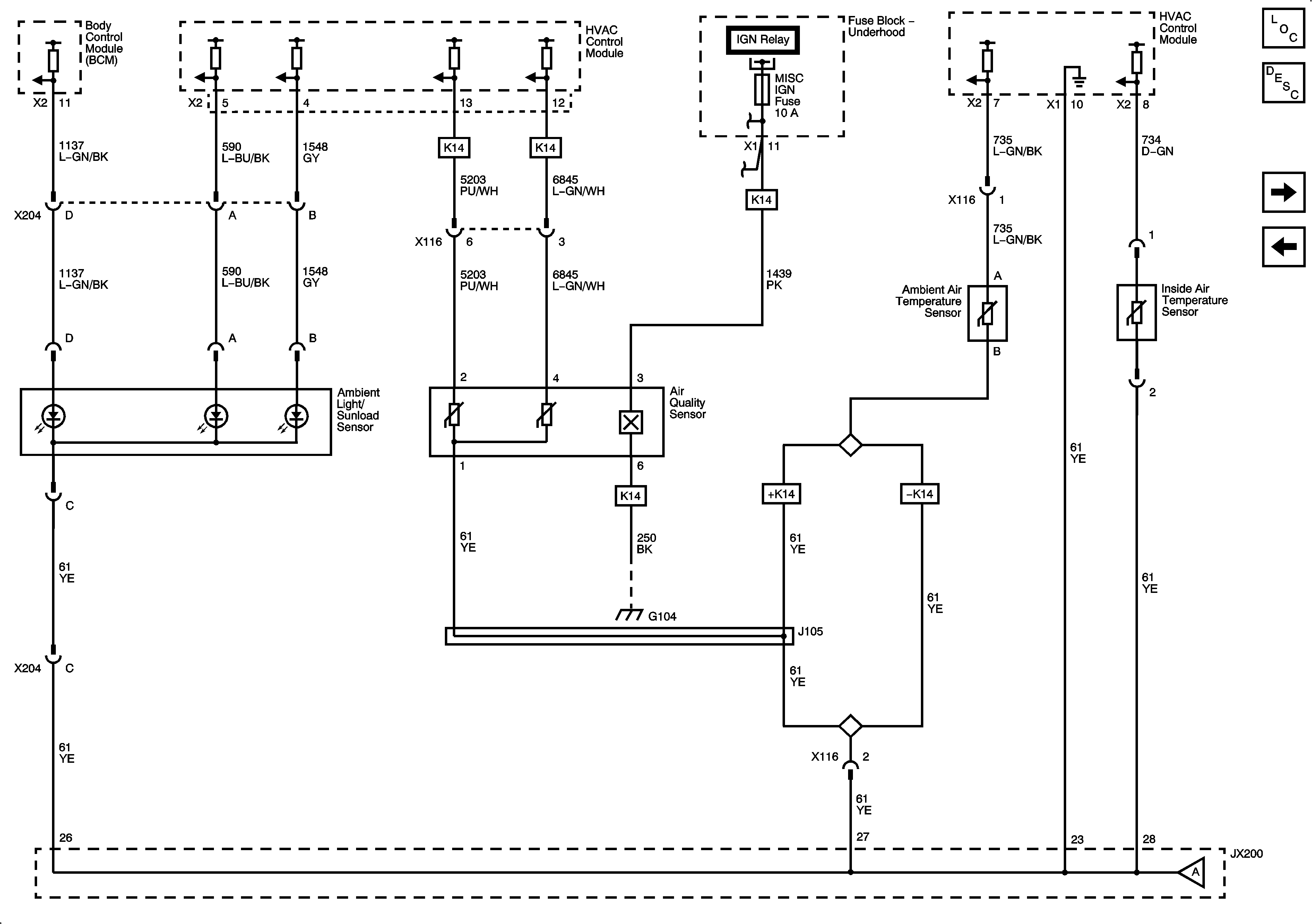
Air Sensors
A/C Compressor Controls
Figure
4:
Air Sensors
Master Electrical Component List
Automatic HVAC Description and Operation
Control Module References
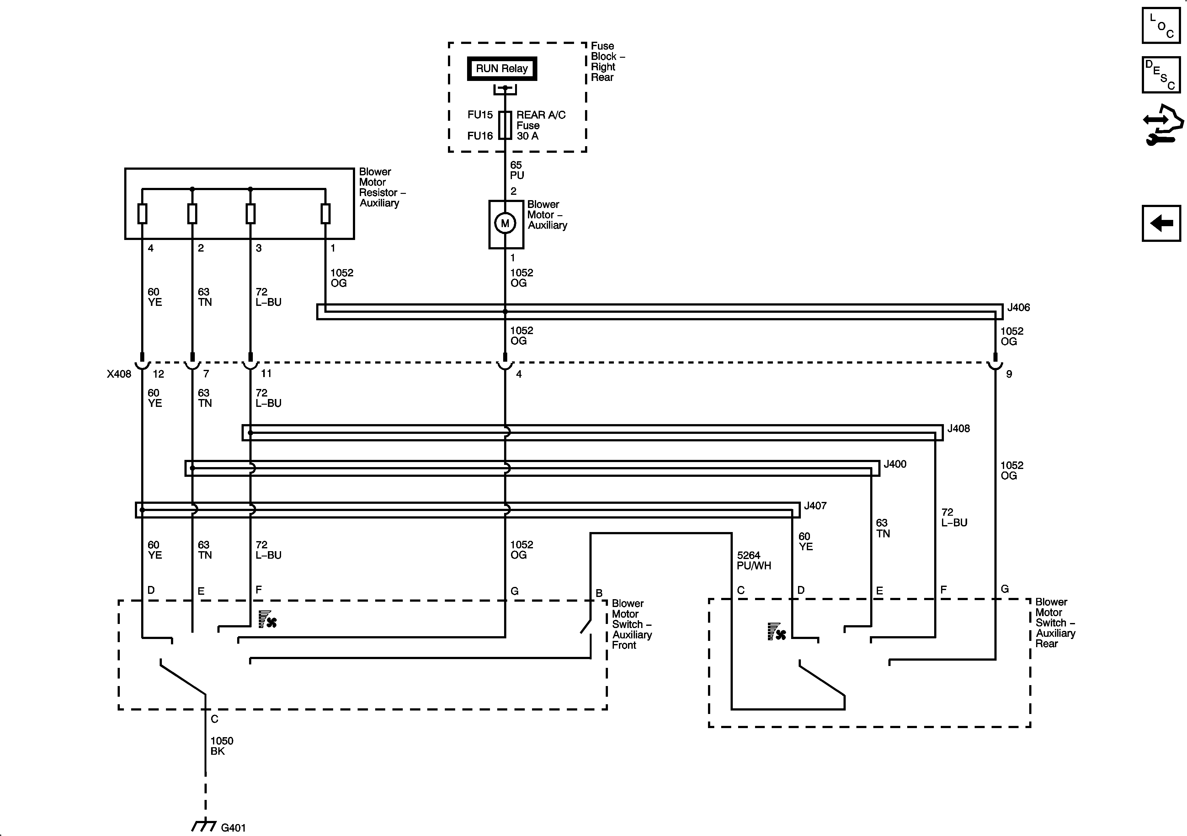
Auxiliary Blower Motor (C57)
Air Delivery and Temp Controls
Figure
5:
Auxiliary Blower Motor (C57)
Master Electrical Component List
Automatic HVAC Description and Operation
Control Module References
Air Sensors