GM Service Manual Online
For 1990-2009 cars only
Makes
🢒
Cadillac
🢒
2008
🢒
SRX
🢒
Safety and Security
🢒
Object Detection
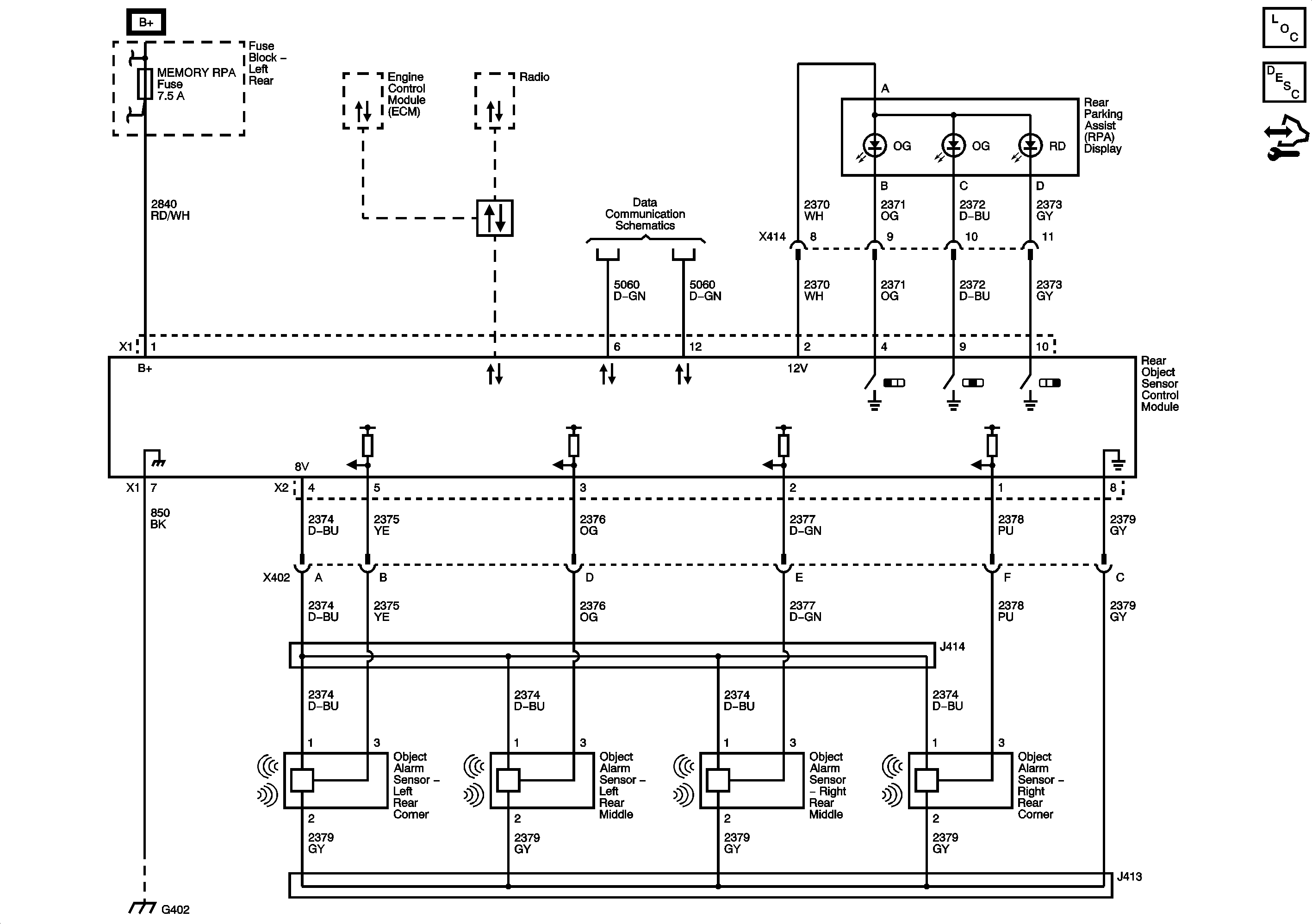
🢒 Object Detection Schematics
Master Electrical Component List
Object Detection Description and Operation Rear Park Assist
Control Module References