GM Service Manual Online
For 1990-2009 cars only
Figure 1:

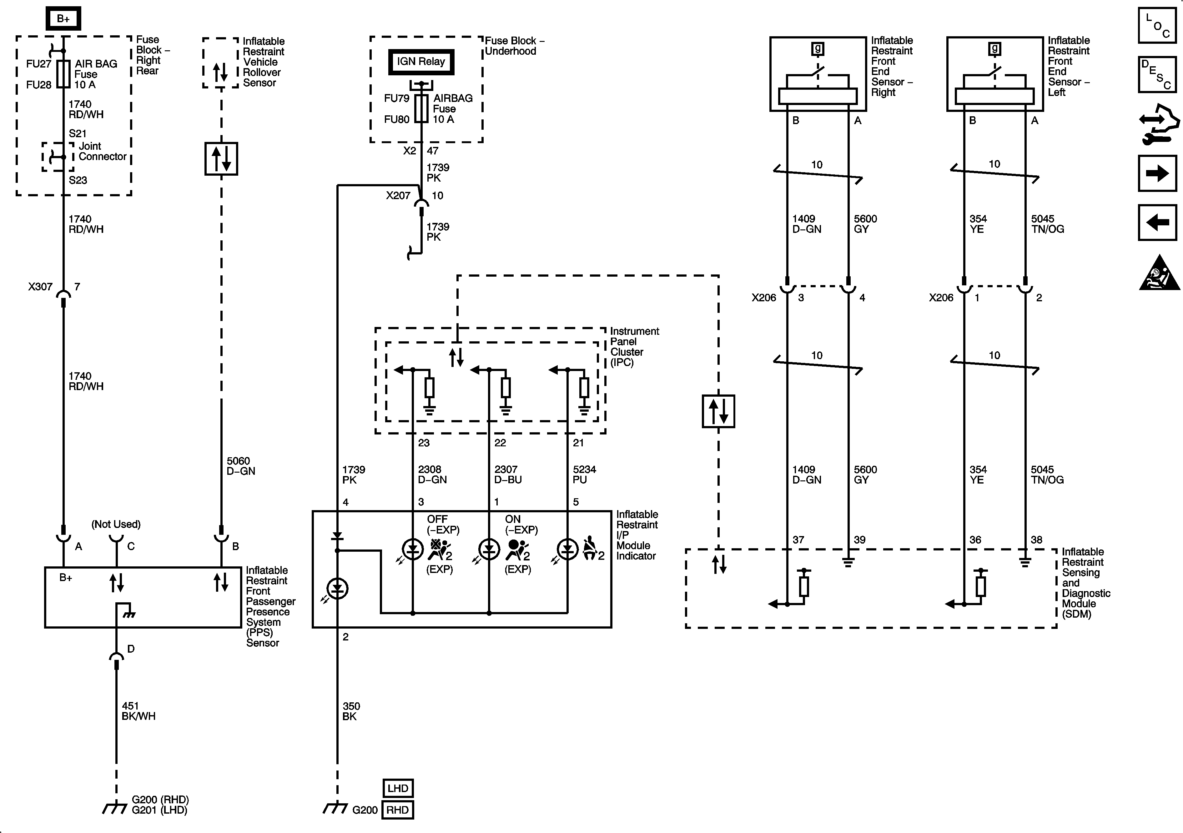
Power, Ground, Serial Data, Indicator, and Rollover Sensor


Object Number: 1874676  Size: FS
Master Electrical Component List
SIR System Description and Operation
Control Module References
Passenger Presence System and Front End Sensors
Figure 2:

Passenger Presense System and Front End Sensors


Object Number: 1874689  Size: FS
Master Electrical Component List
SIR System Description and Operation
Control Module References
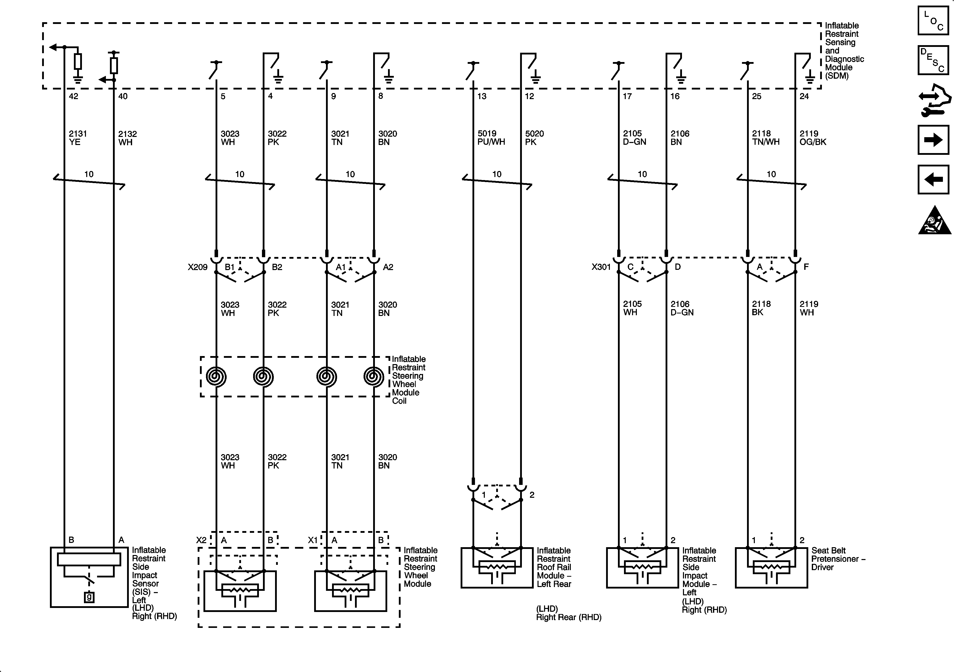
Driver Side Modules and Sensors
Power, Ground, Serial Data, Indicator, and Rollover Sensor
Figure 3:

Driver Side Modules and Sensors


Object Number: 1874736  Size: FS
Master Electrical Component List
SIR System Description and Operation
Control Module References
Passenger Side Module and Sensors
Passenger Presence System and Front End Sensors
Figure 4:

Passenger Side Modules and Sensors


Object Number: 1874751  Size: FS
Master Electrical Component List
SIR System Description and Operation
Control Module References
Driver Side Modules and Sensors