GM Service Manual Online
For 1990-2009 cars only
Makes
🢒
Cadillac
🢒
2008
🢒
SRX
🢒
Safety and Security
🢒
Theft Deterrent
🢒 Theft Deterrent System Schematics
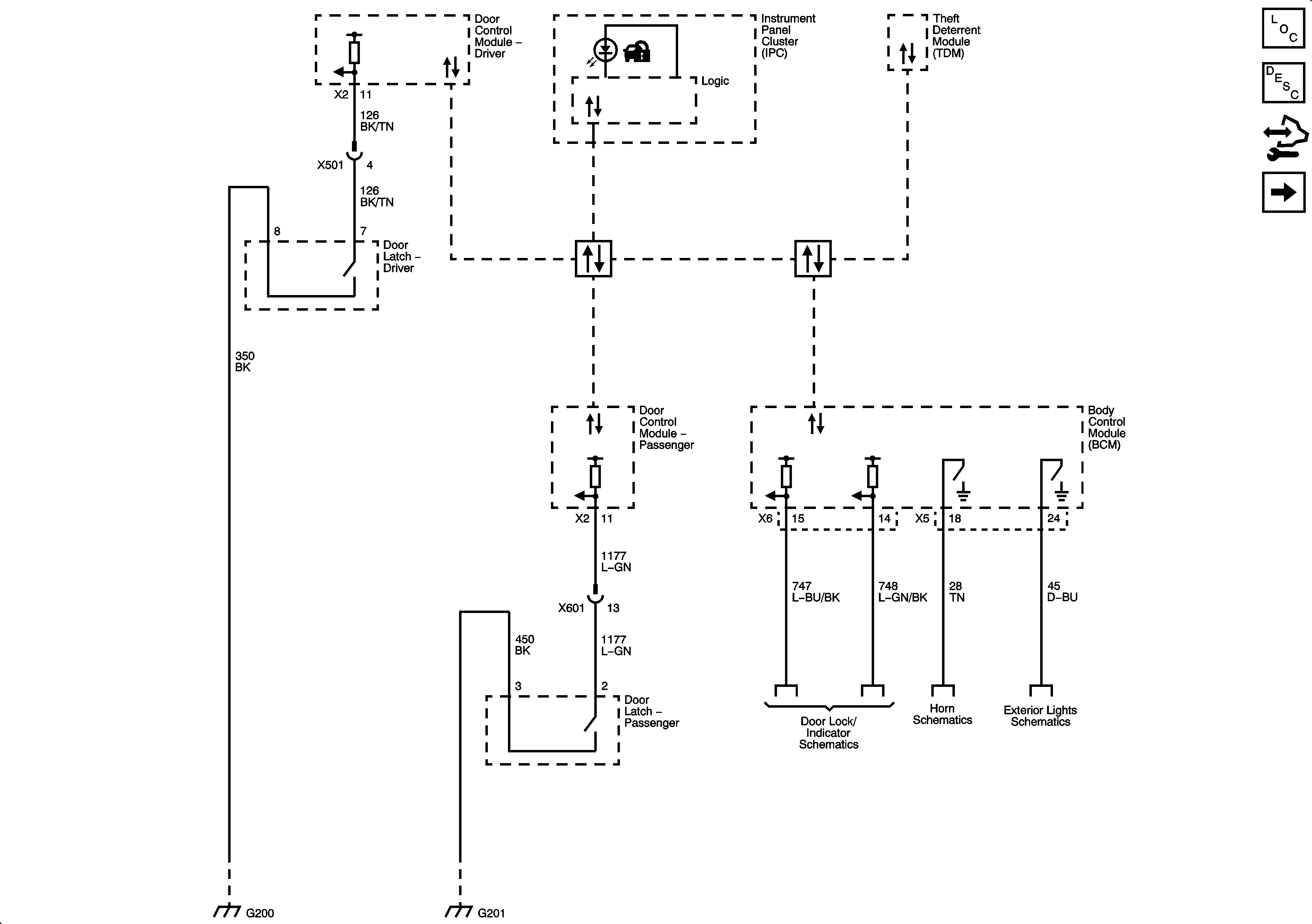
Figure
1:
Content Theft Deterrent (without EXP)
Master Electrical Component List
Content Theft Deterrent (CTD) Description and Operation
Control Module References
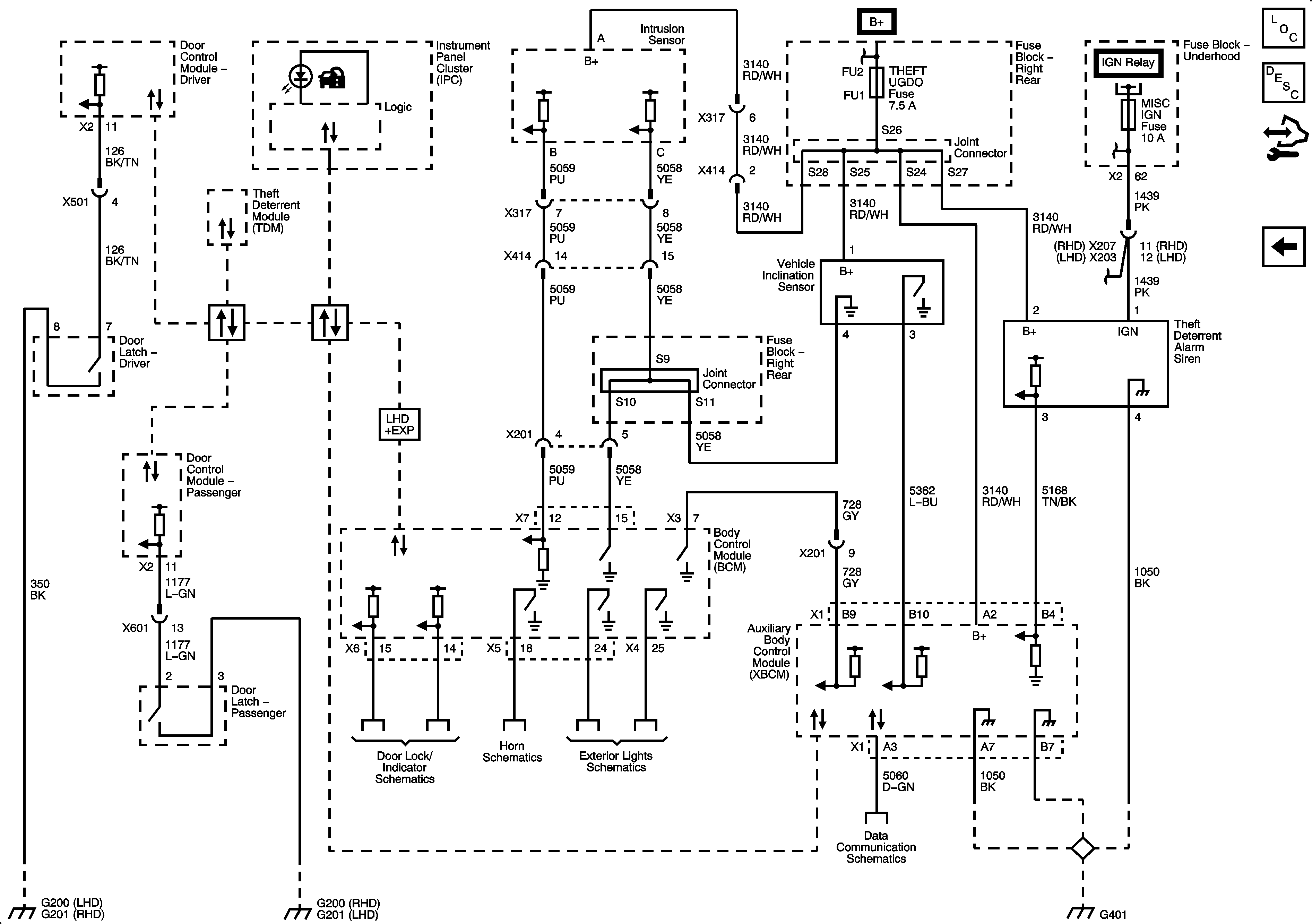
Content Theft Deterrent (EXP)
Figure
2:
Content Theft Deterrent (EXP)
Master Electrical Component List
Content Theft Deterrent (CTD) Description and Operation
Control Module References
Content Theft Deterrent (without EXP)