GM Service Manual Online
For 1990-2009 cars only
Makes
🢒
Cadillac
🢒
2008
🢒
SRX
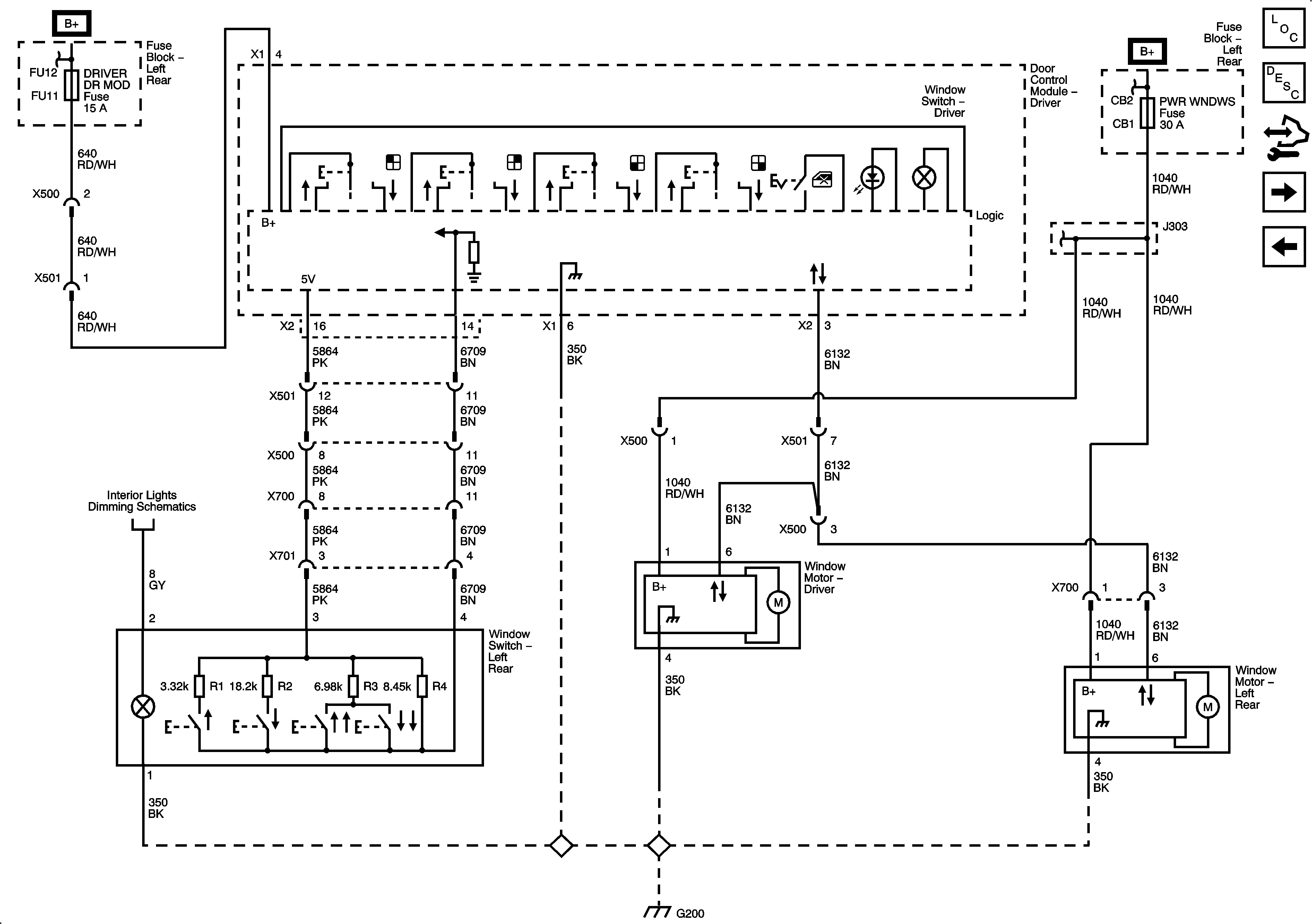
🢒 Left Front and Rear Power Windows LHD
Left Front and Rear Power Windows LHD
Left Front and Rear Power Windows LHD
Master Electrical Component List
Power Windows Description and Operation
Control Module References
Left Front and Rear Power Windows RHD
Right Front and Rear Power Windows RHD