GM Service Manual Online
For 1990-2009 cars only
Makes
🢒
Cadillac
🢒
2009
🢒
SRX
🢒
Diagnostic Navigation
🢒
Vehicle Diagnostic Information
🢒 Steering Wheel Schematics
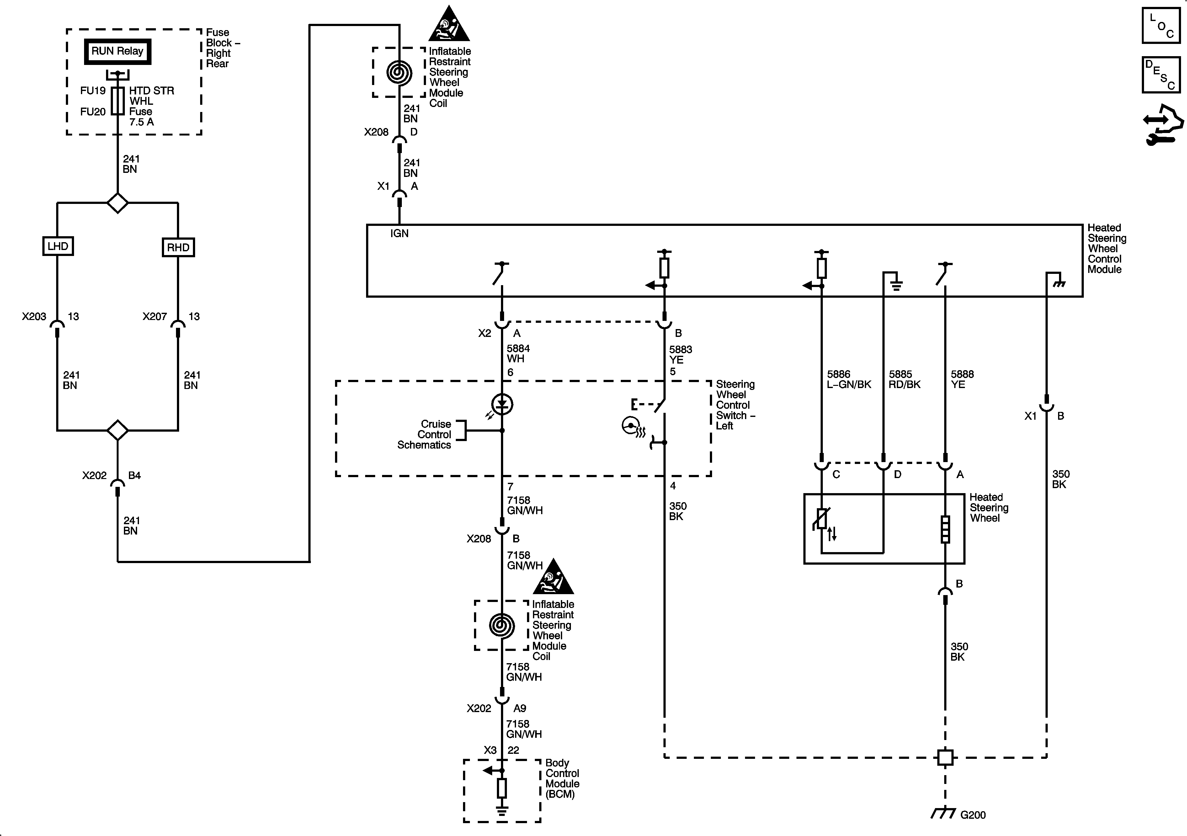
Heated Steering Wheel (N31)