GM Service Manual Online
For 1990-2009 cars only
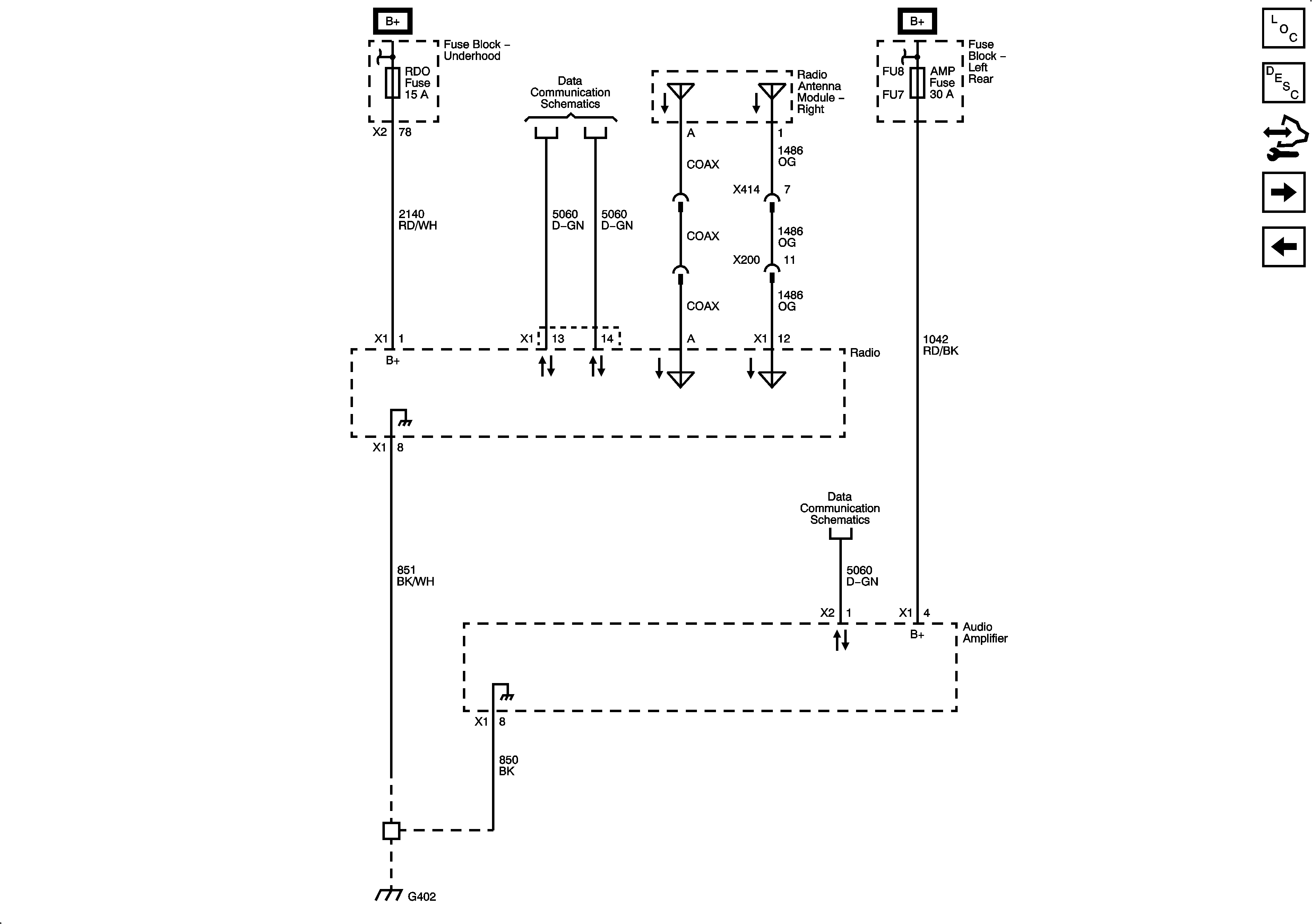
Figure 1:

Radio and Amplifier Power, Ground, and Communication (UQA)


Object Number: 2063304  Size: FS
Figure 2:

Radio and Amplifier Power, Ground, and Communication (UQS without U42)


Object Number: 2063311  Size: FS
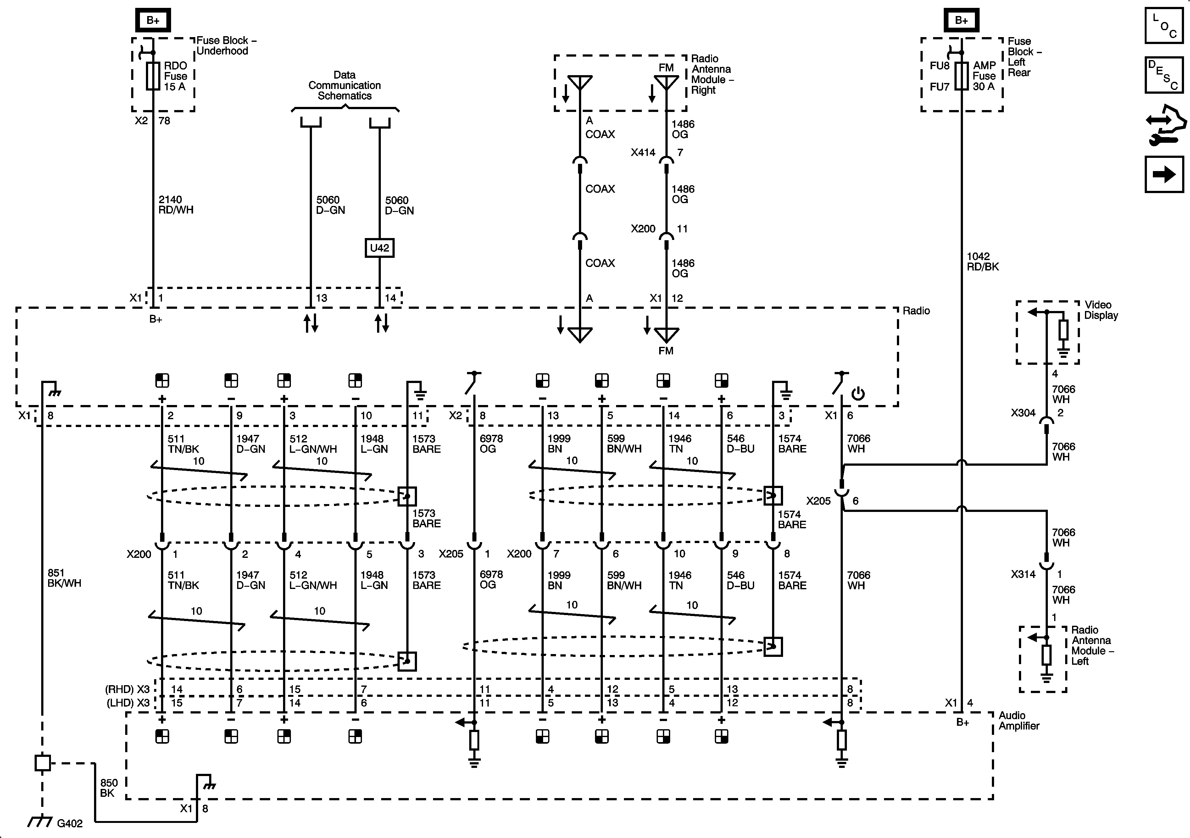
Figure 3:

Radio, Amplifier, Power, Ground, and Communication (UQS with U42)


Object Number: 2063313  Size: FS
Figure 4:

Radio, Amplifier, and Rear Seat Audio Module Signals (UQS with U42)


Object Number: 2063317  Size: FS
Figure 5:

Speakers LHD (UQA)


Object Number: 2063319  Size: FS
Figure 6:

Speakers RHD (UQA)


Object Number: 2063321  Size: FS
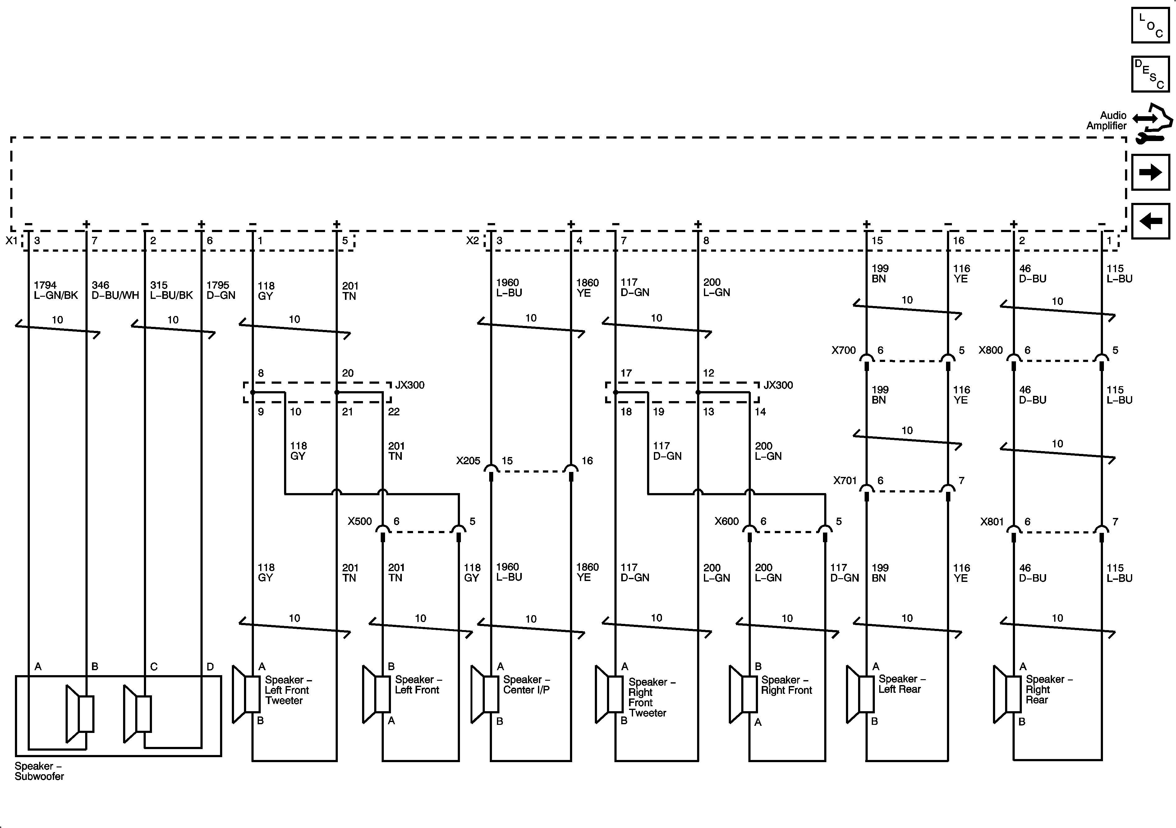
Figure 7:

Subwoofer and Rear Speakers (UQS)


Object Number: 2063323  Size: FS
Figure 8:

Noise Compensation Microphone and Front Speakers (UQS)


Object Number: 2063325  Size: FS
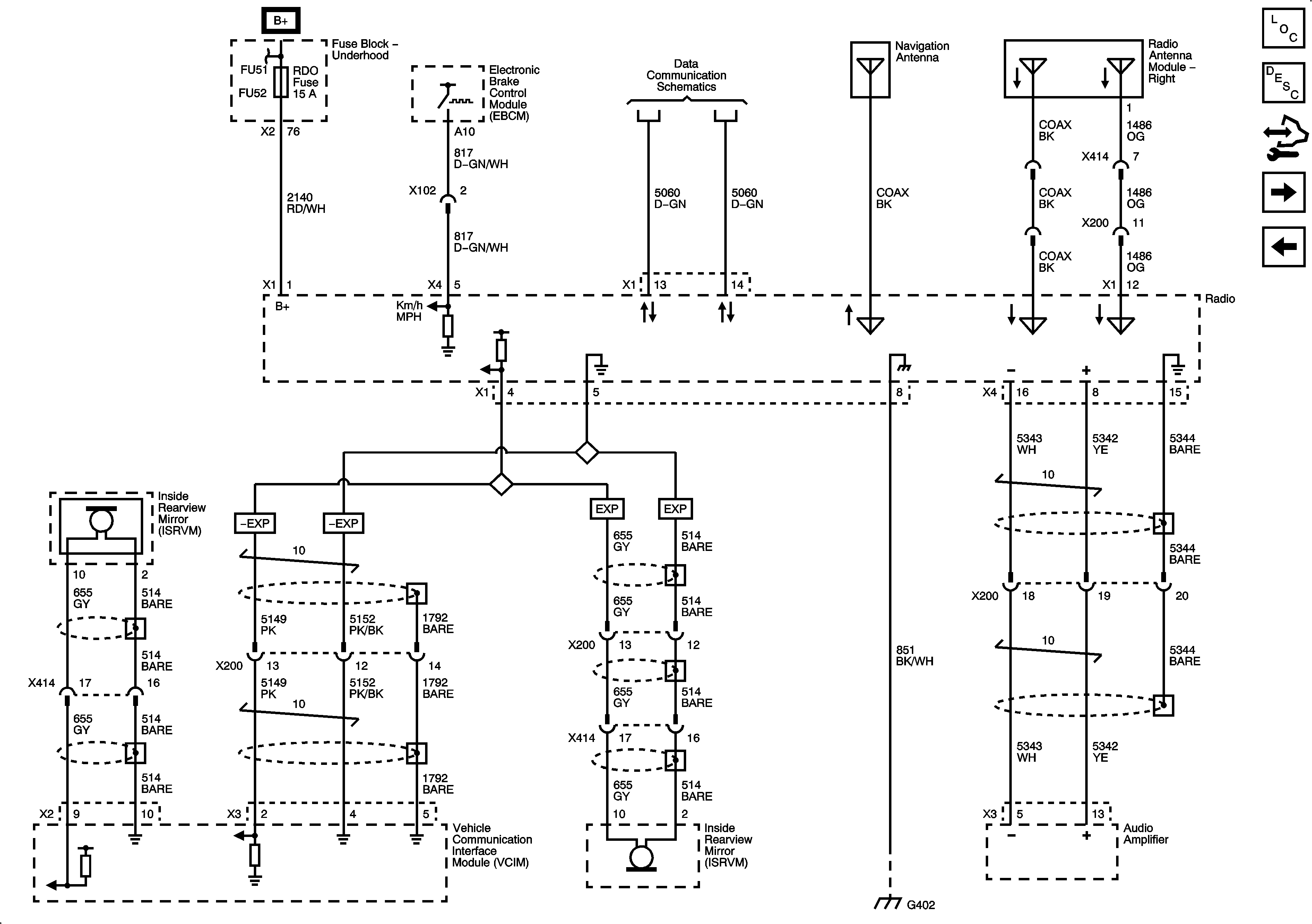
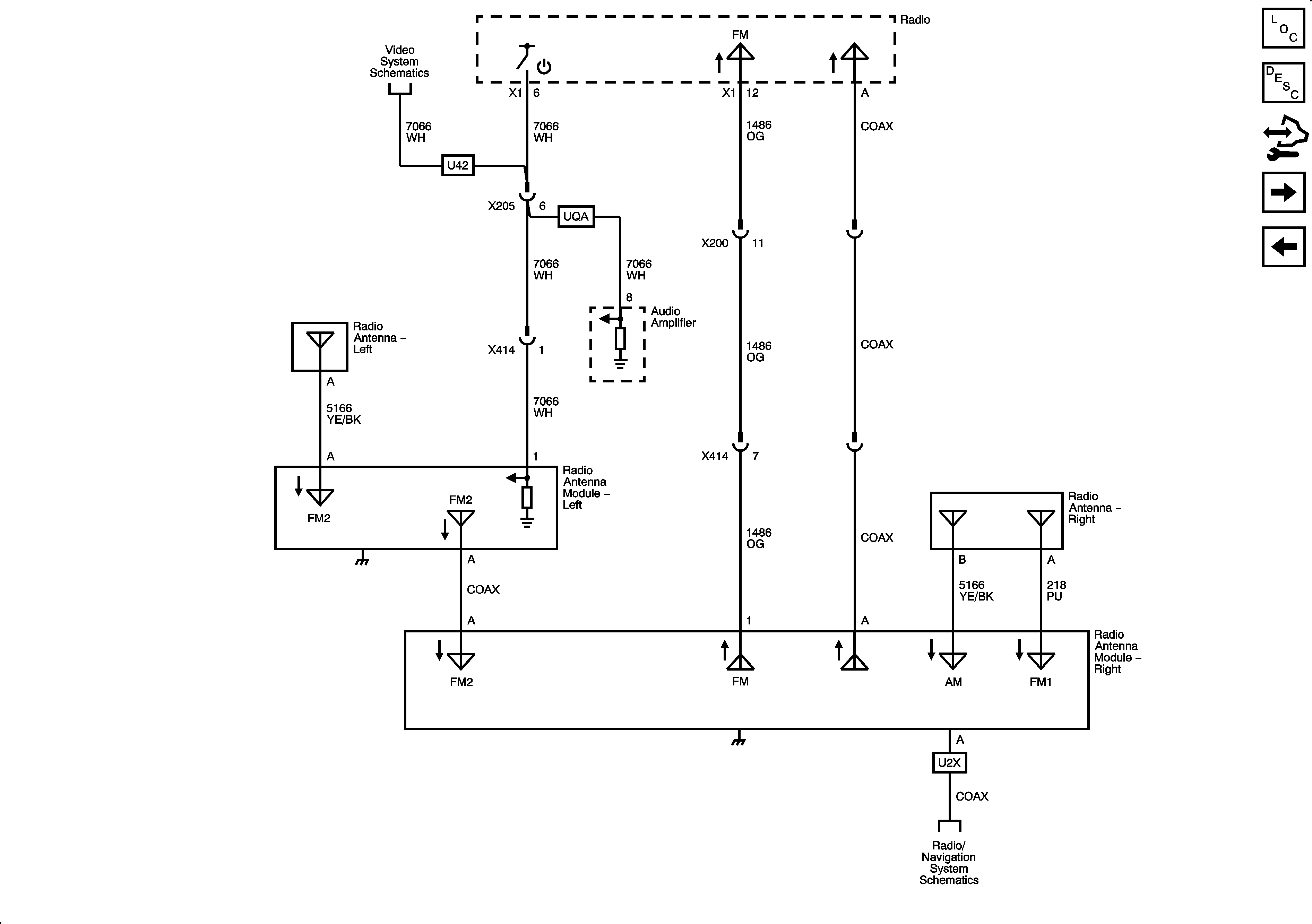
Figure 9:

Antenna Signals


Object Number: 2063328  Size: FS
Figure 10:

Radio Power, Ground, and Communication (UQA)


Object Number: 2063330  Size: FS
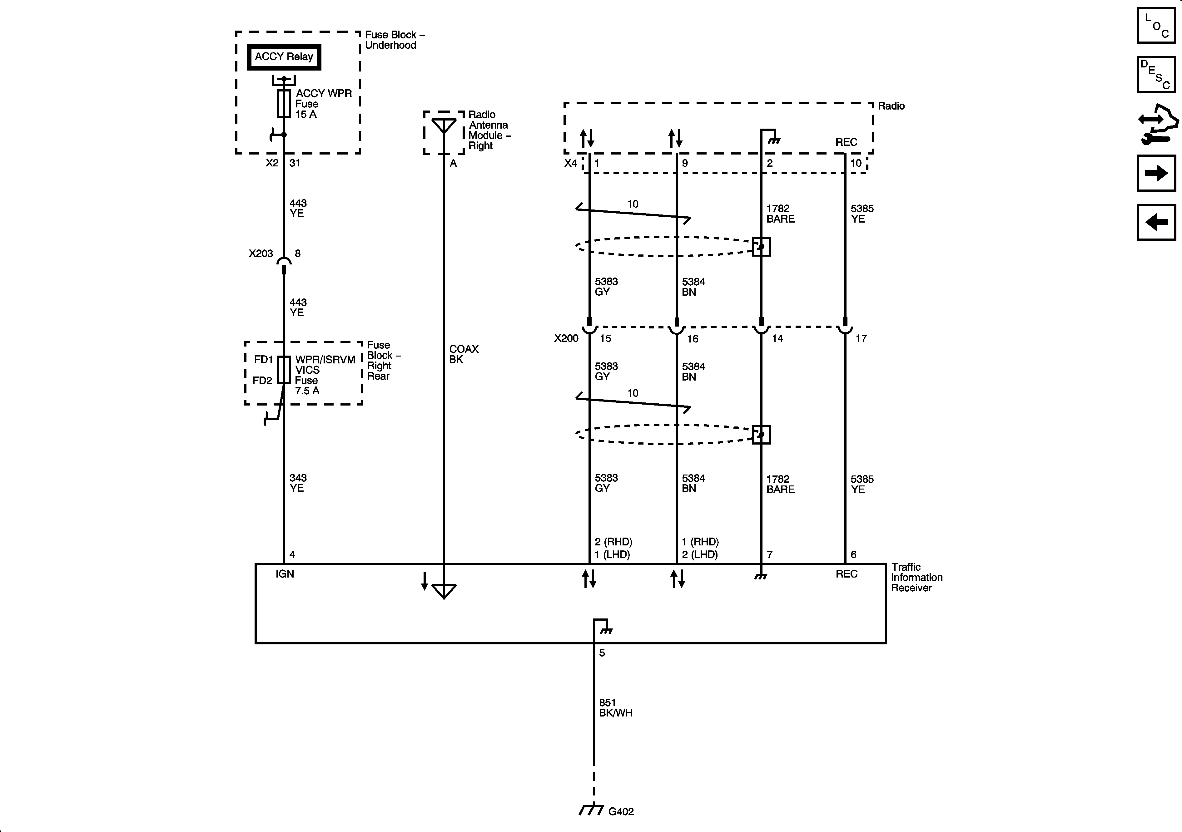
Figure 11:

Traffic Information Receiver (U2X)


Object Number: 2063333  Size: FS
Figure 12:

Digital Radio Receiver (U2K)


Object Number: 2063338  Size: FS
Figure 13:

Navigation Controls (U2V/U2X/U2Y)


Object Number: 2063342  Size: FS
Figure 14:

Steering Wheel Controls (N31)


Object Number: 2063349  Size: FS
Figure 15:

Steering Wheel Controls (without N31)


Object Number: 2063352  Size: FS