GM Service Manual Online
For 1990-2009 cars only
Makes
🢒
Cadillac
🢒
2009
🢒
SRX
🢒
Diagnostic Navigation
🢒
Vehicle Diagnostic Information
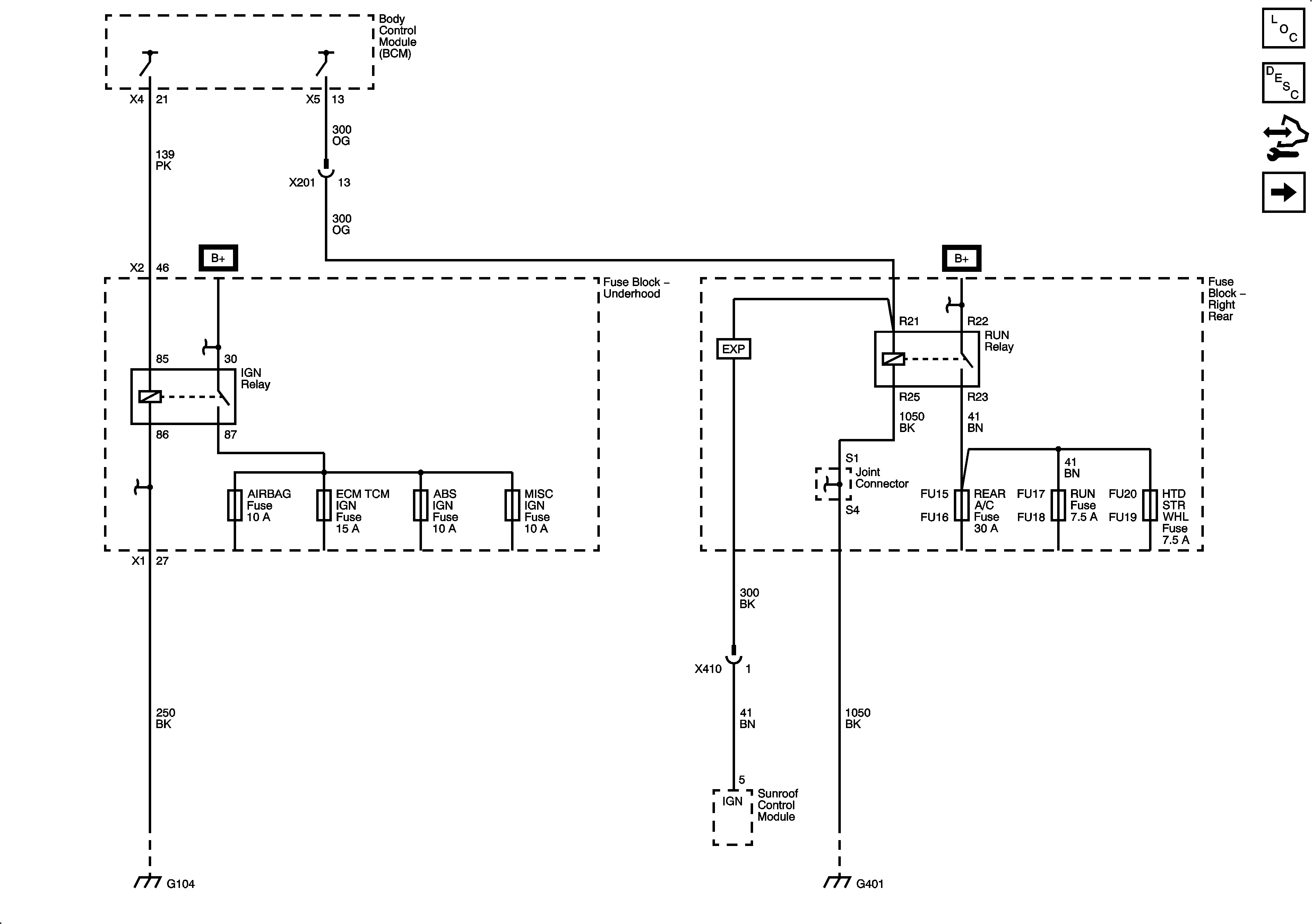
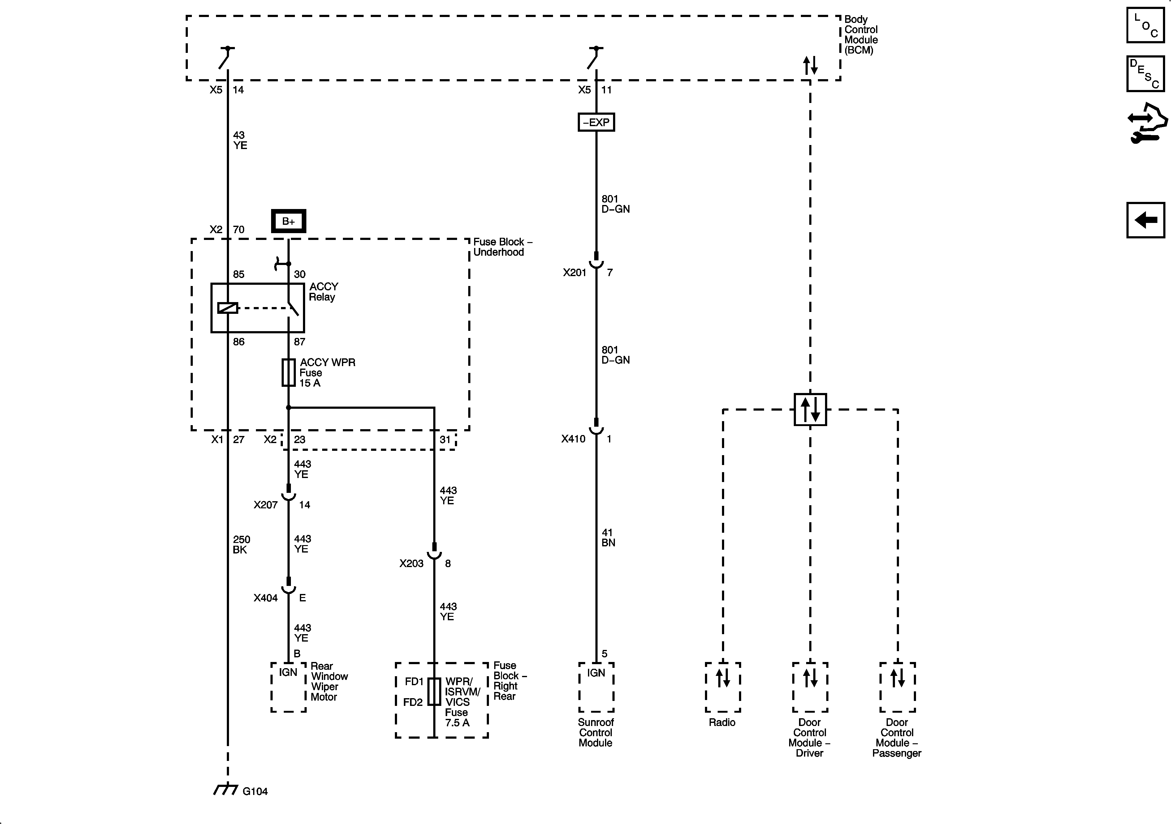
🢒 Power Moding Schematics
Figure
1:
Ignition Power Modes - RUN
Figure
2:
Power Modes - ACCY and RAP