GM Service Manual Online
For 1990-2009 cars only
Makes
🢒
Cadillac
🢒
2009
🢒
SRX
🢒
Diagnostic Navigation
🢒
Vehicle Diagnostic Information
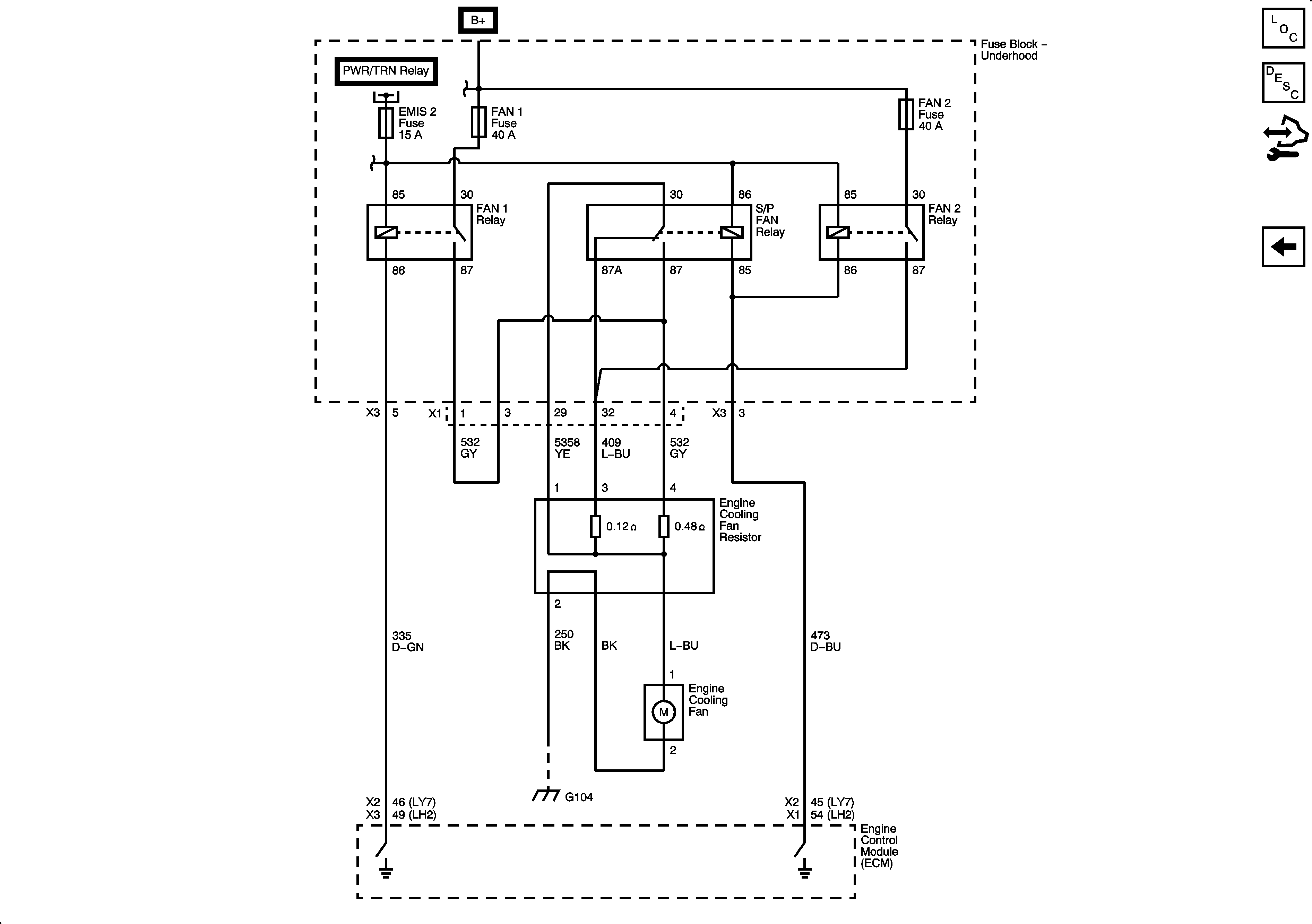
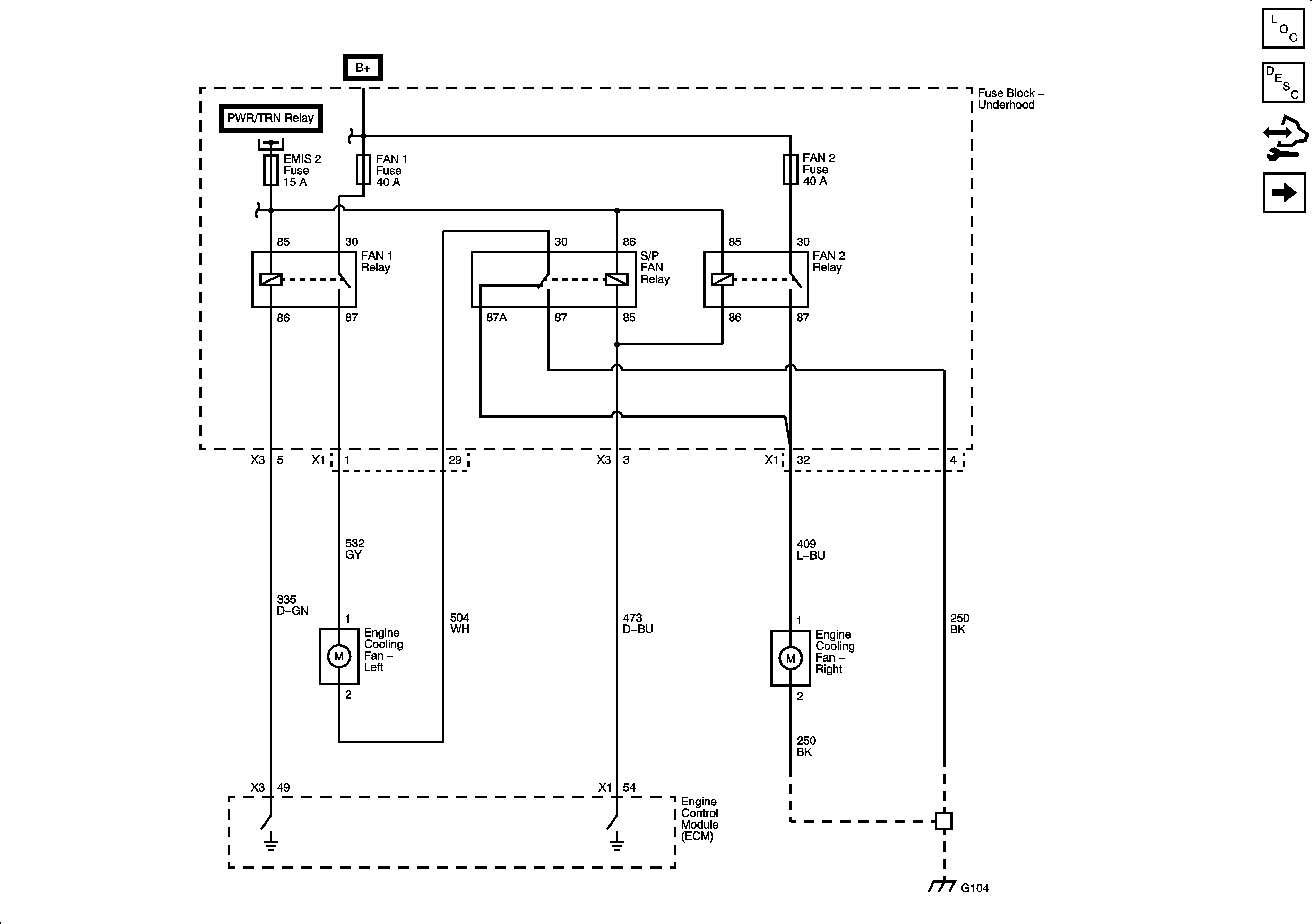
🢒 Engine Cooling Schematics
Figure
1:
Cooling Fans (LH2 with V92)
Figure
2:
Cooling Fans (LY7 or LH2 without V92)