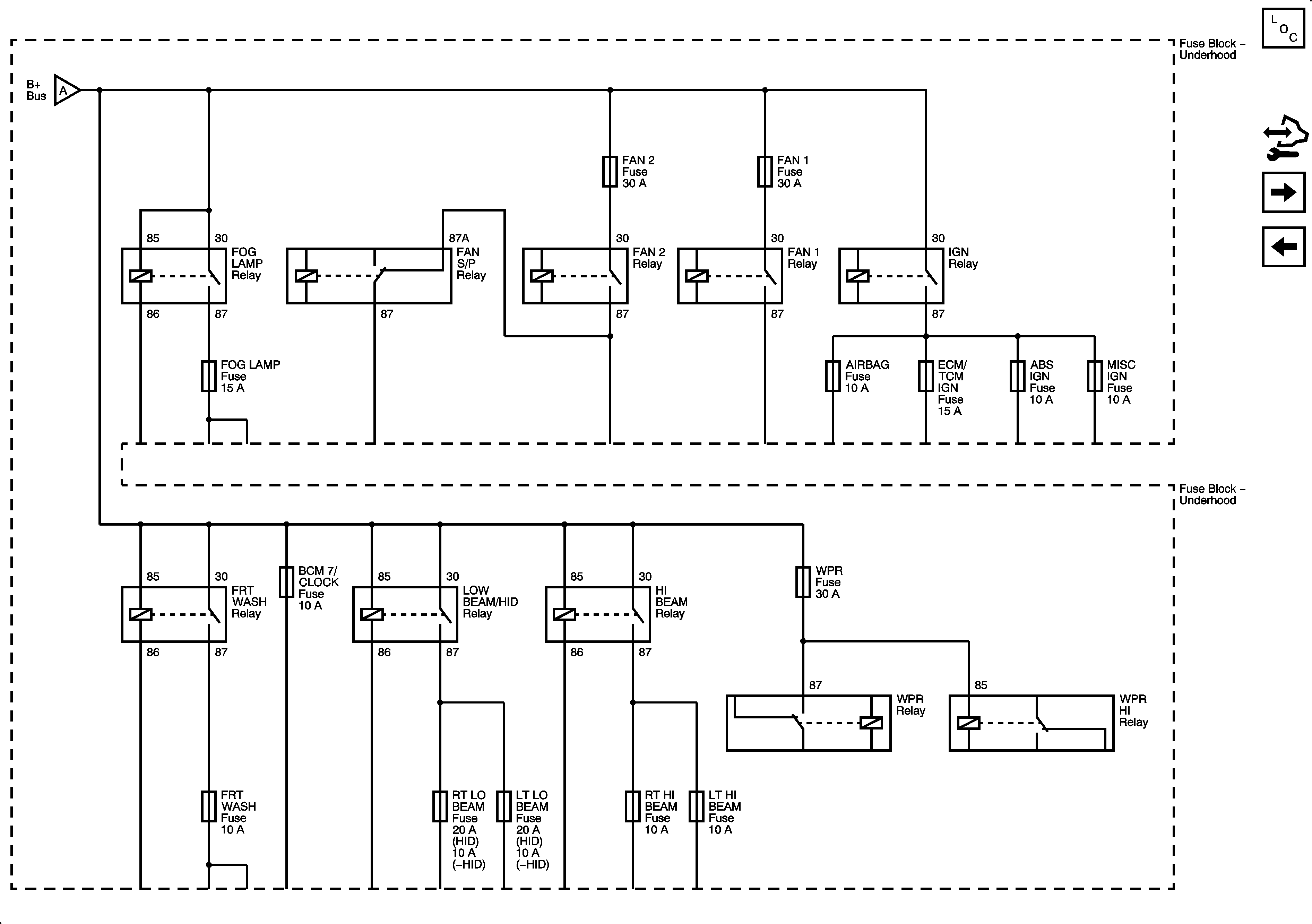
GM Service Manual Online
For 1990-2009 cars only
Figure 1:

Underhood Fuse Block B+ Bus 1 of 2


Object Number: 2063420  Size: FS
Figure 2:

Underhood Fuse Block B+ Bus 2 of 2


Object Number: 2063422  Size: FS
Figure 3:

Right Rear Fuse Block B+ Bus


Object Number: 2063429  Size: FS
Figure 4:

Left Rear Fuse Block B+ Bus


Object Number: 2063432  Size: FS
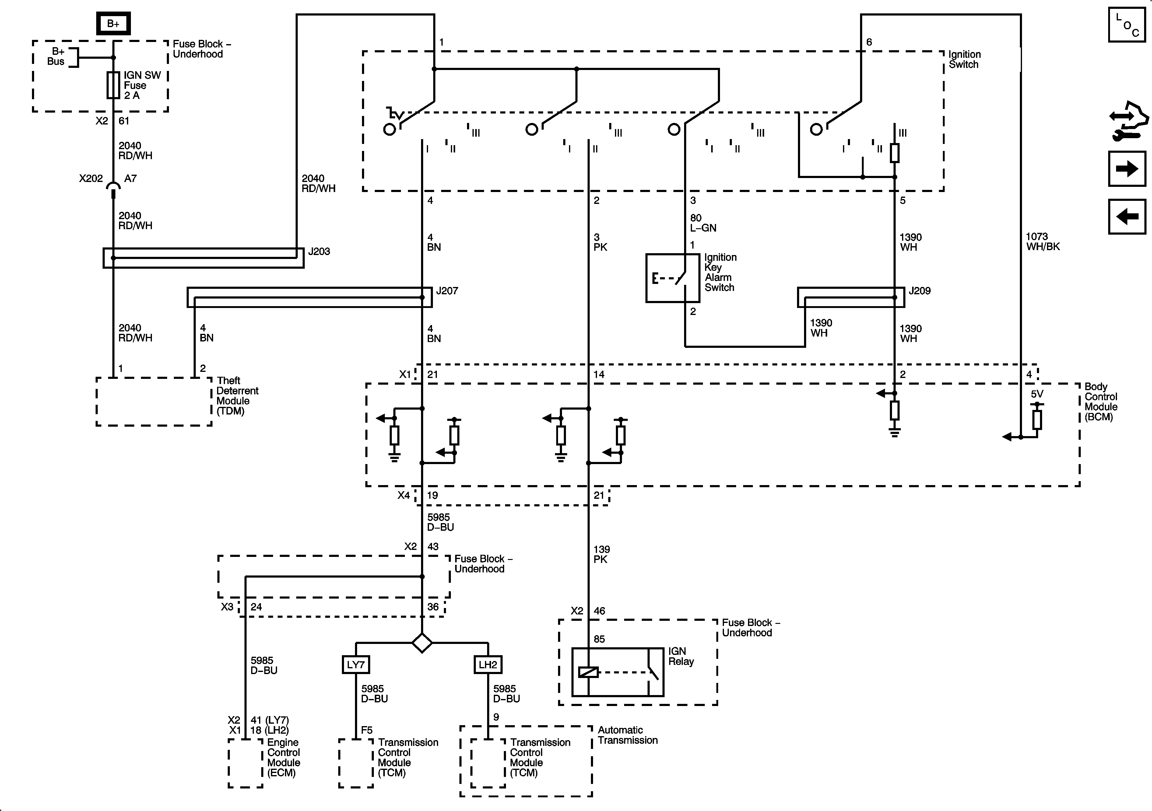
Figure 5:

IGN SW Fuse and Ignition Switch


Object Number: 2063436  Size: FS
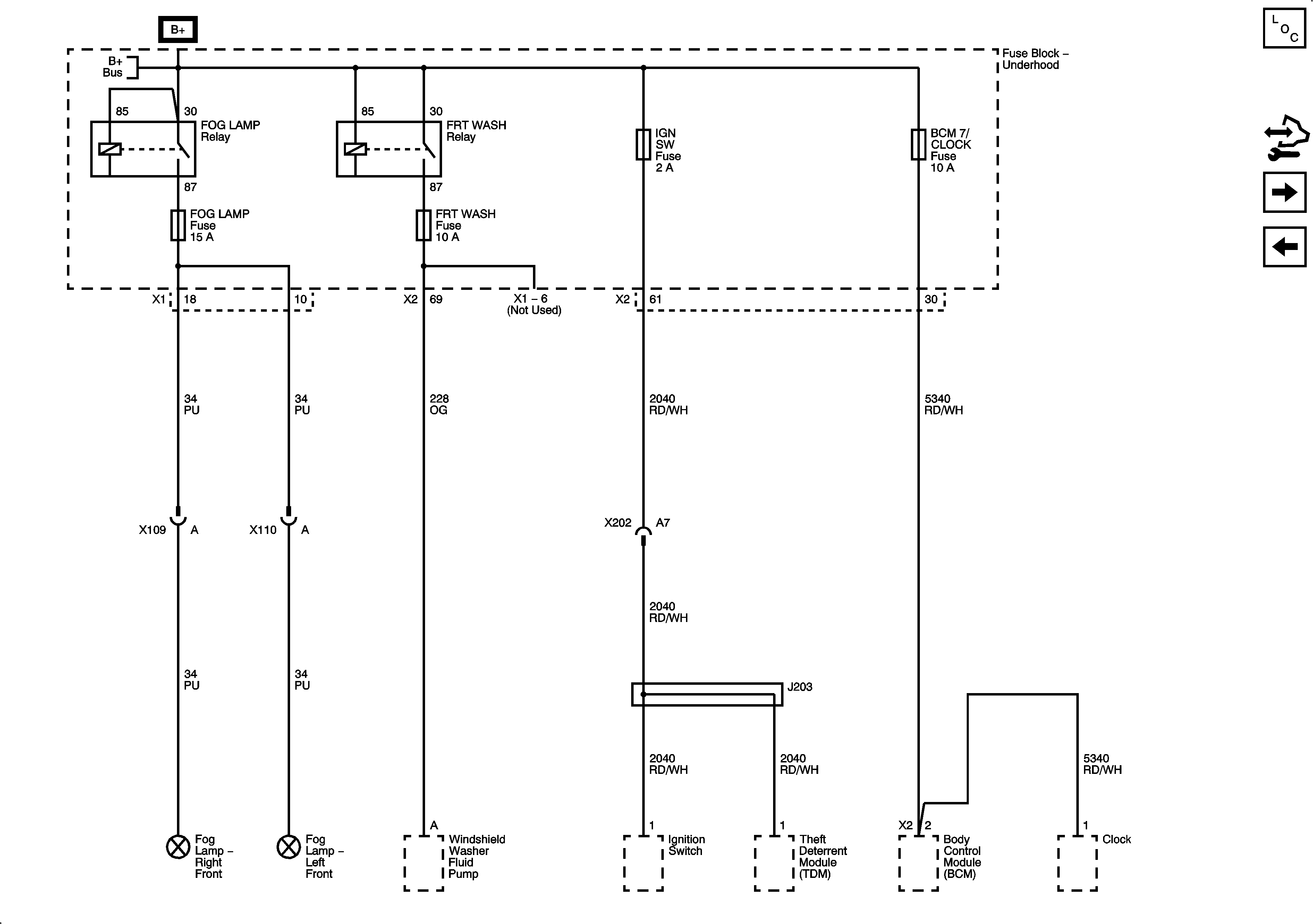
Figure 6:

BCM 7/CLOCK, FOG LAMP Fuse, FRNT WSHR Fuse, and IGN SW Fuse


Object Number: 2063438  Size: FS
Figure 7:

BCM 1 Fuse, BCM 2 Fuse, BCM 4 Fuse, BCM 5 Fuse, BCM 6 Fuse, RADIO Fuse, and SPARE Fuse (V92 without T79)


Object Number: 2063441  Size: FS
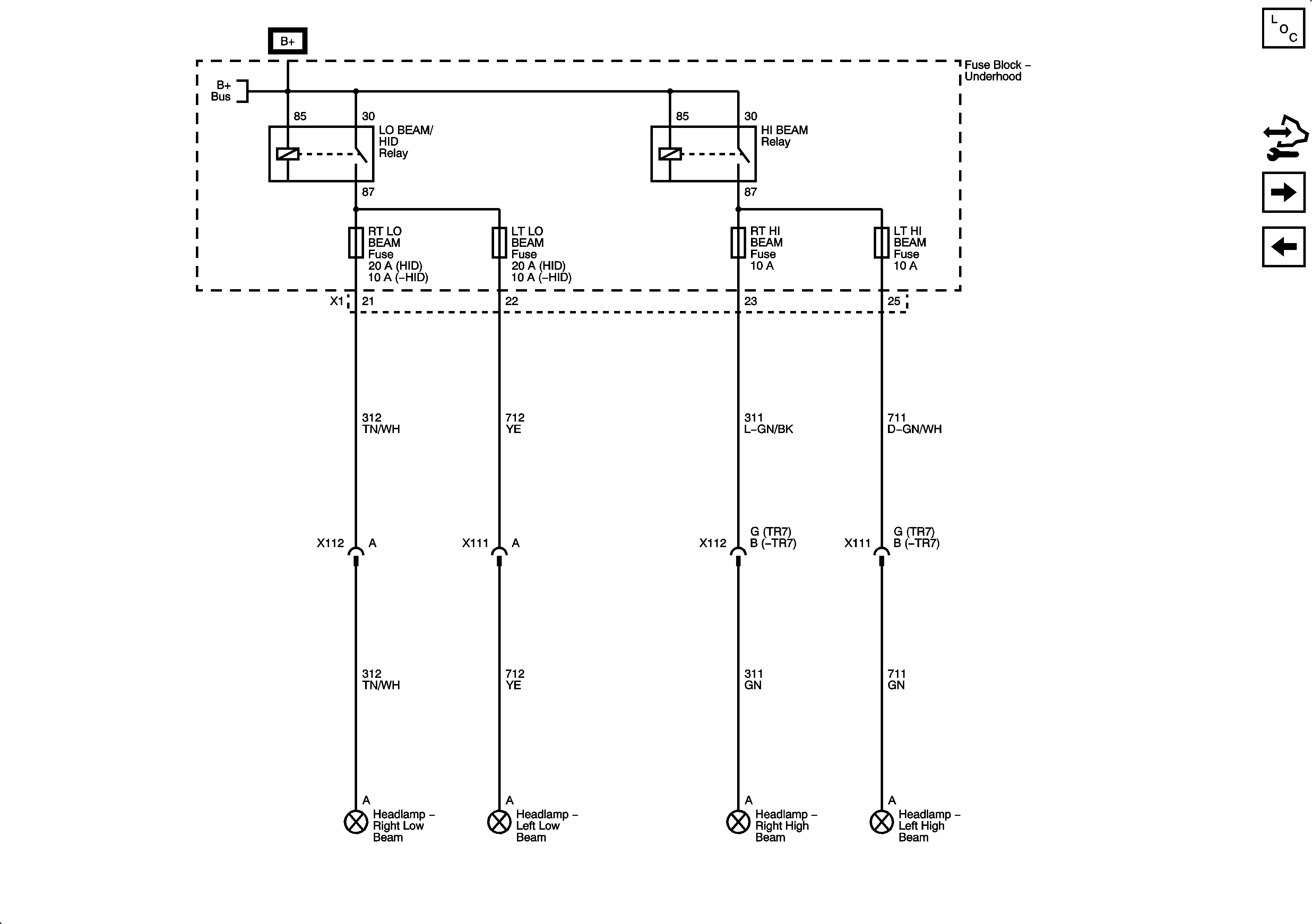
Figure 8:

Headlamp Fuses


Object Number: 2063443  Size: FS
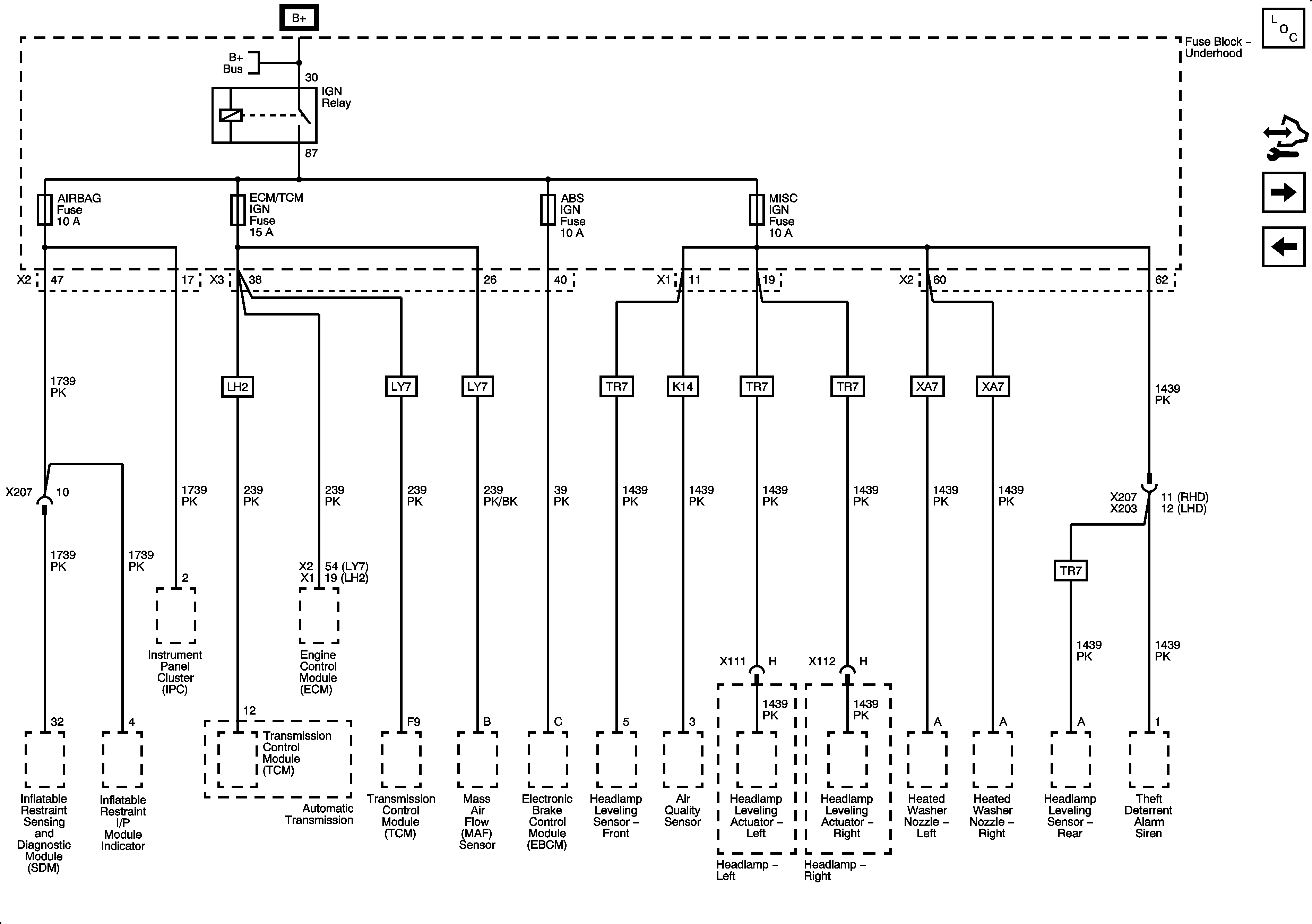
Figure 9:

IGN MAIN Relay, ABS IGN Fuse, AIRBAG Fuse, ECM TCM IGN Fuse, and MISC IGN Fuse


Object Number: 2063445  Size: FS
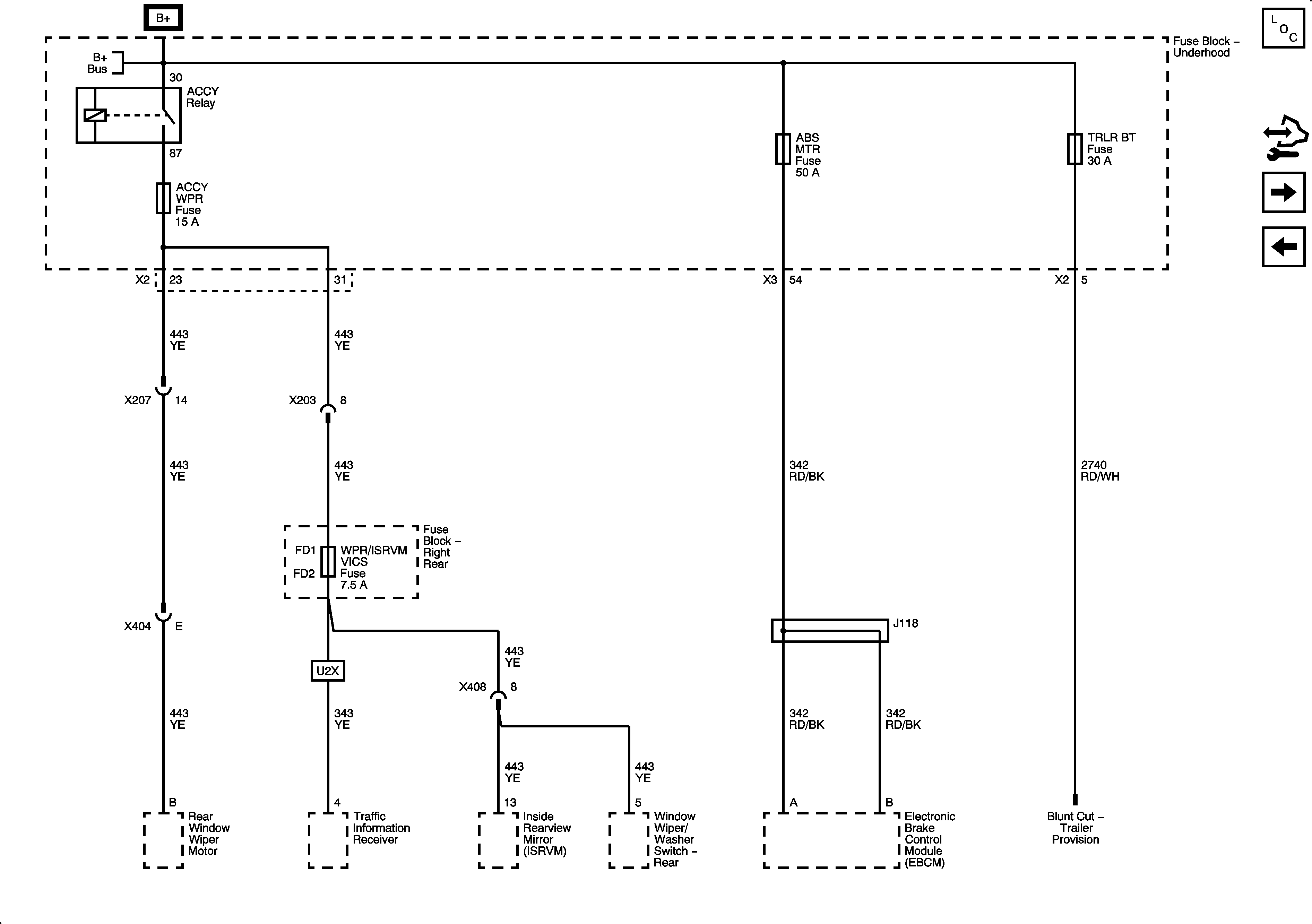
Figure 10:

ABS MOTOR Fuse, ACCY Relay, ACCY WPR Fuse, and TRLR BT Fuse


Object Number: 2063447  Size: FS
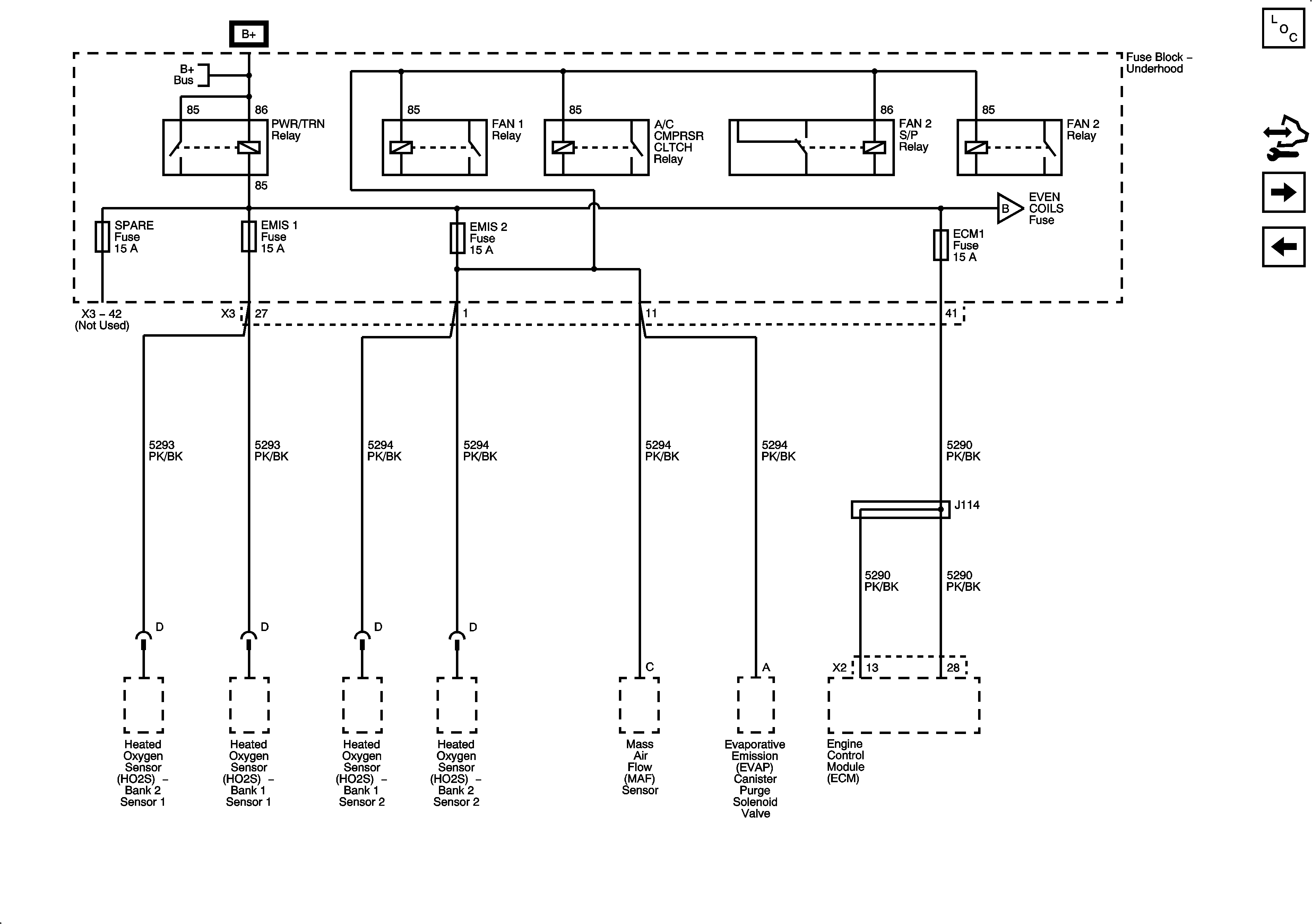
Figure 11:

ECM 1 Fuse, EMISSION 1 Fuse, EMISSION 2 Fuse, and PWR/TRN Relay LY7


Object Number: 2063450  Size: FS
Figure 12:

ECM 1 Fuse, EMISSION 1 Fuse, EMISSION 2 Fuse, and PWR/TRN Relay LH2


Object Number: 2063453  Size: FS
Figure 13:

EVEN COIL Fuse and ODD COIL Fuse


Object Number: 2063456  Size: FS
Figure 14:

AUX OUTLET Fuse, BLWR Relay, CIG Fuse, DISPLAY Fuse, ECM BATT Fuse, and TCM BATT Fuse


Object Number: 2063461  Size: FS
Figure 15:

3RD ROW SW/RFA Fuse, AMP Fuse, ONSTAR TV/XM Fuse, RSA/RSE Fuse, and RSM Fuse


Object Number: 2063465  Size: FS
Figure 16:

APO Fuse, DRIVER DR MOD Fuse, MEMORY RPA Fuse, and PWR WNDWS Circuit Breaker


Object Number: 2063473  Size: FS
Figure 17:

LH PRK POS LAMPS Fuse, MARKER LAMP Fuse, PRK LAMP LH POS RELAY Fuse, RH PRK LAMPS Fuse, and TRLR PRK LAMPS Fuse


Object Number: 2063488  Size: FS
Figure 18:

ELC Fuse, PDM Fuse, and SIR Fuse


Object Number: 2063491  Size: FS
Figure 19:

BCM 3 Fuse, CANISTER VENT Fuse, MRRTD Fuse, PLG Fuse, and PWR LIFT GATE Fuse


Object Number: 2063494  Size: FS
Figure 20:

PWR SEATS Circuit Breaker, SUNROOF MOD Fuse, and THEFT VGDO/RFA Fuse


Object Number: 2063497  Size: FS
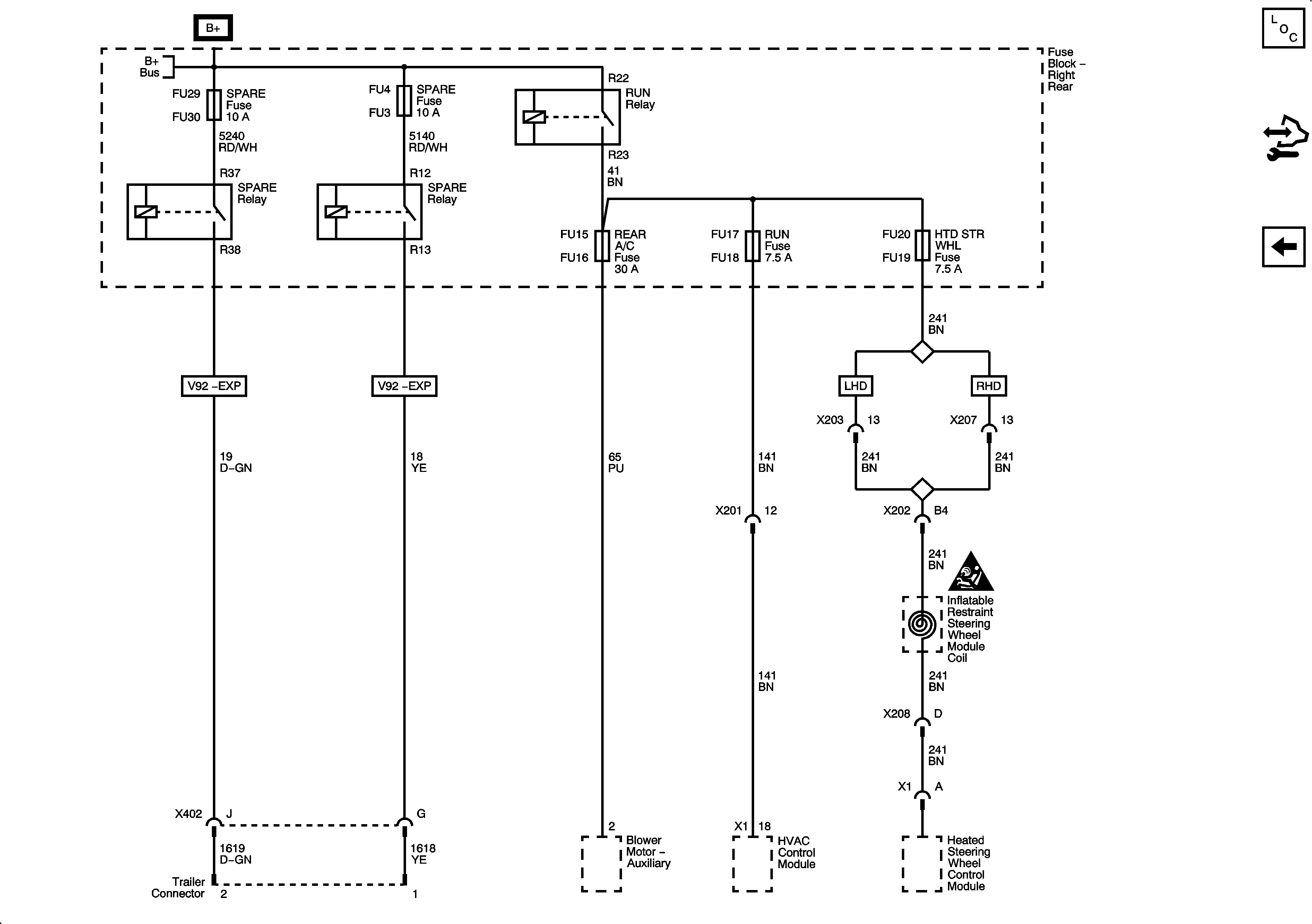
Figure 21:

REAR A/C Fuse, RUN Fuse, RUN Relay, and Trailer Provision Fuses and Relays


Object Number: 2063502  Size: FS