GM Service Manual Online
For 1990-2009 cars only
Figure 1:

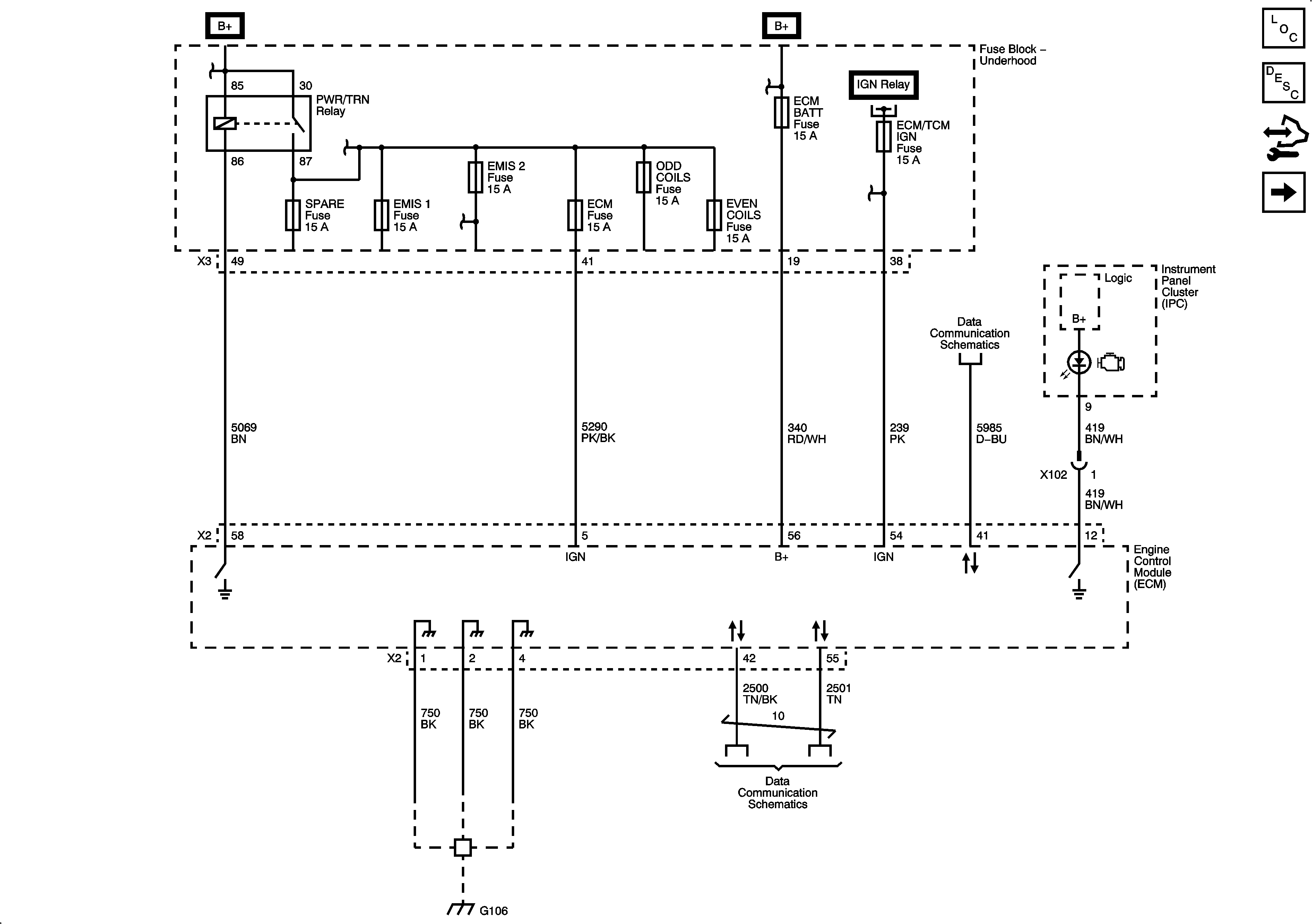
Module Power, Ground, Serial Data and MIL


Object Number: 2062338  Size: FS
Figure 2:

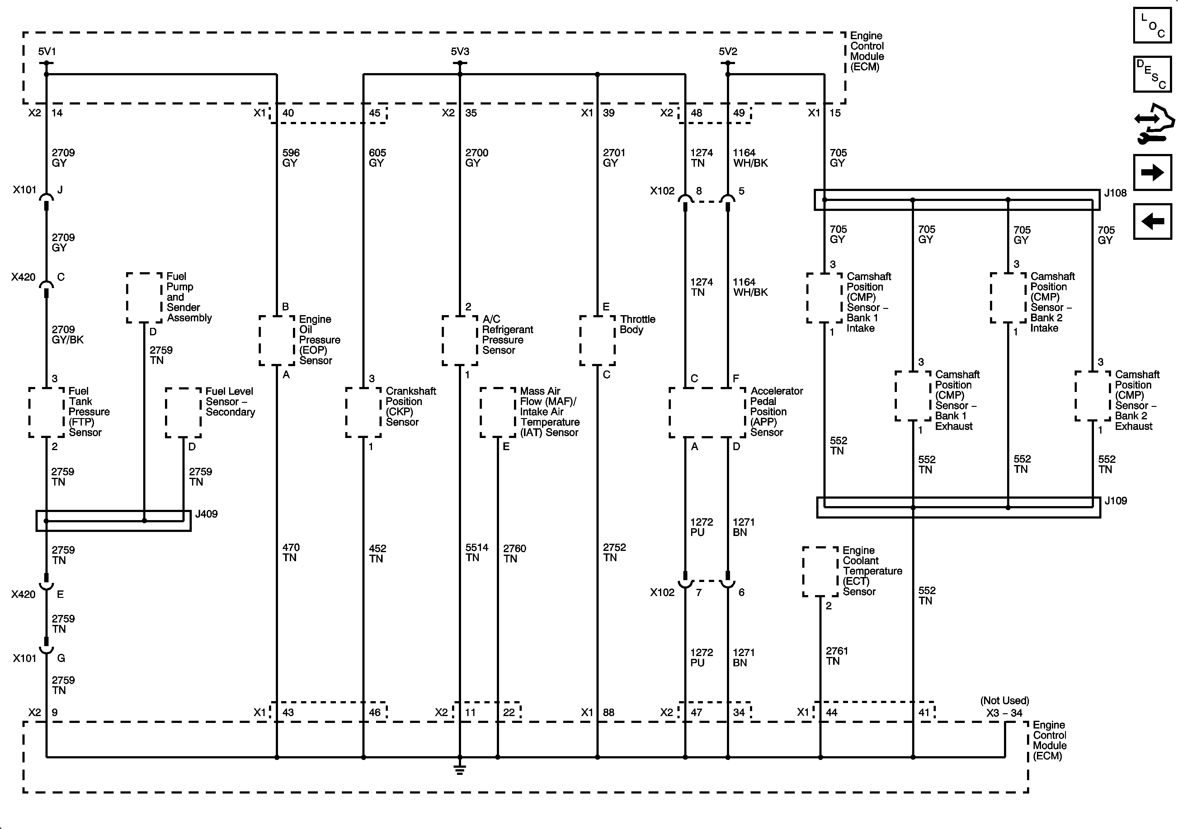
Engine Data Sensors - 5-Volt Reference


Object Number: 2062340  Size: FS
Figure 3:

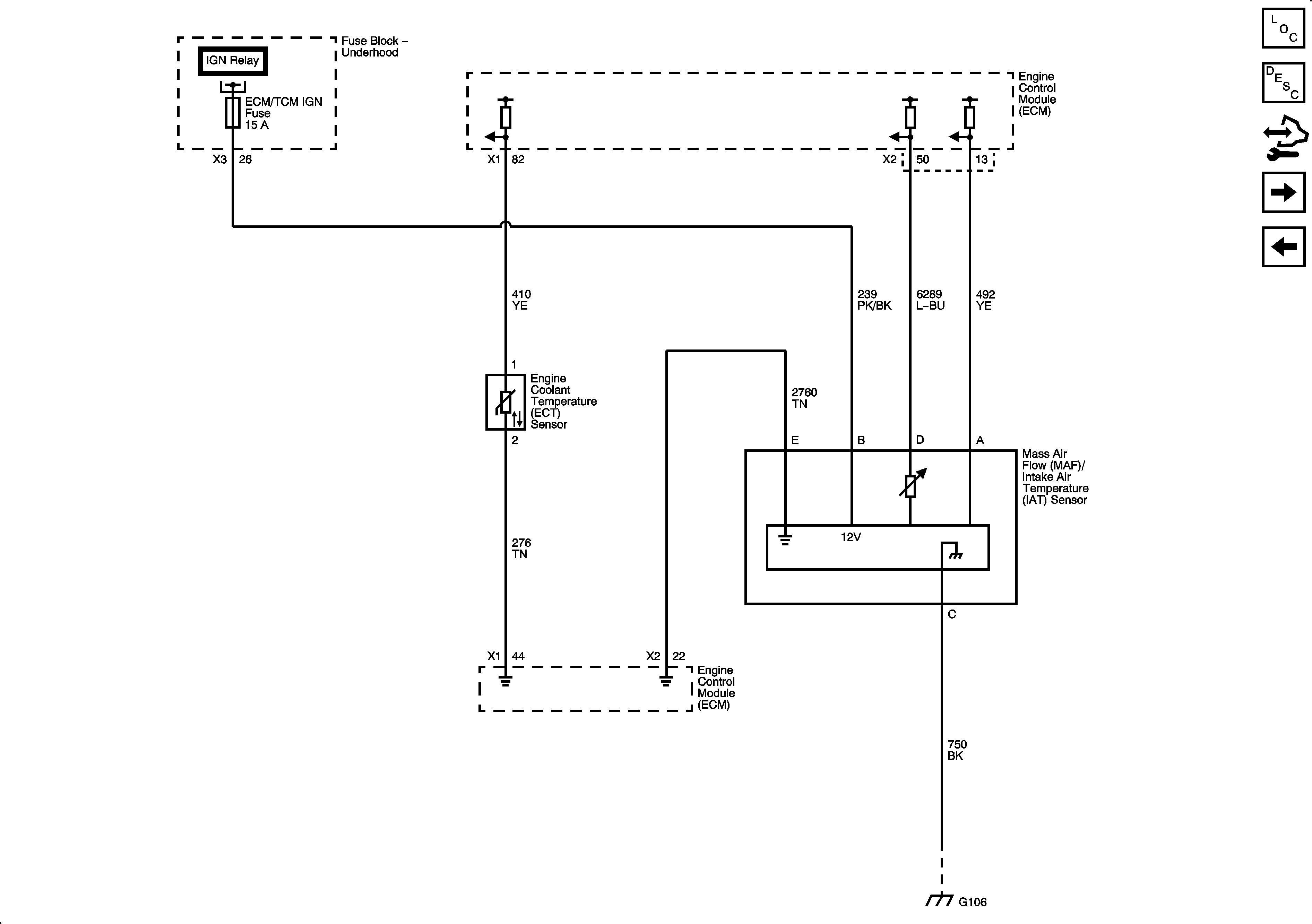
Engine Data Sensors - MAF and Engine Coolant Temperature Sensor


Object Number: 2062342  Size: FS
Figure 4:

Engine Data Sensors - Oxygen Sensors


Object Number: 2062344  Size: FS
Figure 5:

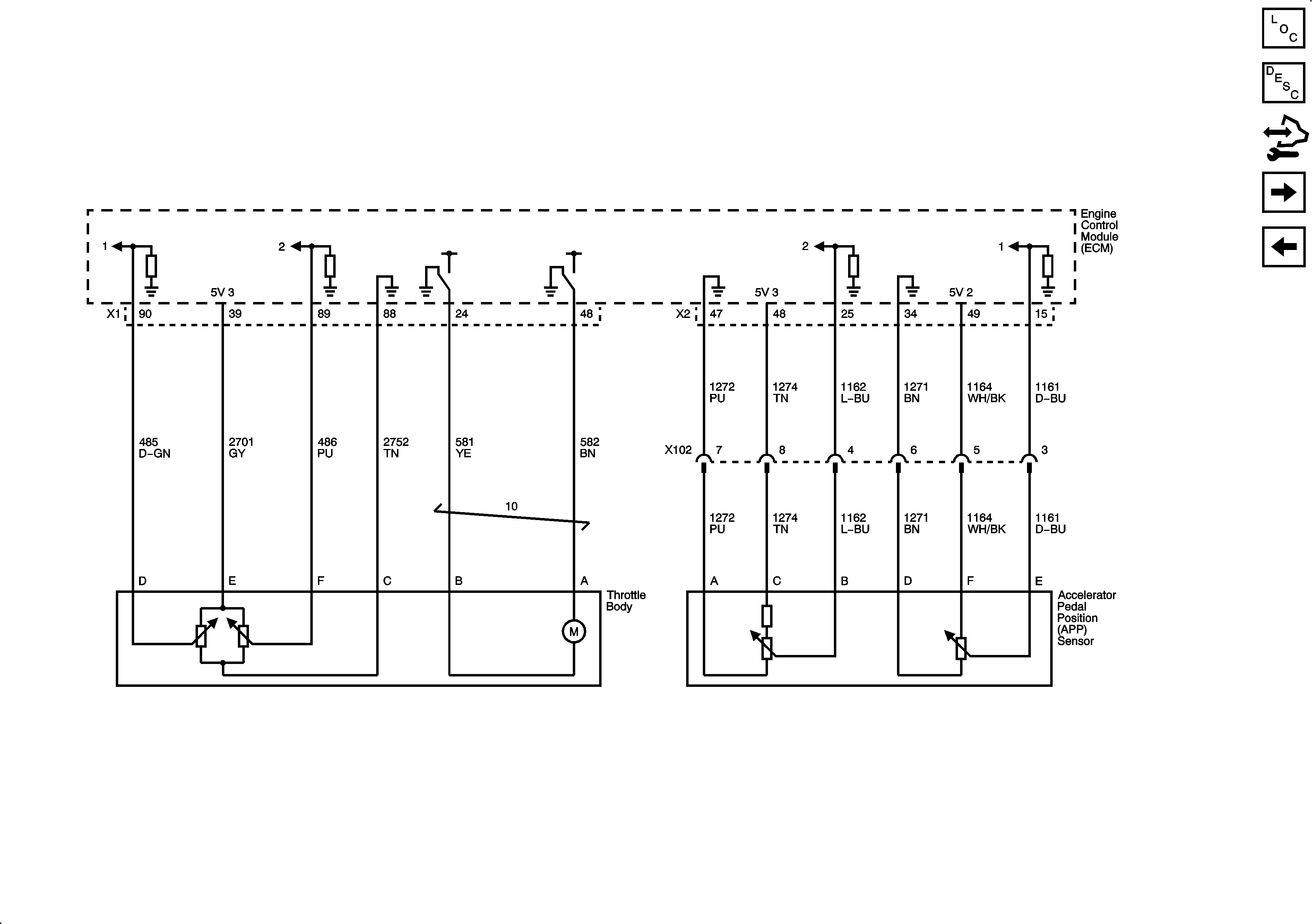
Engine Data Sensors - Throttle Body


Object Number: 2062349  Size: FS
Figure 6:

Ignition Controls - Bank 1 Ignition Coils


Object Number: 2062356  Size: FS
Figure 7:

Ignition Controls - Bank 2 Ignition Coils


Object Number: 2062358  Size: FS
Figure 8:

Ignition Controls - CMP Sensors and Solenoids


Object Number: 2062364  Size: FS
Figure 9:

Ignition Controls - Crankshaft Position (CKP) and Knock Sensors


Object Number: 2062369  Size: FS
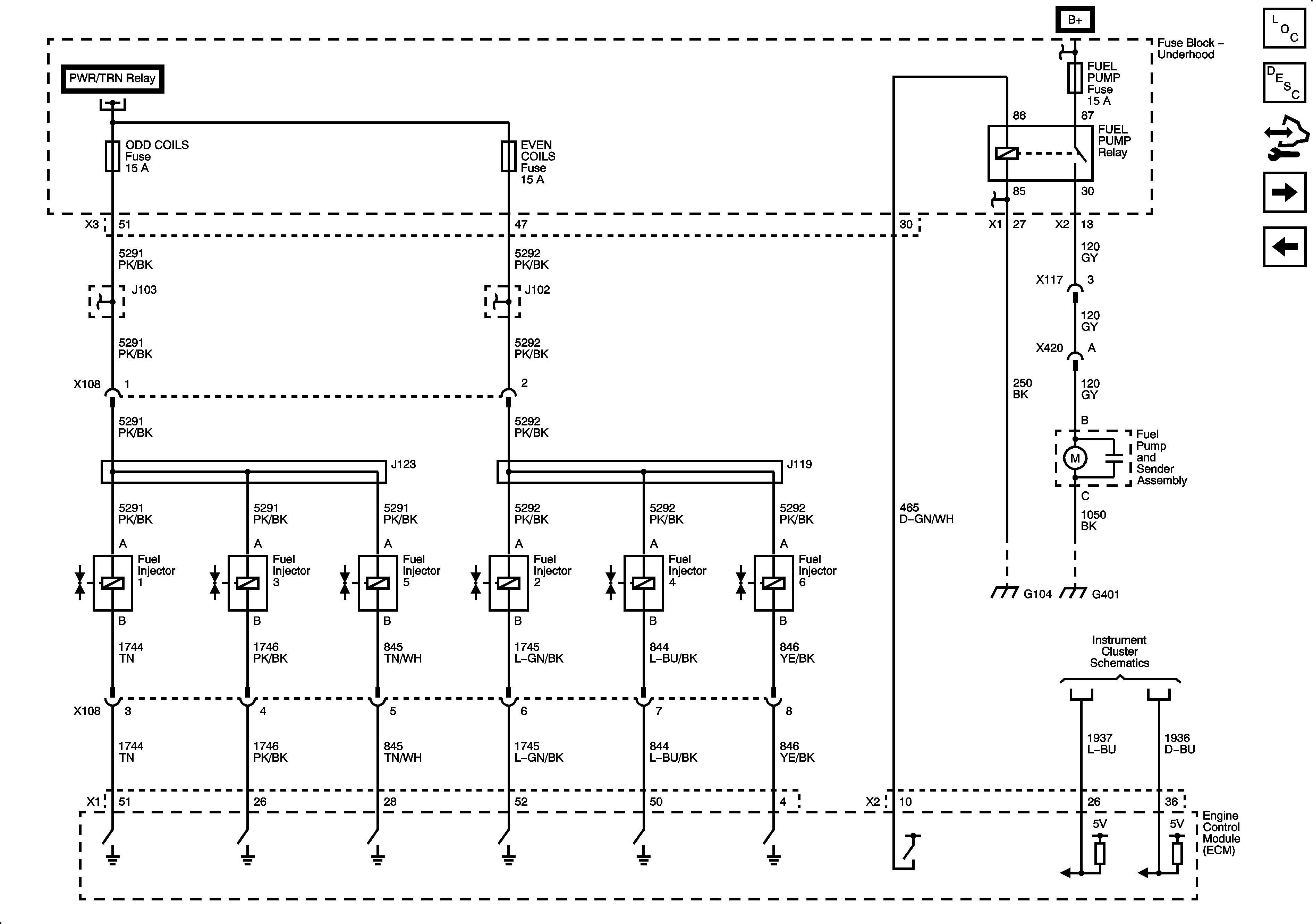
Figure 10:

Fuel Controls - Fuel Pump and Injectors


Object Number: 2062376  Size: FS
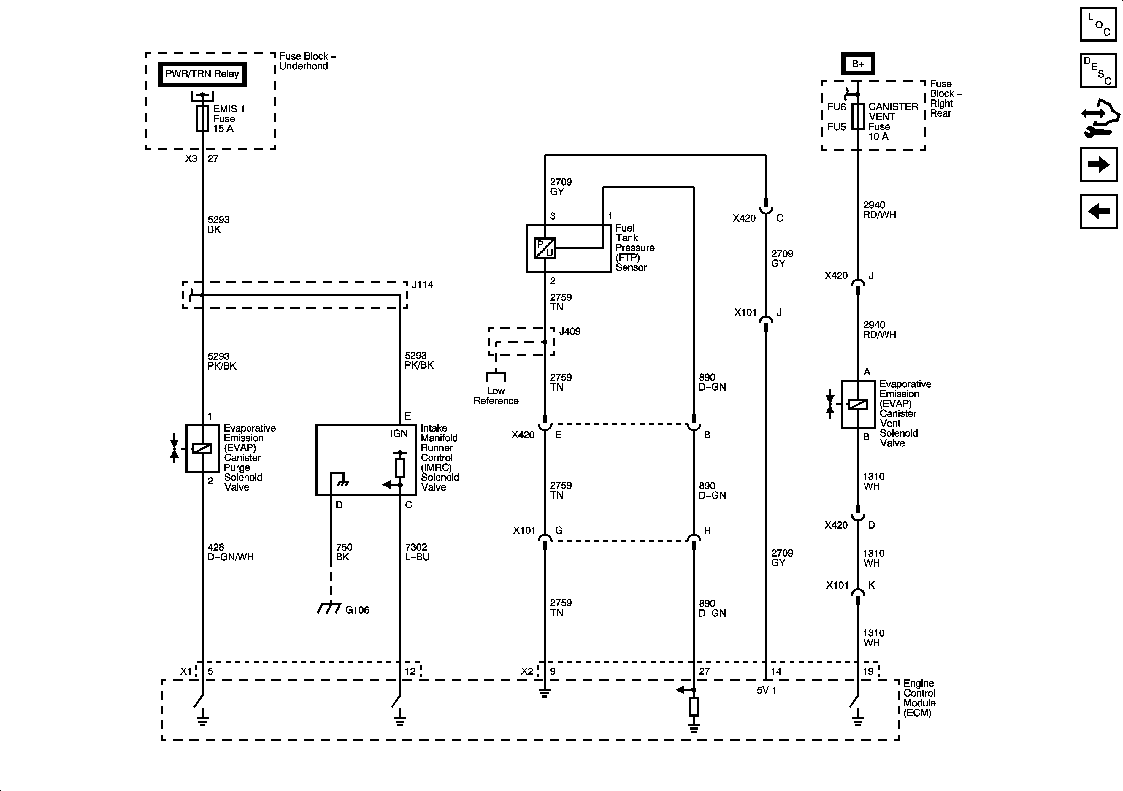
Figure 11:

Fuel Controls - EVAP Controls


Object Number: 2062378  Size: FS
Figure 12:

Controlled/Monitored Subsystem References


Object Number: 2062380  Size: FS