GM Service Manual Online
For 1990-2009 cars only
Figure 1:

Power, Ground, Serial Data and MIL


Object Number: 2062382  Size: FS
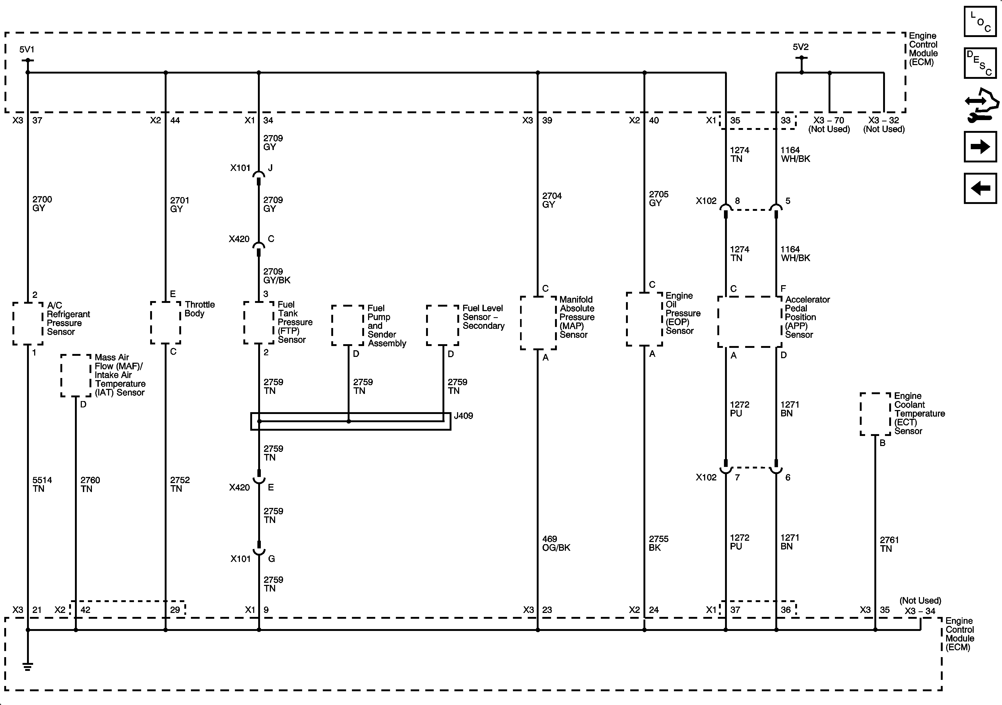
Figure 2:

Engine Data Sensors - 5-Volt and Low References


Object Number: 2062384  Size: FS
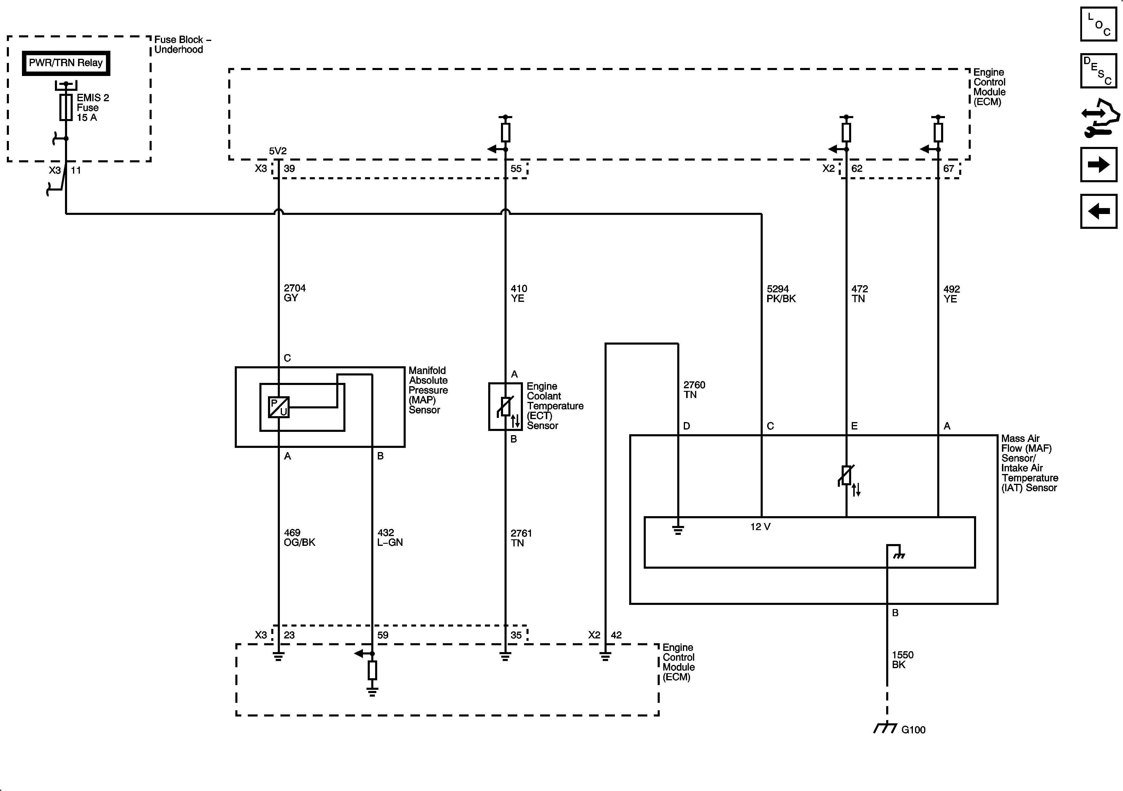
Figure 3:

Engine Data Sensors - MAF, MAP and Engine Coolant Temp (ECT) Sensor


Object Number: 2062386  Size: FS
Figure 4:

Engine Data Sensors - Oxygen Sensors


Object Number: 2062389  Size: FS
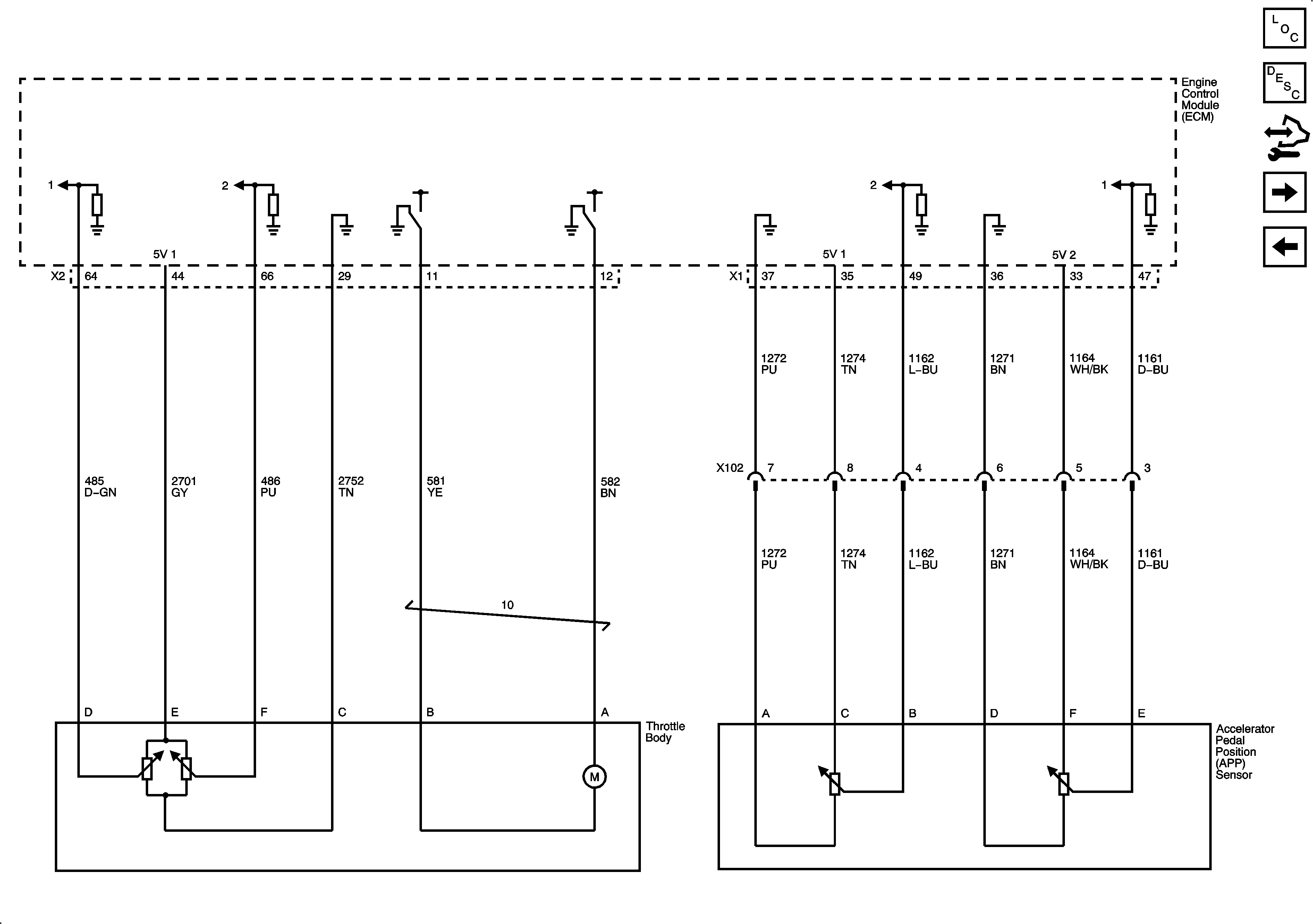
Figure 5:

Engine Data Sensors - Electronic Throttle Controls


Object Number: 2062392  Size: FS
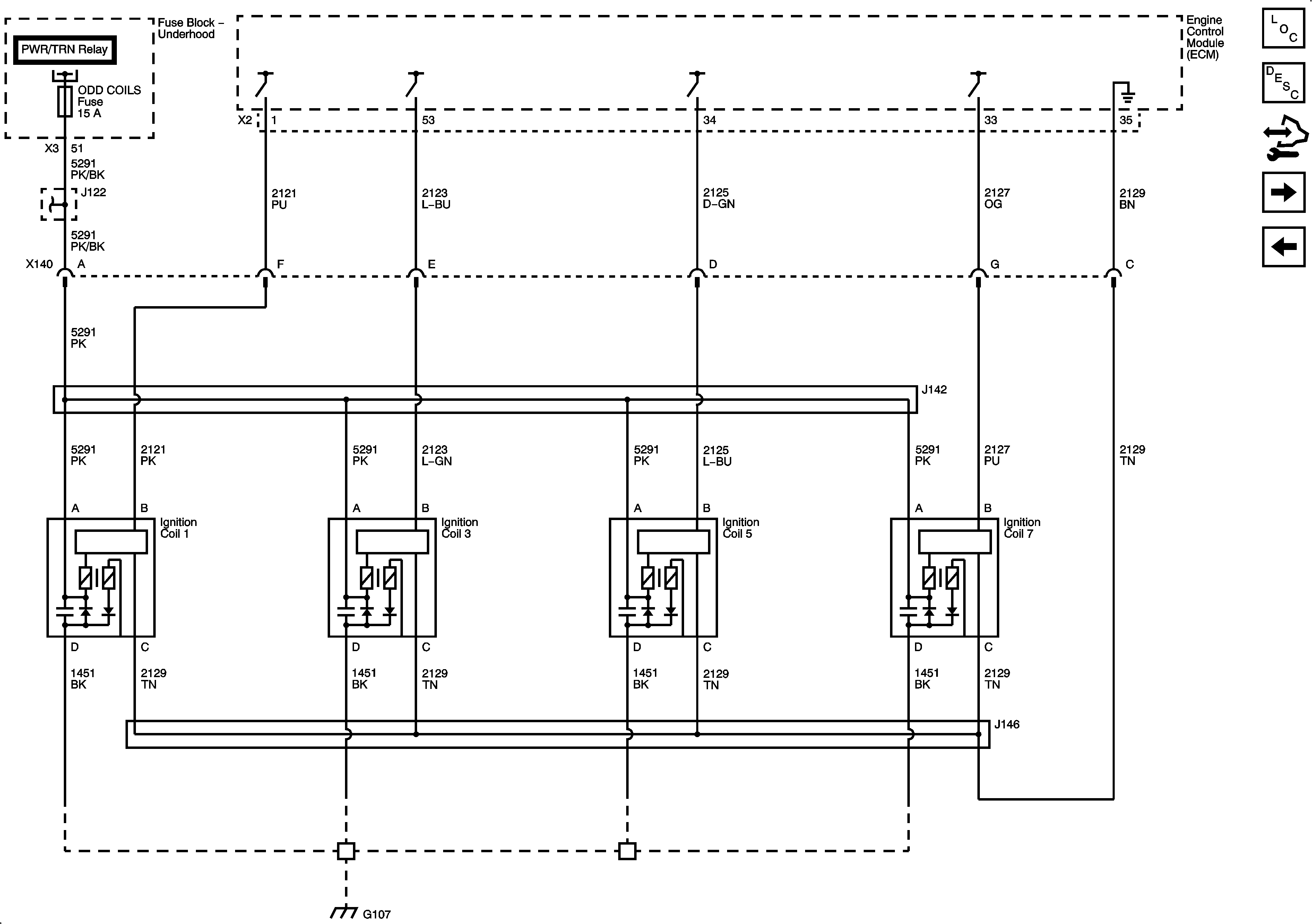
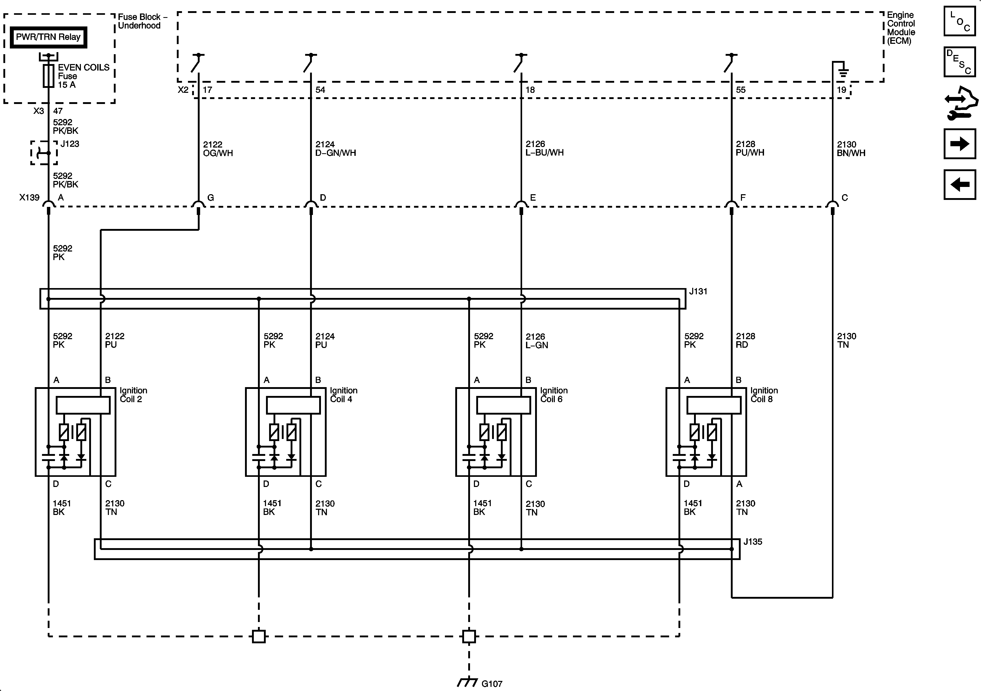
Figure 6:

Ignition Controls - Bank 1 Ignition Coils


Object Number: 2062397  Size: FS
Figure 7:

Ignition Controls - Bank 2 Ignition Coils


Object Number: 2062401  Size: FS
Figure 8:

Ignition Controls - CMP Sensors and Solenoids


Object Number: 2062403  Size: FS
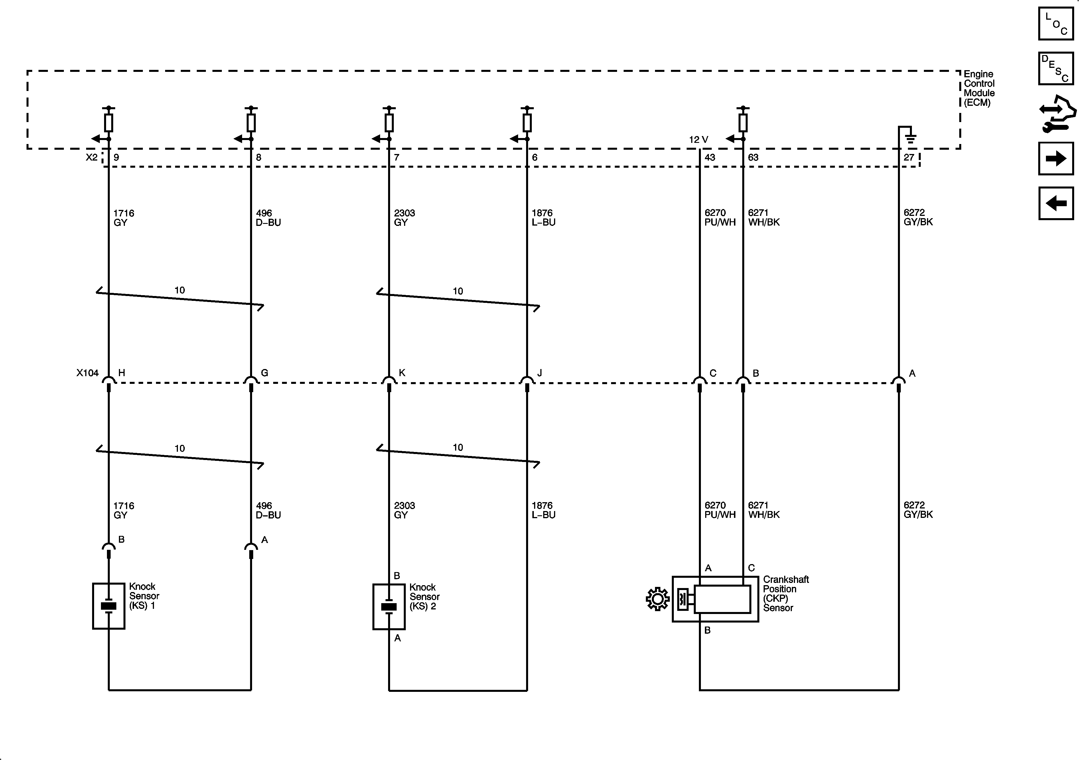
Figure 9:

Ignition Controls - CKP and Knock Sensors


Object Number: 2062406  Size: FS
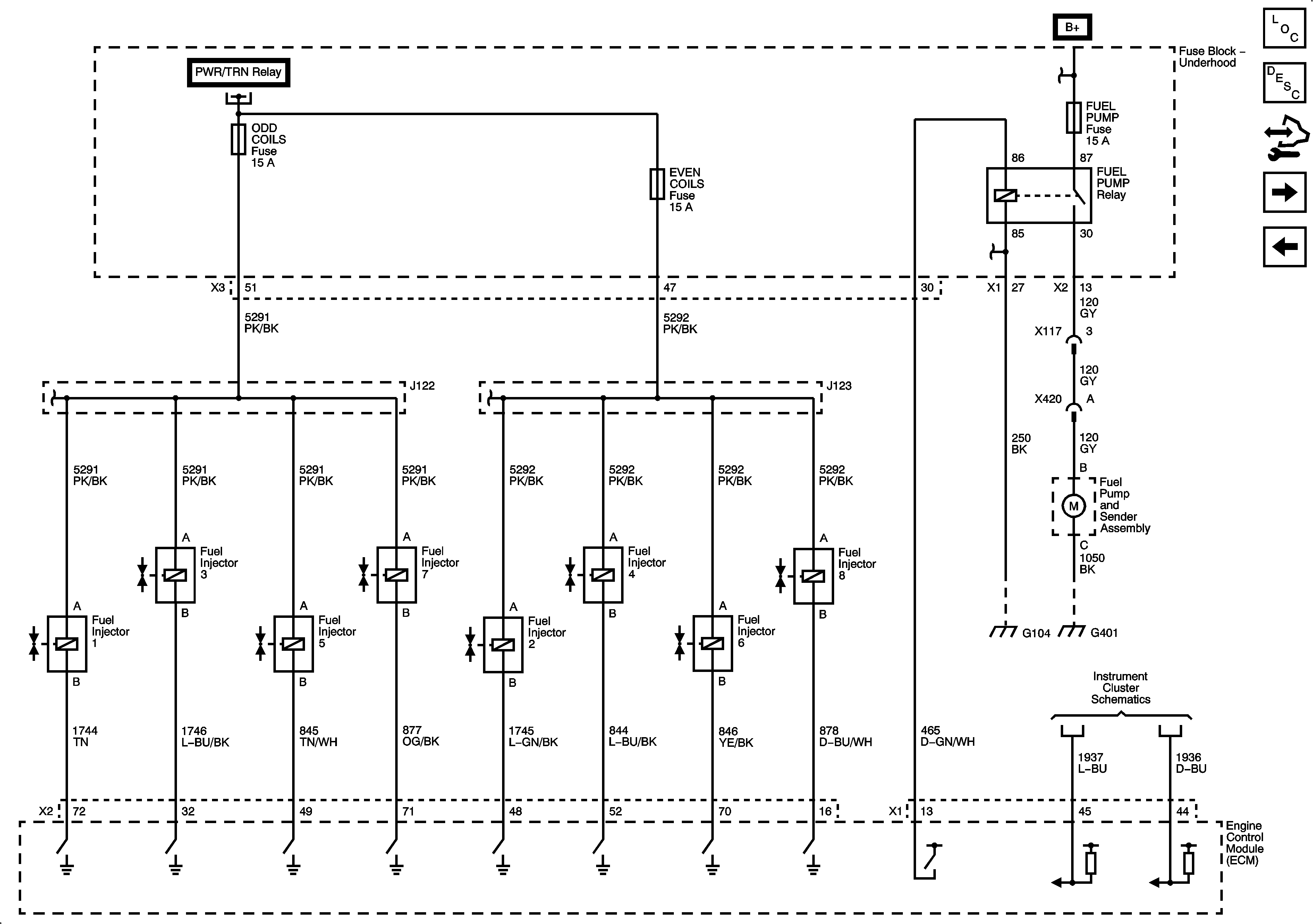
Figure 10:

Fuel Controls - Fuel Pump and Injectors


Object Number: 2062408  Size: FS
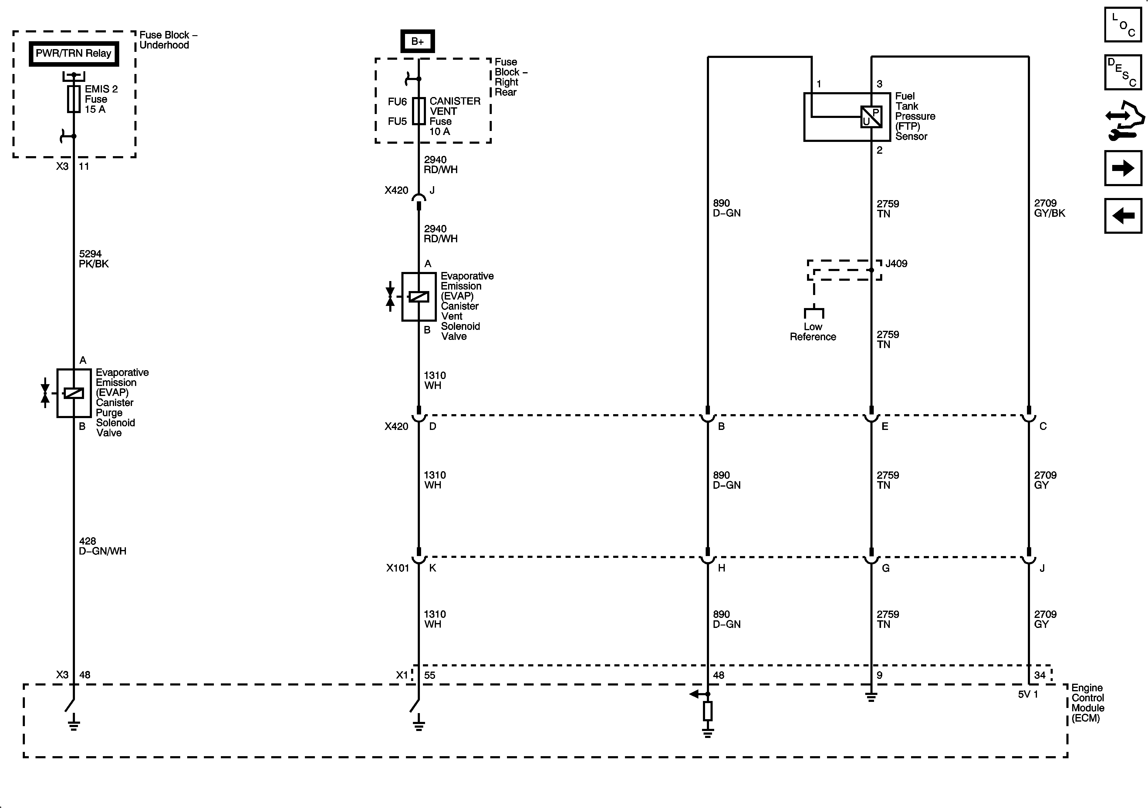
Figure 11:

Fuel Controls - EVAP Controls


Object Number: 2062410  Size: FS
Figure 12:

Controlled/Monitored Subsystem References


Object Number: 2062412  Size: FS