GM Service Manual Online
For 1990-2009 cars only
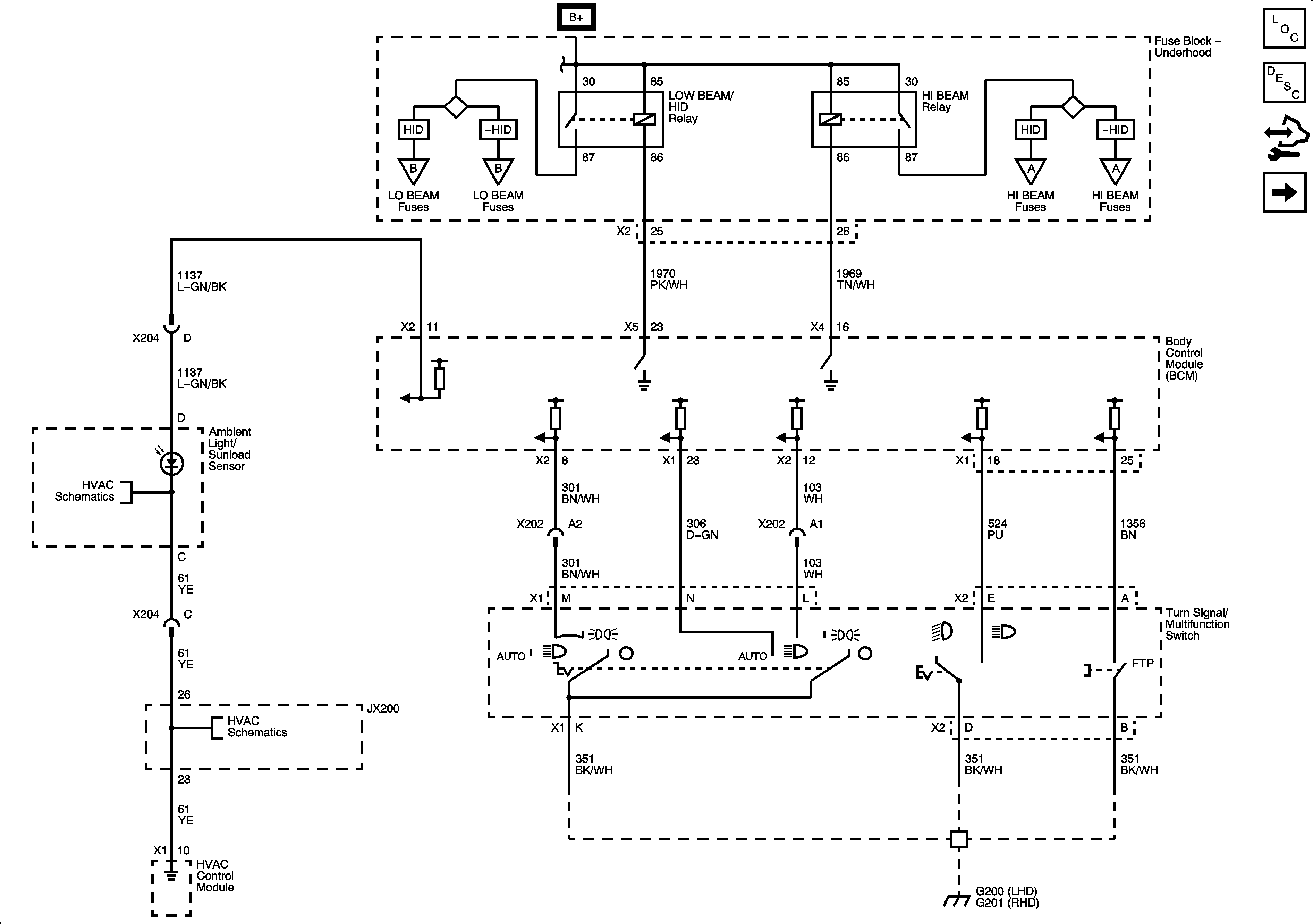
Figure 1:

Headlamp Controls


Object Number: 2062484  Size: FS
Figure 2:

Headlamps (without HID)


Object Number: 2062486  Size: FS
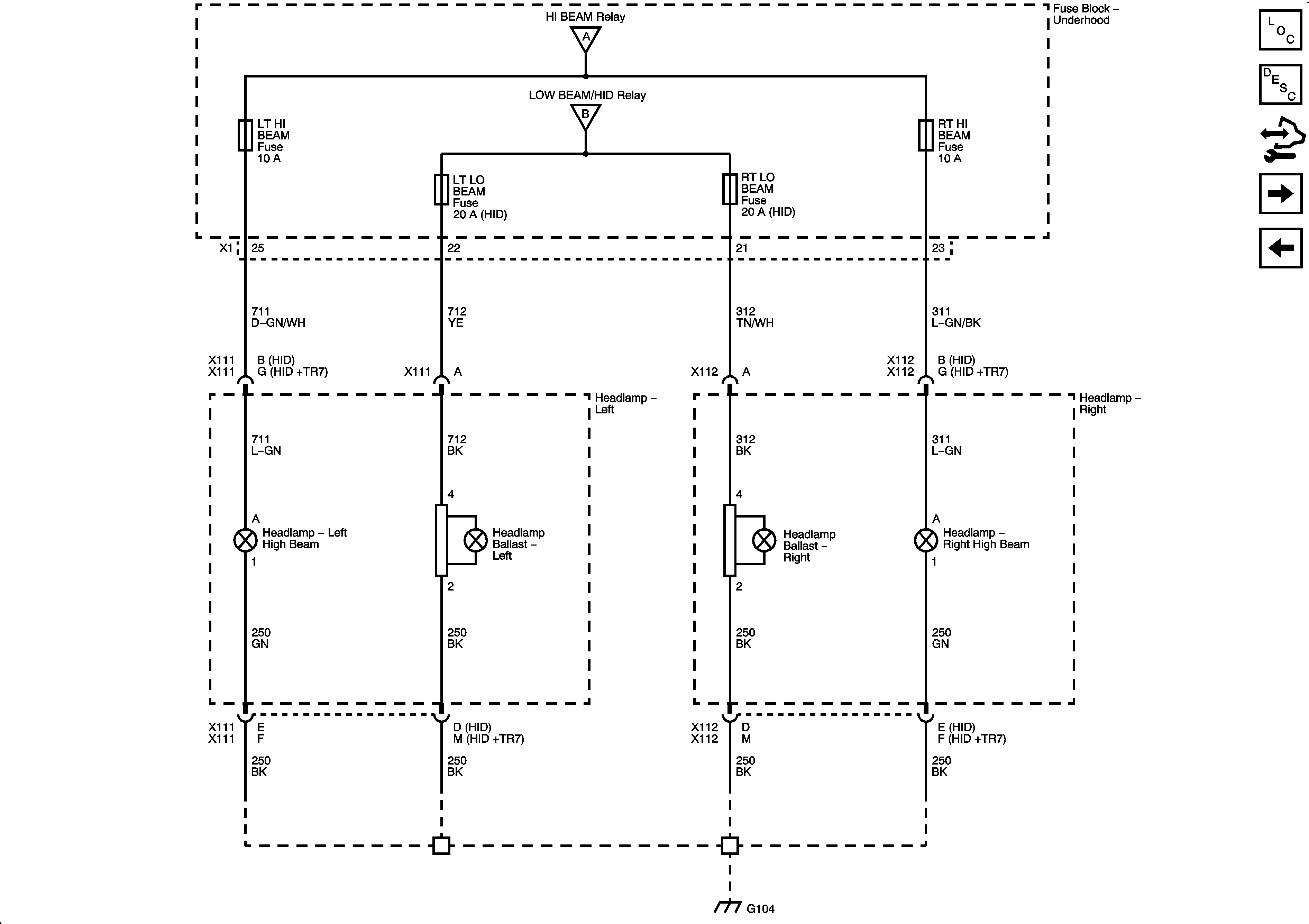
Figure 3:

Headlamps (HID)


Object Number: 2062488  Size: FS
Figure 4:

Daytime Running Lamps (DRL) (without EXP)


Object Number: 2062492  Size: FS