GM Service Manual Online
For 1990-2009 cars only
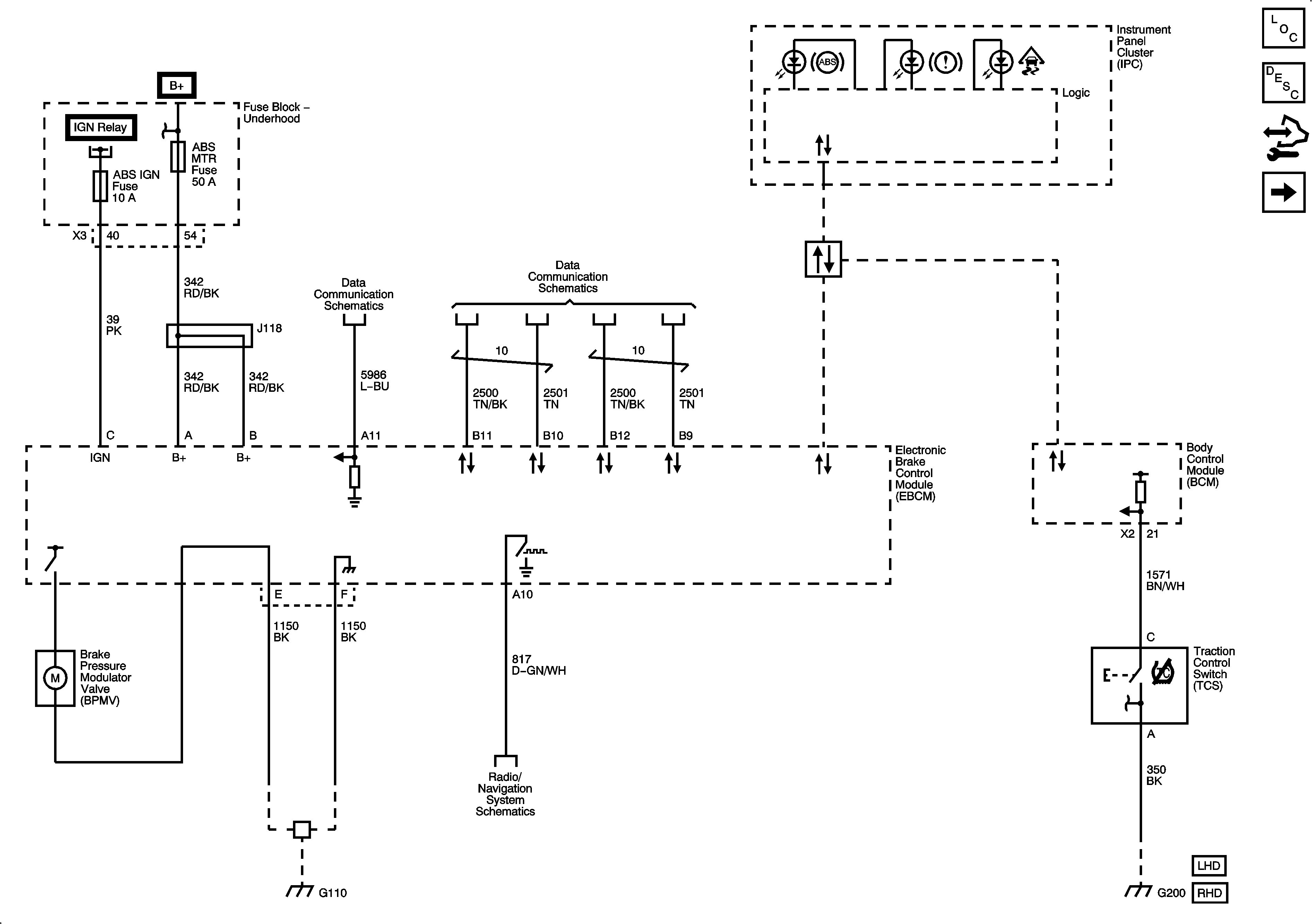
Figure 1:

Power, Ground, Serial Data, Indicator, and Traction Control


Object Number: 2062328  Size: FS
Figure 2:

Wheel Speed Sensors


Object Number: 2062330  Size: FS
Figure 3:

Stability Control System and Brake Fluid Pressure Sensor


Object Number: 2062332  Size: FS