GM Service Manual Online
For 1990-2009 cars only
Figure 1:

Module Power, Ground, Serial Data


Object Number: 2062445  Size: FS
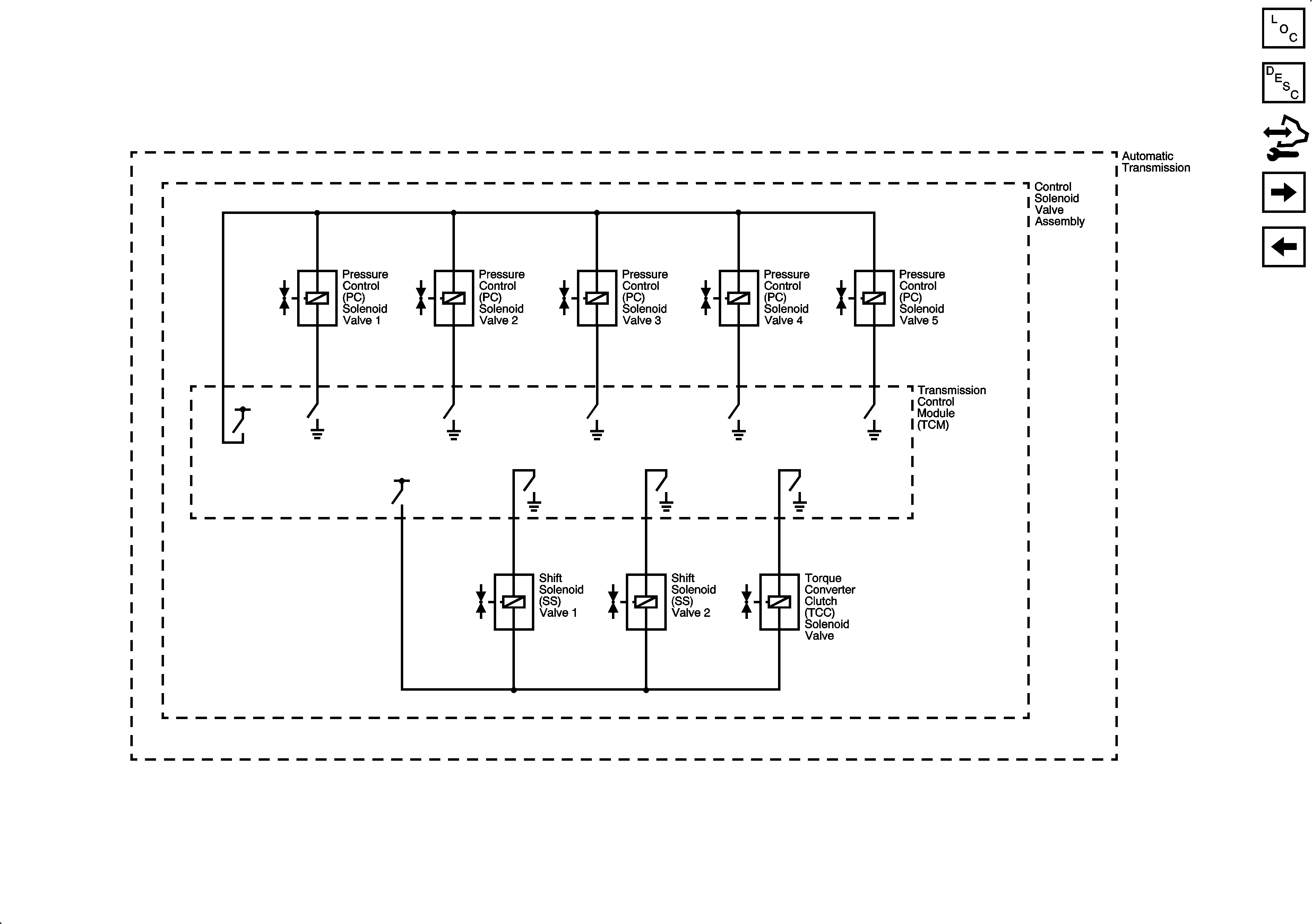
Figure 2:

Pressure Controls - 1 of 2 and Shift Controls


Object Number: 2062447  Size: FS
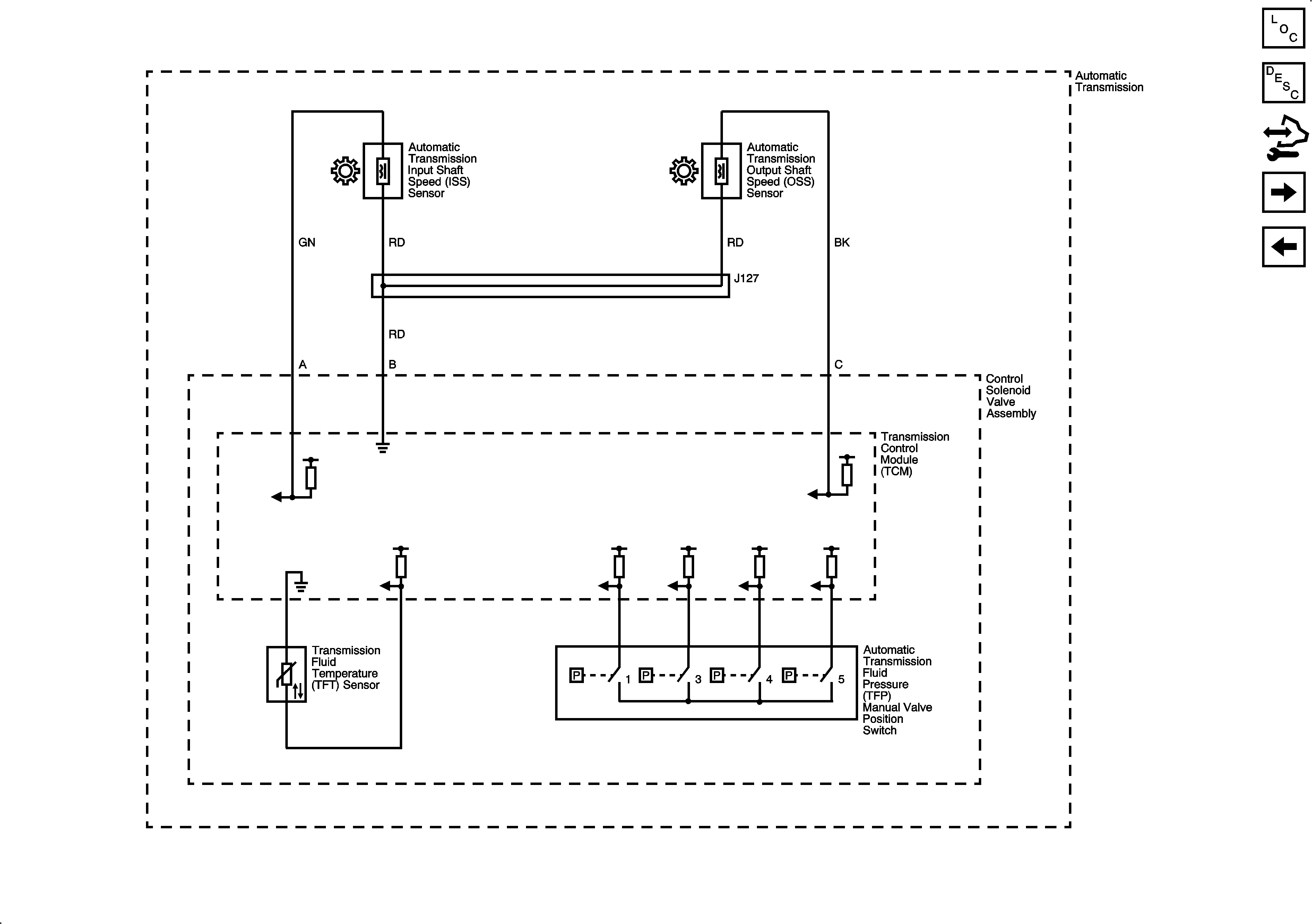
Figure 3:

Pressure Controls - 2 of 2 and Speed Sensors


Object Number: 2062450  Size: FS
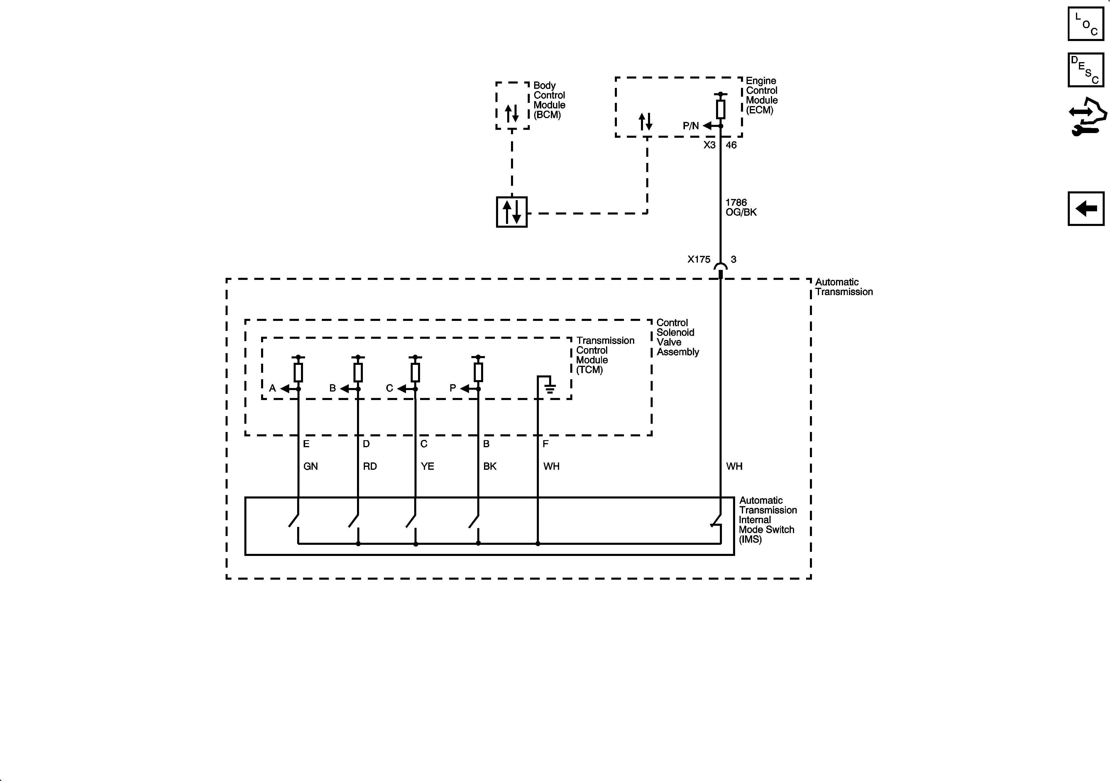
Figure 4:

Tow/Haul Switch and Tap Shift System


Object Number: 2062453  Size: FS
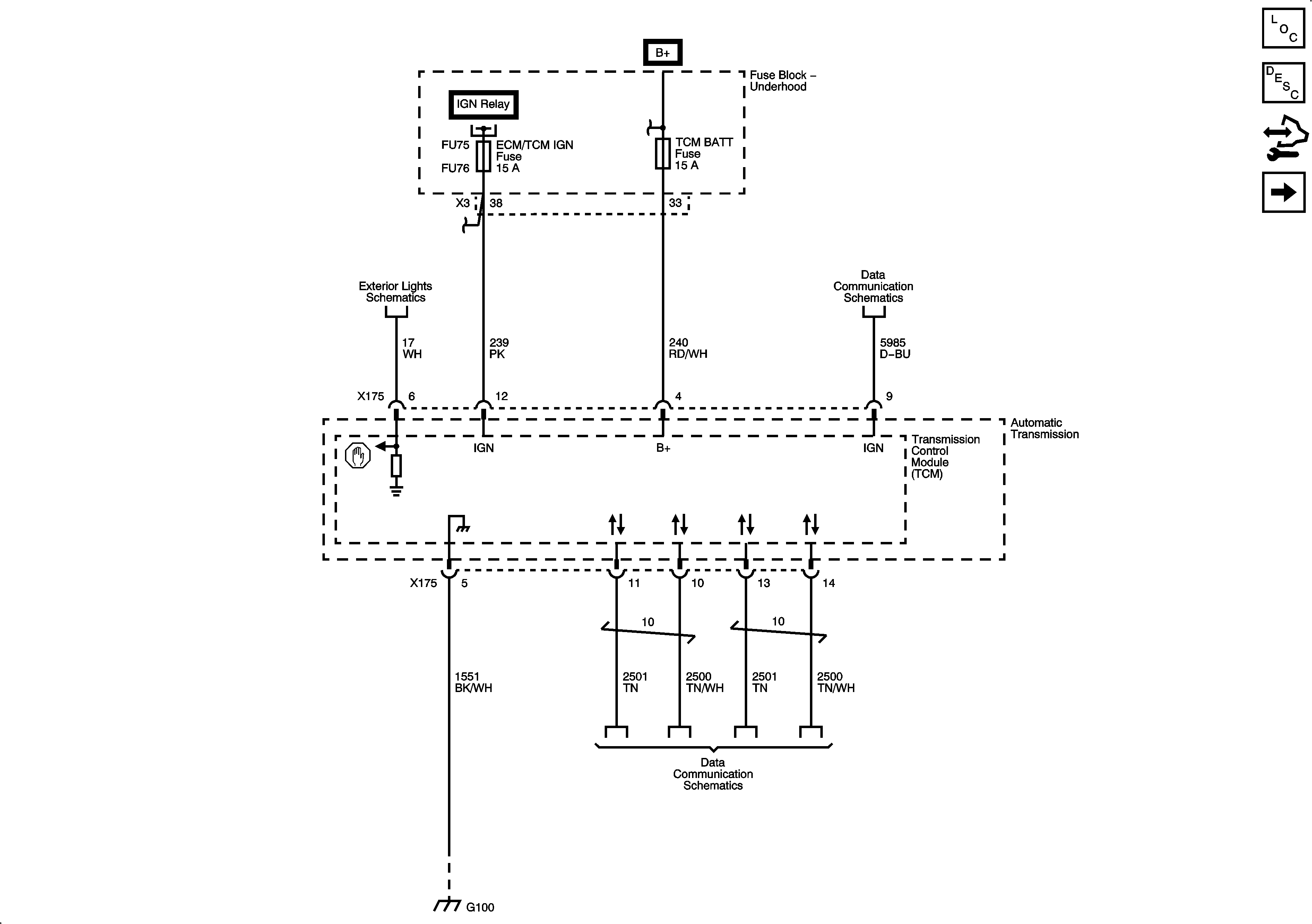
Figure 5:

Transmission Range Signals


Object Number: 2062456  Size: FS