GM Service Manual Online
For 1990-2009 cars only
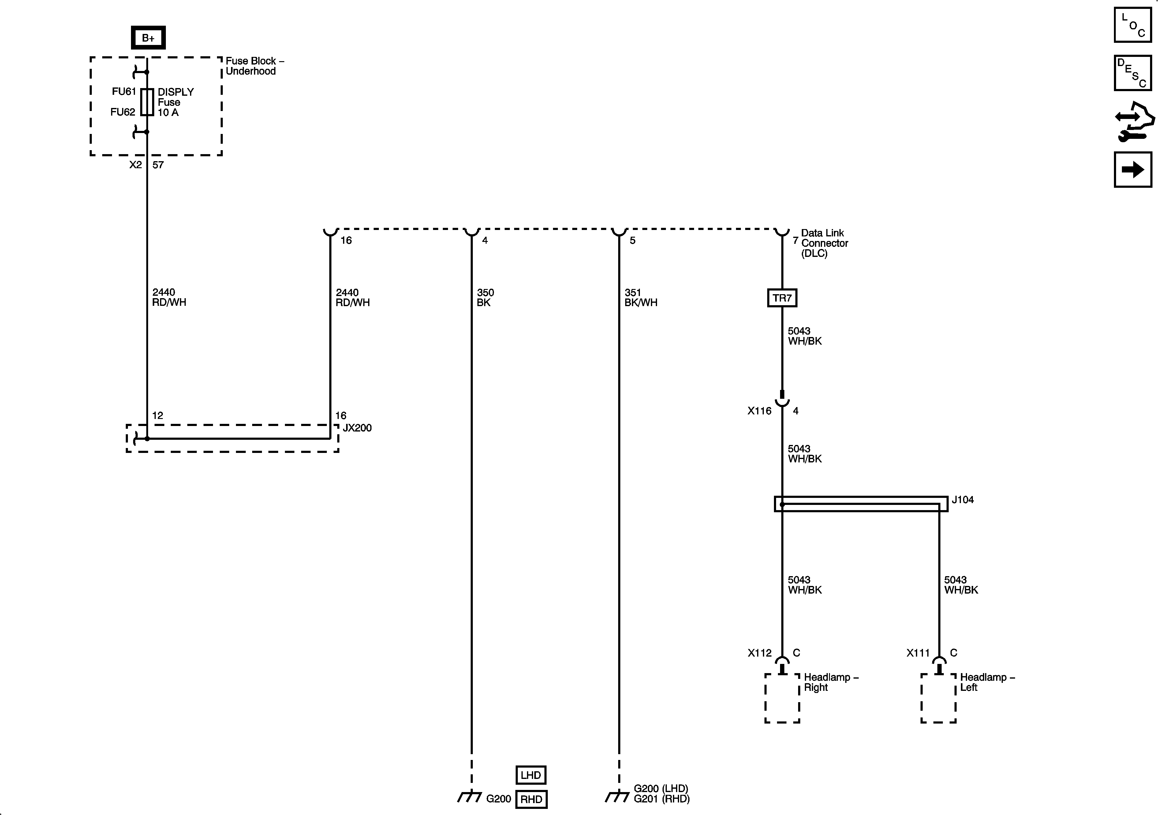
Figure 1:

Power, Ground, and Key Word 2000 Serial Data


Object Number: 2063405  Size: FS
Figure 2:

Low Speed GMLAN Serial Data 1 of 2


Object Number: 2063408  Size: FS
Figure 3:

Low Speed GMLAN Serial Data 2 of 2


Object Number: 2063410  Size: FS
Figure 4:

High Speed GMLAN


Object Number: 2063412  Size: FS
Figure 5:

Serial Data Communication Enable


Object Number: 2063414  Size: FS