GM Service Manual Online
For 1990-2009 cars only
Makes
🢒
Cadillac
🢒
2009
🢒
SRX
🢒
Power and Signal Distribution
🢒
Data Communications
🢒 Video System Schematics
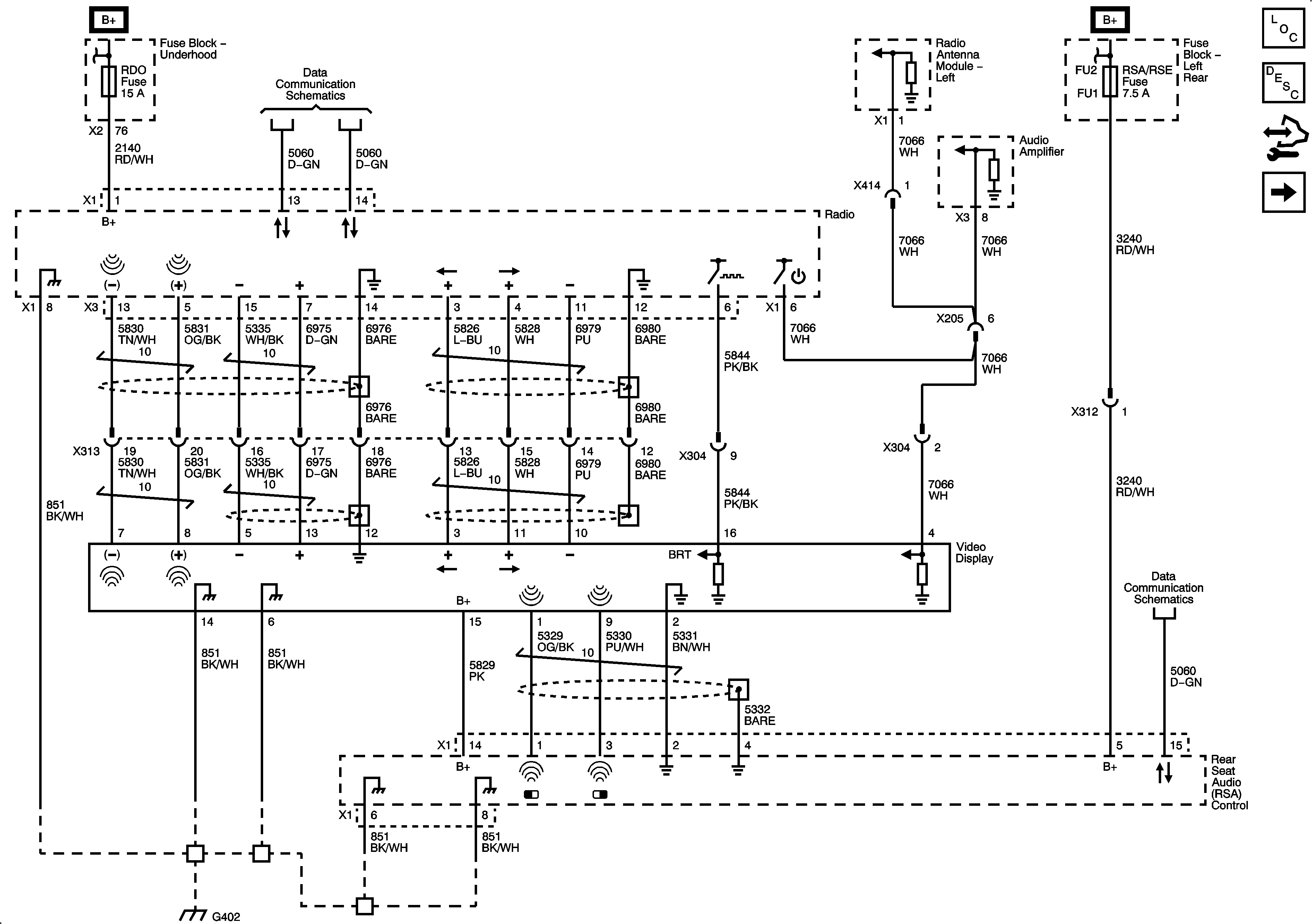
Figure
1:
Rear Video Display (U42)
Figure
2:
TV Tuner (EXP)
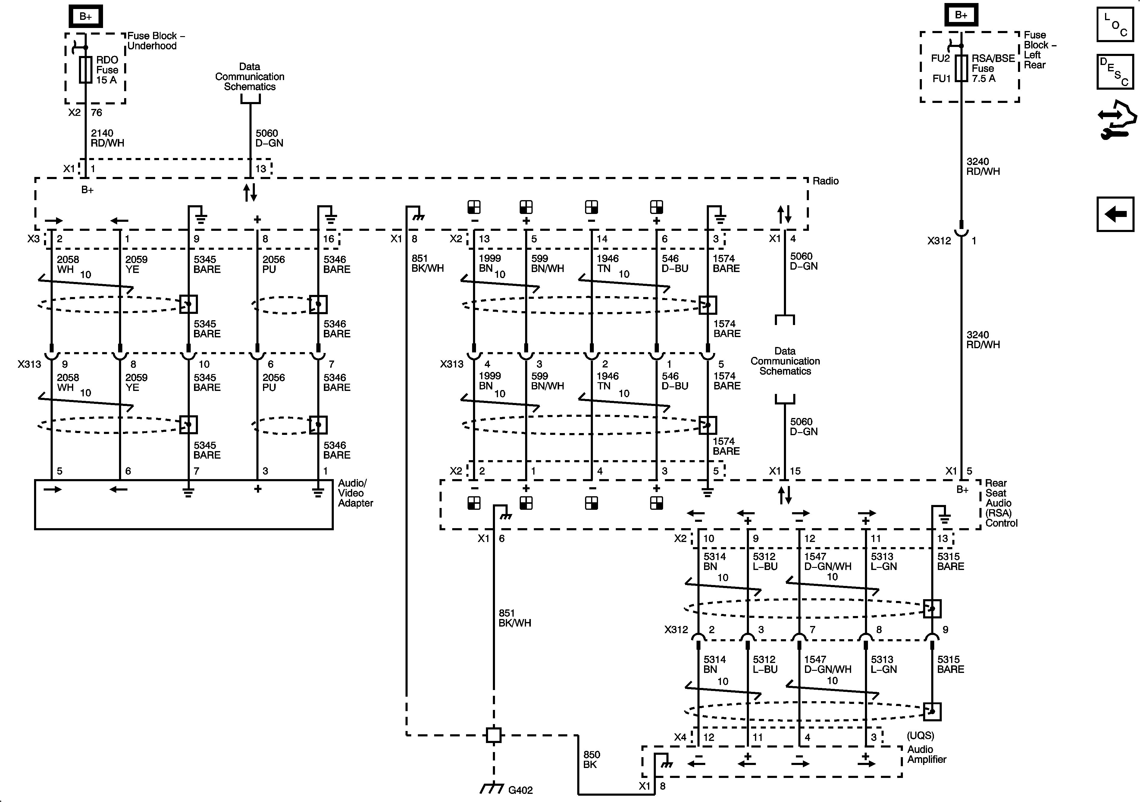
Figure
3:
Rear Seat Audio and Audio/Video Jacks