GM Service Manual Online
For 1990-2009 cars only
Figure 1:

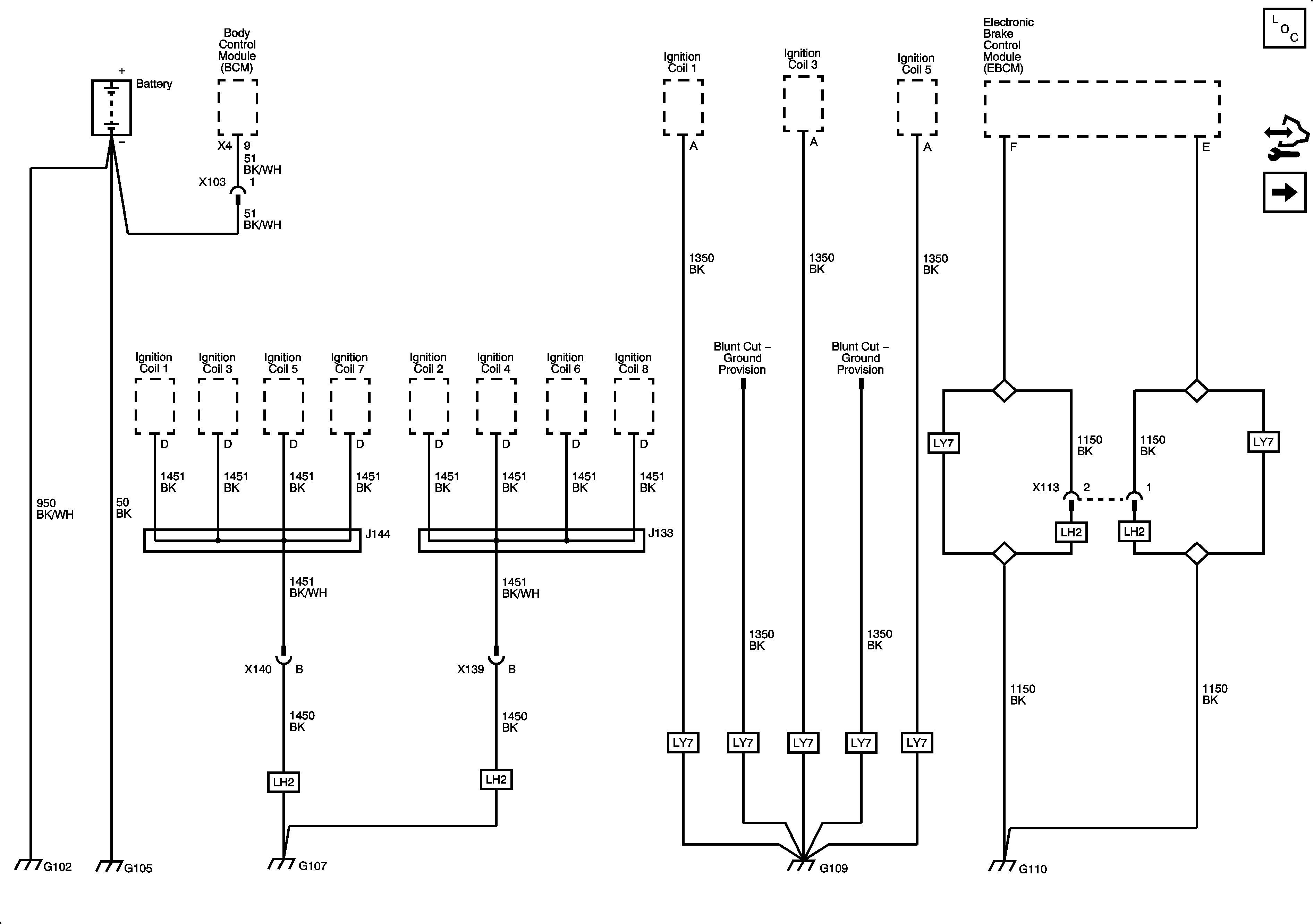
G102, G105, G107, G108, G109 and G110


Object Number: 2063522  Size: FS
Figure 2:

G106, G111, G306


Object Number: 2063525  Size: FS
Figure 3:

G100 LH2


Object Number: 2063530  Size: FS
Figure 4:

G101


Object Number: 2063533  Size: FS
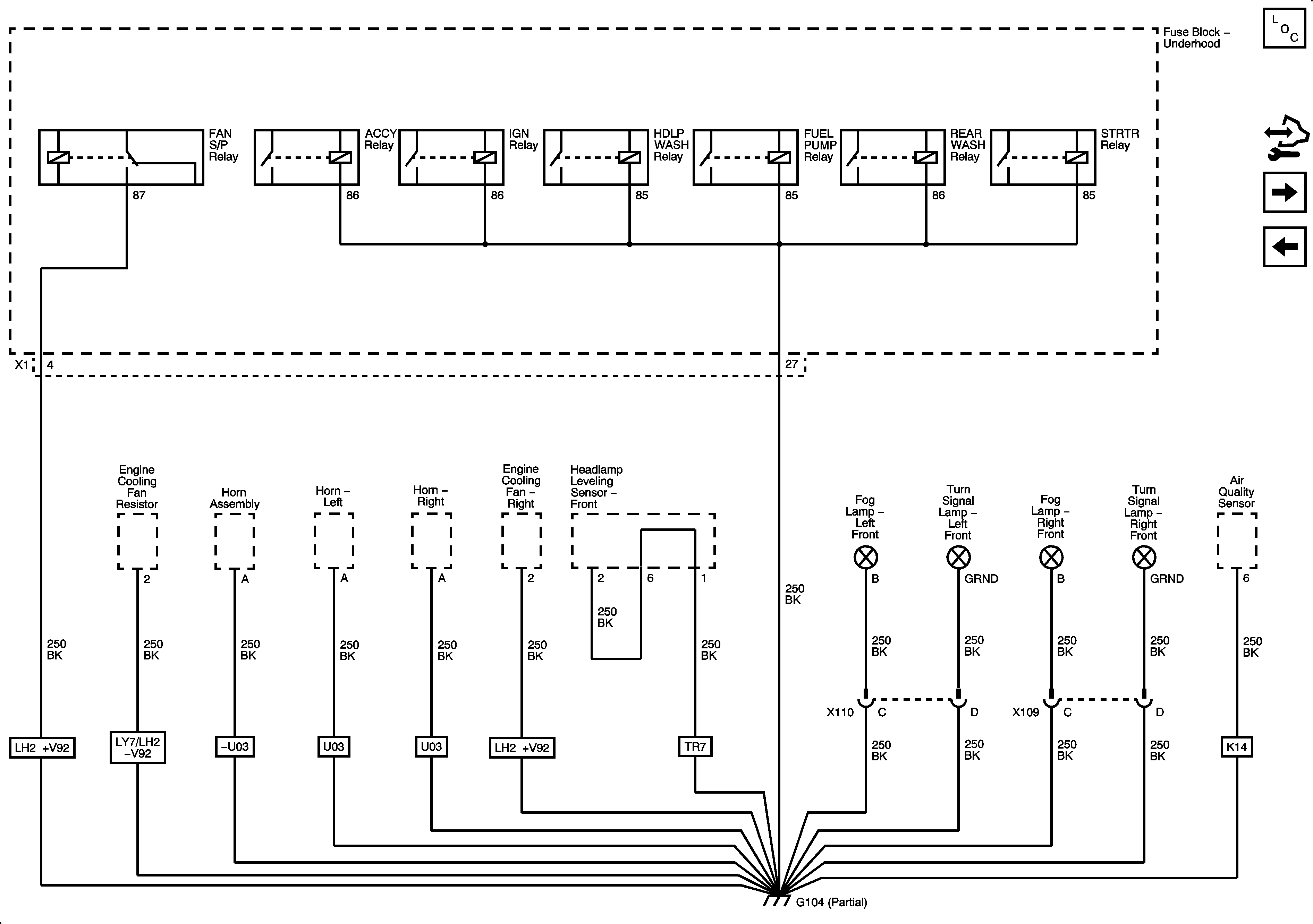
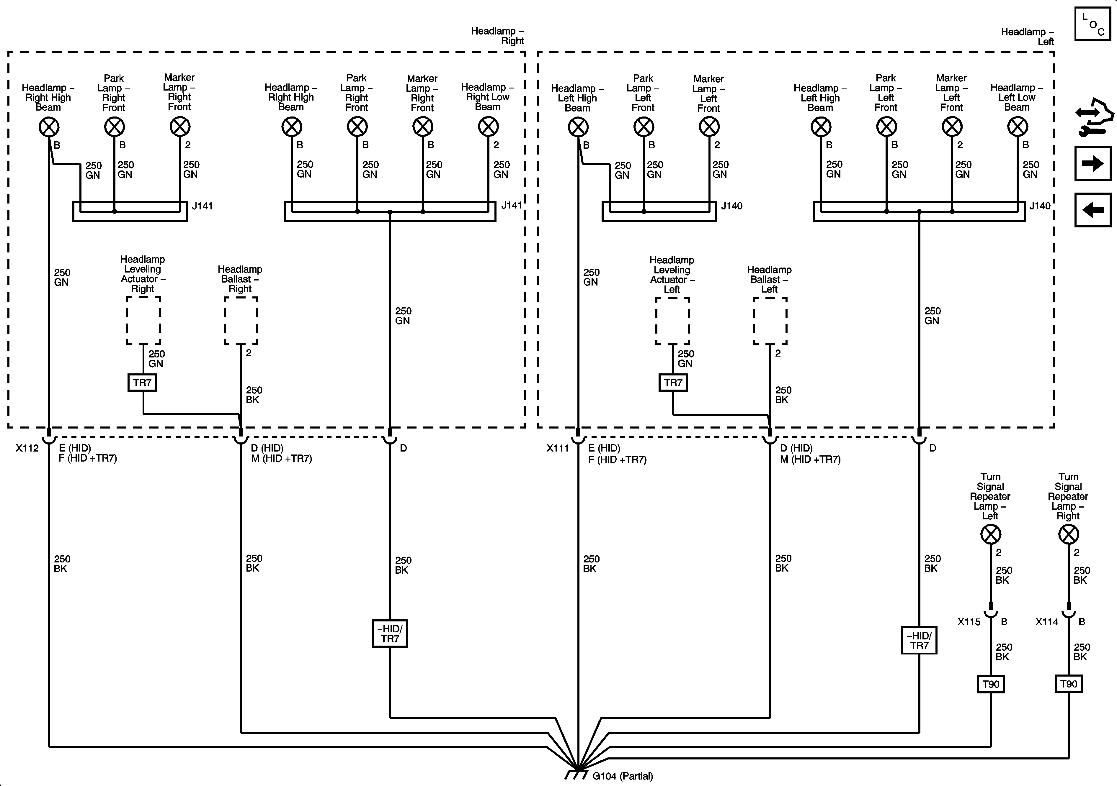
Figure 5:

G104 (1 of 2)


Object Number: 2063541  Size: FS
Figure 6:

G104 (2 of 2)


Object Number: 2063593  Size: FS
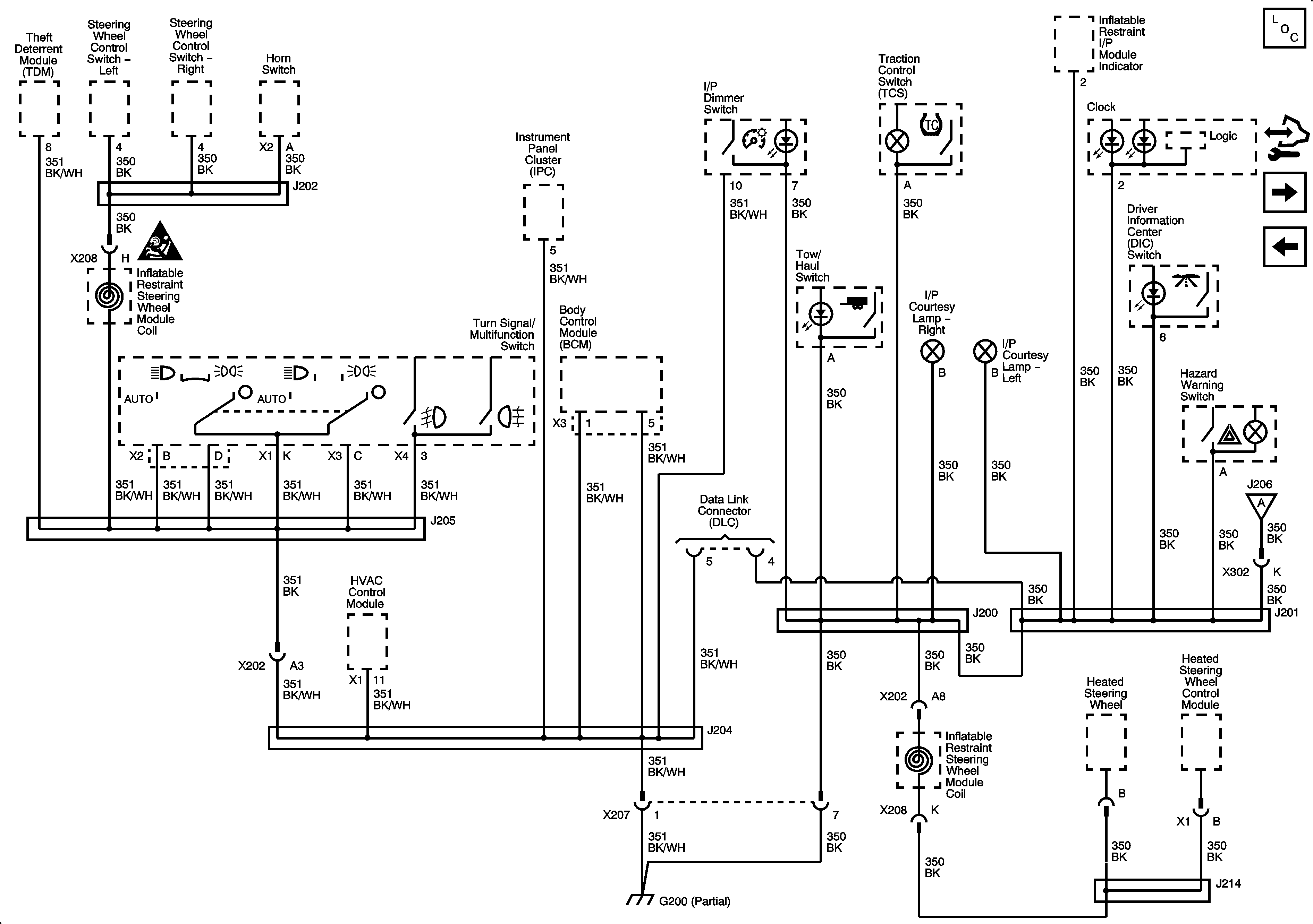
Figure 7:

G200 (1 of 2) LHD


Object Number: 2063794  Size: FS
Figure 8:

G200 (2 of 2) LHD


Object Number: 2063796  Size: FS
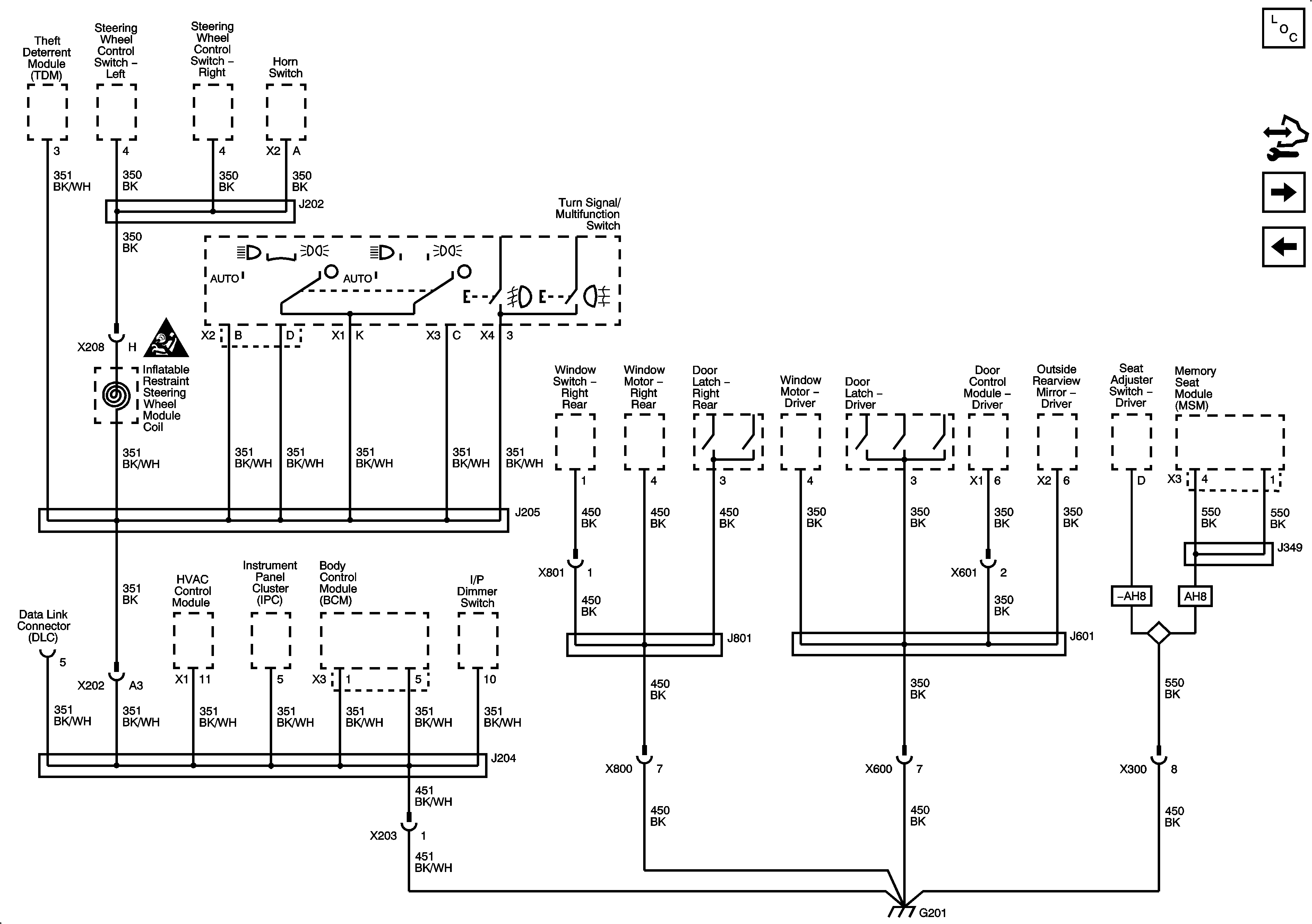
Figure 9:

G201 (LHD)


Object Number: 2063798  Size: FS
Figure 10:

G200 1 of 2 (RHD)


Object Number: 2063801  Size: FS
Figure 11:

G200 2 of 2 (RHD)


Object Number: 2063805  Size: FS
Figure 12:

G201 (RHD)


Object Number: 2063810  Size: FS
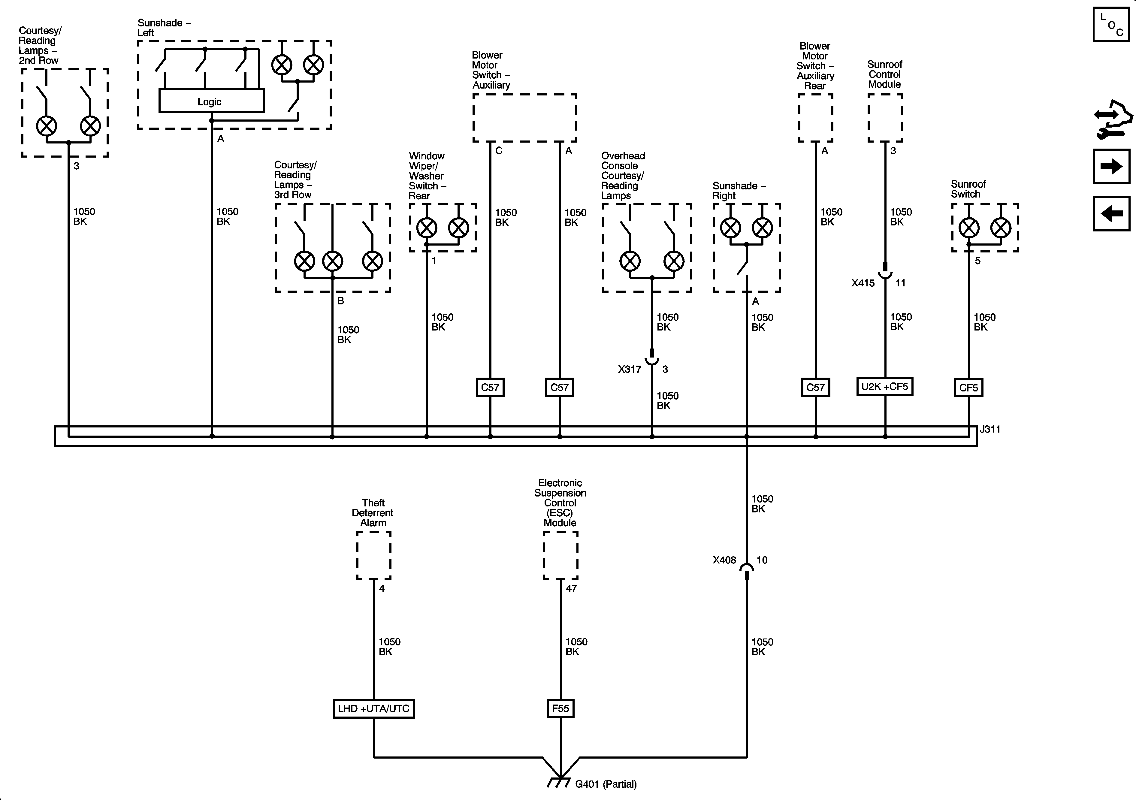
Figure 13:

G401 (1 of 3)


Object Number: 2063813  Size: FS
Figure 14:

G401 (2 of 3)


Object Number: 2063817  Size: FS
Figure 15:

G401 (3 of 3)


Object Number: 2063819  Size: FS
Figure 16:

G402 (1 of 2)


Object Number: 2063821  Size: FS
Figure 17:

G402 (2 of 2)


Object Number: 2063823  Size: FS