GM Service Manual Online
For 1990-2009 cars only
Makes
🢒
Cadillac
🢒
2009
🢒
SRX
🢒
Seats
🢒
Power Seats
🢒 Rear Seat Schematics
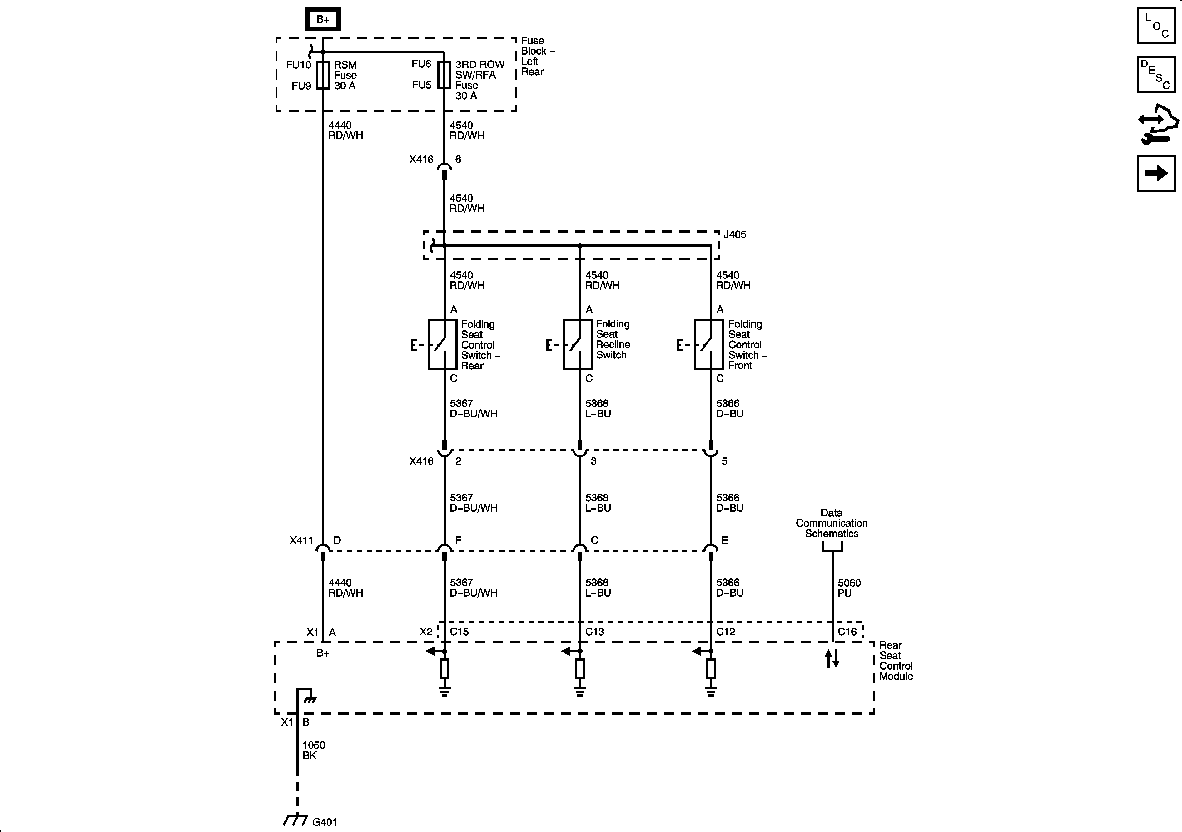
Figure
1:
Power, Ground, Serial Data and Controls (AM0)
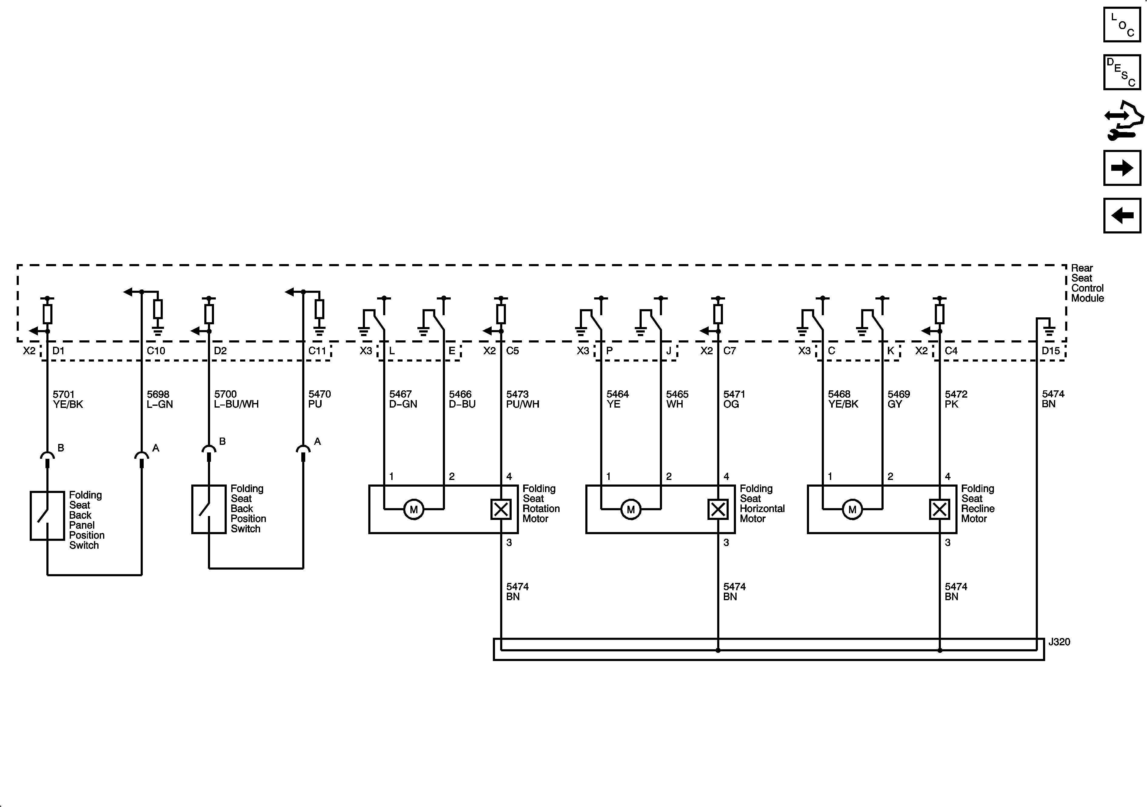
Figure
2:
Motors, Sensors, and Position Switches (AM0)