GM Service Manual Online
For 1990-2009 cars only
Makes
🢒
Cadillac
🢒
2009
🢒
SRX
🢒
HVAC
🢒
HVAC - Automatic
🢒 HVAC Schematics
Figure
1:
Blower Controls
Figure
2:
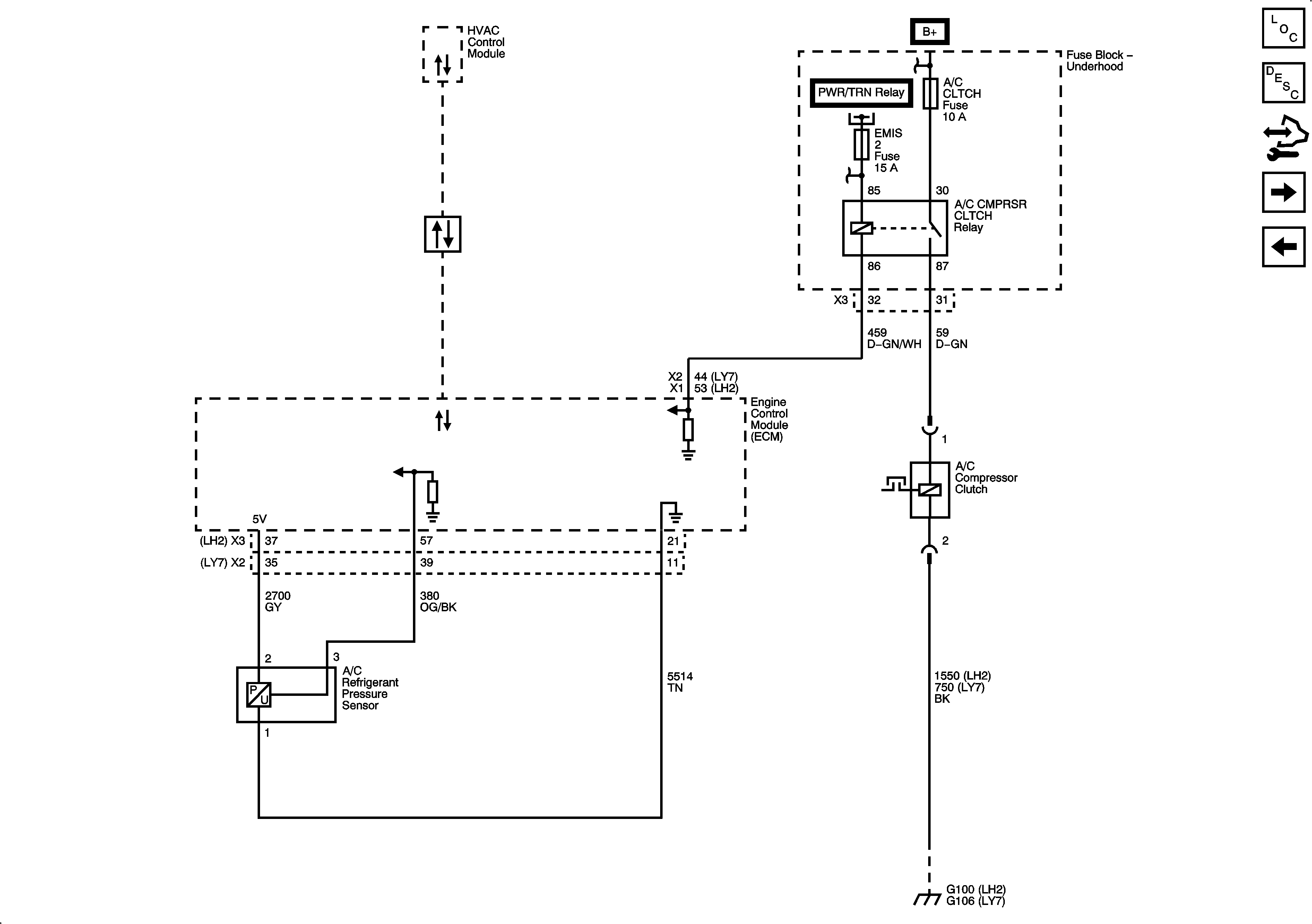
A/C Compressor Controls
Figure
3:
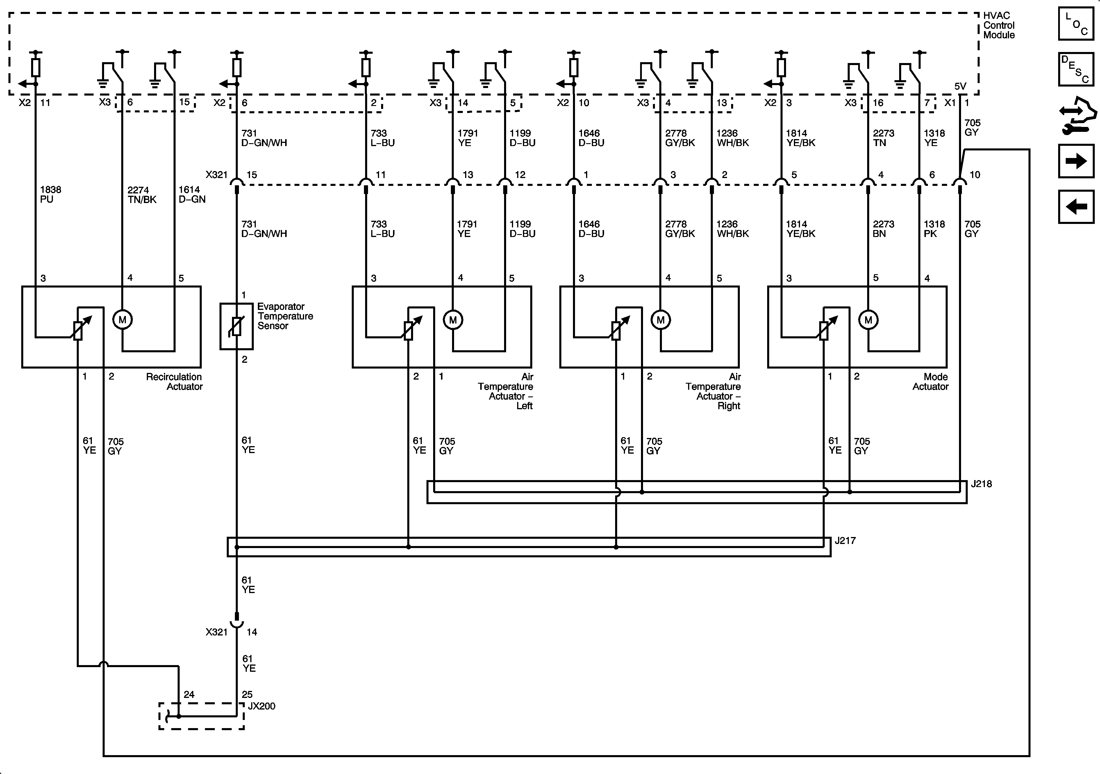
Air Delivery and Temperature Controls
Figure
4:
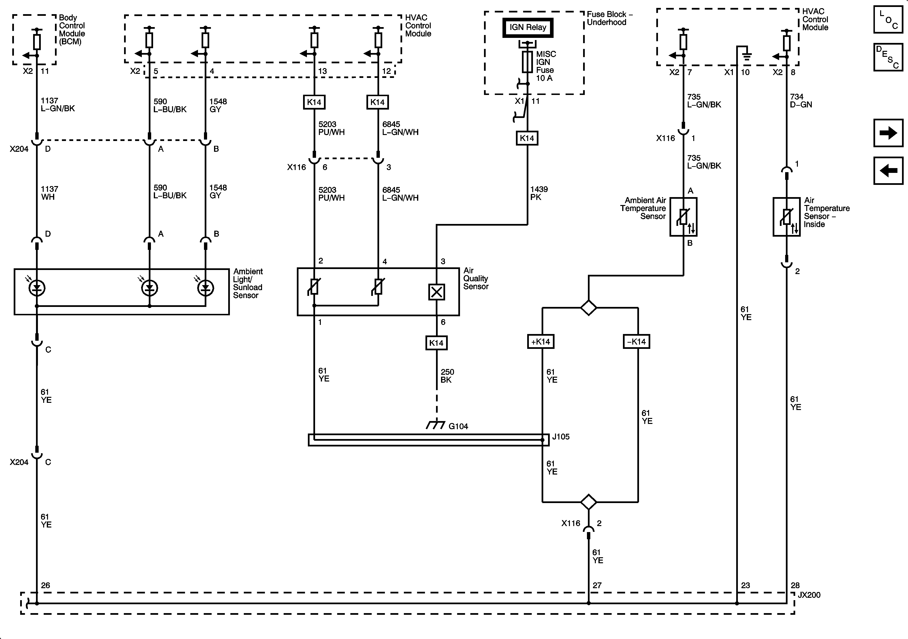
Air Sensors
Figure
5:
Auxiliary Blower Motor (C57)