GM Service Manual Online
For 1990-2009 cars only
Makes
🢒
Cadillac
🢒
2009
🢒
SRX
🢒
Safety and Security
🢒
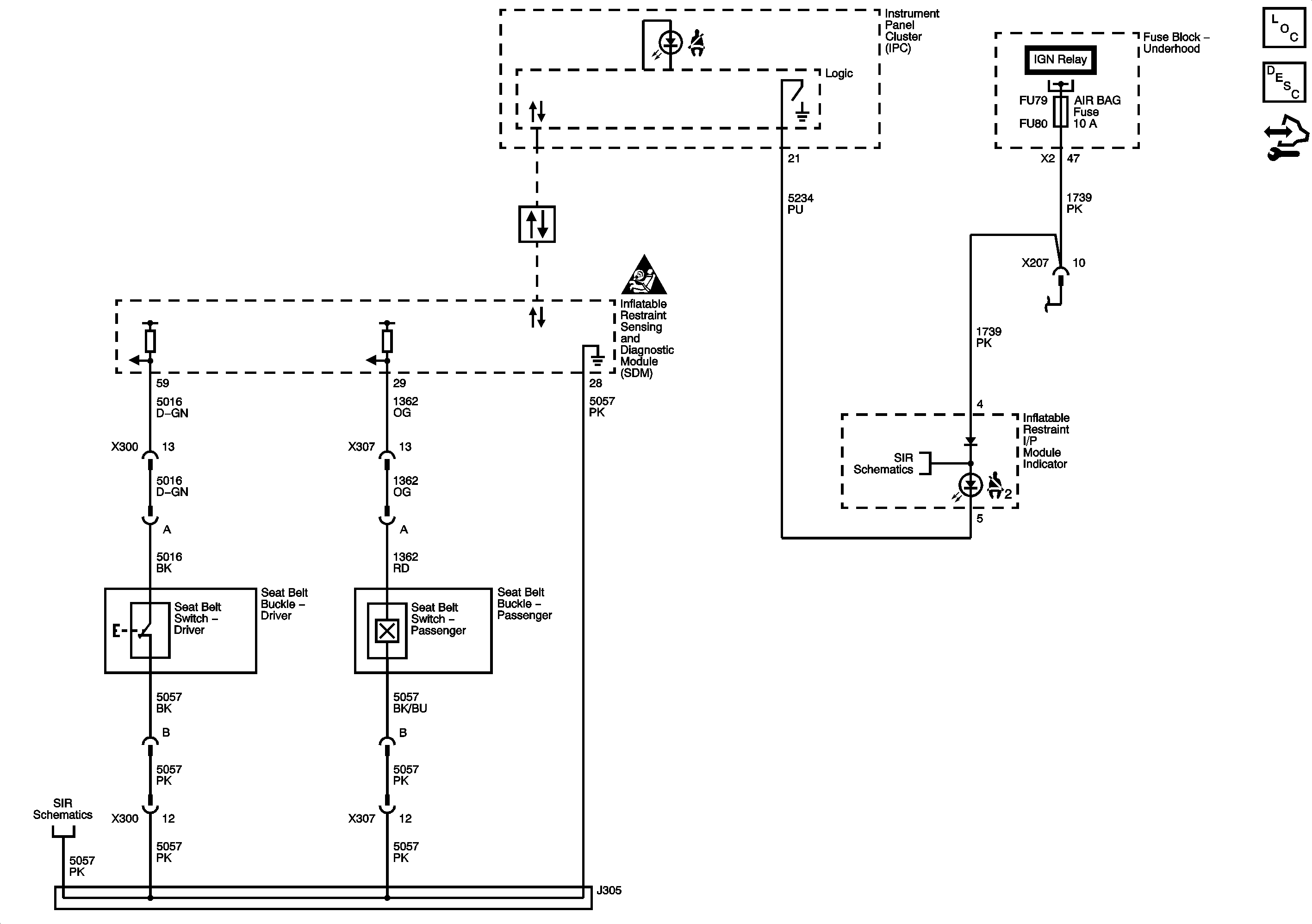
Seat Belts
🢒 Seat Belt Schematics