GM Service Manual Online
For 1990-2009 cars only
Makes
🢒
Cadillac
🢒
2005
🢒
STS
🢒
Body
🢒
Stationary Windows
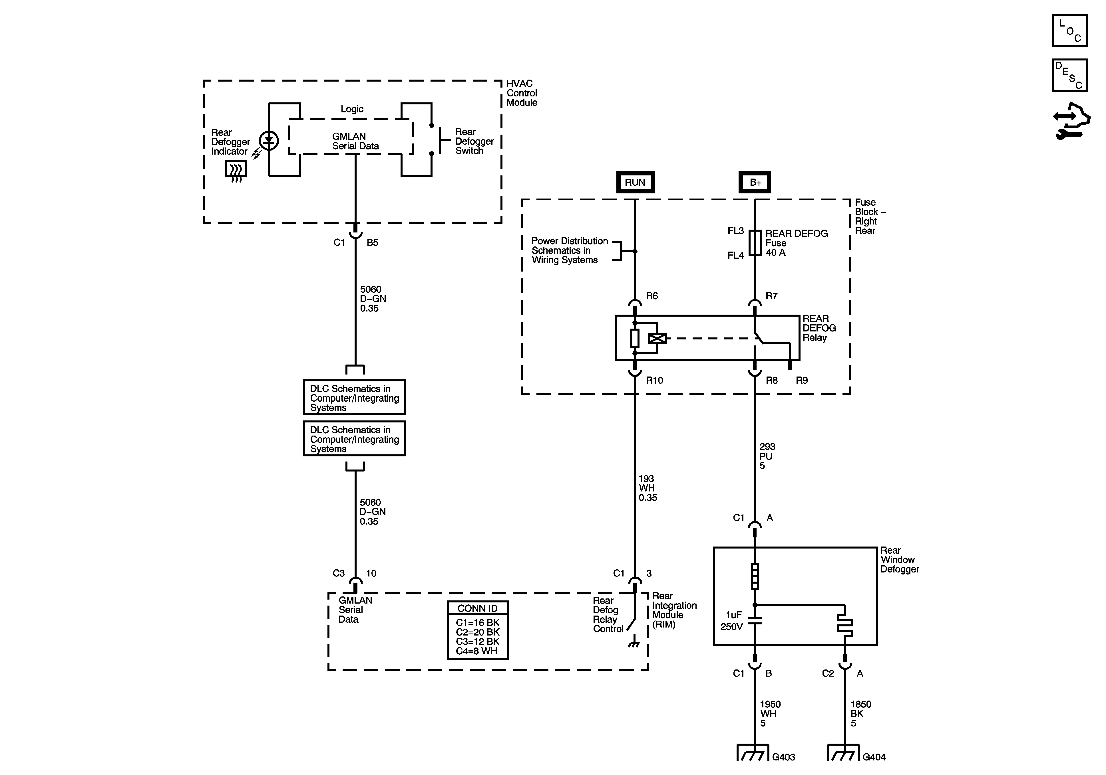
🢒 Defogger Schematics
Master Electrical Component List
Rear Window Defogger Description and Operation
Control Module References
Power Modes
GMLAN Low Speed 2 of 2
GMLAN Low Speed 1 of 2
G110, G306, G404, G403, G105, G106