GM Service Manual Online
For 1990-2009 cars only
Makes
🢒
Cadillac
🢒
2005
🢒
STS
🢒
Body
🢒
Wiring Systems
🢒 Engine Cooling Schematics
Figure
1:
Coolant Level Switch, After Boil Coolant Pump (LH2/V92/V03)
Master Electrical Component List
Cooling System Description and Operation
Control Module References
Cooling Fans
Fuse Block - Right Rear Bussing
GMLAN Low Speed 2 of 2
G101
G100 (LH2)
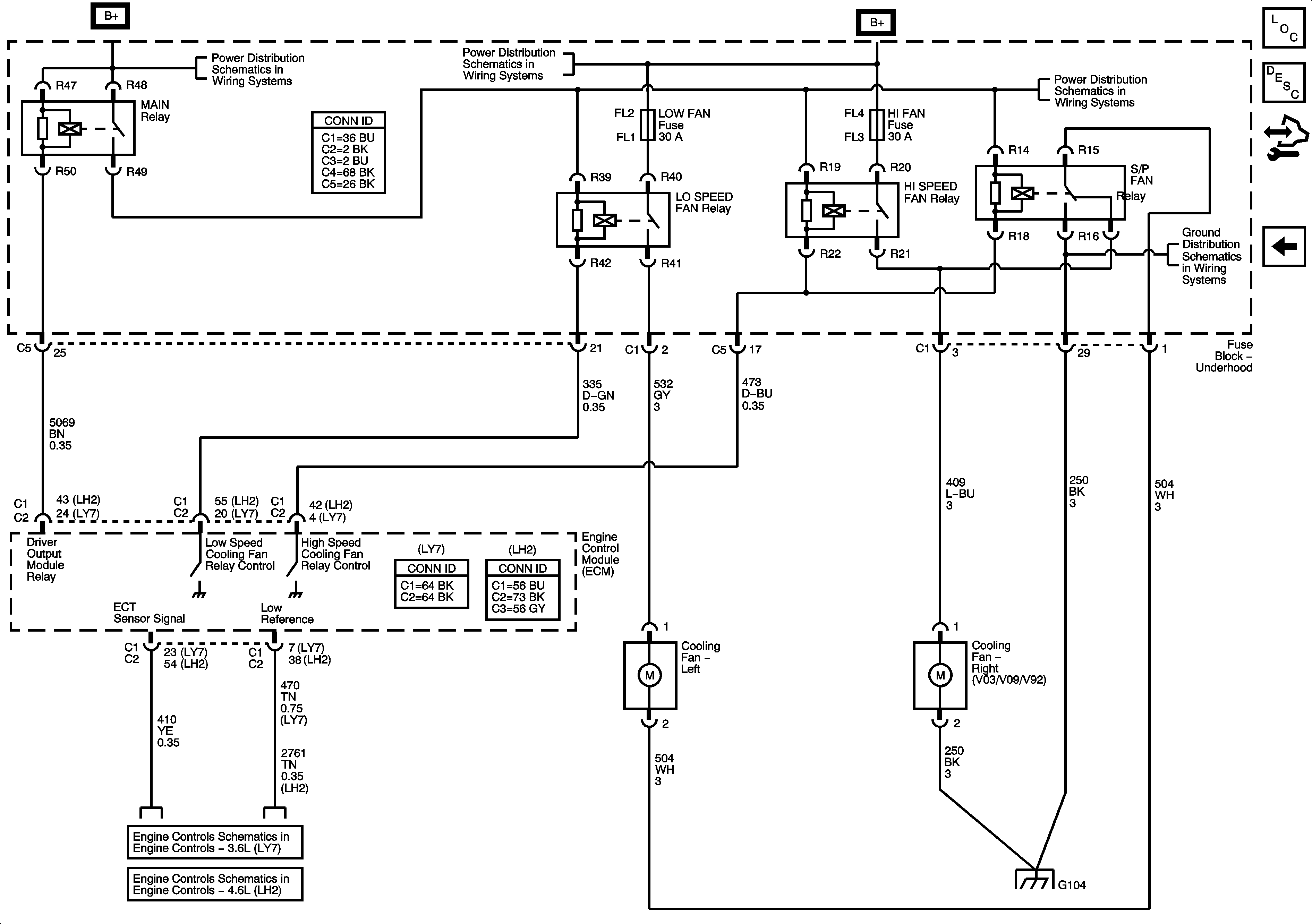
Figure
2:
Cooling Fans
Master Electrical Component List
Cooling System Description and Operation
Control Module References
Coolant Level Switch and After Boil Coolant Pump w/LH2/V92/V03
Fuse Block Underhood Bussing
Fuse Block Underhood Bussing
Fuse Block Underhood Bussing
G104 (1 of 2)
Engine Data Sensors - Pressure, Temperature, MAF, VSS
Engine Data Sensors - Pressure, Temperature, MAF, VSS
G104 (1 of 2)